- 您的位置:
- 标准下载网 >>
- 标准分类 >>
- 通信行业标准(YD) >>
- YD/T 2435.5-2017 通信电源和机房环境节能技术指南 第5部分:气流组织
标准号:
YD/T 2435.5-2017
标准名称:
通信电源和机房环境节能技术指南 第5部分:气流组织
标准类别:
通信行业标准(YD)
标准状态:
现行出版语种:
简体中文下载格式:
.zip .pdf下载大小:
585.48 KB
点击下载
标准简介:
YD/T 2435.5-2017.Guide for energy saving technology of power supply for telecommunications and room environment- Part 5: Airflow.
1范围
YD/T 2435.5规定了信息通信机房(包括:传输、交换、数据、基站等直接用于通信的机房和动力等辅助通信机房)气流组织的术语和定义、基本原则和要求。
YD/T 2435.5适用于信息通信机房。
2规范性引用文件
下列文件对于本文件的应用是必不可少的。凡是注日期的引用文件,仪注日期的版本适用于本文件。凡是不注日期的引用文件,其最新版本( 包括所有的修改单)适用于本文件。
GB 50174电子信息系统机房设计规范
3术语和定义
下列术语和定义适用于本文件:
3.1
气流组织distribution of air flow
通过机房内设备合理布局,对气流流向和均匀度按一-定要求进行组织,通过空气对流方式实现通信设备的散热,达到节能的目的。
3.2
信息通信设备information and communications equipment
信息通信网络上使用的交换设备(包括机房内的基站控制器)、传输设备、数据设备等。
4机房气流组织基本原则
4.1气流组织
气流组织应合理,以减少气流输送能耗,提高效率。
4.2气流源设备
气流源设备(空调、新风、其他替代空调的节能制冷末端设备)应尽可能的接近发热设备或者设备的发热部分,以保证送风的效果,并减少气流中间损耗。
4.3气流组织形式
任何一种气流组织形式都不应影响机房通信设备的正常工作。
部分标准内容:
中华人民共和国通信行业标准
YD/T2435.5—2017
通信电源和机房环境节能技术指南第5部分:气流组织
Guide for energy saving technology of power supply fortelecommunications and room environment -Part 5:Airflow2017-04-12发布
中华人民共和国工业和信息化部2017-07-01实施
2规范性引用文件.
术语和定义,
机房气流组织基本原则
气流组织..
气流源设备..
气流组织形式
气流组织顺序
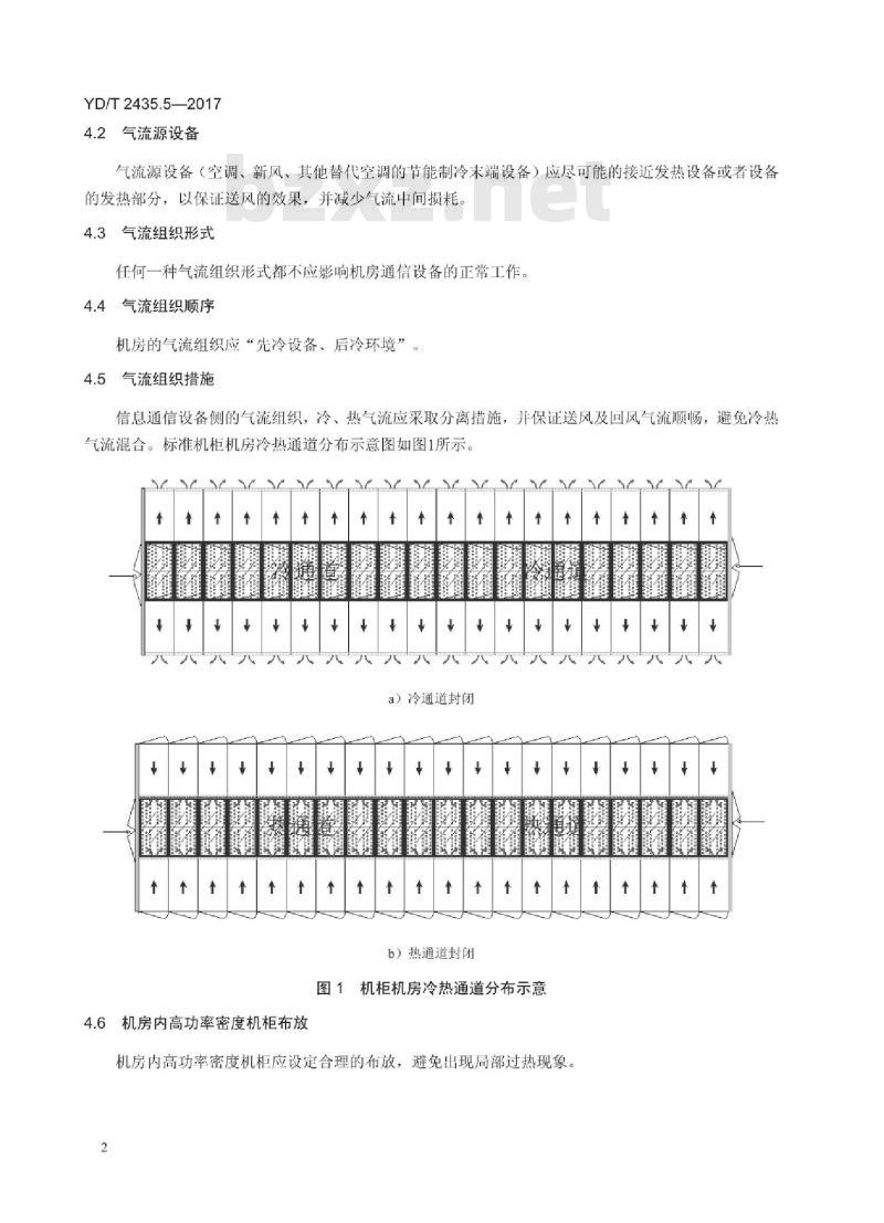
4.5气流组织措施
机房内高功率密度机柜布放
4.7制冷设备出风与回风避免短路循环5机房机柜功率密度分类
气流组织的要求..
一般要求
机房级气流组织形式,
6.3机柜排级送风方式,
机柜送风方式,
YD/T2435.5—2017
YD/T2435.5—2017
YD/T2435《通信电源和机房环境节能技术指南》分为如下五个部分:第1部分:总则:
一第2部分:应用条件:
一一第3部分:电源设备能效分级:一第4部分:空调能效分级;
一一第5部分:气流组织。
本部分为YD/T2435的第5部分。
本部分按照GB/T1.1-2009给出的规则起草。请注意本文件的某些内容可能涉及专利。本文件的发布机构不承担识别这些专利的责任。本部分由中国通信标准化协会提出并归口。本部分起草单位:中国信息通信研究院、中国电信集团公司、中国联合网络通信集团有限公司,中国移动通信集团公司、中讯邮电咨询设计院有限公司、深圳市英维克科技股份有限公司、艾默生网络能源有限公司、华为技术有限公司、江苏省邮电规划设计院有限责任公司、浙江创力电子有限公司、中达电通股份有限公司、海信(山东)空调有限公司、施耐德电气信息技术(中国)有限公司、深圳市艾特网能技术有限公司、兰州海红技术股份有限公司、武汉邮电科学研究院、杭州华三通信技术有限公司。本部分主要起草人:余斌、王众彪、侯福平、刘宝庆、王平、王、伟、陈川、王前方、李马林、朱关峰、方伟、沈晓东、刘敏学、李树广、苗华、张兴文、孙昊、杨平。I
1范围
通信电源和机房环境节能技术指南第5部分:气流组织
YD/T2435.5—2017bzxZ.net
本部分规定了信息通信机房(包括:传输、交换、数据、基站等直接用于通信的机房和动力等辅助通信机房)气流组织的术语和定义、基本原则和要求。本部分适用于信息通信机房。
2规范性引用文件
下列文件对于本文件的应用是必不可少的。凡是注日期的引用文件,仅注日期的版本适用于本文件。凡是不注日期的引用文件,其最新版本(包括所有的修改单)适用于本文件。GB50174电子信息系统机房设计规范3术语和定义
下列术语和定义适用于本文件:3.1
气流组织distributionofairflow通过机房内设备合理布局,对气流流向和均勾度按一定要求进行组织,通过空气对流方式实现通信设备的散热,达到节能的目的。3.2
信息通信设备informationandcommunicationsequipment信息通信网络上使用的交换设备(包括机房内的基站控制器)、传输设备、数据设备等。4机房气流组织基本原则
4.1气流组织
气流组织应合理,以减少气流输送能耗,提高效率。YD/T2435.5—2017
4.2气流源设备
气流源设备(空调、新风、其他替代空调的节能制冷末端设备)应尽可能的接近发热设备或者设备的发热部分,以保证送风的效果,并减少气流中间损耗。4.3气流组织形式
任何一种气流组织形式都不应影响机房通信设备的正常工作。4.4气流组织顺序
机房的气流组织应先冷设备、后冷环境”4.5气流组织措施
信息通信设备侧的气流组织,冷、热气流应采取分离措施,并保证送风及回风气流顺畅,避免冷热气流混合。标准机柜机房冷热通道分布示意图如图1所示。a)冷通道封闭
b)热通道封闭
图1机柜机房冷热通道分布示意
4.6机房内高功率密度机柜布放
机房内高功率密度机柜应设定合理的布放,避免出现局部过热现象。4.7制冷设备出风与回风避免短路循环气流组织应避免出现制冷设备出风与回风短路循环,提高冷量利用效率5机房机柜功率密度分类
YD/T2435.5—2017
根据机房的单机柜功率密度划分为超高密度机房、高密度机房、中密度机房及低密度机房四种,其单机柜功率密度指标见表1。
表1机房机柜功率密度分类
机房类型
超高密度机房
高密度机房
中密度机房
低密度机房
单机柜功率密度(β)
p>10kVA/柜
5kVA/柜
2kVA/柜<0≤5kVA/柜
p≤2kVA/柜
同一机房有不同功率密度的机柜时,应按照最大功率密度的机柜进行划分。气流组织的要求
6.1一般要求
6.1.1气流组织形式
机房内气流组织形式应结合建筑条件、通信设备自身的冷却方式、通信设备布置方式、散热量,以及室内风速、防尘、噪声等要求进行选择。6.1.2气流分配
气流分配应遵从热量与风量匹配的原则6.1.3气流通道
气流通道应畅通,通道截面积应满足要求。6.1.4空调系统
空调系统应采用大风量、小恰差、高显热比的空调系统末端。5空调送风温度
空调系统送风温度应高于机房露点温度。YD/T2435.5—2017
6.2机房级气流组织形式
6.2.1下送、上回风方式
6.2.1.1下送风通道应满足送风量要求。6.2.1.2送风路径中有结露可能的部分,应做保温处理。6.2.1.3地板下送风截面尺寸应满足静压箱要求,静压箱不得与任何洞孔相通。地板高度见GB50174。6.2.1.4地板送风下单侧空调向前送风距离不宜超过15m。下送风机柜机房冷热通道示意图如图2所示。
丰道车
图2下送风机柜机房冷热通道示意6.2.2上送、下回风方式
6.2.2.1高密度机房不宜采用上送、下回式送风方式。6.2.2.2上送风风帽送风、自然回风的最大送风距离不宜超过10m,上送风风道送风、自然回风的空调系统最大送风距离不宜超过15m。上送风机柜机房冷热通道示意图如图3所示静压箱
回风口
图3上送风机柜机房冷热通道示意6.6.2.3应避免走线架/线槽等设施阻挡送风气流。6.3机柜排级送风方式
6.3.1列间空调送风方式
6.3.1.1高热密度机房宜采用列间送风方式。列间空调室内机宜摆放在机柜间,向两侧或一侧送风,同时封闭冷通道或热通道。
6.3.1.2列间送风应采用冷热通道隔离方式。机房内机柜应按照面对面、背靠背方式排列,即相邻两列机柜的正面板相对或者背面板相对排列,使得相邻两列设备的进风口(正面)安装在冷通道上,排风口(背面)安装在热通道上,实现冷热通道分离。列间送风机柜排列如图4所示。4
++++++++
冷通道
冷通道
+++++++++++
图4采用列间送风机柜机房冷热通道示意YD/T2435.5—2017
6.3.1.3机架间空隙和机柜内预留安装设备位置应安装盲板或挡板,防止冷热气流直接混合。6.4机柜送风方式
6.4.1超高热密度机房机柜散热方式宜采用架顶式空调直接向机柜内送风,或机柜进风侧或出风侧采用背板制冷方式。超高热密度机房机柜散热方式示意图如图5所示。空调
a)架顶式空调送风方式示意
b)机柜背板制冷方式示意图
图5超高热密度机房机柜散热方式示意6.4.2中、低密度机房机柜散热方式宜采用地板下送风方式。
6.4.3机柜内设备正面板平面
应配置必要的密封组件,使冷风全部进入设备正面进风口而不泄漏。密封组件主要包括安装立柱两侧和顶部或底部的密封挡板(视机柜进风方式而定),以及上下设备之间的密封面板(也称假面板或盲板)等。机柜进、出风方式示意图如图6所示。YD/T2435.5—2017
a)前进风、后出风方式b)顶进风、后出风方式c)下进风、后出风方式
机柜进、出风方式示意
机柜内部电源线和数据线
应避免阻碍气流流通。
d)下进风、顶出风方式
小提示:此标准内容仅展示完整标准里的部分截取内容,若需要完整标准请到上方自行免费下载完整标准文档。
标准图片预览:





- 热门标准
- YD通讯标准
- YD/T1684-2007 数字蜂窝移动通信网点对点短消息业务计费技术要求和检测方法
- YDC029-2003 电信设备和系统的高低频电磁兼容性改善技术要求
- YD/T1108-2001 CDMA 数字蜂窝移动通信网无线同步双模(GPS/GLONASS)接收机性能要求及与基站间接口技术规范
- YD/T1307-2004 800MHz CDMA 数字蜂窝移动通信网无线智能网(WIN)阶段1:接口测试方法
- YD/T206.4-1997 架空通信线路铁件交叉支架
- YD/T1319-2004 通信电缆 —— 无线通信用 50Ω 泡沫聚乙烯绝缘编织外导体射频同轴电缆
- YD/T2068.3-2010 2GHz TD-SCDMA 数字蜂窝移动通信网多媒体广播系统(TD-MBMS)网络管理技术要求(第一阶段) 第3部分:基于 CORBA 技术的网络资源模型设计
- YD/T1875-2009 800MHz/2GHz cdma2000 数字蜂窝移动通信网设备测试方法传统终端域(LMSD)移动交换子系统
- YD/T1344-2005 IPv6 地址结构协议 —— IPv6 无状态地址自动配置
- YD/T1049-2000 800MHz CDMA 数字蜂窝移动通信网设备总测试规范:交换子系统部分
- YD/T1763.3-2008 TD-SCDMA/WCDMA 数字蜂窝移动通信网通用用户识别模块(USIM)与终端间 Cu 接口测试方法 第3部分:通用用户识别模块应用工具箱(USAT)特性
- YD/T2941.2-2015 会话初始协议与传统网络协议互通的测试方法 第2部分:SIP和BICC互通
- YD/T772-1995 集团电话进网技术要求和检测方法
- YD/T 1868-2009 800MHz/2GHz cdma2000 数字蜂窝移动通信网设备技术要求分组预付费
- YD/T1456.2-2006 900/1800MHz TDMA 数字蜂窝移动通信网业务交换点(SSP)设备测试方法(CAMEL3) 第2部分分组域(PS)
- 行业新闻
网站备案号:湘ICP备2025141790号-2