【HG化工标准】 代替 HG/T 3695-2001 酸性黑 P-7BR(C. I. 酸性黑 24)
- HG/T3695-2010
- 现行
- 点击下载此标准
标准号:
HG/T 3695-2010
标准名称:
代替 HG/T 3695-2001 酸性黑 P-7BR(C. I. 酸性黑 24)
标准类别:
化工行业标准(HG)
标准状态:
现行出版语种:
简体中文下载格式:
.zip .pdf下载大小:
855.97 KB
手机扫码下载更方便
点击下载
标准简介:
HG/T 3695-2010.Acid black P-7BR(C. I. Acid black 24).
1范围
HG/T 3695规定了酸性黑 P-7BR(C.I. 酸性黑 24,弱酸性黑 BR)产品的要求、采样、试验方法、检验规则以及标志、标签、包装、运输和贮存。
HG/T 3695适用于酸性黑P-7BR的产品质量控制。
相对分子质量:731. 71(按2007年国际相对原子质量)
CAS RN:3071-73-6
2规范性引用文件
下列文件对于本文件的应用是必不可少的。凡是注日期的引用文件,仅注日期的版本适用于本文件。凡是不注日期的引用文件,其最新版本(包括所有的修改单)适用于本文件。
GB/T 2374-2007染料染色测定的一般条件规定
GB/T 2378-2003 酸性染料染色色光和强度的测定
GB/T 2381-2006染料及染料中间体不溶物质含量的测定
GB/T 2386-2006 染料及染料中间体水分的测定
GB/T 3671.1-1996水溶性染料溶解度和溶液稳定性的测定(idt ISO 105-Z07 : 1995)
GB/T 3920-2008纺织品色牢度试验耐摩擦色牢度(mod ISO 105-X12 : 2001)
GB/T 3921-2008 纺织品色牢度试验耐皂洗色牢度(mod ISO 105-C10 : 2006)
GB/T 3922-1995纺织品耐汗渍色牢度试验方法(eqv ISO 105 E04 : 1994)
GB/T 4841.2-2006 染料染色标准深度色卡藏青和黑色
GB/T 5713-1997纺织品色牢度试验耐水色牢度(eqv ISO 105-E01 : 1994)
GB/T 6152-1997 纺织品色牢度试验耐热压色牢度(eqv ISO 105-X11 : 1994)
GB/T 6678-2003化工品采样总则
GB/T 6693-2009 染料粉尘飞扬性的测定(mod ISO 105-Z06 : 1996)
GB/T 8427-2008纺织品色牢度试验耐人造光色牢度:氙弧(mod ISO 105-B02 : 1994)
部分标准内容:
备案号:30172—2011
中华人民共和国化工行业标准
HG/T3695—2010
代替HG/T3695—2001
酸性黑P-7BR
(C.I.酸性黑24)
Acid black P-7BR
(C. I. Acid black 24)
2010-11-22发布
2011-03-01实施
中华人民共和国工业和信息化部发布
酸性黑P
性黑2
HG/T3695—2010
本标准依据GB/T1.1一2009《标准化工作导则第1部分:标准的结构和编写》进行编制。本标准代替HG/T3695—2001K酸性黑P-7BR150%(弱酸性黑BR150%)》。本标准与HG/T3695—2001相比,除编辑性修改外主要技术变化如下:标准名称修改为《酸性黑P-7BR(C.L酸性黑24)》(见标准名称,2001年版的标准名称);调整了外观指标(见3.1,2001年版的3.1);调整了水分、水不溶物指标(见3.2,2001年版的3.2);增加了溶解度、防尘性、有害芳香胺的量和重金属元素的量指标(见3.2);取消了细度指标(见2001年版的3.2);增加了溶解度、防尘性、有害芳香胺的量和重金属元素的量试验方法(见5.5、5.6、5.7,5.8)。请注意本文件的某些内容可能涉及专利。本文件的发布单位不承担识别这些专利的责任。本标准由中国石油和化学工业协会提出。本标准由全国染料标准化技术委员会(SAC/TC134)归口。本标准起草单位:浙江大井化工有限公司、沈阳化工研究院有限公司。本标准主要起草人:杨尧森、王男、杨立军。本标准所代替标准的历次版本发布情况为:-HG/T3695-2001
TKANTKAca
1范围
酸性黑P-7BR(C.I.酸性黑24)免费标准bzxz.net
HG/T 3695—2010
本标准规定了酸性黑P-7BR(C.I.酸性黑24,弱酸性黑BR)产品的要求、采样、试验方法、检验规则以及标志、标签、包装、运输和贮存。本标准适用于酸性黑P-7BR的产品质量控制。结构式:
分子式:C36H23N,Na2O6S2
相对分子质量:731.71(按2007年国际相对原子质量)CASRN:3071-73-6
2规范性引用文件
下列文件对于本文件的应用是必不可少的。凡是注日期的引用文件,仅注日期的版本适用于本文件。凡是不注日期的引用文件,其最新版本(包括所有的修改单)适用于本文件染料染色测定的一般条件规定
GB/T2374—2007
GB/T2378—2003
GB/T2381—2006
GB/T 2386—2006
酸性染料染色色光和强度的测定染料及染料中间体不溶物质含量的测定染料及染料中间体水分的测定
GB/T3671.1—1996水溶性染料溶解度和溶液稳定性的测定(idtISO105-Z07:1995)纺织品色牢度试验耐摩擦色牢度(modISO105-X12:2001)GB/T39202008
GB/T39212008
GB/T3922--1995
纺织品
色牢度试验耐皂洗色牢度(modISO105-C10:2006)纺织品耐汗渍色牢度试验方法(evISO105-E04:1994)GB/T4841.2—2006
GB/T5713—1997
GB/T6152
GB/T 6678—2003
GB/T6693—2009
染料染色标准深度色卡藏青和黑色纺织品
纺织品
色牢度试验耐水色牢度(eqvISO105-E01:1994)色牢度试验耐热压色牢度(eqvISO105X11:1994)化工产品采样总则
粉尘飞扬性的测定(modISO105-Z06:1996)染料
色牢度试验耐人造光色牢度:氩弧(modISO105-B02:1994)GB/T8427—2008纺织品1
染料产品中23种有害芳香胺的限量及测定GB19601
GB20814
染料产品中10种重金属元素的限量及测定3要求
3.1外观:蓝黑色均勾粉末或颗粒。3.2酸性黑P-7BR的质量要求应符合表1的规定。1
HG/T3695—2010
1.强度(为标准品的)/分
2.色光(与标准品)
3.水分的质量分数/%
4.水不溶物的质量分数/%
5.溶解度(90℃)/(g/L)
6.防尘性/级
7.有害芳香胺的质量分数/(mg/kg)8.重金属元素的质量分数/(mg/kg)3.3
染色深度
酸性黑P-7BR的质量要求
近似一微
符合GB19801的标准要求
符合GB20814的标准要求
酸性黑P-7BR在羊毛织物上的色牢度应不低于表2的规定。表2酸性黑P-7BR在羊毛织物上的色牢度耐光(疯弧)
深黑6~
注:4%(owf)相当于深黑染色标准深度采样
耐汗渍
耐靡擦
耐热压
180℃
变色(4h后)
以批为单位采样,一次拼混均匀的产品为一批。每批采样桶数应符合GB/T6678--2003中7.6的规定。所采样产品的包装必须完好,采样时勿使外界杂质落人产品中。用探管从上、中、下三部分采样,所采样品总量不得少于200g。将采得的样品充分混匀后,分装于两个清洁、干燥、密封良好的容器中,其上粘贴标签,注明产品名称、批号、生产厂名称、取样日期、地点。一个供检验,另一个保存备查。5试验方法
5.1外观的评定
采用目视评定。
5.2染色色光和强度的测定
5.2.1染色一般条件
染色时的一般条件应符合GB/T2374—2007的有关规定。染色操作按GB/T2378—2003中6.2的规定进行。
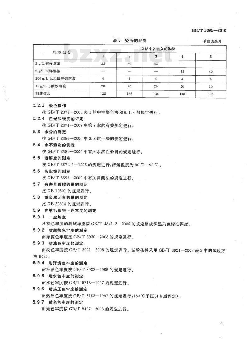
染色深度规定为2.0%(owl),染色用4g毛线或羊毛凡立丁,染色浴比为1:50。5.2.2染浴的配制
以一般染色机染色为例,于五个染杯中,按表3规定配制染浴。2
TTKAONTKAca-
染浴组分
2g/L标样溶液
2g/L试样溶液
100g/L无水硫酸钠熔液
10g/L乙酸铵溶液
加蒸馏水
5.2.3染色操作
表3染浴的配制
染浴中各组分的体积
按GB/T2378—2003表1的中性染色法和6.1.4的规定进行。5.2.4色光和强度的评定
按GB/T2374—2007中第7章的有关规定进行。5.3水分的测定
按GB/T2386—2006中3.2烘干法的规定进行。5.4水不溶物的测定
按GB/T2381--2006中有关水溶性染料的规定进行。5.5溶解度的测定
按GB/T3671.1-1996.的规定进行,溶解温度为90℃95℃。5.6防尘性的测定
按GB/T6693—2009中有关目测法的规定进行5.7有害芳香胺的量的测定
按GB19601的规定进行。
5.8重金属元素的量的测定
按GB 20814的规定进行。
5.9在羊毛织物上色牢度的测定
5.9.1一般规定
所有色牢度的测试样应按GB/T4841.2—2006的规定染成深黑染色标准深度。5.9.2耐摩擦色牢度的测定
耐摩擦色牢度按GB/T3920—2008的规定进行。5.9.3耐洗色牢度的测定
HG/T3695—2010
单位为毫升
耐洗色牢度按GB/T3921—2008的规定进行。试验条件采用GB/T3921—2008表2中的试验方法B(2)。
5.9.4耐汗渍色牢度的测定
耐汗渍色牢度按GB/T3922—1995的规定进行。5.9.5耐水色牢度的测定
耐水色牢度按GB/T5713—1997的规定进行。5.9.6耐热压色牢度的测定
耐热压色牢度按GB/T6152—1997的规定进行,180℃干压(4h后评定)。5.9.7耐光色牢度的测定
耐光色牢度按GB/T8427—2008的规定进行。HG/T3695—2010
6检验规则
6.1检验分类
本标准3.1,3.2和3.3所列的检验项目均为型式检验项目。其中本标准的3.1和3.2中16项为出厂检验项目,应逐批进行检验。在正常连续生产情况下,每年至少进行一次型式检验。但如有下述情况需进行型式检验:
a)新产品最初定型时;
b)产品异地生产时;
c)生产配方、工艺及原材料有较大改变时;d)停产三个月后又恢复生产时;e)客户提出要求时。
6.2出厂检验
酸性黑P-7BR应由生产厂的质量检验部门检验合格,附合格证明后方可出厂。生产厂应保证所有出厂的酸性黑P-7BR产品均符合本标准的要求。6.3复检
如果检验结果中有一项指标不符合本标准的要求时,应重新自两倍量的包装中取样进行检验,重新检验的结果,即使只有一项指标不符合本标准要求,则整批产品不能验收。7标志、标签、包装、运输、贮存7.1标志、标签
7.1.1标志
酸性黑P-7BR的每个包装容器上都应涂印耐久、清晰的标志,标志内容至少应有:a)产品名称:
生产厂名称、地址;
生产日期;
净含量;
产品质量检验合格证明。
7.1.2标签
产品应有标签,标签上应注明产品生产口期、合格证明、执行标准综号、批号。7.2包装
酸性黑P-7BR装于内衬塑料袋的包装容器内,并加密封,每件净含量25kg士0.2kg或50kg土0.2kg,其他包装可与用户协商确定。7.3运输
运输时应防止倒置,小心轻放,避免碰撞,切勿损坏包装。7.4贮存
酸性黑P-7BR应贮存于阴凉、干燥、通风处,防止受潮受热。TiKAoNiKAca
中华人民共和国
化工行业标准
酸性黑P-7BR(C.I.酸性黑24)
HG/T3695-2010
出版发行:化学工业出版社
(北京市东城区青年湖南街13号邯政编码100011))北京云浩印剧有限责任公司印装880mm×1230mm1/16印张岁字数9千字2011年3月北京第1版第1次印刷
书号:155025·0949
购书咨询:010-64518888
售后服务:010-64518899
网址:http://cip.com.cn凡购买本书,如有缺损质量问题,本社销售中心负责调换。定价:10.00元
版权所有违者必究
小提示:此标准内容仅展示完整标准里的部分截取内容,若需要完整标准请到上方自行免费下载完整标准文档。
标准图片预览:





- 热门标准
- HG化工标准
- HG/T20592-2009 钢制管法兰(PN系列)
- HG/T20519-2009 代替 HG/T 20519-1992 化工工艺设计施工图内容和深度统一规定
- HG/T20615-2009 钢制管法兰(Class系列)
- HG/T5624-2019 工业用四羟甲基硫酸磷
- HG20571-2014 代替 HG 20571-1995 化工企业安全卫生设计规范
- HG/T20613-2009 钢制管法兰用紧固件(PN系列)
- HG/T20553-2011 代替 HG 20553-1993 化工配管用无缝及焊接钢管尺寸选用系列
- HG/T20206-2017 代替 HG 20206-1992 化工机器安装工程施工及验收规范(中小型活塞式压缩机)
- HG/T21574-2018 代替 HG/T 21574-2008 化工设备吊耳设计选用规范
- HG20583-1998 钢制化工容器结构设计规定
- HG/T20634-2009 钢制管法兰用紧固件(Class系列)
- HG/T21547-2016 代替 HG 21547-1993 管道用钢制插板、垫环、8字盲板系列
- HG/T2373-2004 代替 HG/T 2373-1992 搪玻璃开式贮存容器
- HG/T20610-2009 钢制管法兰用缠绕式垫片(PN系列)
- HG/T20606-2009 钢制管法兰用非金属平垫片(PN系列)
- 行业新闻