- 您的位置:
- 标准下载网 >>
- 标准分类 >>
- 化工行业标准(HG) >>
- HG/T 3965-2007 反应艳橙 M-3R(C.I. 反应橙 122)
标准号:
HG/T 3965-2007
标准名称:
反应艳橙 M-3R(C.I. 反应橙 122)
标准类别:
化工行业标准(HG)
标准状态:
现行出版语种:
简体中文下载格式:
.zip .pdf下载大小:
889.18 KB
手机扫码下载更方便
相关标签:
反应
点击下载
标准简介:
HG/T 3965-2007.Reactive brilliant orange M-3R(C. I. Reactive orange 122).
1范围
HG/T 3965规定了反应艳橙M-3R(C. I.反应橙122,活性橙2RLN)产品的要求、采样、试验方法、检验规则以及标志、标签、包装、运输和贮存。
HG/T 3965适用于反应艳橙M-3R的质量检验。该产品主要用于棉、黏胶、丝等纤维的染色。
相对分子质量:1034.27(按2005年国际相对原子质量)
CAS: 12220-12-1
2规范性引用文件
下列文件中的条款通过本标准的引用而成为本标准的条款。凡是注日期的引用文件,其随后所有的修改单(不包括勘误的内容)或修订版均不适用于本标准,然而,鼓励根据本标准达成协议的各方研究是否可使用这些文件的最新版本。凡是不注日期的引用文件,其最新版本适用于本标准。
GB/T 2374染料染色测定的一般条件规定
GB/T 2381-2006染料及 染料中间体不溶 物质含量的测定
GB/T 2386-2006 染料及 染料中间体水 分的测定
GB/T 2387-2006 反应染料 色 光和强度的测定
GB/T 2390-2003 水溶性染料pH值的测定
GB/T 2391-2006反应染料固色率的测定
GB/T 3671. 1-1996水溶 性染料溶解度和溶液稳定性的测定(idt ISO 105-Z07 ; 1995)
GB/T 3920-1997 纺织品色牢度试验耐 摩擦色牢度(eqv ISO 105-X12 : 1993)
GB/T 3921.4-1997 纺织品色牢度试验 耐洗色牢度 :试验4(eqv ISO 105-C04↑1989)
GB/T 3922-1995 纺织品 耐汗渍色牢度试验方法(eqv ISO 105-E04 : 1994)
GB/T 4841.1-2006染料染 色标准深度色卡1/1
GB/T 6152-1997 纺织品色牢度试验 耐 热压色牢度(eqv ISO 105-X11 : 1994)
GB/T 6678-2003 化工产品采样总则
GB/T 6693-1997 染料粉尘飞扬性的测定(idt ISO 105-Z06 : 1996)
GB/T 8427-1998纺织品色牢度试验 耐人造光色牢度 :氙弧(eqv ISO 105-B02 : 1994)
部分标准内容:
备案号:21373—2007
中华人民共和国化工行业标准
HG/T3965—2007
反应艳橙M-3R
(C.I.反应橙122)
Reactive brilliant orange M-3R(C.I.Reactive orange122)
2007-07-20发布
2008-01-01实施
中华人民共和国国家发展和改革委员会发布
前.言
本标准是根据我国国情,结合各生产企业的实际情况制订而成。本标准由中国石油和化学工业协会提出。HG/T3965—2007
本标准由全国染料标准化技术委员会(SAC/TC134)归口。本标准起草单位:湖北华丽染料工业有限公司、浙江舜龙化工有限公司、浙江闫土股份有限公司、上海万得化工有限公司、上海科华染料工业有限公司、沈阳化工研究院。本标准主要起草人:尚爱国、董仲生、张捷、阮国标、陈跃文、王晓红、朱巧生。本标准为首次发布。
建筑321
标准查询下载网
1范围
反应艳橙M-3R(C.I.反应橙122)
HG/T3965—2007
本标准规定了反应艳橙M-3R(C.I.反应橙122,活性橙2RLN)产品的要求、采样、试验方法、检验规则以及标志、标签、包装、运输和贮存。本标准适用于反应艳橙M-3R的质量检验。该产品主要用于棉、黏胶、丝等纤维的染色。结构式:
分子式:C31H20N7O1sCISsNa4
相对分子质量:1034.27(按2005年国际相对原子质量)CAS:12220-12-1
2规范性引用文件
下列文件中的条款通过本标准的引用而成为本标准的条款。凡是注日期的引用文件,其随后所有的修改单(不包括勘误的内容)或修订版均不适用于本标准,然而,鼓励根据本标准达成协议的各方研究是否可使用这些文件的最新版本。凡是不注日期的引用文件,其最新版本适用于本标准。GB/T2374染料染色测定的一般条件规定染料及染料中间体不溶物质含量的测定GB/T2381-2006
GB/T2386—2006
GB/T2387—2006
GB/T2390—2003
GB/T2391--2006
染料及染料中间体水分的测定
反应染料色光和强度的测定
水溶性染料PH值的测定
反应染料固色率的测定
GB/T3671.1—1996水溶性染料溶解度和溶液稳定性的测定(idtISO105-Z07:1995)纺织品色牢度试验耐摩擦色牢度(eqvISO105-X12:1993)GB/T3920—1997
GB/T3921.4—1997
GB/T3922—1995
纺织品色牢度试验耐洗色牢度:试验4(eqvISO105-C04:1989)纺织品耐汗渍色牢度试验方法(eqvISO105-E04:1994)GB/T4841.1—2006
GB/T6152—1997
GB/T6678-2003
染料染色标准深度色卡1/1
纺织品色牢度试验耐热压色牢度(egvISO105-X11:1994)化工产品采样总则
染料粉尘飞扬性的测定(idtISO105-Z06:1996)GB/T6693--1997
GB/T8427--1998纺织品色牢度试验耐人造光色牢度:氩弧(eqvISO105-B02:1994)GB/T8433—1998纺织品色牢度试验耐氯化水色牢度(游泳池水)(eqvISO105-E03:1994)GB/T14576—1993纺织品耐光、汗复合色牢度试验方法GB19601
染料产品中23种有害芳香胺的限量及测定染料产品中10种重金属元素的限量及测定GB20814
HG/T3965—2007
3要求
3.1外观:橙色颗粒或均匀粉末。3.2反应艳橙M-3R的质量应符合表1的规定。表1
反应艳橙M-3R的质量要求
1.强度(为标准品的)/分
2.色光(与标准品)
3.水分(质量分数)/%
4.水不溶物含量(质量分数)/%
5.溶解度(50℃)/(g/L)
7.防尘性/级
8.固色率(质量分数)/%
9.23种有害芳香胺的量/(mg/kg)10.10种重金属元素的量/(mg/kg)3.3
反应艳橙M-3R在纯棉织物上的色牢度应不低于表2的规定。表2
(氙弧)
耐汗光
近似~微
符合GB19601的标准要求
符合GB20814的标准要求
反应艳橙M-3R在纯棉织物上的色牢度耐洗95℃
注:3.5%(owf)相当于1/1染色标准深度。4采样
耐汗渍
4~54~5
耐摩擦
4~54~5
耐热压
200℃
(4h后)
耐氯化水
有效氯
50mg/L
以批为单位采样,生产厂以一次拼混均匀的产品为一批。每批采样桶数应符合GB/T6678一2003中7.6的规定。所采样产品的包装必须完好,采样时勿使外界杂质落人产品中。用探管从桶上、中、下三部分采样,所采样品总量不得少于200g。将所采样品充分混匀后,分装于两个清洁、干燥、密封良好的容器中,其上粘贴标签。注明:产品名称、批号、生产厂名称、采样日期、地点。一个供检验,二个保存备查。
5试验方法
5.1外观的评定
采用目视法评定。
5.2染色色光和强度的测定
5.2.1染色一般条件
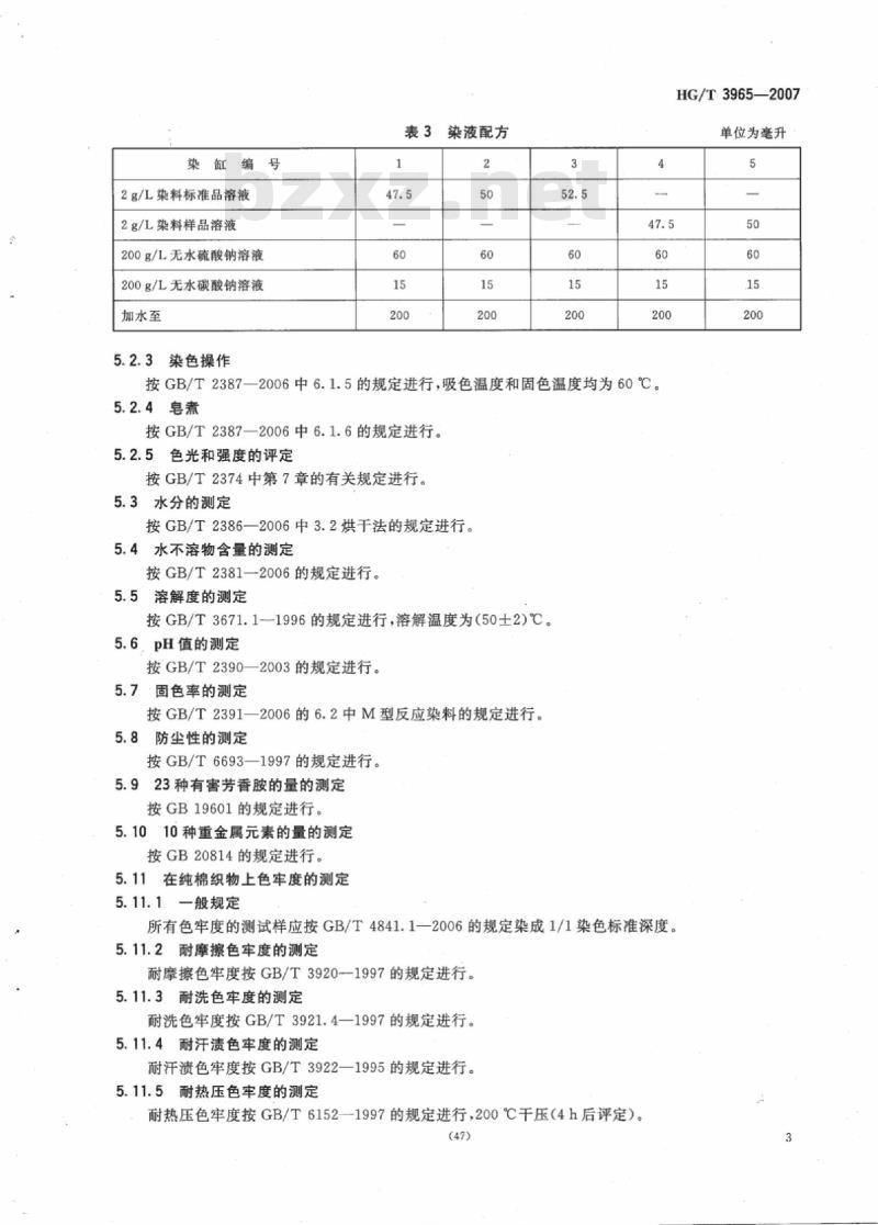
染色时的一般条件应符合GB/T2374的有关规定。染色用棉布或棉纱:5g,染色浴比:1:40;或用棉针织布或棉纱:10g,染色浴比:1:20。染色深度:2%(owf)。
5.2.2染液配方
以5g棉布或棉纱染色为例,染液配方如表3所示。2
建筑321
标准查询下载网
染缸编号
2g/L染料标准品溶液
2g/L染料样品溶液
200g/L无水硫酸钠溶液
200g/L无水碳酸钠溶液
加水至
5.2.3染色操作
表3染液配方
HG/T3965—2007
单位为毫升
按GB/T2387—2006中6.1.5的规定进行,吸色温度和固色温度均为60℃。5.2.4皂煮
按GB/T2387—2006中6.1.6的规定进行。5.2.5色光和强度的评定
按GB/T2374中第7章的有关规定进行。5.3水分的测定
按GB/T2386—2006中3.2烘千法的规定进行。5.4水不溶物含量的测定
按GB/T2381—2006的规定进行。5.5溶解度的测定
按GB/T3671.1--1996的规定进行,溶解温度为(50士2)℃。5.6,PH值的测定
按GB/T2390—2003的规定进行。5.7固色率的测定
按GB/T2391—2006的6.2中M型反应染料的规定进行。5.8防尘性的测定
按GB/T6693—1997的规定进行。5.923种有害芳香胺的量的测定
按GB19601的规定进行。下载标准就来标准下载网
5.1010种重金属元素的量的测定按GB20814的规定进行。
5.11在纯棉织物上色牢度的测定5.11.1一般规定
所有色牢度的测试样应按GB/T4841.1一2006的规定染成1/1染色标准深度。5.11.2耐摩擦色牢度的测定
耐摩擦色牢度按GB/T3920--1997的规定进行。5.11.3耐洗色牢度的测定
耐洗色牢度按GB/T3921.4—1997的规定进行。5.11.4耐汗渍色牢度的测定
耐汗渍色牢度按GB/T3922—1995的规定进行。5.11.5耐热压色牢度的测定
耐热压色牢度按GB/T6152-1997的规定进行,200℃干压(4h后评定)。(47)
HG/T3965—2007
5.11.6耐光色牢度的测定
耐光色牢度按GB/T8427—1998的规定进行。5.11.7耐氯化水色牢度的测定
耐氯化水色牢度按GB/T8433—1998的规定进行。5.11.8耐汗光色牢度的测定
按GB/T14576—1993中7.2的规定进行。6检验规则
6.1检验分类
本标准中3.1和3.2中1~7项为出厂检验项目,3.2中8~10项和3.3为型式检验项目,在正常连续生产时每年至少检验一次。有下列情况之一时要随时进行检验。a)新产品最初定型时。
b)产品异地生产时。
生产配方、工艺及原材料有较大改变时。c)
停产三个月后又恢复生产时。
e)客户提出要求时。
6.2出厂检验
反应艳橙M-3R应由生产厂的质量检验部门进行检验,生产厂应保证所有出厂的反应艳橙M-3R都符合本标准的要求。
6.3复检
如果检验结果中有一项指标不符合本标准的要求时,应重新自两倍量的包装中取样进行检验,重新检验的结果,即使只有一项指标不符合本标准要求,则整批产品不能验收。7标志、标签、包装、运输、贮存7.1标志、标签
反应艳橙M-3R的每个包装桶上都应涂上牢固、清晰的标志,注明:产品名称、规格、注册商标、净含量、生产厂名称、厂址、标准编号、批号、生产日期。也可将批号、生产日期打印在标签上,并和产品质量检验合格的证明一起放入包装桶内的塑料袋外面。7.2包装
反应艳橙M-3R装于内衬塑料袋的包装桶内,并加密封和封印,每桶净含量25kg,其他包装可与用户协商确定。
7.3运输
运输时应防止倒置,小心轻放,避免碰撞,切勿损坏包装。7.4贮存
反应艳橙M-3R应贮存于阴凉、干燥通风处,防止受潮受热。贮存期二年。(48)
建筑321
标准查询下载网
小提示:此标准内容仅展示完整标准里的部分截取内容,若需要完整标准请到上方自行免费下载完整标准文档。
标准图片预览:





- 其它标准
- 热门标准
- HG化工标准
- HG/T20592-2009 钢制管法兰(PN系列)
- HG20571-2014 代替 HG 20571-1995 化工企业安全卫生设计规范
- HG/T5624-2019 工业用四羟甲基硫酸磷
- HG/T20519-2009 代替 HG/T 20519-1992 化工工艺设计施工图内容和深度统一规定
- HG/T20615-2009 钢制管法兰(Class系列)
- HG/T20613-2009 钢制管法兰用紧固件(PN系列)
- HG/T20553-2011 代替 HG 20553-1993 化工配管用无缝及焊接钢管尺寸选用系列
- HG/T21547-2016 代替 HG 21547-1993 管道用钢制插板、垫环、8字盲板系列
- HG/T20206-2017 代替 HG 20206-1992 化工机器安装工程施工及验收规范(中小型活塞式压缩机)
- HG/T2373-2004 代替 HG/T 2373-1992 搪玻璃开式贮存容器
- HG/T21574-2018 代替 HG/T 21574-2008 化工设备吊耳设计选用规范
- HG20583-1998 钢制化工容器结构设计规定
- HG/T20606-2009 钢制管法兰用非金属平垫片(PN系列)
- HG/T20634-2009 钢制管法兰用紧固件(Class系列)
- HG/T20505-2014 过程测量与控制仪表的功能标志及图形符号
- 行业新闻