- 您的位置:
- 标准下载网 >>
- 标准分类 >>
- 化工行业标准(HG) >>
- HG/T 2055. 2-2019 代替 HG/T 2055. 2-2013 搪玻璃带视镜人孔
标准号:
HG/T 2055. 2-2019
标准名称:
代替 HG/T 2055. 2-2013 搪玻璃带视镜人孔
标准类别:
化工行业标准(HG)
标准状态:
现行出版语种:
简体中文下载格式:
.zip .pdf下载大小:
4.70 MB
点击下载
标准简介:
HG/T 2055. 2-2019.Glass-lined manhole with sight glass.
1范围
HG/T 2055. 2规定了搪玻璃带视镜人孔的型式、基本参数、主要尺寸、要求、出厂文件、包装、运输和贮存。
HG/T 2055. 2适用于公称压力小于或等于1.0 MPa,设计温度高于或等于- 20 C至200 C的搪玻璃容器用带视镜人孔。
2规范性引用文件
下列文件对于本文件的应用是必不可少的。凡是注日期的引用文件,仅注日期的版本适用于本文
件。凡是不注日期的引用文件,其最新版本(包括所有的修改单)适用于本文件。
GB/T 23259-2009 压力容器用视镜玻璃
GB 25025搪玻璃设备技术条件
HG/T 2055.1搪玻璃人孔
HG/T 2144搪玻璃设备视镜
3型式、 基本参数及主要尺寸
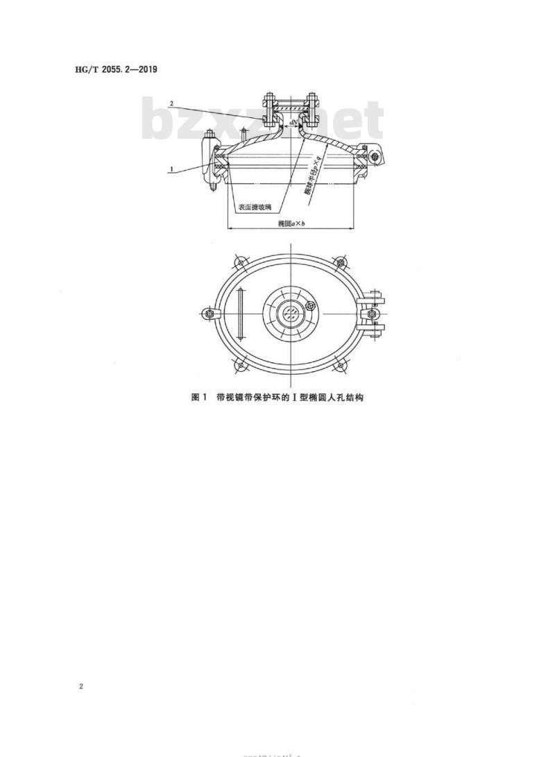
3.1400X 300、450X350的带视镜带保护环的I型椭圆人孔型式见图1,带视镜不带保护环的II型椭圆人孔型式见图2,基本参数及主要尺寸见表1.表2。
4要求
4.1搪玻璃带视镜人孔搪玻璃 件用搪玻璃釉应符合GB 25025的要求。
4.2搪玻璃 带视镜人孔的搪玻璃层质量应符合GB 25025的要求。
4.3 搪玻璃带视镜人孔的材料选用、设计、制造、检验和验收应符合GB 25025、本标准和图样的规定。
4.4搪玻璃带视镜人孔的视镜玻璃应符合GB/T 23259-2009 的规定。
5出厂文件、 包装、运输和贮存
5.1 搪玻璃带视镜人孔出厂产品应附有装箱单、产品合格证、质量证明文件。
5.2搪玻璃带视镜人孔的外露搪玻璃面应用软包装材料包装,装箱时须可靠固定。
5.3搬动和运输搪玻璃带视镜人孔时应避免碰撞,包装箱不得倒置。
5.4 搪玻璃带视镜人孔应存放在室内,不得露天存放或堆置。
部分标准内容:
中华人民共和国化工行业标准
HG/T2055.2—2019
代替HG/T2055.2—2013
糖玻璃带视镜人孔
Glass-linedmanholewithsightglass2019-12-24发布
2020-07-01实施
中华人民共和国工业和信息化部发布rrKaeerKAca-
本标准按照GB/T1.1一2009给出的规则起草。HG/T2055.2—2019
本标准代替HG/T2055.2—2013《塘玻璃带视镜人孔》。与HG/T2055.2—2013相比,除编辑性修改外主要技术变化如下:
-增加DN500、DN600的带视镜带保护环、带三个接口的IV型圆形人孔的结构型式(见图8);增加4.1“塘玻璃带视镜人孔携玻璃件用糖玻璃釉应符合GB25025的要求”(见4.1);增加4.2“塘玻璃带视镜人孔的糖玻璃层质量应符合GB25025的要求”(见4.2);-将原标准4.2“带视镜人孔的视镜玻璃按相关视镜玻璃的标准选用”修订为“携玻璃带视镜人孔的视镜玻璃应符合GB/T23259-2009的规定”。(见4.4,2013年版的4.2);修订原标准中DN500、DN600带视镜不带保护环、带三个接口的IV型圆形人孔的管口规格,将DN500的三个管口规格由原来的“50mm、$50mm、80mm”修订为“50mm、50mm、100mm”,将DN600的三个管口规格由原来的“65mm、65mm、$100mm”修订为“$80mm、$80mm、$150mm”(见图7和表4,2013年版的图7和表4);删除原标准图2中“带视镜带保护环的I型圆形人孔(b)图”(见2013年版的图2);删除原标准图4中“带视镜不带保护环的Ⅱ型圆形人孔(b)图”(见2013年版的图4);删除原标准图6中“带视镜不带保护环、带一个接口的Ⅲ型圆形人孔(b)图”(见2013年版的图6);
删除原标准图7中“带视镜不带保护环、带三个接口的IV型圆形人孔(b)图”(见2013年版的图7);
一删除原标准5.1中“质量证明文件至少应包括主要受压元件材质证明书、材料清单、结构尺寸检查报告、焊接记录和无损检测报告等内容”(见2013年版的5.1)。本标准由中国石油和化学工业联合会提出。本标准由全国塘玻璃设备标准化技术委员会(SAC/TC72)归口。本标准起草单位:江阴市大成化工设备厂、太仓新工塘玻璃有限公司、靖江方大精密成型技术有限公司、天华化工机械及自动化研究设计院有限公司。本标准主要起草人:姜伟民、沈永其、洪杰、未志华、张旭、苟瑞龙、何鑫业、马金足。本标准所代替标准的历次版本发布情况为:HG/T2055.2—1991;HG/T2055.2—2007;HG/T2055.2—2013。I
-KaeerKAca-
1范围
玻璃带视镜人孔
HG/T2055.2—2019
本标准规定了玻璃带视镜人孔的型式、基本参数、主要尺寸、要求、出厂文件、包装、运输和贮存。
本标准适用于公称压力小于或等于1.0MPa,设计温度高于或等于一20℃至200℃的糖玻璃容器用带视镜人孔。
2规范性引用文件
下列文件对于本文件的应用是必不可少的。凡是注日期的引用文件,仅注日期的版本适用于本文件。凡是不注日期的引用文件,其最新版本(包括所有的修改单)适用于本文件。GB/T23259—2009压力容器用视镜玻璃GB25025糖玻璃设备技术条件
HG/T2055.1塘玻璃人孔
HG/T2144糖玻璃设备视镜
型式、基本参数及主要尺寸
400×300、450×350的带视镜带保护环的I型椭圆人孔型式见图1,带视镜不带保护环的Ⅱ型椭圆人孔型式见图2,基本参数及主要尺寸见表1、表2。1
nKaerkAca-
HG/T2055.2—2019
表面据玻璃
椭圆axb
图1带视镜带保护环的I型椭圆人孔结构-nKaeerKAca-
表面携玻璃
椭圆axb
图2带视镜不带保护环的Ⅱ型椭圆人孔结构表1塘玻璃带视镜人孔零部件明细表标准编号
HG/T2055.1
HG/T2144
注:按需要选取人孔型式和接口尺寸。名称
表2不带接口的塘玻璃带视镜人孔尺寸公称压力PN
400×300
450×350
公称尺寸
-KaeerKAca-
HG/T2055.2—2019
组合件
组合件
视镜尺寸dN
HG/T2055.2—2019
3.2DN450、DN500、DN600的带视镜带保护环的I型圆形人孔型式见图3,带视镜不带保护环的Ⅱ型圆形人孔型式见图4,基本参数及主要尺寸见表1、表2。表面糖玻璃
图3带视镜带保护环的I型圆形人孔结构-kaerkAca-
表面玻璃
图4带视镜不带保护环的Ⅱ型圆形人孔结构-kaerkAca-
HG/T2055.2—2019
HG/T 2055.2—2019
3.3400×300、450×350的带视镜不带保护环、带一个接口的Ⅲ型椭圆人孔型式见图5,基本参数及主要尺寸见表1、表3。
表面塘玻璃
椭圆axb
图5带视镜不带保护环、带一个接口的亚型椭圆人孔结构表3带一个接口的塘玻璃带视镜人孔尺寸公称压力PN
400×300
450×350
公称尺寸
iiKaeeiKAca
视镜尺寸dN,
管口尺寸dN2
HG/T2055.2—2019
3.4,DN450、DN500、DN600的带视镜不带保护环、带一个接口的Ⅲ型圆形人孔型式见图6,基本参数及主要尺寸见表1、表3。
表面糖玻璃
5带视镜不带保护环、带一个接口的亚型圆形人孔结构图6
-KaeerKAca-
HG/T2055.2—2019
3.5DN500、DN600的带视镜不带保护环、带三个接口的IV型圆形人孔型式见图7,基本参数及主要尺寸见表1、表4。
表面塘玻璃
图7带视镜不带保护环、带三个接口的I型圆形人孔结构表4带三个接口的塘玻璃带视镜人孔尺寸公称压力PN
公称尺寸DN
视镜尺寸dN
irKaeeiKca-
管口尺寸dN,
管口尺寸dN3
HG/T2055.2—2019
3.6DN500、DN600的带视镜带保护环、带三个接口的IV型圆形人孔型式见图8,基本参数及主要尺寸见表1、表4。
表面玻璃
图8带视镜带保护环、带三个接口的型圆形人孔结构3.7尺寸a、b、、9g应符合HG/T2055.1有关规定。注:带视镜带接口的人孔也可采用带保护环的型式。3.8标记及其示例。
示例1:
以符合HG/T2055.2,公称压力为1.0MPa,公称直径为500mm,带一个接口、不带保护环的据玻璃带视镜人孔标记为:
携玻璃带视镜人孔PN1.0DN500-ⅢHG/T2055.2标记中各要素的含义如下:
PN1.0——公称压力为1.0MPa;
DN500——公称直径为500mm;
Ⅲ一—型式为带一个接口、不带保护环型。示例2:
以符合HG/T2055.2,公称压力为1.0MPa,公称尺寸为400mm×300mm,带保护环的塘玻璃带视镜人孔标记为:
rrkaeerKAca-
HG/T2055.2—2019
标记中各要素的含义如下:
携玻璃带视镜人孔PN1.0400×300-IHG/T2055.2PN1.0—公称压力为1.0MPa
400×300——公称尺寸为400mm×300mm;I——型式为带保护环型。
4要求
糖玻璃带视镜人孔糖玻璃件用糖玻璃釉应符合GB25025的要求。4.1
2玻璃带视镜人孔的糖玻璃层质量应符合GB25025的要求4.2
4.3塘玻璃带视镜人孔的材料选用、设计、制造、检验和验收应符合GB25025、本标准和图样的规定。
塘玻璃带视镜人孔的视镜玻璃应符合GB/T23259—2009的规定。5出厂文件、包装、运输和贮存
塘玻璃带视镜人孔出厂产品应附有装箱单、产品合格证、质量证明文件。5.1
5.2塘玻璃带视镜人孔的外露塘玻璃面应用软包装材料包装,装箱时须可靠固定。5.3搬动和运输塘玻璃带视镜人孔时应避免碰撞,包装箱不得倒置。塘玻璃带视镜人孔应存放在室内,不得露天存放或堆置。5.4wwW.bzxz.Net
-rrkaeerKca-
小提示:此标准内容仅展示完整标准里的部分截取内容,若需要完整标准请到上方自行免费下载完整标准文档。
标准图片预览:





- 热门标准
- HG化工标准
- HG/T20592-2009 钢制管法兰(PN系列)
- HG/T3482-2003 化学试剂 氯化锂
- HG/T2954-2008 原子吸收光谱分析方法标准编写格式
- HG/T3791-2005 氯乙烯-纳米碳酸钙原位聚合悬浮法聚氯乙烯树脂
- HG/T4208-2011 工业用三氯化磷砷含量的测定 砷斑法
- HG/T3479-2003 化学试剂 邻苯二甲酸酐
- HG/T3562-1988 ISO 400/27°黑白全色照相负片
- HG/T20615-2009 钢制管法兰(Class系列)
- HG/T3510-2000 乳化剂 T-80
- HG2-1490-1983 201甲基硅油
- HG/T4958-2016 轮胎胎面自动缠绕机
- HG/T2568-2008 工业偏硅酸钠
- HG/T2976-1999 化肥催化剂磨耗率测定
- HG2-1492-1983 275超高真空扩散泵硅油
- HG/T5018-2016 含铜蚀刻废液主要成分和微量金属元素分析方法
- 行业新闻
网站备案号:湘ICP备2025141790号-2