- 您的位置:
- 标准下载网 >>
- 标准分类 >>
- 电力行业标准(DL) >>
- DL/T 269-2012 钢弦式锚索测力计
标准号:
DL/T 269-2012
标准名称:
钢弦式锚索测力计
标准类别:
电力行业标准(DL)
标准状态:
现行出版语种:
简体中文下载格式:
.zip .pdf下载大小:
1.79 MB
点击下载
标准简介:
DL/T 269-2012.Vibrating wire load cell.
1范围
DL/T 269规定了钢弦式锚索测力计的基本参数、技术要求、试验方法、检验规则和标志、包装、运输、贮存的要求。
DL/T 269适用于岩土工程及其他构筑物安全监测中用于预应力锚索等张力变化监测的钢弦式锚索测力计(简称测力计)。
2规范性引用文件
下列文件对于本文件的应用是必不可少的。凡是注日期的引用文件,仅注日期的版本适用于本文件。凡是不注日期的引用文件,其最新版本(包括所有的修改单)适用于本文件。
GB/T 191包装 储运图示标志(GB/T191- 2008, ISO 780: 1997, MOD)
GB 6388运输包装收发货标志
3术语和定义
下列术语和定义适用于本标准。
3.1频率模数frequency modulus
频率的平方除以1000,一个单位定义为“一个字”。
3.2过范围限overrange limit
能够加在测力计上不致引起永久性性能变化的被测量的最大值。
3.3最小读数sensitivity coefficient
钢弦式仪器在全量程范围内频率模数变化一个字时被测量的变化值。
4产品原理及基本参数
4.1 产品原理
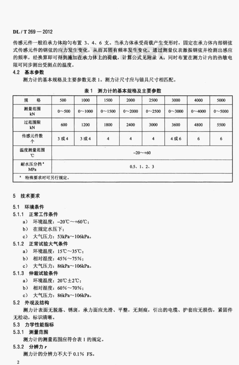
测力计由承力体、钢弦式传感元件、电磁线圈、护筒、电缆等组成,其结构如图1所示。钢弦式传感元件一般沿承力体均匀布置 3、4、6支。当承力体承受荷载产生变形时,固定在承力体内部钢弦式传感元件的钢弦的应力发生变化,从而其固有频率发生变化。通过测量仪表激振钢弦并检测出感应的频率,经换算即可得到施加在承力体上的荷载,计算公式见附录A。同时布置在测力计内的热敏电阻可同步测出受测点的温度。
部分标准内容:
中华人民共和国电力行业标准
DL/T269-2012
钢弦式锚索测力计
Vibratingwireloadcell
2012-04-06发布
国家能源局
2012-07-01实施
规范性引用文件
术语和定义
4产品原理及基本参数
技术要求
6试验方法·
检验规则
8标志、包装、运输、存
附录A(规范性附录)锚索测力计性能参数计算方法·DL/T269—2012
DL/T269—2012
本标准依据GB/T1.1一2009《标准化工作导则第1部分:标准的结构和编写》起草。请注意本标准的某些内容可能涉及专利。本标准的发布机构不承担识别这些专利的责任。本标准由中国电力企业联合会提出。本标准由电力行业大坝安全监测标准化技术委员会(SAC/TC32)归口。本标准主要起草单位:国网电力科学研究院、基康仪器(北京)有限公司。本标准主要起草人:卢有清、刘广林、廖占勇、郭宝玉、刘宁、刘炜铭、沈省三、吴其均。本标准在执行过程中的意见或建议反馈至中国电力企业联合会标准化管理中心(北京市白广路二条一号,100761)。
1范围
钢弦式锚索测力计
DL/T269—2012
本标准规定了钢弦式锚索测力计的基本参数、技术要求、试验方法、检验规则和标志、包装、运输、贮存的要求。
本标准适用于岩土工程及其他构筑物安全监测中用于预应力锚索等张力变化监测的钢弦式锚索测力计(简称测力计)。
2规范性引用文件
下列文件对于本文件的应用是必不可少的。凡是注日期的引用文件,仅注日期的版本适用于本文件。凡是不注日期的引用文件,其最新版本(包括所有的修改单)适用于本文件。GB/T191包装储运图示标志(GB/T191—2008,ISO780:1997,MOD)GB6388运输包装收发货标志
3术语和定义
下列术语和定义适用于本标准。3.1
频率模数frequencymodulus
频率的平方除以1000,一个单位定义为“一个字”。3.2
过范围限overrangelimit
能够加在测力计上不致引起永久性性能变化的被测量的最大值。3.3
最小读数sensitivitycoefficient钢弦式仪器在全量程范围内频率模数变化一个字时被测量的变化值。4产品原理及基本参数
4.1产品原理
测力计由承力体、钢弦式传感元件、电磁线圈、护筒、电缆等组成,其结构如图1所示。钢弦式1(3、4、6支均布)
1-传感元件:2—电磁线圈:3一承力体:4—护筒:5—电缆图1钢弦式锚索测力计结构
DL/T269—2012
传感元件一般沿承力体均匀布置3、4、6支。当承力体承受荷载产生变形时,固定在承力体内部钢弦式传感元件的钢弦的应力发生变化,从而其固有频率发生变化。通过测量仪表激振钢弦并检测出感应的频率,经换算即可得到施加在承力体上的荷载,计算公式见附录A。同时布置在测力计内的热敏电阻可同步测出受测点的温度。
4.2基本参数
测力计的基本规格及主要参数见表1。测力计尺寸应与锚具尺寸相匹配。表1
测力计的基本规格及主要参数
测量范围
过范围限
传感元件数
温度测量范围
耐水压分挡。
特殊要求时可另行规定。
5技术要求
5.1环境条件
5.1.1正常工作条件
0~1000
a)环境温度:-20℃~+60℃;
b)在规定水压下;
c)大气压力:53kPa~106kPa
5.1.2正常试验大气条件
a)环境温度:15℃~35℃:
b)相对湿度:45%~75%;
c)大气压力:86kPa~106kPa。5.1.3仲裁试验条件
a)环境温度:20℃土2℃:
b)相对湿度:60%~70%:
c)大气压力:86kPa~106kPa。5.2外观及结构
0~1500
0~2000
0~2500
-20~+60
0.5、1、2、3
0~3000
0~4000
测力计表面无脱落、锈斑,承力面应光滑、平整,无刻痕,引出的电缆、护套应无损伤,紧固件无松动,标识清晰。
5.3力学性能指标
5.3.1测量范围
测力计的测量范围应符合表1的规定。5.3.2分辨力
测力计的分辨力不大于0.1%FS。2
测力计各传感元件的分辨力不大于0.1%FS。注:FS表示满量程。
5.3.3综合误差S
测力计的综合误差不大于1.5%FS。其中:a)非线性度(或拟合误差)8,不大于1.0%FS;b)不重复度$2不大于0.5%FS:
c)滞后$不大于1.0%FS。
注1:可采用多项式曲线校准拟合,此时测力计拟合误差$,应不大于0.5%FS。注2:综合误差、非线性度或拟合误差、不重复度、滞后的计算起点从20%FS的负荷开始。5.3.4温度测量误差
测力计的温度测量误差应不超过土0.5℃。5.4绝缘性能
测力计的芯线与传感器壳体之间的绝缘电阻应不小于50M2。5.5防水密封性
测力计在规定压力的水中,绝缘性能应符合本标准5.4的要求。5.6温度修正误差
DL/T269—2012
测力计温度修正的校准曲线(因温度变化所引起的力测值的误差与温度之间关系的曲线),其端基线性度误差以频率模数计,不应超过土0.04%FS/℃。5.7过范围限
测力计应能承受表1规定的过范围限,在此范围内其力学性能应符合本标准5.3.2、5.3.3的要求,且测力计中各传感元件正常测量范围的满量程输出互差宜不超过25%。5.8稳定性
5.8.1测力计在正常试验大气条件下静置30天后,其最小读数相对变化量应不大于土2%,且绝缘性能应满足本标准5.4的要求。
5.8.2在正常试验大气条件下测力计按满量程加、卸荷循环10次试验后,其零点漂移不大于士0.5%FS,且力学性能应满足本标准5.3.2、5.3.3的要求,绝缘性能应满足本标准5.4的要求。5.9耐运输颠振性能
测力计在包装运输状态下,应能承受最大加速度为3g、频率为10Hz~150Hz~10Hz、历时10min的试验,试验后其性能应满足本标准5.3的要求。6试验方法
6.1试验环境
6.1.1试验条件
除有特殊要求外,试验按本标准5.1.3进行。6.1.2试验设备
a)1级材料试验机:
b)弦式测量仪表;
c)100V绝缘电阻表:
d)二等标准水银温度计:
恒温水槽:
压力容器;
冰点槽:
振动试验台;
游标卡尺。
DL/T269—2012
6.2外观及结构
在正常试验大气条件下进行,用目测及游标卡尺检验,结果应符合本标准5.2的要求。6.3力学性能指标
在正常试验大气条件下,将测力计放在材料试验机上,试验前需对锚索测力计预压3次,预压压力应大于锚索测力计额定压力的20%。预压时应缓慢施压且在达到最大压力时保持1min,预压完成后,锚索测力计应静置3min再进行正式率定。将锚索测力计满量程压力按20%分挡,从零开始,逐级施加压力至满量程压力上限,再逐级卸荷至零,用钢弦式测量仪表测量测力计及各应变传感器的输出值,并记录各挡位的压力标准值及对应的输出值(频率模数),如此共进行3个正、反行程的测量。按附录A计算测力计及其传感元件的分辨力、最小读数,以及测力计的非线性度(或拟合误差)S、不重复度&、滞后§和综合误差§,结果应满足本标准5.3.2、5.3.3的要求。6.4绝缘性能
在正常试验大气条件下,用100V绝缘电阻表测量测力计引线电缆与密封壳体间的绝缘电阻,结果应满足本标准5.4的要求。
6.5防水密封性
将测力计放置在压力容器中加水压至规定压力值,保持2h,然后用100V绝缘电阻表测量引线与密封壳体之间的绝缘电阻,结果应满足本标准5.5的要求。6.6温度修正误差及温度测量误差将测力计放入冰点槽或恒温水槽内,二等标准水银温度计放置在测力计附近,分别在0、20、40、60℃时进行试验。试验箱以不超过1℃/min的变化率升温,到达每挡温度并稳定后各保温2h,记录测力计的温度值和二等标准水银温度计读数,同时记录测力计的输出频率模数。按附录A给出的公式计算温度修正系数及误差,结果应满足本标准5.6的要求。比较测力计的温度测值和二等标准水银温度计读数,其温度误差应满足本标准5.3.4的要求。6.7过范围限
将测力计加压至表1规定的过范围限,按本标准6.3的方法进行力学性能试验,并按附录A计算测力计的分辨力、非线性度(或拟合误差)31、不重复度3、滞后S3、综合误差S,以及各传感元件的分辨力和正常测量范围的满量程输出互差,其结果应满足本标准5.7的要求。6.8稳定性
6.8.1测力计在正常试验大气条件下静置30天,按本标准6.3的方法进行分辨力试验,扣除温度因素的影响后,其静置前后的分辨力相对变化量应满足本标准5.8.1的要求:按本标准6.4的方法进行绝缘性能试验,其结果应满足本标准5.4的要求。6.8.2在正常试验大气条件下,将测力计放在材料试验机上,从零开始,施加压力至满量程压力上限保持1min,再卸荷至零,如此循环10次后,恢复自由状态并静置2h,记录测力计在加、卸荷前后自由状态下的输出值,按附录A计算测力计零点漂移,结果应满足本标准5.8.2的要求。然后按本标准6.3、6.4的方法进行测力计的力学性能及绝缘性能试验,结果应满足本标准5.3.2,5.3.3,5.4的要求6.9耐运输颠振性能
将测力计按运输要求包装好后,直接固定在振动试验台上,对加速度、频率和时间进行运输颠振试验,结果应满足本标准5.9的要求。7检验规则
7.1检验分类
测力计检验分为出厂检验和型式试验两种。7.2出厂检验
7.2.1测力计应逐台进行出厂检验,检验项目分全检和抽检,抽检比例不少于10%,如总数少于34
台,则全检。测力计出厂检验及型式试验项目见表2。表2测力计出厂检验及型式试验项目序号
检验项目
分辨力
分辨力(传感元件)
综合误差
绝缘性能
防水密封性
温度测量误差
温度修正误差
过范围限
稳定性
耐运输颠振
注:为必检项目,一为不检项目,O为抽检项目。7.2.2
试验方法此内容来自标准下载网
测力计经质量检验部门检验合格并附合格证后,方可出厂提交给用户的出厂检验资料至少应包括:7.2.3
a)名称、型号规格、出厂编号:b)力学性能参数率定表及试验结果:c)计算参数;
d)绝缘电阻、电缆长度:
e)制造时间、检验员标识。
7.3型式试验
7.3.1凡遇下列情况之一,需进行型式试验:a)新产品定型或老产品转厂生产或停产一年后又恢复生产时:连续批量生产时,每5年一次;
如设计、工艺、材料、元件有较大改变,可能影响产品性能时:c
d)出厂检验结果与上次型式试验有较大差异时。出厂检验
DL/T269-—2012
型式试验
7.3.2型式试验应从出厂检验合格产品中随机抽取3台样品,如总数少于3台,则应全检。7.3.3型式试验应对全部项目进行全性能检验,项目见表2。7.3.4判定规则
型式试验项目如有不合格,则加倍取样,对不合格项目进行复检,如仍存在不合格项,则判该批产品不合格。
8标志、包装、运输、购存
8.1标志
8.1.1产品标志
每台测力计上的标志内容至少应包含商标、产品名称、型号规格、出厂编号及制造厂名等。5
DL/T269—2012
8.1.2包装标志
产品包装箱外应有防水标志:
a)到站、收货单位和地址:
b)发站、供货单位和地址;
c)产品名称、型号和数量:
d)标明“精密仪器”、“小心轻放”、“防振”、“防淋”及放置标记“+”标识。8.1.3包装储运标志和收发货标志应按照GB/T191和GB6388的有关规定正确选用。8.2包装
8.2.1采用木箱包装,应有防振、防潮措施。8.2.2包装箱内随产品提供的技术文件应包括:a)装箱清单:
b)使用说明书:
c)产品合格证;
d)出厂检验资料。
8.3运输
包装后的产品应适用于一般交通工具的运输,但在运输过程中不应受到雨雪或其他液体直接淋袭与机械损伤。
8.4购存
产品应存放在干燥通风、无腐蚀性气体的室内。6
A.1测力计输出频率模数计算
式中:
附录A
(规范性附录)
锚索测力计性能参数计算方法
2—测力计输出频率模数,kHz:j—测力计内传感元件序号:
——测力计内第j只传感元件的输出频率模数,kHz2;N—测力计内传感元件总数。
A.2测力计计算零点频率模数的计算测力计计算零点(线性拟合)
测力计计算零点(多项式拟合)式中:
6 =-b-vb-4ac
一测力计在满量程1/n负荷时的频率模数,kHz2:n
测力计力率定试验的分挡数量:p—施加的满量程力值,kN;
a、b、c
一测力计最小读数[见式(A.8)],kN/kHz一测力计拟合系数。
A.3测力计荷载计算
线性拟合
P,=k-f)+K,(t,-to)
式中:
测力计当前时刻相对于初始位置时承受的荷载,kN:?——测力计计算零点频率模数,kHz2【[见式(A.2)或式(A.3)]:J2——测力计当前时刻的输出频率模数,kHz2;K,
一测力计温度修正系数[见式(A.12)],kN/℃:t—测力计当前时刻的温度值,℃;to—一取初始输出频率模数时对应的温度值,℃。2多项式拟合
p=af-f)+bof-)+K(t-t)
式中,系数a、b采用最小二乘法拟合的方法求得,其余符号含义同式(A.4)。DL/T269—2012
DL/T269—2012
A.4测力计性能参数计算公式
分辨力
非线性度或拟合误差
不重复度
综合误差
最小读数
式中:
x×100%
×100%
-alx100%
s=-lx100%
U满量程输出值的均值,kHz2;
测试点序号,i=0,1,2,3,,n,当力学性能试验从满量程的20%FS开始计算时,分挡应与之相对应,且此时从1开始计算,下同;一
同挡位校准直线(或曲线)理论值,kHz2:-同挡位对应的正、反3个行程6个测值的均值,kHz2:满量程负荷时输出均值减去20%FS负荷时输出均值的差值,kHz;测点正程测值与其均值或反程测值与其均值间的最大偏差,kHz2:正程各挡位输出的频率模数值,kHz2;反程各挡位测值输出的频率模数值,kHz2;各挡位输出的频率模数值,kHz:测点校准直线(或曲线)理论值与该点测值平均值的最大偏差,kHz;正程均值与反程均值间的最大偏差,kHz;正程均值或反程均值与测点校准直线(或曲线)理论值间的最大偏差,kHz:施加的满量程力值,kN,当力学性能试验从20%FS开始计算时,p为施加的满量程力值的80%。
A.5测力计温度修正系数及误差计算公式温度修正系数
温度修正误差
式中:
最高测试点温度值,℃;
-起始测试点温度值,℃;
K,=-k2-)/(u-t)
T(ta-t)
F?—最高测试点输出频率模数值,kHz2;8
2—起始测试点输出频率模数值,kHz2:U
一满量程输出值的均值,kHz:
Af2——测试点温度修正的校准曲线理论值与该点实测值的最大偏差,kHz。A.6测力计温度计算
推荐使用3K挡热敏电阻,按式(A.14)计算温度值:1
A+B(InR)+C(InR)
式中:
A、B、C、D一由热敏电阻生产厂家提供的参数:R——测力计的电阻测值,2。
A.7测力计零点漂移计算
=Lo=fal×100%
式中:
元——测力计零点漂移:
fo1、fo2———测力计循环加、卸荷10次前后自由状态的输出值。A.8测力计传感元件性能参数计算传感元件分辨力
传感元件满量程输出互差
式中:
ri——第1个传感元件分辨力;
×100%
一第i、j个传感元件满量程输出值:U、U
4.——第i、j个传感元件之间满量程输出互差。DL/T269—2012
小提示:此标准内容仅展示完整标准里的部分截取内容,若需要完整标准请到上方自行免费下载完整标准文档。
标准图片预览:





- 其它标准
- 热门标准
- DL电力标准
- DL/T634.5101-2002 远动设备及系统 第5101部分:传输规约 基本远动任务配套标准
- DL/T954-2005 火力发电厂水汽试验方法 痕量氟离子、乙酸根离子、甲酸根离子、氯离子、亚硝酸根离子、硝酸根离子、磷酸根
- DL/T787-2001 火电厂用15CrMo钢珠光体球化评级标准
- DL/T5298-2013 水工混凝土抑制碱骨料反应技术规范
- DL5162-2013 水电水利工程施工安全防护设施技术规范
- DL/T567.7-2007 火力发电厂燃料试验方法 第7部分:灰及渣中硫的测定和燃煤可燃硫的计算
- DL/T695-2014 电站钢制对焊管件
- DL/T5168-2002 110kV~500 kV架空电力线路工程施工质量及评定规程
- DL/T912-2005 超临界火力发电机组水汽质量标准
- DL5009.1-2002 电力建设安全工作规程(火力发电厂部分)
- DL/T5056-2007 变电站总布置设计技术规程
- DL/T5033-2006 输电线路对电信线路危险和干扰影响防护设计规程
- DL/T5198-2013 水电水利工程岩壁梁施工规程
- DL/T5461.13-2013 火力发电厂施工图设计文件内容深度规定 第13部分水工工艺
- DL/T5198-2004 水电水利工程岩壁梁施工规程
- 行业新闻
网站备案号:湘ICP备2025141790号-2