- 您的位置:
- 标准下载网 >>
- 标准分类 >>
- 煤炭行业标准(MT) >>
- MT/T 498-1995 CKJ系列交流真空接触器维修检验规范
标准号:
MT/T 498-1995
标准名称:
CKJ系列交流真空接触器维修检验规范
标准类别:
煤炭行业标准(MT)
英文名称:
CKJ series AC vacuum contactor maintenance inspection specification标准状态:
现行-
发布日期:
1995-12-18 -
实施日期:
1996-05-01 出版语种:
简体中文下载格式:
.rar.pdf下载大小:
232.70 KB
点击下载
标准简介:
标准下载解压密码:www.bzxz.net
本标准规定了CKJ系列交流真空接触器在使用维修检验中的技术要求、试验方法和检验规则。本标准适用于使用中的CKJ系列交流真空接触器(以下简称“接触器”)。本标准不适用接触器的产品鉴定检验、出厂检验、型式检验和到货验收。其他系列接触器维修检验也可参照使用。 MT/T 498-1995 CKJ系列交流真空接触器维修检验规范 MT/T498-1995
部分标准内容:
中华人民共和国煤炭行业标准
CKJ系列交流真空接触器维修
检验技术规范
主题内容与适用范围
MT/T 498—1995
本标准规定了CKJ系列交流真空接触器在使用维修检验中的技术要求、试验方法和检验规则。本标准适用于使用中的CKJ系列交流真空接触器(以下简称“接触器”)。本标准不适用接触器的产品鉴定检验、出厂检验、型式检验和到货验收。其他系列接触器维修检验也可参照使用。2
引用标准
低压电器基本标准
GB1497
低压电器基本试验方法
3技术要求
3.1性能要求
3.1.1介电性能
3.1. 1.1频耐压:
接触器的主电路、控制电路及辅助电路,其工频耐压试验值应符合表1规定。3.1.1.2绝缘电阻:
接触器的主电路、辅助电路绝缘电阻应不小于表2规定。表1
试验部位
主电路
控制电路及辅助电路
注:U为线圈控制电压额定值。
试验部位
主电路
辅助电路
额定绝缘电压
额定工作电压,V
380,660
中华人民共和国煤炭工业部1995-12-18批准工频试验电压(有效值)
2 U+1 000(≥1 500)
绝缘电阻值,Ma
1996-05-01实施
3.1.2动作性能
MT/T 498--1995
3.1.2.1在额定控制电源电压U.的75%~110%时,接触器应能可靠地吸合;当控制电源电压降低到60%U.时,处于吸合状态的接触器不应释放;在触头磨损的情况下接触器最低释放电压对交流(在额定频率下)应不低于U,的20%,对于直流不低于U.的10%。以上规定的吸合电压和释放电压值,适用于(8h工作制)对线圜长期施加U的100%达到稳定温升后的状态。
3.1.2.2同型号接触器固有吸合时间差不大于30ms;固有释放时间差不大于40ms。3.1.3触头开距和超行程
接触器触头开距应符合产品要求,其误差不大于0.2~十0.2mm;超行程值应符合产品要求,其误差不大于0.1~0.2mm。
3.1.4真空灭孤室的真空度质量
3.1.4.1真空灭弧室的真空度应不低于1.33×10-1Pa。3.1.4.2接触器触头在断开状态下,应能承受不小于7kV(交流为有效值)历时1min试验。3.1.5触头接触电阻
主触头接触电阻应小于表3规定的控制值。表3
被测接触器型号
CKJ-125
CKJ-250
CKJ-400
CKJ-600
3.1.6接触器三相应同期闭合(或释放)主触器接触电阻.
接触器在线圈额定工作电源电压下吸合(或释放),三相触头固有吸合(或释放)响应时间差应小于3ms。
3.1.7触头终压力
接触器触头终压力应符合产品标准要求。3.2结构要求
3.2.1电气间隙和爬电距离
3.2.1.1接触器电气间隙应符合GB1497的7.1.3.1条有关规定。3.2.1.2接触器爬电距离应符合GB1497的7.1.3.2条有关规定。3.2.2接线端子
保持原规格螺钉,不准采用其他螺钉代替。3.2.3其他结构要求
接触器的外形尺寸、安装尺寸应符合产品技术要求;接触器金属零件不得有裂纹、严重锈蚀、变形现象,接触器绝缘零件表面应光洁、无裂纹、无过烧现象;接触器所有螺钉、螺母、垫圈齐全、紧固均有防止松脱措施;d.
拆装时,波纹管不得承受扭力,不得触碰气口;e.
辅助电路接点应平整、光滑、不得有过烧痕迹、动作可靠。f.
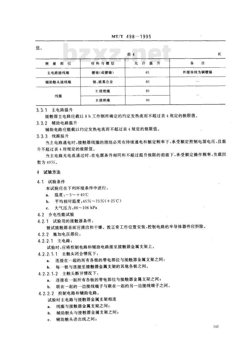
3.3温升
按照4.10条规定的条件下进行试验时,所测得接触器各部件的温升,应不超过表4所规定的极限144
测量部位
主电路接线端
辅助触头接线端
3.3.1主电路温升
MT/T 498-1995
材料与镀层
镀银(或镀镍)
银、银基合金
E级绝缘
B级绝缘
允许温升
外接导线为铜镀锡
接触器主电路应载以8h工作制所确定的约定发热流而不超过表4规定的极限值。3.3.2辅助电路温升
辅助电路应能载以约定发热电流而不超过表4规定的极限值。3.3.3线圈温升
当主电路通电时,接触器线圈的绕组必须在持续通电和额定频率下,承受额定控制电源电压,且温升不超过表4所规定的极限值。
当主电路无电流通过时,在电源条件相同和不超过温升极限的前提下,承受额定操作频率,负载因数为40%。
4试验方法
4.1试验条件
本试验应在下列环境条件中进行:a.
温度:—5~+40℃
平均相对温度:45%~75%(+25℃)b.
大气压力:86~106kPa
4.2介电性能试验
4.2.1试验用的接触器条件:
被试接触器表面应清洁和干燥。按正常工作位置安装,控制电路的半导体器件应拆除。4.2.2施加电压部位:
4.2.2.1主电路:
试验时,应将控制电路和辅助电路接至接触器金属支架上。4.2.2.1.1主触头闭合情况下:
连接在一起的所有各极的带电部位与接触器金属支架之间;a.
每一极与连接至接触器金支架的其他各极之间。b.
4.2.2.1.2主触头断开情况下:
连接在一起所有各极的带电部位与接触器金属支架之间,联在一起的一边接线端子与联在一起的另一一边接线端子之间。b.
4.2.2.2控制电路和辅助电路。
试验时主电路与接触器金属支架相连a.
线圈与接触器金属支架之间;
辅助触头与接触器金属支架之间;辅助触头进出线之间;
d.常闭与常开触头之间;
接线端子各端子之间;
f.接线端子与金属底座之间。
MT/T 498-1995
4.2.3试验电压按3.1.1.1条及表1的要求。4.2.4施加电压的时间为1min。应从小于1/2试验电压开始,以约5s时间,逐步升压至规定值,然后持续1 min。施压结束后,应避免突然失压。4.2.5对试验设备的要求:试验电源的电压应当是正弦波,频率在45~62Hz之间,当其高压输出端短路时,电流不应小于0.5A,且检测漏电流的灵敏继电器应调整在100mA时动作。4.2.6绝缘电阻测量:测量主电路、辅助电路、控制电路绝缘电阻的兆欧表的电压等级为表5规定值,绝缘电阻要求按3.1.1.2条表2规定值,但是对各级并联的情况,只要每个极之间或每个极与接触器金属支架之间的绝缘电阻符合3.1.1.2要求即认为合格。表5
主电路
辅助电路及控制电路
额定工作电压
380,660
兆欧表电压等级
4.3动作性能试验
4.3.1接触器在主电路不通电情况下,线圈在冷态下,按3.1.2.1条规定的电源电压下,快速断开线圈电路、此时接触器触头应确切地断开;线圈在热态下,按3.1.2.1条规定的电源电压范围,快速闭合线圈电路,此时接触器触头应确切地闭合。4.3.2接触器动作灵活可靠、无刮卡现象。4.3.3同型号接触器在额定线圈工作电压得电到主触头吸合响应时间差不得大于3.1.2.2规定值;同型号接触器在额定线圈工作电压失电到主触头释放响应时间差不得大于3.1.2.2规定值。4.4触头开距和超行程的测量
4.4.1触头开距的测量:
4.4.1.1接触器断开时,测量动触头与静触头之间的距离。4.4.1.2测量接触器在闭合和断开状态下,动触头与金属支架之间的距离,得出触头开距值。4.4.2触头超行程的测量:
触头超行程测量方法符合GB998的A1条。4.5真空度质量试验
4.5.1用磁控法测量真空度质量,应满足3.1.4.1条要求;用高压耐压法,应符合3.4.1条的要求。4.5.24.5.1条所列两种试验方法,可任采用一种。4.5.2.1对被测接触器的要求
拆除接触器,接触器表面应清洁,干燥;a.
与主触头相连的有关元件应拆除;接触器处于分断状态;
接触器主触头两端施加电压;
接触器底座应悬空。
4.5.2.2触头在规定开距下应能承受3.1.4.2规定的试验电压。三次耐压试验后,不允许出现击穿和146
连续闪络现象。
MT/T498—1995
4.5.2.3施加电压应从1/2试验电压开始,以约5s时间,逐步升至规定值,然后持续1min。试验期间,允许真空灭弧室内发生几次跳火现象,只要最后能升至规定耐压值。加压结束后,应避免突然失压。4.6触头接触电阻试验
4.6.1测试接触器主触头接触电阻时,将接触器垂直放在测试台上,在主触头不通电的情况下,接触器连续分、合4次,使触头接触良好。4.6.2在接触器吸合状态下,将接触电阻测试仪的测试夹两端分别与接触器主触头两端紧密接触,从表头读出电阻值。
4.6.3按4.6.1、4.6.2条重复测试三次,取三次实测值的算术平均值。4.7三相同步时间差测量
4.7.1仪器测定:
接触器在线圈额定工作电源电压下,从线圈得电(或失电)开始计时至三相主触头吸合(或释放)结束计时,用各相固有吸合(或释放)响应时间值相减得出三相主触头固有吸合(或释放)响应时间差值。4.7.2波形测定:
在三相主触头两端施加电压,当接触器吸合(或释放)时,主触头上的电压波形的幅度不小于25mm,记录速度应不小于1m/s,用目视法得出三相主触头吸合(或释放)响应时间差值。4.8触头终压力测量
4.8.1触头的终压力测量应当在闭合位置上用测力仪器测量。4.8.2测力仪器应在规定的工作点上,沿着触头接触面的法线方向施力。如果不满足上述要求,则必须进行适当的换算。
4.8.3在与触头串联电路中的指示器刚发生信号时,测力仪器的读数值即为触头终压力值。4.9检查
用外观法、手感法和卡尺检查3.2.1、3.2.2、3.2.3条。4.10温升试验
4.10.1主电路温升试验:
温升试验用连接导线的选择按表6规定表6
约定发热电流
4.10.2线圈温升试验:
PVC电缆
截面,mm
线圈温升试验按以下两种方法进行:接
a主电路通以约定发热电流,线圈持续施加额定控制电压至稳定温升;截面,mm
b主电路无电流通过,线圈按额定操作频率以负载因数为40%周期性地施以额定控制电压,直至达到稳定温升。
4.10.3辅助电路温升试验:
MT/T 498-1995
辅助电路温升试验导线选择截面为1mm2长度不小于1m的PVC铜线。温升规定除上述规定外,其余按GB998第5条温升试验的有关规定。5检验规则
5.1检验种类
检验分井下巡回检验、定期检验和应急检验三类。井下巡回检验是在防爆开关例行检查时进行。定期检验是按设备检修周期进行。应急检验是在接触器发生下列情况进行:发生异常现象;
b,分、合短路事故电流后;
受其他工作条件影响需要检修时。c.
5.2检验项目
检验项目见表7
检验项目
介电性能
动作性能
开距和超行程
真空度质量
触头接触电阻
三相同期性能
触头终压力
结构、外观
技术要求
、一有条件做项目。
注:必做项目△
5.3检验判定
试验要求
井下检验
定期检验
应急检验免费标准下载网bzxz
5.3.1在4.2条介电性能试验中,无击穿、闪络现象,无因泄漏电流明显增大而继电器动作或电压突然下降等现象,则认为介电性能检验合格。5.3.2在4.3条动作性能试验中,试验结果符合3.1.2条规定,则认为动作性能检验合格。5.3.3在4.4.1条开距测量过程中,可按接触器要求调整触头开距,其值符合3.1.3.1条规定,则认为开距检验合格。在4.4.2条超行程测量中,测量结果符合3.1.3.2条规定,则认为超行程检验合格,5.3.4在4.5.1条真空度质量试验中,试验结果符合3.1.4.1条规定,则认为真空度质量检验合格。在4.5.2条高压耐压试验过程中,如果没有发生绝缘击穿、连续闪络现象,则认为真空度质量检验合格。5.3.5在4.6条触头接触电阻测量中,测量结果符合3.1.5条表3规定,则认为触头接触电阻检验合格。
超过规定值时,有必要可做温升试验考核。在4.10条温升试验中,接触器各部位温升试验结果符合148
3.3条规定,则认为温升试验合格。MT/T498-1995
5.3.6在4.7条三相同步时间差测量中,可调整接触器开距和反力弹簧,使测量结果符合3.1.6条规定,调整后的开距仍符合3.1.3.1条规定,则认为三相同步时间差检验合格。5.3.7在4.8条触头终压力测量中,测量结果符合3.1.7条规定,则认为触头终压力检验合格。5.3.8在4.9条结构检查中,可对接触器外观、接线端子和辅助接点做适当调整和修理,使其符合3.2条规定。因无法修理而不符合3.2条规定的任何一条,认为结构检验不合格。5.3.9接触器在规定的检验项目全部合格后,由规定的检修单位发给维修合格证,方能继续使用。附加说明:
本标准由煤炭工业部煤矿专用设备标准化技术委员会提出。本标准由煤矿专用设备标准化技术委员会电气分会归口。本标准由煤炭科学研究总院北京建井研究所负责起草,开深矿务局唐山矿,新安江电子管厂、江阴矿山器材厂参加编写。
本标准主要起草人杨一青、张鉴。本标准委托煤焱科学研究总院北京建井研究所负责解释。149
小提示:此标准内容仅展示完整标准里的部分截取内容,若需要完整标准请到上方自行免费下载完整标准文档。
CKJ系列交流真空接触器维修
检验技术规范
主题内容与适用范围
MT/T 498—1995
本标准规定了CKJ系列交流真空接触器在使用维修检验中的技术要求、试验方法和检验规则。本标准适用于使用中的CKJ系列交流真空接触器(以下简称“接触器”)。本标准不适用接触器的产品鉴定检验、出厂检验、型式检验和到货验收。其他系列接触器维修检验也可参照使用。2
引用标准
低压电器基本标准
GB1497
低压电器基本试验方法
3技术要求
3.1性能要求
3.1.1介电性能
3.1. 1.1频耐压:
接触器的主电路、控制电路及辅助电路,其工频耐压试验值应符合表1规定。3.1.1.2绝缘电阻:
接触器的主电路、辅助电路绝缘电阻应不小于表2规定。表1
试验部位
主电路
控制电路及辅助电路
注:U为线圈控制电压额定值。
试验部位
主电路
辅助电路
额定绝缘电压
额定工作电压,V
380,660
中华人民共和国煤炭工业部1995-12-18批准工频试验电压(有效值)
2 U+1 000(≥1 500)
绝缘电阻值,Ma
1996-05-01实施
3.1.2动作性能
MT/T 498--1995
3.1.2.1在额定控制电源电压U.的75%~110%时,接触器应能可靠地吸合;当控制电源电压降低到60%U.时,处于吸合状态的接触器不应释放;在触头磨损的情况下接触器最低释放电压对交流(在额定频率下)应不低于U,的20%,对于直流不低于U.的10%。以上规定的吸合电压和释放电压值,适用于(8h工作制)对线圜长期施加U的100%达到稳定温升后的状态。
3.1.2.2同型号接触器固有吸合时间差不大于30ms;固有释放时间差不大于40ms。3.1.3触头开距和超行程
接触器触头开距应符合产品要求,其误差不大于0.2~十0.2mm;超行程值应符合产品要求,其误差不大于0.1~0.2mm。
3.1.4真空灭孤室的真空度质量
3.1.4.1真空灭弧室的真空度应不低于1.33×10-1Pa。3.1.4.2接触器触头在断开状态下,应能承受不小于7kV(交流为有效值)历时1min试验。3.1.5触头接触电阻
主触头接触电阻应小于表3规定的控制值。表3
被测接触器型号
CKJ-125
CKJ-250
CKJ-400
CKJ-600
3.1.6接触器三相应同期闭合(或释放)主触器接触电阻.
接触器在线圈额定工作电源电压下吸合(或释放),三相触头固有吸合(或释放)响应时间差应小于3ms。
3.1.7触头终压力
接触器触头终压力应符合产品标准要求。3.2结构要求
3.2.1电气间隙和爬电距离
3.2.1.1接触器电气间隙应符合GB1497的7.1.3.1条有关规定。3.2.1.2接触器爬电距离应符合GB1497的7.1.3.2条有关规定。3.2.2接线端子
保持原规格螺钉,不准采用其他螺钉代替。3.2.3其他结构要求
接触器的外形尺寸、安装尺寸应符合产品技术要求;接触器金属零件不得有裂纹、严重锈蚀、变形现象,接触器绝缘零件表面应光洁、无裂纹、无过烧现象;接触器所有螺钉、螺母、垫圈齐全、紧固均有防止松脱措施;d.
拆装时,波纹管不得承受扭力,不得触碰气口;e.
辅助电路接点应平整、光滑、不得有过烧痕迹、动作可靠。f.
3.3温升
按照4.10条规定的条件下进行试验时,所测得接触器各部件的温升,应不超过表4所规定的极限144
测量部位
主电路接线端
辅助触头接线端
3.3.1主电路温升
MT/T 498-1995
材料与镀层
镀银(或镀镍)
银、银基合金
E级绝缘
B级绝缘
允许温升
外接导线为铜镀锡
接触器主电路应载以8h工作制所确定的约定发热流而不超过表4规定的极限值。3.3.2辅助电路温升
辅助电路应能载以约定发热电流而不超过表4规定的极限值。3.3.3线圈温升
当主电路通电时,接触器线圈的绕组必须在持续通电和额定频率下,承受额定控制电源电压,且温升不超过表4所规定的极限值。
当主电路无电流通过时,在电源条件相同和不超过温升极限的前提下,承受额定操作频率,负载因数为40%。
4试验方法
4.1试验条件
本试验应在下列环境条件中进行:a.
温度:—5~+40℃
平均相对温度:45%~75%(+25℃)b.
大气压力:86~106kPa
4.2介电性能试验
4.2.1试验用的接触器条件:
被试接触器表面应清洁和干燥。按正常工作位置安装,控制电路的半导体器件应拆除。4.2.2施加电压部位:
4.2.2.1主电路:
试验时,应将控制电路和辅助电路接至接触器金属支架上。4.2.2.1.1主触头闭合情况下:
连接在一起的所有各极的带电部位与接触器金属支架之间;a.
每一极与连接至接触器金支架的其他各极之间。b.
4.2.2.1.2主触头断开情况下:
连接在一起所有各极的带电部位与接触器金属支架之间,联在一起的一边接线端子与联在一起的另一一边接线端子之间。b.
4.2.2.2控制电路和辅助电路。
试验时主电路与接触器金属支架相连a.
线圈与接触器金属支架之间;
辅助触头与接触器金属支架之间;辅助触头进出线之间;
d.常闭与常开触头之间;
接线端子各端子之间;
f.接线端子与金属底座之间。
MT/T 498-1995
4.2.3试验电压按3.1.1.1条及表1的要求。4.2.4施加电压的时间为1min。应从小于1/2试验电压开始,以约5s时间,逐步升压至规定值,然后持续1 min。施压结束后,应避免突然失压。4.2.5对试验设备的要求:试验电源的电压应当是正弦波,频率在45~62Hz之间,当其高压输出端短路时,电流不应小于0.5A,且检测漏电流的灵敏继电器应调整在100mA时动作。4.2.6绝缘电阻测量:测量主电路、辅助电路、控制电路绝缘电阻的兆欧表的电压等级为表5规定值,绝缘电阻要求按3.1.1.2条表2规定值,但是对各级并联的情况,只要每个极之间或每个极与接触器金属支架之间的绝缘电阻符合3.1.1.2要求即认为合格。表5
主电路
辅助电路及控制电路
额定工作电压
380,660
兆欧表电压等级
4.3动作性能试验
4.3.1接触器在主电路不通电情况下,线圈在冷态下,按3.1.2.1条规定的电源电压下,快速断开线圈电路、此时接触器触头应确切地断开;线圈在热态下,按3.1.2.1条规定的电源电压范围,快速闭合线圈电路,此时接触器触头应确切地闭合。4.3.2接触器动作灵活可靠、无刮卡现象。4.3.3同型号接触器在额定线圈工作电压得电到主触头吸合响应时间差不得大于3.1.2.2规定值;同型号接触器在额定线圈工作电压失电到主触头释放响应时间差不得大于3.1.2.2规定值。4.4触头开距和超行程的测量
4.4.1触头开距的测量:
4.4.1.1接触器断开时,测量动触头与静触头之间的距离。4.4.1.2测量接触器在闭合和断开状态下,动触头与金属支架之间的距离,得出触头开距值。4.4.2触头超行程的测量:
触头超行程测量方法符合GB998的A1条。4.5真空度质量试验
4.5.1用磁控法测量真空度质量,应满足3.1.4.1条要求;用高压耐压法,应符合3.4.1条的要求。4.5.24.5.1条所列两种试验方法,可任采用一种。4.5.2.1对被测接触器的要求
拆除接触器,接触器表面应清洁,干燥;a.
与主触头相连的有关元件应拆除;接触器处于分断状态;
接触器主触头两端施加电压;
接触器底座应悬空。
4.5.2.2触头在规定开距下应能承受3.1.4.2规定的试验电压。三次耐压试验后,不允许出现击穿和146
连续闪络现象。
MT/T498—1995
4.5.2.3施加电压应从1/2试验电压开始,以约5s时间,逐步升至规定值,然后持续1min。试验期间,允许真空灭弧室内发生几次跳火现象,只要最后能升至规定耐压值。加压结束后,应避免突然失压。4.6触头接触电阻试验
4.6.1测试接触器主触头接触电阻时,将接触器垂直放在测试台上,在主触头不通电的情况下,接触器连续分、合4次,使触头接触良好。4.6.2在接触器吸合状态下,将接触电阻测试仪的测试夹两端分别与接触器主触头两端紧密接触,从表头读出电阻值。
4.6.3按4.6.1、4.6.2条重复测试三次,取三次实测值的算术平均值。4.7三相同步时间差测量
4.7.1仪器测定:
接触器在线圈额定工作电源电压下,从线圈得电(或失电)开始计时至三相主触头吸合(或释放)结束计时,用各相固有吸合(或释放)响应时间值相减得出三相主触头固有吸合(或释放)响应时间差值。4.7.2波形测定:
在三相主触头两端施加电压,当接触器吸合(或释放)时,主触头上的电压波形的幅度不小于25mm,记录速度应不小于1m/s,用目视法得出三相主触头吸合(或释放)响应时间差值。4.8触头终压力测量
4.8.1触头的终压力测量应当在闭合位置上用测力仪器测量。4.8.2测力仪器应在规定的工作点上,沿着触头接触面的法线方向施力。如果不满足上述要求,则必须进行适当的换算。
4.8.3在与触头串联电路中的指示器刚发生信号时,测力仪器的读数值即为触头终压力值。4.9检查
用外观法、手感法和卡尺检查3.2.1、3.2.2、3.2.3条。4.10温升试验
4.10.1主电路温升试验:
温升试验用连接导线的选择按表6规定表6
约定发热电流
4.10.2线圈温升试验:
PVC电缆
截面,mm
线圈温升试验按以下两种方法进行:接
a主电路通以约定发热电流,线圈持续施加额定控制电压至稳定温升;截面,mm
b主电路无电流通过,线圈按额定操作频率以负载因数为40%周期性地施以额定控制电压,直至达到稳定温升。
4.10.3辅助电路温升试验:
MT/T 498-1995
辅助电路温升试验导线选择截面为1mm2长度不小于1m的PVC铜线。温升规定除上述规定外,其余按GB998第5条温升试验的有关规定。5检验规则
5.1检验种类
检验分井下巡回检验、定期检验和应急检验三类。井下巡回检验是在防爆开关例行检查时进行。定期检验是按设备检修周期进行。应急检验是在接触器发生下列情况进行:发生异常现象;
b,分、合短路事故电流后;
受其他工作条件影响需要检修时。c.
5.2检验项目
检验项目见表7
检验项目
介电性能
动作性能
开距和超行程
真空度质量
触头接触电阻
三相同期性能
触头终压力
结构、外观
技术要求
、一有条件做项目。
注:必做项目△
5.3检验判定
试验要求
井下检验
定期检验
应急检验免费标准下载网bzxz
5.3.1在4.2条介电性能试验中,无击穿、闪络现象,无因泄漏电流明显增大而继电器动作或电压突然下降等现象,则认为介电性能检验合格。5.3.2在4.3条动作性能试验中,试验结果符合3.1.2条规定,则认为动作性能检验合格。5.3.3在4.4.1条开距测量过程中,可按接触器要求调整触头开距,其值符合3.1.3.1条规定,则认为开距检验合格。在4.4.2条超行程测量中,测量结果符合3.1.3.2条规定,则认为超行程检验合格,5.3.4在4.5.1条真空度质量试验中,试验结果符合3.1.4.1条规定,则认为真空度质量检验合格。在4.5.2条高压耐压试验过程中,如果没有发生绝缘击穿、连续闪络现象,则认为真空度质量检验合格。5.3.5在4.6条触头接触电阻测量中,测量结果符合3.1.5条表3规定,则认为触头接触电阻检验合格。
超过规定值时,有必要可做温升试验考核。在4.10条温升试验中,接触器各部位温升试验结果符合148
3.3条规定,则认为温升试验合格。MT/T498-1995
5.3.6在4.7条三相同步时间差测量中,可调整接触器开距和反力弹簧,使测量结果符合3.1.6条规定,调整后的开距仍符合3.1.3.1条规定,则认为三相同步时间差检验合格。5.3.7在4.8条触头终压力测量中,测量结果符合3.1.7条规定,则认为触头终压力检验合格。5.3.8在4.9条结构检查中,可对接触器外观、接线端子和辅助接点做适当调整和修理,使其符合3.2条规定。因无法修理而不符合3.2条规定的任何一条,认为结构检验不合格。5.3.9接触器在规定的检验项目全部合格后,由规定的检修单位发给维修合格证,方能继续使用。附加说明:
本标准由煤炭工业部煤矿专用设备标准化技术委员会提出。本标准由煤矿专用设备标准化技术委员会电气分会归口。本标准由煤炭科学研究总院北京建井研究所负责起草,开深矿务局唐山矿,新安江电子管厂、江阴矿山器材厂参加编写。
本标准主要起草人杨一青、张鉴。本标准委托煤焱科学研究总院北京建井研究所负责解释。149
小提示:此标准内容仅展示完整标准里的部分截取内容,若需要完整标准请到上方自行免费下载完整标准文档。
标准图片预览:





- 其它标准
- 热门标准
- 煤炭行业标准(MT)
- MT/T541.2-2007 悬臂式掘进机 检修规范 第2部分:机械部分
- MT/T707-1997 煤自燃倾向性色普吸氧鉴定法
- MT444-1995 煤矿用催化燃烧式低浓度甲烷传感器技术条件
- MT/T608.1-1996 冶金焦用兖州矿务局煤技术条件
- MT/T431.1-1995 冶金焦用丰城矿务局煤技术条件
- MT387-2007 煤矿窄轨矿车安全性测定方法和判定规则
- MT/T117-2005 采煤机用电缆夹型式和基本尺寸
- MT/T188.4-2000 煤矿用乳化液泵站 过滤器技术条件
- MT332-1993 XL系列立井大型多绳箕斗卸载设备基本参数
- MT196-1989 煤水泵
- MT/T606.4-1996 常压固定床煤气发生炉用开滦矿务局煤技术条件
- MT/T467-1996 煤矿用带式输送机设计计算
- MT314-1992 煤矿假顶用菱形金属网
- MT553-1996 缓倾斜煤层采煤工作面底板分类
- MT755-1997 对旋式局部通风机技术条件
- 行业新闻
请牢记:“bzxz.net”即是“标准下载”四个汉字汉语拼音首字母与国际顶级域名“.net”的组合。 ©2025 标准下载网 www.bzxz.net 本站邮件:bzxznet@163.com
网站备案号:湘ICP备2025141790号-2
网站备案号:湘ICP备2025141790号-2