- 您的位置:
- 标准下载网 >>
- 标准分类 >>
- 煤炭行业标准(MT) >>
- MT 398-1995 煤矿用防爆灯具的玻璃透明件
标准号:
MT 398-1995
标准名称:
煤矿用防爆灯具的玻璃透明件
标准类别:
煤炭行业标准(MT)
英文名称:
Glass transparent parts for explosion-proof lamps for coal mines标准状态:
已作废-
发布日期:
1995-08-22 -
实施日期:
1994-11-01 出版语种:
简体中文下载格式:
.rar.pdf下载大小:
151.18 KB

部分标准内容:
中华人民共和国煤炭行业标准
煤矿用防爆灯具的玻璃透明件
1主题内容与适用范围
MT 398--1995
本标准规定了煤矿用防爆灯具的玻璃透明件(以下简称透明件)的产品分类、技术要求、试验方法、质量评定规则、包装、运输及贮存。本标准适用于煤矿用防爆灯具的玻璃透明件。本标准不适用于矿灯的透明件。2引用标准
GB2828逐批检查计数抽样程序及抽样表(适用于连续批的检查)GB2829周期检查计数抽样程序及抽样表(适用于生产过程稳定性的检查)GB3836.1爆炸性环境用防爆电气设备通用要求GB7004灯具木箱包装技术条件
GB7256.1民用机场灯具技术条件通用要求SG386灯具瓦楞纸箱包装技术条件3产品分类
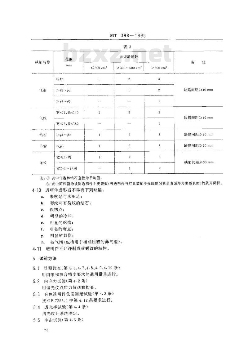
3.1按制作工艺可分为吹制、压制及拉制成形。3.2按成形后形状可分为半圆形、扁圆形、圆简形及平板形等。3.3按成形后的颜色可分为透明、红色、绿色、黄色。3.4按加.1.1艺可分为钢化或退火。4技术要求
4.1透明件须符合本标准要求并按国家指定的检验单位批准的图样及文件制造。4.2透明件(除“钢化”外)必须消除内应力,用偏光仪或应力仪观查蓝色、紫色、红色及粉红色为合格。4.3红色、绿色、黄色有色透明件的色品坐标应符合GB7256.1中第3.10条规定。4.4透明件成形后其形状为圆简形的透光率应大于或等于85%,其他形状的透光率应大于或等于80%。
4.5透明件成形后冲击能量须符合GB3836.1第21.1条中表5的有关规定。4.6透明件成形后热剧变试验须符合GB3836.1中第19.1b条的规定。4.7吹制成形后的透明件主要表面允许缺陷范围(见表1)。4.8压制成形后的透明件主要表面允许缺陷范围(见表2)。4.9拉制成形后的透明件主要表面允许缺陷范围(见表3)。注:灯具安装后视线可以直接看到的表面称为主要表面。中华人民共和国煤炭工业部1995-08~22批准72
1995-11-01实施
气泡≥~16
宽<3.长≤15
宽3,长25
气线宽<3.长≤40
宽4~~5,长≤30
宽4~5.长≤40
结≥2
宽≤1/周
宽>1~2/周
缺陷名称
≤300 cm2
MT 398--1995
允许缺陷数
1000 cm2
>1 000~
2000cm2
1≥2 000~
3 000 cm\
允许缺陷数
≤300cm2
>300~500 cm2
>3 000 cm2
主要表面≤1000cm2
缺陷间距≥30mm
主要表面1000cm2
缺陷间距≥50mm
主要表面≤1000cm2
缺陷间距≥30mm
主要表面>1000cm
缺陷间距50mm
缺陷间距≥50mm
缺陷间距≥30mm
缺陷间距≥50mm
>500 ~1 000 cm2≥1 000 cm2
问距≥40mm
间距≥30mm
缺陷名称
宽<2.长≤40
宽≥3.长80
宽八1/周
宽>1~2/周
≤300cm2
MT 398—1995
允许缺陷数
>300~500 cm
>500 cm2
缺陷间距二40mm
缺陷间距≥40mm
缺陷间距≥30mm
缺陷间距≥30mm
缺陷间距≥30mm
注:(表中气泡和结石直径为平均值。②表中询积值为被测透明件主要表面(当透明件与灯具装配不受限制时其全表面即为主要表面)的展开面积。透明件成形后不得有下列缺陷:4.10
未吹足与未压足;
裂纹与有裂纹的结石;
铁锈点;
明显的冷印;
明显的疙瘩;
明显的麻点;
明显的划伤;
破气泡(包括用手指能压破的薄气泡)。透明件不允许制成带螺纹的结构。试验方法
5.1层测检套(第4.1、4.7、4.8、4.9、4.10条)用肉眼和符合精度要求的通用量具进行。5.2内应力试验(第4.2条)
用偏光仪或应力仪观察检查。
5.3有色透明件色度测定试验(第4.3条)按GB7256.1中第4.12条要求进行。5.4透光率试验(第4.4条)
用光度计系统测定。
5.5冲击试验(第4.5条)
MT 398-1995
按(GB3836.1中第21.1和21.3条有关规定进行。5.6热剧变试验(第4.6条)
按GB3836.1中第24.3条要求进行。6质量评定规则
6.1检验分类
产品的质量评定规则包括两类检验,鉴定检验和质量一致性检验。6.2鉴定检验
鉴定检验是用某规格的若干样品进行的-一系列完整的检验、应包括本标准鉴定检验规定的所有试验项月。其目的在于确定该产品的设计是否符合本标准要求和制造者是否有能力生产符合本标准要求的产品。
6.2.1在下列情况之一时,应进行鉴定检验。a.
新产品的技术安全性能定型鉴定;正式生产后,如形状、材料、工艺有较大改变,可能影响产品性能时;b.
国家质量监督机构提出要求时。6.2.2鉴定检验的样品可由生产厂在试制的产品中选送。除标准中已作规定外,相关试验项目均应在单.·样品上进行。
6.2.3试验项国、试验顺序,按表4规定。表4
试验项目
图样的正确性
吹制成形后充许缺陷范围
正制成形后允许缺降范围
拉制成形居充许缺陷范围
成形后不得存在的缺陷
内应力试验
色度测定试验
透光率试验
冲册试验
热剧变试验
技术要求条目
试验方法条月
鉴定检验按6.2.3条规定进行检验所有项目都通过,判定合格,其中…项不通过,则判不合格。6.2.4
检验未按规定进行或未进行完规定的全部试验项目,不能作判定。6.2.5鉴定检验不合格的样品,改进后重新提交检验。重新检验时,可对不合格的项目及其相关的项目进行检验.几次检验汇总·全部试验项目均通过可判鉴定合格。但第次鉴定检验至最厝··次重新提交检验的时间不得超过半年。
6.3质-致性检验
MT 398-1995
质量·致性检验以逐批检验为基础,周期性地从产品中抽取样品进行的、用以确定产品生产过程中能否保证质持续稳定的检验。质址·致性检验出“逐批检查”和“周期检查”组成。6.3.1逐批检免费标准bzxz.net
6.3.1.1逐批检查中的全检项国为本标准中第4.1条。6.3.1.2逐批检查4的抽检项按GB2828中-般检查水平1,次抽样方案,抽检应在全检合格的产品中进行。
6.3.1.3逐批检查的抽检项月、顺序及其AQL值应按表5中规定进行。表5
试验项目
吹制成形后允诈缺陷范围
H制成形后充许缺陷范围
拉制成形后允许缺陷范围
成形后不得存在的缺陷
技术要求条目
试验方法条目
6.3.1.4抽检的检查严格度.抽样方案的检索,样本的抽取,样本的检验,逐批检查合格或不合格的判断,逐批检查后的处置,应用GB2828中第4.6、4.8、4.9、4.10、4.11和4.12条的规定。6.3.2周期检查
6.3.2.1每三年进行次,当发生下列情况之·时,应及时进行周期检查。a.
试验组
逐批检查结果与上次周期检查有较大差异时;停产二年后再恢复生产时;
[闽家质量监督机构提出要求时。周期检查按GB2829中,判别水平1,次抽样方案的规定进行。周期检查的项目分组.顺序及其RQL值应按表6中的规定进行。表6
试验项目
色度测定试验
透光率试验
内应力试验
冲击试验
热剧变试验
技术要求条目
试验方法条目
样本大小
判定数组
6.3.2.4周期检查的样本抽取,样本检查,合格或不合格的判断,检查后的处置,应用GB2829中第4.9、4.10、4.11、4.12条的规定。76
7包装和贮存及运输
7.1包装和贮存
MT 398-1995
7.1.1用瓦楞纸箱包装和贮存时应符合SG386中有关规定。7.1.2用木箱包装和贮存时应符合GB7004中有关规定。7.2运输
运输途中须防止剧烈震动,装卸时应轻拿轻放。附加说明:
本标准由煤炭工业部煤矿专用设备标准化技术委员会提出。本标准由煤炭专用设备标准化技术委员会电气设备分会归口。本标准由上海燎原灯具厂、煤炭科学研究总院上海分院负责起草。本标准主要起草人傅美娟、周宏耀、陆金琪、乐卫良。77
小提示:此标准内容仅展示完整标准里的部分截取内容,若需要完整标准请到上方自行免费下载完整标准文档。
煤矿用防爆灯具的玻璃透明件
1主题内容与适用范围
MT 398--1995
本标准规定了煤矿用防爆灯具的玻璃透明件(以下简称透明件)的产品分类、技术要求、试验方法、质量评定规则、包装、运输及贮存。本标准适用于煤矿用防爆灯具的玻璃透明件。本标准不适用于矿灯的透明件。2引用标准
GB2828逐批检查计数抽样程序及抽样表(适用于连续批的检查)GB2829周期检查计数抽样程序及抽样表(适用于生产过程稳定性的检查)GB3836.1爆炸性环境用防爆电气设备通用要求GB7004灯具木箱包装技术条件
GB7256.1民用机场灯具技术条件通用要求SG386灯具瓦楞纸箱包装技术条件3产品分类
3.1按制作工艺可分为吹制、压制及拉制成形。3.2按成形后形状可分为半圆形、扁圆形、圆简形及平板形等。3.3按成形后的颜色可分为透明、红色、绿色、黄色。3.4按加.1.1艺可分为钢化或退火。4技术要求
4.1透明件须符合本标准要求并按国家指定的检验单位批准的图样及文件制造。4.2透明件(除“钢化”外)必须消除内应力,用偏光仪或应力仪观查蓝色、紫色、红色及粉红色为合格。4.3红色、绿色、黄色有色透明件的色品坐标应符合GB7256.1中第3.10条规定。4.4透明件成形后其形状为圆简形的透光率应大于或等于85%,其他形状的透光率应大于或等于80%。
4.5透明件成形后冲击能量须符合GB3836.1第21.1条中表5的有关规定。4.6透明件成形后热剧变试验须符合GB3836.1中第19.1b条的规定。4.7吹制成形后的透明件主要表面允许缺陷范围(见表1)。4.8压制成形后的透明件主要表面允许缺陷范围(见表2)。4.9拉制成形后的透明件主要表面允许缺陷范围(见表3)。注:灯具安装后视线可以直接看到的表面称为主要表面。中华人民共和国煤炭工业部1995-08~22批准72
1995-11-01实施
气泡≥~16
宽<3.长≤15
宽3,长25
气线宽<3.长≤40
宽4~~5,长≤30
宽4~5.长≤40
结≥2
宽≤1/周
宽>1~2/周
缺陷名称
≤300 cm2
MT 398--1995
允许缺陷数
1000 cm2
>1 000~
2000cm2
1≥2 000~
3 000 cm\
允许缺陷数
≤300cm2
>300~500 cm2
>3 000 cm2
主要表面≤1000cm2
缺陷间距≥30mm
主要表面1000cm2
缺陷间距≥50mm
主要表面≤1000cm2
缺陷间距≥30mm
主要表面>1000cm
缺陷间距50mm
缺陷间距≥50mm
缺陷间距≥30mm
缺陷间距≥50mm
>500 ~1 000 cm2≥1 000 cm2
问距≥40mm
间距≥30mm
缺陷名称
宽<2.长≤40
宽≥3.长80
宽八1/周
宽>1~2/周
≤300cm2
MT 398—1995
允许缺陷数
>300~500 cm
>500 cm2
缺陷间距二40mm
缺陷间距≥40mm
缺陷间距≥30mm
缺陷间距≥30mm
缺陷间距≥30mm
注:(表中气泡和结石直径为平均值。②表中询积值为被测透明件主要表面(当透明件与灯具装配不受限制时其全表面即为主要表面)的展开面积。透明件成形后不得有下列缺陷:4.10
未吹足与未压足;
裂纹与有裂纹的结石;
铁锈点;
明显的冷印;
明显的疙瘩;
明显的麻点;
明显的划伤;
破气泡(包括用手指能压破的薄气泡)。透明件不允许制成带螺纹的结构。试验方法
5.1层测检套(第4.1、4.7、4.8、4.9、4.10条)用肉眼和符合精度要求的通用量具进行。5.2内应力试验(第4.2条)
用偏光仪或应力仪观察检查。
5.3有色透明件色度测定试验(第4.3条)按GB7256.1中第4.12条要求进行。5.4透光率试验(第4.4条)
用光度计系统测定。
5.5冲击试验(第4.5条)
MT 398-1995
按(GB3836.1中第21.1和21.3条有关规定进行。5.6热剧变试验(第4.6条)
按GB3836.1中第24.3条要求进行。6质量评定规则
6.1检验分类
产品的质量评定规则包括两类检验,鉴定检验和质量一致性检验。6.2鉴定检验
鉴定检验是用某规格的若干样品进行的-一系列完整的检验、应包括本标准鉴定检验规定的所有试验项月。其目的在于确定该产品的设计是否符合本标准要求和制造者是否有能力生产符合本标准要求的产品。
6.2.1在下列情况之一时,应进行鉴定检验。a.
新产品的技术安全性能定型鉴定;正式生产后,如形状、材料、工艺有较大改变,可能影响产品性能时;b.
国家质量监督机构提出要求时。6.2.2鉴定检验的样品可由生产厂在试制的产品中选送。除标准中已作规定外,相关试验项目均应在单.·样品上进行。
6.2.3试验项国、试验顺序,按表4规定。表4
试验项目
图样的正确性
吹制成形后充许缺陷范围
正制成形后允许缺降范围
拉制成形居充许缺陷范围
成形后不得存在的缺陷
内应力试验
色度测定试验
透光率试验
冲册试验
热剧变试验
技术要求条目
试验方法条月
鉴定检验按6.2.3条规定进行检验所有项目都通过,判定合格,其中…项不通过,则判不合格。6.2.4
检验未按规定进行或未进行完规定的全部试验项目,不能作判定。6.2.5鉴定检验不合格的样品,改进后重新提交检验。重新检验时,可对不合格的项目及其相关的项目进行检验.几次检验汇总·全部试验项目均通过可判鉴定合格。但第次鉴定检验至最厝··次重新提交检验的时间不得超过半年。
6.3质-致性检验
MT 398-1995
质量·致性检验以逐批检验为基础,周期性地从产品中抽取样品进行的、用以确定产品生产过程中能否保证质持续稳定的检验。质址·致性检验出“逐批检查”和“周期检查”组成。6.3.1逐批检免费标准bzxz.net
6.3.1.1逐批检查中的全检项国为本标准中第4.1条。6.3.1.2逐批检查4的抽检项按GB2828中-般检查水平1,次抽样方案,抽检应在全检合格的产品中进行。
6.3.1.3逐批检查的抽检项月、顺序及其AQL值应按表5中规定进行。表5
试验项目
吹制成形后允诈缺陷范围
H制成形后充许缺陷范围
拉制成形后允许缺陷范围
成形后不得存在的缺陷
技术要求条目
试验方法条目
6.3.1.4抽检的检查严格度.抽样方案的检索,样本的抽取,样本的检验,逐批检查合格或不合格的判断,逐批检查后的处置,应用GB2828中第4.6、4.8、4.9、4.10、4.11和4.12条的规定。6.3.2周期检查
6.3.2.1每三年进行次,当发生下列情况之·时,应及时进行周期检查。a.
试验组
逐批检查结果与上次周期检查有较大差异时;停产二年后再恢复生产时;
[闽家质量监督机构提出要求时。周期检查按GB2829中,判别水平1,次抽样方案的规定进行。周期检查的项目分组.顺序及其RQL值应按表6中的规定进行。表6
试验项目
色度测定试验
透光率试验
内应力试验
冲击试验
热剧变试验
技术要求条目
试验方法条目
样本大小
判定数组
6.3.2.4周期检查的样本抽取,样本检查,合格或不合格的判断,检查后的处置,应用GB2829中第4.9、4.10、4.11、4.12条的规定。76
7包装和贮存及运输
7.1包装和贮存
MT 398-1995
7.1.1用瓦楞纸箱包装和贮存时应符合SG386中有关规定。7.1.2用木箱包装和贮存时应符合GB7004中有关规定。7.2运输
运输途中须防止剧烈震动,装卸时应轻拿轻放。附加说明:
本标准由煤炭工业部煤矿专用设备标准化技术委员会提出。本标准由煤炭专用设备标准化技术委员会电气设备分会归口。本标准由上海燎原灯具厂、煤炭科学研究总院上海分院负责起草。本标准主要起草人傅美娟、周宏耀、陆金琪、乐卫良。77
小提示:此标准内容仅展示完整标准里的部分截取内容,若需要完整标准请到上方自行免费下载完整标准文档。

标准图片预览:





- 热门标准
- 煤炭行业标准(MT)
- MT/T1112-2011 煤矿图像监视系统通用技术条件
- MT187.7-1988 刮板输送机紧固件 半圆头方颈螺栓
- MT/T1131-2011 矿用以太网
- MT/T1135-2011 矿用碳分子筛制氮装置通用技术条件
- MT542-1996 单体支柱柱鞋
- MT/T188.4-2000 煤矿用乳化液泵站 过滤器技术条件
- MT/T619-1996 煤炭试验室分级和评定
- MT/T408-1995 煤矿用直流稳压电源
- MT/T117-2005 采煤机用电缆夹型式和基本尺寸
- MT/T441-1995 巷道掘进混合式通风技术规范
- MT/T528-1995 滚筒式泥浆固液分离机
- MT/T588-1996 煤矿用防爆柴油机胶套轮/齿轨卡轨车技术条件
- MT10-1975 矿山窄轨牵引网路搭接线夹
- MT299.4-1992 水泥回转窑用鹤岗矿务局煤技术条件
- MT/T1107-2011 煤矿局部通风机自动调速装置
- 行业新闻
请牢记:“bzxz.net”即是“标准下载”四个汉字汉语拼音首字母与国际顶级域名“.net”的组合。 ©2009 标准下载网 www.bzxz.net 本站邮件:bzxznet@163.com
网站备案号:湘ICP备2023016450号-1
网站备案号:湘ICP备2023016450号-1