- 您的位置:
- 标准下载网 >>
- 标准分类 >>
- 化工行业标准(HG) >>
- HG∕T 5094-2016 遇油、遇水自膨胀橡胶封隔器
- 标准号: - HG∕T 5094-2016
- 标准名称: - 遇油、遇水自膨胀橡胶封隔器
- 标准类别: - 化工行业标准(HG)
- 标准状态: 现行
- 出版语种: 简体中文
- 下载格式: .rar .pdf
- 下载大小: 
 标准内容
标准内容部分标准内容:
					
					ICS 83. 140. 50
备案号:56319—2016
中华人民共和国化工行业标准
HG/T 5094—2016
遇油、遇水自膨胀橡胶封隔器
Oilandwaterswellablepackern
2016-10-22发布
2017-04-01实施
中华人民和国工业和总化部发布前言
本标准按照B/T1.12009给出的规则起草。本标准由中油和化学T业联合会提山。HG/T5094—-2016
本标准由全国橡胶与橡胶制品标准化技术委员会密封制品分技术委员会(SAC/1C35/SC3归。
本标准起草单位:濮阳市博德石油设备有限公司、西北橡胶塑料研究设计院有限公司、四川新为橡塑有限公司、战都盛帮密封件股份有限公司、咸阳海龙密封复介材料有限公司,本标滩主要起草人:土宁、高静茹、曹元礼、贺松涛、范德波、祝海峰,1范围
遇油、遇水自膨胀橡胶封隔器
HG/T 5094-2016
本标准规定了遇油,遇水自膨胀橡胶封隔器的术语和定义,结悔、代号,要求,检验规则以及标志,包装、运输和贮存。
本标准适用于油、气、水并完并、堵作业用遇油、遇水自膨胀封隔器(简称自膨胀封輪器)。2规范性引用文件
下列文件对于本文件的顾用是必不可少的,凡是注日期的引用文件:假注甘期的版本适用本文件。凡是不润川期的引用文件,其最新版(包括所有的修改单)适本文件。GB/T528硫化橡咬或热塑性橡较拉伸应力应变性能的测G3/T53E.1
硫化橡股或热塑件橡胶压人硬度试验方法第1部分:邵氏硬度计法(部尔砸)GB/T1690硫化橡胶或热塑性橡胶耐液体试验方法G1/T294!橡胶物理试验方法诚锌制备利调节通用程序CB/T3512硫化橡胶或热塑性橡胶热空气加速老化和耐热试验(G13/T19830石油天然气1.业油气并套管或油管用钢管GB/T20739橡胶制品贮存指南
3术语和定义
下列术语和定义适用于本文件。3. 1
自膨胀封隔器swellablepacker
以遇油或遇水白膨胀橡胶材料作胶筒,利用其吸收汕或水后积发生膨胀的特性进行井下环空封陋的封隔器,
体积膨胀倍率volumeexpansion ratio将封器硫化橡胶试样在规定温度和时间的条件下在规定的介质内没泄,浸池后的体积与浸泡前的体积首分比,
基管hascpipc
对自膨胀封隔器胶筒起支撑作用的衍合B19830规定的油管或套管。3.4
组合式自膨胀封隔器
lyhridswellahlepecker
同时采用遐油膨胀橡胶简和水影胀橡胶篇的户膨胀封隔器,1
KAoNiKAca
HG/T5094—2016
4结构、代号
4.1结构
整体式自膨胀过隔器结构尔意图见图1.10529792298
说明:
说围:
白膨涨过隔器总长;
胶简总长:
门胀封隔器外径(即扩环处的外径):基管公称外径。
奕管接缔:
扩环;
胶筒;
图 1 整体式自膨胀封隔器结构示意图分段式自胀封隔器结构示意图图2:89888
H脏胀时弱器总长:
胶简总长:
白膨帐挂弱器外径(即护环处的外征);基管公称外径:
套管接箍;
前护环;
胺简,
护坏:
变征按接箍;
基管。
8868:
图2分段式自膨胀封隔器结构示意图6
KAONiKAca
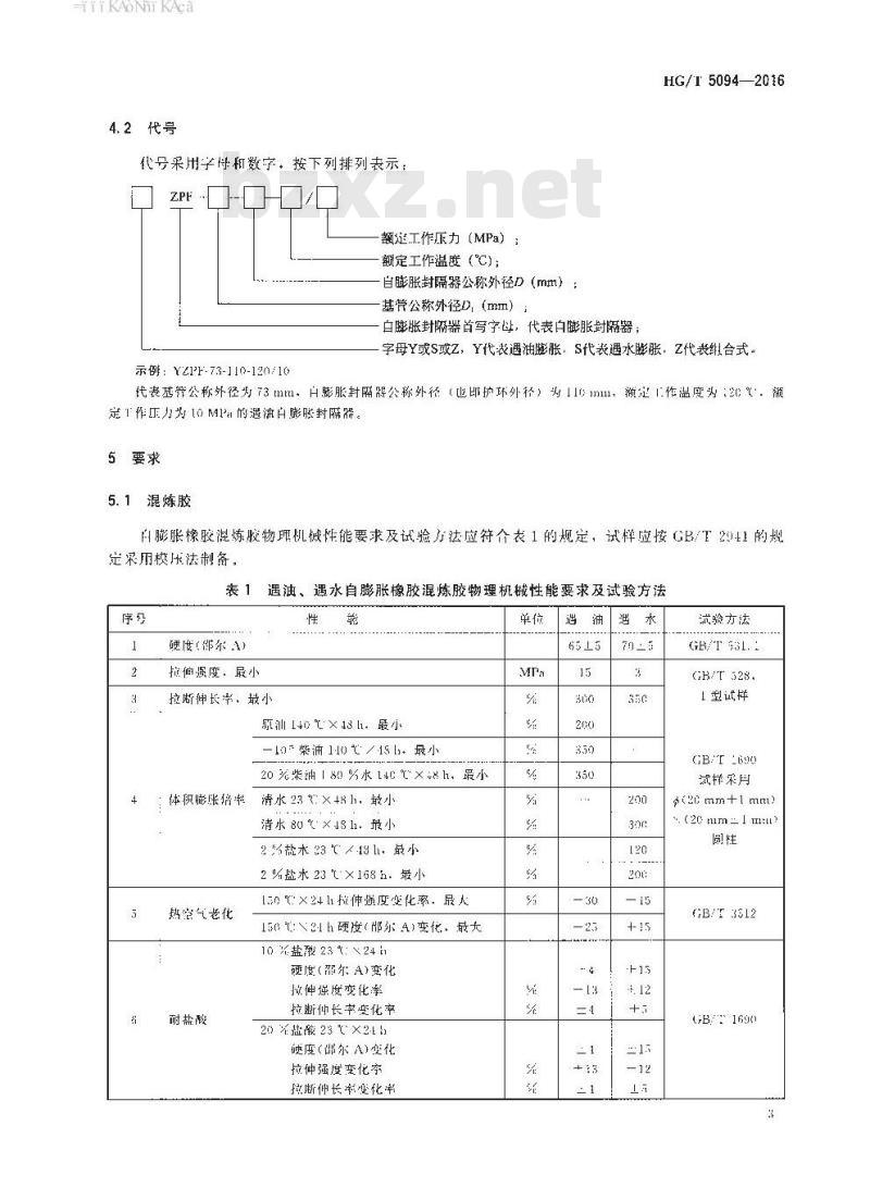
4.2代号
代号采用字停和数字,按下列排列表示:ZPFH
额定工作压力(MPa):
额定工作温度(℃);
自膨胀封隔器公称外径D(mm):基管公称外径D,(mm)
白膨胀封隔器首写字母,代表白膨胀封隔器;HG/T 5094—2016
字母Y或S或Z,Y代表遇油膨胀,S代裁遇水胀,Z代表继合式。示例:YZPF-73-J10-120/1(
代表基管公称外径73 mt。H膨胀封隔碍公称外径(也即护环外格)为11:1n11,额定1作温度为i2C:定1 作压力为 10 M1a 的遇浓白膨胀封隔器。5要求
5.1混炼胶
日膨胀橡胶混炼胶物理机械性能要求及试验方法应符合表1的规定,试样应按GB/T2911的规定采用模压法制备
表1遇油、遇水自膨胀橡胶混炼胶物理机械性能要求及试验方法序号
硬度(邵尔A)
拉损度。最小
拉断伸长率,最小
原汕140℃×18最小
—1=柴油110℃/s,最小
20%柴油180%水14℃×.最小
清水23 ×+8 ,最小
体积膨张倍率
清水 80 ×18l1. 量小
2盐水23-18 h最小
2 %盐水 23 ℃ ×168 h. 最小
热空气老化
耐盐酸
[℃×24l 拉伸强度变化率,最人l50:21 h 硬度(郎尔A)变花:最大10 %盐酸 23 %: ×24
硬度(邵尔A)变化
拉伸强度变化率
拉断仲长率变化率
20%盐酸23×21h
砸度(邵尔A)变化
拉伸强度变化率
按断伸长却变化率
— 15
试验方法
GR/T $SI: :
GB/T 528.
|整样
GB'T 690
斌样采月
$(2c mm+1 mm)
(20 um=Im)
GB/F 3S12
KAONiKAca
HG/T5094—2016
自膨胀封隔器的尺寸公差
遐油自膨胀移胶时隔器外径和长度的尺寸和公养见表2,表2遇油自膨胀橡胶封隔器外径和长度的尺寸和公差基管公称外径D
YZPF-73-110-12(0/X X
YZPF-73-110-150/X.
YZPF-73-1:G-120/N X
YZPF-73-116-120/X X
YZPF-89-11G-12(0/X X
YZPF 80 110-150/ : *
Y2P[ 89 116-120/X
YZPF-89-116-150/X X
YZPF In--116-120/N X
YZPI: 10: 146 150/× ×
YZ)PF-114 1.16 120
YZPF-1[-1-[4-1: X >
YzPF 127 207-120/× X
Y21F 127 207. 150. ×
YPF 140 207 [20/ × X
YZPF-11 207 9/×
YZPF-178-217-120/X X
YZP1: 178 207 15(0/ × X
73(2.875)
7312.875)
73(2.875)
73(2.873)
101(4)
11+(+. 5)
127(5)
127(5)
178(7)
178(7)
适排最大井径
130(6.12)
130(5.12)
130(3.12)
130(..12)
221(8. 82)
221(8.82)
224(8.82)
224(8.82)
22+18. 82)
224(8.82)
白膨账封隔器外径D
mm(in)
=621, 33)
1-16(3. 75)
110:4.33)
146(5.75)
146(5.75)
146(5.75)
: 46(3. 75)
-1645. 75)
24645.75)
207(8. 15)
207(8. 15)
207(8.15)
207(8,15)
207(8. 13)
207(8. 15)
胶箭总长
注:××为领T作压率。对于腔简总长分别为1000 u、2or0 m,3 000mu、4000 um,30 mn、6 000 r的膨服封隔器、额定T作压差分别为1O 、15MP、2Ma、3MP、0M、50 M。KAONiKAca
5.2.2遗水自膨胀橡胶封隔器外径和长度的尺小和公差见表3。表3遇水自膨胀橡胶封隔器外径和长度的尺寸和公差管公称外径[),
SZPF-73-110-1207 X X
SZPF-73-116-120/X /
SZPF-80-110-120/ X ~
SZPF-8}-146-120/X X
S2PF1011+6120/××
SZPF 114 1+G 120/× ×
SZPF-127-207-120/× ×
SZPF 1+0 207 120/× ×
SZPF-178-207-120/X X
nim(in)
73(2.875)
73(2.875)
101(4)
127(5)
造用最大片径
mitin)
13n(5.12)
13((5.12)
221(8.82)
224(8.82)
224(8.82)
白膨胀封厢器外径
mm(in)
110(1.33)
1.16(5. 73)
11:(1. 33)
116(3.75)
1+6(5.75)
14665. 75)
207(8.1元)
207(8. 15)
207(8.15)
HG/T5094—2016
胶简总长 1
注:>×为定T作压差,对F胶筒总k分期为1(300mutl,2001l2m、3c00mm、4000mm、50ccmm、6(c0mm的H膨胀封隔弹,额定1作[E差分别为10 MPn、15 MPa、20 MPil、30 MTPal,1G MPat、50 M1Pa。5.3外观质量
自膨胀时隔器疫简表面不允许有裂纹、裂口,橡胶材料不底高十两端扩碗,胶筒衣面高低不5.3.1
乎不应超过 2 mm
5.3.2自膨胀封隔器胶简充许有轻微的杂质、气泡、接头痕迹及缺胶,但不应超出表1的规定。表4杂质、气泡、接头痕迹及缺胶的要求缺陷名称
气泡、缺胶
接头痕迹
缺陷要求
长度不人于1 mm、宽度不大于2 mm、高度或深度不大上1 mm,在t oc mm面积内不多”【处。长度不大12um、高度或深度不大F1mm:布1(09mm面积内不多F;处:表山接头痕迹宽度不太F2 t、长度不限。耐压性能
按附录A进行试验。压力下降不超过最大额定工作床差的5以,也可由制造企业与川户双方商定。
6检验规则
6.1混炼胶以同班同机台连续生产的不多于10辑为批,6.2每批混炼胶随机抽取1辊、按照1的要求遂批进行企项检验。当检验结渠有-项不合格时。成取双倍试样进行复检,若复检仍不合格,允诈对滤炼胶修炼一次,修炼后应进行全项检验,若其巾仍有一项不合格,则该批混炼胶不合格。6.3白膨胀封隔器的寸应逐件行检验。5
YKAoNiKAca
HG/T5094—2016
6.4白影胀封隔器的外观应逐件进行检验6.5当有下列情况之时。应对本标准第5章规定的要求进行全项检查:产品设定型鉴定吋:
一产品的材料、结构、工艺、生产设备、管现等有较大改变·可能影响产品性能时。7标志、包装、运输和贮存
7.1标志
7.1.1在户膨胀时隔器上端钢休表面上打印标记,注明代号、产品编号、制造厂代号及測遣日期,7.1.2胶简上成注明代号、编号、生产日期。7.1.3在包装箱上标注自膨胀封瀚器名称、代号、产品编号、牛产厂名、厂址,牛产日期、本标编号,
7.2包装
白膨胀封隔器采用木箱包裂:钢体部分用孤形木块支起:防止白膨胀封隔器胶筒部分承受重力挤压变:门膨涨封隔器胶筒外丧面采用密封包装,使胶筒隔绝空气和光源。产品两端细纹部分安装护丝。随粘附带包装箱清单、使用说明书检测报背及产品合格证7.3运输www.bzxz.net
自膨张封隔器在装御和运输过程巾严禁磕,避免雨淋、几晒。7.4贴存
自膨胀封隔器应按CB/T20739的要求进行存,存期为18个月逾期后按5.25,1进行检验,检验合格该批次的产品方可使用,KAoNiKAca
1试验设备
附录A
(规范性附录)
自膨胀封隔器耐压性能试验方法HG/T5094—2016
试验设备山封隔器试验简体、打压泵,温度控制系统、加热循环系统和液体介质容器构成,示意图见图A.1。
说明:
打压泵;
压力表;
沾度计:
温变控制系统;
加热循环系统;
封隔器试验简体:
液体介质容器。
图A.1试验设备示意图
A.2试验介质
油白膨涨封版器使用
A.3试样
10=柴油作为试验介质,遇水白膨封隔幕使爪清水作为试验介质,试样为「套自膨胀封隔器。
-TTKAONiKAca
11G/T5094—2016
A.4试验程序
将试样(A.3)政人时隔器试验简体(A.1)内,调翌白膨胀封隔器处屑中状态,使户影A.4.1
胀封隔器基管相对丁试验筒体固定。A.4.2独试验筒体内充满试验介质(A.2)排空试验筒体内部气体:A.4.3将试验介质加热书自膨胀过隔器额定T作温度A.4.4作膨胀封隔器胶筒膨胀过程中应不断补充试验介质,确保试验筒体内部处于充满状态。A.4.5打压前先打川放气孔,真至无气体溢出后,开启打床泵进行缓慢加压,A.4.6试验斥力达到额定工作压差的1.2倍时,停票,进行稳示。A.4.7稳压时间人于1.观察和记录斥力下降数值A.4.8稳床结束后。从高到低或从低到高迹行一次压力反转试验。X
小提示:此标准内容仅展示完整标准里的部分截取内容,若需要完整标准请到上方自行免费下载完整标准文档。
	 
	        
	      备案号:56319—2016
中华人民共和国化工行业标准
HG/T 5094—2016
遇油、遇水自膨胀橡胶封隔器
Oilandwaterswellablepackern
2016-10-22发布
2017-04-01实施
中华人民和国工业和总化部发布前言
本标准按照B/T1.12009给出的规则起草。本标准由中油和化学T业联合会提山。HG/T5094—-2016
本标准由全国橡胶与橡胶制品标准化技术委员会密封制品分技术委员会(SAC/1C35/SC3归。
本标准起草单位:濮阳市博德石油设备有限公司、西北橡胶塑料研究设计院有限公司、四川新为橡塑有限公司、战都盛帮密封件股份有限公司、咸阳海龙密封复介材料有限公司,本标滩主要起草人:土宁、高静茹、曹元礼、贺松涛、范德波、祝海峰,1范围
遇油、遇水自膨胀橡胶封隔器
HG/T 5094-2016
本标准规定了遇油,遇水自膨胀橡胶封隔器的术语和定义,结悔、代号,要求,检验规则以及标志,包装、运输和贮存。
本标准适用于油、气、水并完并、堵作业用遇油、遇水自膨胀封隔器(简称自膨胀封輪器)。2规范性引用文件
下列文件对于本文件的顾用是必不可少的,凡是注日期的引用文件:假注甘期的版本适用本文件。凡是不润川期的引用文件,其最新版(包括所有的修改单)适本文件。GB/T528硫化橡咬或热塑性橡较拉伸应力应变性能的测G3/T53E.1
硫化橡股或热塑件橡胶压人硬度试验方法第1部分:邵氏硬度计法(部尔砸)GB/T1690硫化橡胶或热塑性橡胶耐液体试验方法G1/T294!橡胶物理试验方法诚锌制备利调节通用程序CB/T3512硫化橡胶或热塑性橡胶热空气加速老化和耐热试验(G13/T19830石油天然气1.业油气并套管或油管用钢管GB/T20739橡胶制品贮存指南
3术语和定义
下列术语和定义适用于本文件。3. 1
自膨胀封隔器swellablepacker
以遇油或遇水白膨胀橡胶材料作胶筒,利用其吸收汕或水后积发生膨胀的特性进行井下环空封陋的封隔器,
体积膨胀倍率volumeexpansion ratio将封器硫化橡胶试样在规定温度和时间的条件下在规定的介质内没泄,浸池后的体积与浸泡前的体积首分比,
基管hascpipc
对自膨胀封隔器胶筒起支撑作用的衍合B19830规定的油管或套管。3.4
组合式自膨胀封隔器
lyhridswellahlepecker
同时采用遐油膨胀橡胶简和水影胀橡胶篇的户膨胀封隔器,1
KAoNiKAca
HG/T5094—2016
4结构、代号
4.1结构
整体式自膨胀过隔器结构尔意图见图1.10529792298
说明:
说围:
白膨涨过隔器总长;
胶简总长:
门胀封隔器外径(即扩环处的外径):基管公称外径。
奕管接缔:
扩环;
胶筒;
图 1 整体式自膨胀封隔器结构示意图分段式自胀封隔器结构示意图图2:89888
H脏胀时弱器总长:
胶简总长:
白膨帐挂弱器外径(即护环处的外征);基管公称外径:
套管接箍;
前护环;
胺简,
护坏:
变征按接箍;
基管。
8868:
图2分段式自膨胀封隔器结构示意图6
KAONiKAca
4.2代号
代号采用字停和数字,按下列排列表示:ZPFH
额定工作压力(MPa):
额定工作温度(℃);
自膨胀封隔器公称外径D(mm):基管公称外径D,(mm)
白膨胀封隔器首写字母,代表白膨胀封隔器;HG/T 5094—2016
字母Y或S或Z,Y代表遇油膨胀,S代裁遇水胀,Z代表继合式。示例:YZPF-73-J10-120/1(
代表基管公称外径73 mt。H膨胀封隔碍公称外径(也即护环外格)为11:1n11,额定1作温度为i2C:定1 作压力为 10 M1a 的遇浓白膨胀封隔器。5要求
5.1混炼胶
日膨胀橡胶混炼胶物理机械性能要求及试验方法应符合表1的规定,试样应按GB/T2911的规定采用模压法制备
表1遇油、遇水自膨胀橡胶混炼胶物理机械性能要求及试验方法序号
硬度(邵尔A)
拉损度。最小
拉断伸长率,最小
原汕140℃×18最小
—1=柴油110℃/s,最小
20%柴油180%水14℃×.最小
清水23 ×+8 ,最小
体积膨张倍率
清水 80 ×18l1. 量小
2盐水23-18 h最小
2 %盐水 23 ℃ ×168 h. 最小
热空气老化
耐盐酸
[℃×24l 拉伸强度变化率,最人l50:21 h 硬度(郎尔A)变花:最大10 %盐酸 23 %: ×24
硬度(邵尔A)变化
拉伸强度变化率
拉断仲长率变化率
20%盐酸23×21h
砸度(邵尔A)变化
拉伸强度变化率
按断伸长却变化率
— 15
试验方法
GR/T $SI: :
GB/T 528.
|整样
GB'T 690
斌样采月
$(2c mm+1 mm)
(20 um=Im)
GB/F 3S12
KAONiKAca
HG/T5094—2016
自膨胀封隔器的尺寸公差
遐油自膨胀移胶时隔器外径和长度的尺寸和公养见表2,表2遇油自膨胀橡胶封隔器外径和长度的尺寸和公差基管公称外径D
YZPF-73-110-12(0/X X
YZPF-73-110-150/X.
YZPF-73-1:G-120/N X
YZPF-73-116-120/X X
YZPF-89-11G-12(0/X X
YZPF 80 110-150/ : *
Y2P[ 89 116-120/X
YZPF-89-116-150/X X
YZPF In--116-120/N X
YZPI: 10: 146 150/× ×
YZ)PF-114 1.16 120
YZPF-1[-1-[4-1: X >
YzPF 127 207-120/× X
Y21F 127 207. 150. ×
YPF 140 207 [20/ × X
YZPF-11 207 9/×
YZPF-178-217-120/X X
YZP1: 178 207 15(0/ × X
73(2.875)
7312.875)
73(2.875)
73(2.873)
101(4)
11+(+. 5)
127(5)
127(5)
178(7)
178(7)
适排最大井径
130(6.12)
130(5.12)
130(3.12)
130(..12)
221(8. 82)
221(8.82)
224(8.82)
224(8.82)
22+18. 82)
224(8.82)
白膨账封隔器外径D
mm(in)
=621, 33)
1-16(3. 75)
110:4.33)
146(5.75)
146(5.75)
146(5.75)
: 46(3. 75)
-1645. 75)
24645.75)
207(8. 15)
207(8. 15)
207(8.15)
207(8,15)
207(8. 13)
207(8. 15)
胶箭总长
注:××为领T作压率。对于腔简总长分别为1000 u、2or0 m,3 000mu、4000 um,30 mn、6 000 r的膨服封隔器、额定T作压差分别为1O 、15MP、2Ma、3MP、0M、50 M。KAONiKAca
5.2.2遗水自膨胀橡胶封隔器外径和长度的尺小和公差见表3。表3遇水自膨胀橡胶封隔器外径和长度的尺寸和公差管公称外径[),
SZPF-73-110-1207 X X
SZPF-73-116-120/X /
SZPF-80-110-120/ X ~
SZPF-8}-146-120/X X
S2PF1011+6120/××
SZPF 114 1+G 120/× ×
SZPF-127-207-120/× ×
SZPF 1+0 207 120/× ×
SZPF-178-207-120/X X
nim(in)
73(2.875)
73(2.875)
101(4)
127(5)
造用最大片径
mitin)
13n(5.12)
13((5.12)
221(8.82)
224(8.82)
224(8.82)
白膨胀封厢器外径
mm(in)
110(1.33)
1.16(5. 73)
11:(1. 33)
116(3.75)
1+6(5.75)
14665. 75)
207(8.1元)
207(8. 15)
207(8.15)
HG/T5094—2016
胶简总长 1
注:>×为定T作压差,对F胶筒总k分期为1(300mutl,2001l2m、3c00mm、4000mm、50ccmm、6(c0mm的H膨胀封隔弹,额定1作[E差分别为10 MPn、15 MPa、20 MPil、30 MTPal,1G MPat、50 M1Pa。5.3外观质量
自膨胀时隔器疫简表面不允许有裂纹、裂口,橡胶材料不底高十两端扩碗,胶筒衣面高低不5.3.1
乎不应超过 2 mm
5.3.2自膨胀封隔器胶简充许有轻微的杂质、气泡、接头痕迹及缺胶,但不应超出表1的规定。表4杂质、气泡、接头痕迹及缺胶的要求缺陷名称
气泡、缺胶
接头痕迹
缺陷要求
长度不人于1 mm、宽度不大于2 mm、高度或深度不大上1 mm,在t oc mm面积内不多”【处。长度不大12um、高度或深度不大F1mm:布1(09mm面积内不多F;处:表山接头痕迹宽度不太F2 t、长度不限。耐压性能
按附录A进行试验。压力下降不超过最大额定工作床差的5以,也可由制造企业与川户双方商定。
6检验规则
6.1混炼胶以同班同机台连续生产的不多于10辑为批,6.2每批混炼胶随机抽取1辊、按照1的要求遂批进行企项检验。当检验结渠有-项不合格时。成取双倍试样进行复检,若复检仍不合格,允诈对滤炼胶修炼一次,修炼后应进行全项检验,若其巾仍有一项不合格,则该批混炼胶不合格。6.3白膨胀封隔器的寸应逐件行检验。5
YKAoNiKAca
HG/T5094—2016
6.4白影胀封隔器的外观应逐件进行检验6.5当有下列情况之时。应对本标准第5章规定的要求进行全项检查:产品设定型鉴定吋:
一产品的材料、结构、工艺、生产设备、管现等有较大改变·可能影响产品性能时。7标志、包装、运输和贮存
7.1标志
7.1.1在户膨胀时隔器上端钢休表面上打印标记,注明代号、产品编号、制造厂代号及測遣日期,7.1.2胶简上成注明代号、编号、生产日期。7.1.3在包装箱上标注自膨胀封瀚器名称、代号、产品编号、牛产厂名、厂址,牛产日期、本标编号,
7.2包装
白膨胀封隔器采用木箱包裂:钢体部分用孤形木块支起:防止白膨胀封隔器胶筒部分承受重力挤压变:门膨涨封隔器胶筒外丧面采用密封包装,使胶筒隔绝空气和光源。产品两端细纹部分安装护丝。随粘附带包装箱清单、使用说明书检测报背及产品合格证7.3运输www.bzxz.net
自膨张封隔器在装御和运输过程巾严禁磕,避免雨淋、几晒。7.4贴存
自膨胀封隔器应按CB/T20739的要求进行存,存期为18个月逾期后按5.25,1进行检验,检验合格该批次的产品方可使用,KAoNiKAca
1试验设备
附录A
(规范性附录)
自膨胀封隔器耐压性能试验方法HG/T5094—2016
试验设备山封隔器试验简体、打压泵,温度控制系统、加热循环系统和液体介质容器构成,示意图见图A.1。
说明:
打压泵;
压力表;
沾度计:
温变控制系统;
加热循环系统;
封隔器试验简体:
液体介质容器。
图A.1试验设备示意图
A.2试验介质
油白膨涨封版器使用
A.3试样
10=柴油作为试验介质,遇水白膨封隔幕使爪清水作为试验介质,试样为「套自膨胀封隔器。
-TTKAONiKAca
11G/T5094—2016
A.4试验程序
将试样(A.3)政人时隔器试验简体(A.1)内,调翌白膨胀封隔器处屑中状态,使户影A.4.1
胀封隔器基管相对丁试验筒体固定。A.4.2独试验筒体内充满试验介质(A.2)排空试验筒体内部气体:A.4.3将试验介质加热书自膨胀过隔器额定T作温度A.4.4作膨胀封隔器胶筒膨胀过程中应不断补充试验介质,确保试验筒体内部处于充满状态。A.4.5打压前先打川放气孔,真至无气体溢出后,开启打床泵进行缓慢加压,A.4.6试验斥力达到额定工作压差的1.2倍时,停票,进行稳示。A.4.7稳压时间人于1.观察和记录斥力下降数值A.4.8稳床结束后。从高到低或从低到高迹行一次压力反转试验。X
小提示:此标准内容仅展示完整标准里的部分截取内容,若需要完整标准请到上方自行免费下载完整标准文档。
 标准图片预览
标准图片预览 标准图片预览:





- 其它标准
- 热门标准
- 行业标准
- HG/T20592-2009 钢制管法兰(PN系列)
- HG/T20518-2008 化工粉体工程设计通用规范
- HG∕T5056-2016 GB 7544在天然橡胶胶乳避孕套质量管理中的使用指南
- HG/T3985-2007 聚四氟乙烯波纹管膨胀节
- HG/T3219-2009 代替 HG/T 3219-1999 搪玻璃平面阀
- HG/T3459-2003 化学试剂 顺丁烯二酸酐
- HG/T2017-2011 代替 HG/T 2017-2000 普通运动鞋
- HG/T2956.5-2001 硼镁矿石中氧化亚铁含量的测定重铬酸钾 容量法
- HG/T2257-2011 代替 HG/T 2257-1991 照相化学品 成色剂挥发分的测定
- HG/T21529-2014 代替 HG/T 21529-2005 板式平焊法兰手孔
- HG/T4243-2011 医用干银胶片中银含量测定
- HG/T2371-2003 代替 HG/T 2371-1992 搪玻璃开式搅拌容器
- HG/T2225-2010 代替 HG/T 2225-2001 工业硫酸铝
- HG/T2044-2020 代替 HG/T 2044-2003 机械密封用喷涂氧化铬密封环技术条件
- HG/T2343-2012 硫化促进剂 ETU
- 行业新闻
请牢记:“bzxz.net”即是“标准下载”四个汉字汉语拼音首字母与国际顶级域名“.net”的组合。 ©2025 标准下载网 www.bzxz.net 本站邮件:bzxznet@163.com
网站备案号:湘ICP备2025141790号-2
网站备案号:湘ICP备2025141790号-2
