- 您的位置:
- 标准下载网 >>
- 标准分类 >>
- 化工行业标准(HG) >>
- HG/T 4585-2014 化工用塑料衬里列管式换热器
标准号:
HG/T 4585-2014
标准名称:
化工用塑料衬里列管式换热器
标准类别:
化工行业标准(HG)
标准状态:
现行出版语种:
简体中文下载格式:
.rar .pdf下载大小:
部分标准内容:
ICS 71. 120 ; 83. 140
备案号:45292—2014
中华人民共和国化工行业标准
HG/T4585—2014
化工用塑料衬里列管式换热器
Plastic lining tubular heat exchanger for chenical industry2014-05-12发布
2014-10-01实施
打华人民北和国工业和信息化部发布
本标准按照G3/T1.12009给出的规则起单,本标淮山中国有油和化学工业联合会提出本标准用全国非金属化工设备标准化技术委员会(SAC/TC162)汀门,IIG/T:4585—2014
本标准起草单位:温州市东方防厨设备有限公司、天华化工机械及白动化研究设计院有限公司。本标准主要起草人:董秀峰、张俊科、林慧,T
1范围
化工用料衬单列管式换热器
HG/T 4585—2014
本标准规定广化工用塑料衬甲列管式换热器的分类和命名、要求、检验和试验方汰、试验则、拟志、包装、运输、些存
本标雅诱川丁来川川氟乙烯和乙烯共聚物(FTFE)全氟乙.内烯(FEP)聚乙烯(PE)、可烯性聚四氮Z烯(FIA)、聚烯烃其聚物(P)、聚内烯(PP)、聚四氟乙烯(PTFF)、聚氯乙烯(PVC)、紧偏氟7.烯(PVUF)三氟氯乙烯等不同塑料衬的刻管式换热器(以下简称换热器),设计正力:光程0.3MPa.管0.4MPa筒体公称径为DN300mm--1000mm2规范性引用文件
下列文件对于本文件的应用是必不可少的,凡是浒目期的引用文件,仅Ⅱ期的版本适用于在文件。凡是不注旧期的引用这件,其设新版本(包括所有的修政单)适用于本文件:5(所有部分)东力容器
GB/T1033.1塑料非泡沐塑料密度的测定第1部分:没激法、液体比重滤法和滴法G3/T1040.5塑料拉伸性能的测定第:;部分:单向纤维增强复介材料的试验条作(G13/T8923涂装前钢材表面锈例等级和除锈等级GB/T 9019
13/) 9113
非力容器公称直径
整体钢制管法差
GB/T 1330G
GE/T [4436
1IG/T 4088
IIG/T 4089
HG/T 4090
HG/F 4091
IG/ 4092
HG/T 4093
H(/ 4112
HG/1 20581
业产品保证文件总划
塑料衬型设备通用技术条件
塑料衬单设备
卿料衬性设备
水正试验方法
电火花试验方法
塑料利电设备
耐温试验方法
热胀冷缩试验方法
塑料衬业设备
潍料衬里设备
衬里耐负乐试验方法
潮料衬里储槽和罐式容器技术条件钢制化工容器材料选用规定
HG/T20592~HG/T 20635钢制管法兰,热片、紧闹件衬理钢究设计技术规定
HG/T 20678
J13/『4701甲型平炜法兰
1B/T 4702
乙型平焊法兰
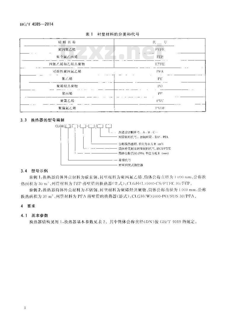
3产品分类与命名
3.1分类
列管武换热器分类:卧式(W),立式(I.)3.2村里材料的分类和代号
换热器的村肛材料的分类和代号见表1:HG/T 4585—2014
材料名称
聚则疯乙烯
聚全氟(.两塔
四卿7烯和乙烯儿聚物
可熔性聚四氣乙希
聚烯烃具聚物
聚内稀
鼠艺烯
聚琅氯之烯
换热器的型号编制
3.4型号示例
表1衬里材料的分类和代号
改避设计顺序号:A、B.C.
列管料代号:如钠料管:EFP.A
公称换然而积。单位为十方米(m商偿外壳材皮时单材料代,如CS/PTFE简述公称立径(W单位为意来(m)类塑代学
衬单列管式换热器
示例1:换热器裔体外无材料对碳素钢、剖业材料为聚四氟乙烯、简体公称直径为)m公称换热积为30划材料为FEP德联管的换热器(文武:HI000-CS/P30/FEP示例2:换热器体外壳材料为不锈钢、剂用材料为聚烯烃其聚物、简体公称径为【000mm1.公称换热间积为30m列管材料为PFA激整管的换热器(卧式):C1.GHW)I000-PO/SUS30/PFA4要求
4.1基本参数
换热器结构见图1.换热器基本参数见表2,H中简体公称有径(DN)接(G13/T9019的规定,说明
上剂头
简体:
-换热器列管
一下射头
“左封头
管板:
列管霆板;
换热器列管;
有封头:
图1换热器结构简图
HG/T 4585—2014
HG/T4585—2014
公称古径
换热器基本参数
【600
换热信积
4.2材料要求
衬用材料物理栏能应符合表3的规定,表3衬望材料的物理性能
密度/拉伸强度/MP:
仲长率/%
40---50
20--25
.3·--
10 --:50
100-600
25. 4 -- 30. 41
注:1述指标是该原材料接制成试样时的指标值。换热器衬里材料适用环境温度利介质见表,4.2.2
25 -- 35
1n ---6to
表4换热器衬里材料的适用环境温度和介质封世材料
环境温度
80 ---180 °
80 --150
- sn : -- 120
3n loc C
- 30 r .n
适川介
27 -- 35
HG/T 4585.--2014
38--80
-10--80
除烯融金虑钠和钾,二愈化氧和气态急外的在何浓度的流酸,盐酸、氧氟般、来、诚、王水、有机济剂和还原剂等强腐蚀性介质盐酸、氢氟酸、短础酸、碘、甲炕、甲醇、5头硝酸、30%次氯酸钠、6%硫酸、引%酷嵌、氯巾烷、≤0%氢瓦化钳溶液等鹰蚀性介质冷热水、牛奶.泉水、N.7二酸,个蜡油、茶脂,不磷酸关敲酸、40火可铬酸御游液、60沃氢战化御游液,内停、(烯醇、匙滤、3:苯甲酸钠溶液,氯化纳济液、30 .9
氮化钠溶液、氨氧化钠溶液、让氧化钢滞液、动物所、防冻液、芳香蕨酸、(()(0)15 C. -- R: CWww.bzxZ.net
15 ℃ ~60 ℃
继筑冷、热水系统-饮用水系统。以1值在114范业内的岛浓度酸和碱水
注:在下列特殊条件下,根据顾客要求,成出供双方评审后订立特殊台同.进行设计制造、交验:a)不符合表1、表2所列参效的产品;负正或高压的产品;
其他(如法兰材料泌兰标准技产品的特殊试验力法等)。4.2.3换热器钢制外充应符合11G/T20581、HG/T20678的规定要求。4.2.4换热器列督采钢衬管.FEP或PFA谭聘管(8=1.2mm或1.8nm)4.3性能要求
换热器设计压力:光程0.3MPa,管程0.4MPa4.4连接法兰
连接法兰的型式租尺寸应优先来用G13/T911H、HG/T20592~HG/T20635、JB/T470L、JB/T4702,但也可采川其他合适的法兰标雅;决兰的尺寸公※应符金规定。连接法兰上川丁聚四氟乙烯层翻边处的飞边毛刺成打增平整,转角处应加工成平径不小下3m㎡的侧角并去除级化层、汕汀4. 5 衬单内表面预处理
衬理施工前,换热器钢光所有封甲内表面必须进行去锈处理.除锈等级成达到(/8923中Sa2的规延。
HG/T 4585—2014
4.6涂装
换热器筒体外光成对外表询逃行防锈处理,并涂加铁红快干防锈汕漆及萨酸而漆,不允许有漏涂、流排、彼皮、趣泡等缺
4.7工艺
4.7.1换热器衬时用化1设备内衬疯材料复合结构的制造方法案四氟艺烯(P1FE)衬里金属构件复合的城型技术工艺_或衬(ETFE、FE、PO、FI)T.艺喷涂门.艺(ECTFE)方法战型:4.7.2换热器列管与管板的连接方式:胀接式,热熔焊式、胀接和热熔焊并旧式。4.8外观要求
换热器衬用厚度成符合HG/T4112表2的魔定,而1表面虚光滑流畅,色泽均匀,无翘闻和泛门现象,无划痕裂纹及兜化不良等缺陷。允许有少乐制时产生的间及印藏。叫降的深度利凸起的高度均应小于05,其叫陷和印痕的询积不得大格个表菌积的5关4.9出厂文件
制造」应尚用直提供符合G1【436G1150中有关部分规定的出厂检验报告单,产品合格证制外光泌单、剂准材料P列管的质量调明书或检验报背及产品竣工图。5检验和试验方法
5.1外观
外观检验用感汰或配以其他必要的于段尚采用感官法检验外规时,应在人然做射光或无反射的自色透射光下进行·光照度成不低于00x,5.2材料检验
材料质鼠检验根据本标雅和产品设计图样,核相对成的材料质录证明,必要时委托第三方鉴是。
5.3连接法兰的尺寸及公差检验
连接法兰的尺寸及公差检验用示值粘度为2的游标下尺或卷尺·转角平径检验州厕弧现。5. 4塑料材料的密度
塑料材料的密度应按照GB/T1033.」进行拉伸强度和伸长率成按照G1B/T1040.5进行注:测试塑料密度,拉仰燃变和伸长率的试样不必从设备衬里的本体上得到,可直接使用相尚的原材料制成。5.5衬里璧厚尺寸
社唱厚寸川磁测仪渤
5.6性能捡验
5. 6. 1 水压试验
光稳水压试验(F压试验)应按照HG/T4089进行,管程水压试验压力为1倍~1.15倍设计压力。
5.6.2电火花试验
电火批试验点接照HG/I4090进行5.6.3耐温试验
5.6.3.1耐温试验分高温试验和低混试验。5.6.3.2温试验应按照11G/T4091进行。5.6.3.3低温试验成按照HG/T4091进行。5.6.4热胀冷缩试验
热服冷缩试验应接照HG/T4092进行。5.6.5衬里耐负压试验
衬准耐负压试验底按照IIG/T4093进行。6
6检验规则
6.1检验分类
检验分比厂检验和型或检验:
6.1.1出厂检验
IIG/T4585—2014
衬业搭旧厂交付商必须逐只行出厂检验,检验山制造厂质检部门负责、检验合格行,质检部门成提交出厂龄验报售单和产品合格证后方可出厂。出厂检验项目按照HG/T4088的规定6.1.2型式检验
有下列情况之时,成进行型式检验:新产品或老产品转厂生产的试制定型鉴建;正式生产后,结构、材料工2行较大改变,可能影响产品性能时;俘产「年后恢复生产附:
出」检验绍果和1次型式检验有较大差异时:用户大批量订货要求时:
国家质量监督机构提出进行型式检验的要求时:合间规定时
型式检验顶!按照G1-1088的规定注:型式检验项H延否个部减部分采用山制准降根势自的针料、产品和工艺情况而定.成制造陷与门户、或制准商与检验方共同定。
6.2判定规则
6.2.1出厂检验的判定
换热器出产检验项符合标准规定的要求,判为合格品。如其中有一不符合,则判为不合格品,不合格品充允许修补次逊行复验,复验后仍不合格-则判为不介格品。6.2.2型式检验的判定
换热器型式检验项符合标准规定的要求.划为格品。如具其电行-须不符合.则判为不合格品,不合格品允许修补两次进行复验,复验仍不合格,则划为不合格品,7标志、包装、运输和贮存
7.1标志
经检验合格的换热器,应有按(B/T13306舰定的下列内容的铭牌:生产厂名或橘标;
换热器产品名称、产品型号、产品执行标准:作压力、设计原力、工作温度、光体材料、衬理材料、虚轻、容积利正量等参数;生产[期或产品编+
根据使抖单位或若业主的要求,还可以标注顺序号项目男等内容。7.2包装
7.2.1法兰翻边前川合适方法保扩,妞川橡胶板、人造板密时等。7.2.2包装内应在装在防水、防游膜料袋内的下列文件:装箱单:
出厂检验报告单:
合格证,
HG/T4585—2014
3运输
在运输过翌中,成将产品迈当通定.不成受谢烈冲和重物堆装御附严禁地挪,4赔存
产品成要善保管,平存在目净准的牵内法美翻边的保护料在未安装时不得取下破损或脱落。8
中华人民共和国
化工行业标雅
化工用塑料村里列管式换热器
HG/T 4587--2014
出版发行:化学工业出版社
(北京市东城区青年湖南街33号邮政编码10801:)北京科印投术咨询服务公海淀数码印励分部8
1/16印张
880mmxt230mm
乎数 17.6 下学
2014个9川北京第1版第1次印
[5-号 :155025 - 1764
购1咨询:01064518888
售质服务:010 64518839
网:.http://cip.cun.tn
凡购久本书,如有缺拟质量题,本社销售中心负货调换定价:12.00元
版权所右
违者必究
小提示:此标准内容仅展示完整标准里的部分截取内容,若需要完整标准请到上方自行免费下载完整标准文档。
备案号:45292—2014
中华人民共和国化工行业标准
HG/T4585—2014
化工用塑料衬里列管式换热器
Plastic lining tubular heat exchanger for chenical industry2014-05-12发布
2014-10-01实施
打华人民北和国工业和信息化部发布
本标准按照G3/T1.12009给出的规则起单,本标淮山中国有油和化学工业联合会提出本标准用全国非金属化工设备标准化技术委员会(SAC/TC162)汀门,IIG/T:4585—2014
本标准起草单位:温州市东方防厨设备有限公司、天华化工机械及白动化研究设计院有限公司。本标准主要起草人:董秀峰、张俊科、林慧,T
1范围
化工用料衬单列管式换热器
HG/T 4585—2014
本标准规定广化工用塑料衬甲列管式换热器的分类和命名、要求、检验和试验方汰、试验则、拟志、包装、运输、些存
本标雅诱川丁来川川氟乙烯和乙烯共聚物(FTFE)全氟乙.内烯(FEP)聚乙烯(PE)、可烯性聚四氮Z烯(FIA)、聚烯烃其聚物(P)、聚内烯(PP)、聚四氟乙烯(PTFF)、聚氯乙烯(PVC)、紧偏氟7.烯(PVUF)三氟氯乙烯等不同塑料衬的刻管式换热器(以下简称换热器),设计正力:光程0.3MPa.管0.4MPa筒体公称径为DN300mm--1000mm2规范性引用文件
下列文件对于本文件的应用是必不可少的,凡是浒目期的引用文件,仅Ⅱ期的版本适用于在文件。凡是不注旧期的引用这件,其设新版本(包括所有的修政单)适用于本文件:5(所有部分)东力容器
GB/T1033.1塑料非泡沐塑料密度的测定第1部分:没激法、液体比重滤法和滴法G3/T1040.5塑料拉伸性能的测定第:;部分:单向纤维增强复介材料的试验条作(G13/T8923涂装前钢材表面锈例等级和除锈等级GB/T 9019
13/) 9113
非力容器公称直径
整体钢制管法差
GB/T 1330G
GE/T [4436
1IG/T 4088
IIG/T 4089
HG/T 4090
HG/F 4091
IG/ 4092
HG/T 4093
H(/ 4112
HG/1 20581
业产品保证文件总划
塑料衬型设备通用技术条件
塑料衬单设备
卿料衬性设备
水正试验方法
电火花试验方法
塑料利电设备
耐温试验方法
热胀冷缩试验方法
塑料衬业设备
潍料衬里设备
衬里耐负乐试验方法
潮料衬里储槽和罐式容器技术条件钢制化工容器材料选用规定
HG/T20592~HG/T 20635钢制管法兰,热片、紧闹件衬理钢究设计技术规定
HG/T 20678
J13/『4701甲型平炜法兰
1B/T 4702
乙型平焊法兰
3产品分类与命名
3.1分类
列管武换热器分类:卧式(W),立式(I.)3.2村里材料的分类和代号
换热器的村肛材料的分类和代号见表1:HG/T 4585—2014
材料名称
聚则疯乙烯
聚全氟(.两塔
四卿7烯和乙烯儿聚物
可熔性聚四氣乙希
聚烯烃具聚物
聚内稀
鼠艺烯
聚琅氯之烯
换热器的型号编制
3.4型号示例
表1衬里材料的分类和代号
改避设计顺序号:A、B.C.
列管料代号:如钠料管:EFP.A
公称换然而积。单位为十方米(m商偿外壳材皮时单材料代,如CS/PTFE简述公称立径(W单位为意来(m)类塑代学
衬单列管式换热器
示例1:换热器裔体外无材料对碳素钢、剖业材料为聚四氟乙烯、简体公称直径为)m公称换热积为30划材料为FEP德联管的换热器(文武:HI000-CS/P30/FEP示例2:换热器体外壳材料为不锈钢、剂用材料为聚烯烃其聚物、简体公称径为【000mm1.公称换热间积为30m列管材料为PFA激整管的换热器(卧式):C1.GHW)I000-PO/SUS30/PFA4要求
4.1基本参数
换热器结构见图1.换热器基本参数见表2,H中简体公称有径(DN)接(G13/T9019的规定,说明
上剂头
简体:
-换热器列管
一下射头
“左封头
管板:
列管霆板;
换热器列管;
有封头:
图1换热器结构简图
HG/T 4585—2014
HG/T4585—2014
公称古径
换热器基本参数
【600
换热信积
4.2材料要求
衬用材料物理栏能应符合表3的规定,表3衬望材料的物理性能
密度/拉伸强度/MP:
仲长率/%
40---50
20--25
.3·--
10 --:50
100-600
25. 4 -- 30. 41
注:1述指标是该原材料接制成试样时的指标值。换热器衬里材料适用环境温度利介质见表,4.2.2
25 -- 35
1n ---6to
表4换热器衬里材料的适用环境温度和介质封世材料
环境温度
80 ---180 °
80 --150
- sn : -- 120
3n loc C
- 30 r .n
适川介
27 -- 35
HG/T 4585.--2014
38--80
-10--80
除烯融金虑钠和钾,二愈化氧和气态急外的在何浓度的流酸,盐酸、氧氟般、来、诚、王水、有机济剂和还原剂等强腐蚀性介质盐酸、氢氟酸、短础酸、碘、甲炕、甲醇、5头硝酸、30%次氯酸钠、6%硫酸、引%酷嵌、氯巾烷、≤0%氢瓦化钳溶液等鹰蚀性介质冷热水、牛奶.泉水、N.7二酸,个蜡油、茶脂,不磷酸关敲酸、40火可铬酸御游液、60沃氢战化御游液,内停、(烯醇、匙滤、3:苯甲酸钠溶液,氯化纳济液、30 .9
氮化钠溶液、氨氧化钠溶液、让氧化钢滞液、动物所、防冻液、芳香蕨酸、(()(0)15 C. -- R: CWww.bzxZ.net
15 ℃ ~60 ℃
继筑冷、热水系统-饮用水系统。以1值在114范业内的岛浓度酸和碱水
注:在下列特殊条件下,根据顾客要求,成出供双方评审后订立特殊台同.进行设计制造、交验:a)不符合表1、表2所列参效的产品;负正或高压的产品;
其他(如法兰材料泌兰标准技产品的特殊试验力法等)。4.2.3换热器钢制外充应符合11G/T20581、HG/T20678的规定要求。4.2.4换热器列督采钢衬管.FEP或PFA谭聘管(8=1.2mm或1.8nm)4.3性能要求
换热器设计压力:光程0.3MPa,管程0.4MPa4.4连接法兰
连接法兰的型式租尺寸应优先来用G13/T911H、HG/T20592~HG/T20635、JB/T470L、JB/T4702,但也可采川其他合适的法兰标雅;决兰的尺寸公※应符金规定。连接法兰上川丁聚四氟乙烯层翻边处的飞边毛刺成打增平整,转角处应加工成平径不小下3m㎡的侧角并去除级化层、汕汀4. 5 衬单内表面预处理
衬理施工前,换热器钢光所有封甲内表面必须进行去锈处理.除锈等级成达到(/8923中Sa2的规延。
HG/T 4585—2014
4.6涂装
换热器筒体外光成对外表询逃行防锈处理,并涂加铁红快干防锈汕漆及萨酸而漆,不允许有漏涂、流排、彼皮、趣泡等缺
4.7工艺
4.7.1换热器衬时用化1设备内衬疯材料复合结构的制造方法案四氟艺烯(P1FE)衬里金属构件复合的城型技术工艺_或衬(ETFE、FE、PO、FI)T.艺喷涂门.艺(ECTFE)方法战型:4.7.2换热器列管与管板的连接方式:胀接式,热熔焊式、胀接和热熔焊并旧式。4.8外观要求
换热器衬用厚度成符合HG/T4112表2的魔定,而1表面虚光滑流畅,色泽均匀,无翘闻和泛门现象,无划痕裂纹及兜化不良等缺陷。允许有少乐制时产生的间及印藏。叫降的深度利凸起的高度均应小于05,其叫陷和印痕的询积不得大格个表菌积的5关4.9出厂文件
制造」应尚用直提供符合G1【436G1150中有关部分规定的出厂检验报告单,产品合格证制外光泌单、剂准材料P列管的质量调明书或检验报背及产品竣工图。5检验和试验方法
5.1外观
外观检验用感汰或配以其他必要的于段尚采用感官法检验外规时,应在人然做射光或无反射的自色透射光下进行·光照度成不低于00x,5.2材料检验
材料质鼠检验根据本标雅和产品设计图样,核相对成的材料质录证明,必要时委托第三方鉴是。
5.3连接法兰的尺寸及公差检验
连接法兰的尺寸及公差检验用示值粘度为2的游标下尺或卷尺·转角平径检验州厕弧现。5. 4塑料材料的密度
塑料材料的密度应按照GB/T1033.」进行拉伸强度和伸长率成按照G1B/T1040.5进行注:测试塑料密度,拉仰燃变和伸长率的试样不必从设备衬里的本体上得到,可直接使用相尚的原材料制成。5.5衬里璧厚尺寸
社唱厚寸川磁测仪渤
5.6性能捡验
5. 6. 1 水压试验
光稳水压试验(F压试验)应按照HG/T4089进行,管程水压试验压力为1倍~1.15倍设计压力。
5.6.2电火花试验
电火批试验点接照HG/I4090进行5.6.3耐温试验
5.6.3.1耐温试验分高温试验和低混试验。5.6.3.2温试验应按照11G/T4091进行。5.6.3.3低温试验成按照HG/T4091进行。5.6.4热胀冷缩试验
热服冷缩试验应接照HG/T4092进行。5.6.5衬里耐负压试验
衬准耐负压试验底按照IIG/T4093进行。6
6检验规则
6.1检验分类
检验分比厂检验和型或检验:
6.1.1出厂检验
IIG/T4585—2014
衬业搭旧厂交付商必须逐只行出厂检验,检验山制造厂质检部门负责、检验合格行,质检部门成提交出厂龄验报售单和产品合格证后方可出厂。出厂检验项目按照HG/T4088的规定6.1.2型式检验
有下列情况之时,成进行型式检验:新产品或老产品转厂生产的试制定型鉴建;正式生产后,结构、材料工2行较大改变,可能影响产品性能时;俘产「年后恢复生产附:
出」检验绍果和1次型式检验有较大差异时:用户大批量订货要求时:
国家质量监督机构提出进行型式检验的要求时:合间规定时
型式检验顶!按照G1-1088的规定注:型式检验项H延否个部减部分采用山制准降根势自的针料、产品和工艺情况而定.成制造陷与门户、或制准商与检验方共同定。
6.2判定规则
6.2.1出厂检验的判定
换热器出产检验项符合标准规定的要求,判为合格品。如其中有一不符合,则判为不合格品,不合格品充允许修补次逊行复验,复验后仍不合格-则判为不介格品。6.2.2型式检验的判定
换热器型式检验项符合标准规定的要求.划为格品。如具其电行-须不符合.则判为不合格品,不合格品允许修补两次进行复验,复验仍不合格,则划为不合格品,7标志、包装、运输和贮存
7.1标志
经检验合格的换热器,应有按(B/T13306舰定的下列内容的铭牌:生产厂名或橘标;
换热器产品名称、产品型号、产品执行标准:作压力、设计原力、工作温度、光体材料、衬理材料、虚轻、容积利正量等参数;生产[期或产品编+
根据使抖单位或若业主的要求,还可以标注顺序号项目男等内容。7.2包装
7.2.1法兰翻边前川合适方法保扩,妞川橡胶板、人造板密时等。7.2.2包装内应在装在防水、防游膜料袋内的下列文件:装箱单:
出厂检验报告单:
合格证,
HG/T4585—2014
3运输
在运输过翌中,成将产品迈当通定.不成受谢烈冲和重物堆装御附严禁地挪,4赔存
产品成要善保管,平存在目净准的牵内法美翻边的保护料在未安装时不得取下破损或脱落。8
中华人民共和国
化工行业标雅
化工用塑料村里列管式换热器
HG/T 4587--2014
出版发行:化学工业出版社
(北京市东城区青年湖南街33号邮政编码10801:)北京科印投术咨询服务公海淀数码印励分部8
1/16印张
880mmxt230mm
乎数 17.6 下学
2014个9川北京第1版第1次印
[5-号 :155025 - 1764
购1咨询:01064518888
售质服务:010 64518839
网:.http://cip.cun.tn
凡购久本书,如有缺拟质量题,本社销售中心负货调换定价:12.00元
版权所右
违者必究
小提示:此标准内容仅展示完整标准里的部分截取内容,若需要完整标准请到上方自行免费下载完整标准文档。
标准图片预览:





- 热门标准
- 行业标准
- HG/T20518-2008 化工粉体工程设计通用规范
- HG/T3985-2007 聚四氟乙烯波纹管膨胀节
- HG∕T5056-2016 GB 7544在天然橡胶胶乳避孕套质量管理中的使用指南
- HG/T3219-2009 代替 HG/T 3219-1999 搪玻璃平面阀
- HG/T3459-2003 化学试剂 顺丁烯二酸酐
- HG/T2017-2011 代替 HG/T 2017-2000 普通运动鞋
- HG/T2257-2011 代替 HG/T 2257-1991 照相化学品 成色剂挥发分的测定
- HG/T21529-2014 代替 HG/T 21529-2005 板式平焊法兰手孔
- HG/T2956.5-2001 硼镁矿石中氧化亚铁含量的测定重铬酸钾 容量法
- HG/T2371-2003 代替 HG/T 2371-1992 搪玻璃开式搅拌容器
- HG/T2225-2010 代替 HG/T 2225-2001 工业硫酸铝
- HG/T2044-2020 代替 HG/T 2044-2003 机械密封用喷涂氧化铬密封环技术条件
- HG/T2343-2012 硫化促进剂 ETU
- HG/T3531-2011 代替 HG/T 3531-2003 工业循环冷却水污垢和腐蚀产物中水分含量的测定
- HG/T3415-2010 代替 HG/T 3415-2001 红色基 B(2-甲氧基-4-硝基苯胺)
- 行业新闻
请牢记:“bzxz.net”即是“标准下载”四个汉字汉语拼音首字母与国际顶级域名“.net”的组合。 ©2025 标准下载网 www.bzxz.net 本站邮件:bzxznet@163.com
网站备案号:湘ICP备2025141790号-2
网站备案号:湘ICP备2025141790号-2