- 您的位置:
- 标准下载网 >>
- 标准分类 >>
- 建筑材料行业标准(JC) >>
- JC/T 871-1997 维纶纤维增强水泥平板
标准号:
JC/T 871-1997
标准名称:
维纶纤维增强水泥平板
标准类别:
建筑材料行业标准(JC)
标准状态:
现行出版语种:
简体中文下载格式:
.rar .pdf下载大小:
169.72 KB
部分标准内容:
中华人民共和国建材行业标准
维纶纤维增强水泥平板
Vinylon fiber reinforced cement flat sheetJC/T 671-1997
国家建筑材料工业局1997-05-08批准并发布1997-11-01实施
标准搜零网
各义标准行
业资科免费下
本标准非等效采用ISO8336--93《纤维水泥平板》中的有关条款。本标准是在总结生产、使用维纶纤维增强水泥平板实践经验与企业标准的基础上,参照1SO8336--93《纤维水泥平板》制定的。本标准自1997年11月1日实施。
本标准由全国水泥制品标准化技术委员会归口。本标准委托中国建筑材料科学研究院房建材料与混凝土研究所负责解释。本标准中国建筑材料科学研究院房建材料与混凝土研究所,江苏爱富希新型建筑材料广等负责起草。
本标准主要起草人:崔琪崔玉忠沈荣熹盛祖念史志陈立
本标准为首次发布。
标注度瘦网Aw.b
各类标注行业资料免费下载
1范围
本标准规定了维纶纤维增强水泥平板的分类,技术要求,试验方法,检验规则及产品标志、包装、运输和贮存等。
本标准适用于以改性维纶纤维和(或)高弹模维纶纤维为主要增强材料,以水泥或水泥和轻骨料为基材并允许掺入少量辅助材料制成的不含石棉的纤维水泥平板。引用标准
下列标准包含的条文,通过在本标准中引用而构成为本标准的条文。在标准出版时,所示版本均为有效。所有标准都会被修订,使用本标准的各方应探讨使用下列标准最新版本的可能性。
GB175-92硅酸盐水泥、普通硅酸盐水泥GB5464—85建筑材料不燃性试验方法GB/T7019—1997纤维水泥制品试验方法JC412—91(1996)建筑用石棉水泥平板JCJ63—89混凝土拌和用水质量标准3分类、规格与标记
3.1分类
按密度分为:维纶纤维增强水泥板(A型板)与维纶纤维增强水泥轻板(B型板)。A型板主要用于非承重墙体、吊顶、通风道等,B型板主要用于非承重内隔墙、吊顶等。3.2规格
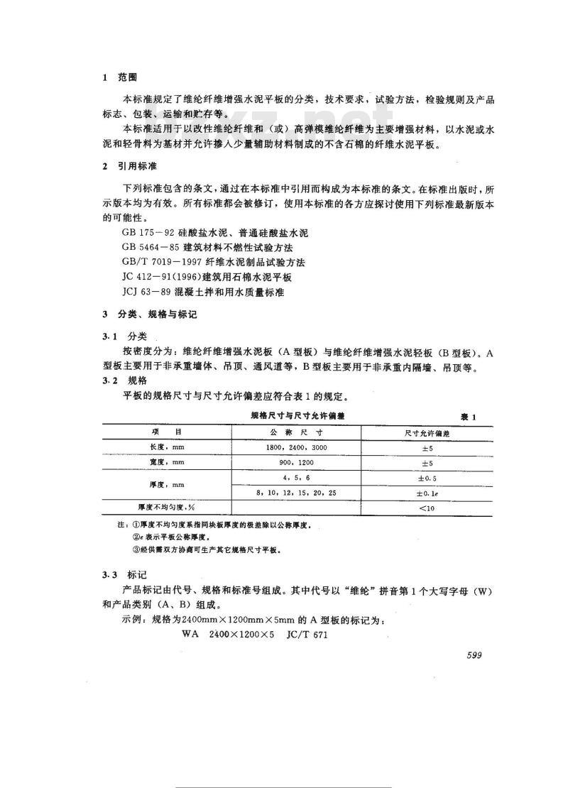
平板的规格尺寸与尺寸允许偏差应符合表1的规定。规格尺寸与尺寸允许偏整
长度,mm
宽度,mm
厚度,mm
厚度不均匀度,%
公称尺寸
1800,2400,3000
9001200
4,5,6
8,10,12,15,20,25
注:①厚度不均匀度系指同块板厚度的极差除以公称厚度。②表示平板公称厚度。
③经供需双方协商可生产其它规格尺寸平板。3.3标记
尺寸允许偏差
产品标记由代号、规格和标准号组成。其中代号以“维纶”拼音第1个大写字母(W)和产品类别(A、B)组成。
示例:规格为2400mm×1200mm×5mm的A型板的标记为:WA2400×1200X5JC/T 671
标准搜变网
各义标准行业科免费下载
4技术要求
4.1原材料
4.1.1水泥:应采用CB175规定中不低于425号水泥,不得使用掺有煤、炭粉作助磨剂及页岩、煤研石作混合材的普通硅酸盐水泥。4.1.2维纶纤维:改性维纶纤维的抗拉强度不小于800MPa,弹性模量不小于12GPa。高弹模维纶纤维的抗拉强度不小于1100MPa,弹性模量不小于250Pa。4.1.3辅助材料:掺人适量非石棉且具有一定吸附水泥粒子能力的纤维质材料。4.1.4轻骨料:在生产B型板时,掺入适量轻质骨料,如小颗粒的珍珠岩等。水:用水应符合JGJ63规定。
4.2外观质量
板的正表面应平整,边缘整齐,不得有裂纹、缺角等缺陷。经加工的板的边缘平直度,长或宽的偏差不应大于2mm/m。经加工的板的边缘垂直度的偏差不应大于3mm/m。4.2.3
厚度不大于20mm的表面平整度不应超过4mm,厚度在20mm以上到25mm的板4.2.4
不应超过3mm。
板的尺寸偏差应符合表1的规定。4.3
物理力学性能
板的物理力学性能指标应符合表2的规定。物理力学性能
密度,g/cm2
抗折强度,MPa≥
抗冲击强度,kJ/m2
吸水率,%≤
出厂含水率,%≤
不透水性
抗冻性
干缩率,%≤
不燃性
注:①试验龄期不小于7d。
A型板
1. 6~1. 9
经24h底面无水滴出现
经25次循环冻融不得有分层等破坏现象不燃
②测定B型板的抗折强度、抗冲击强度时采用气干的试件。5试验方法
5.1规格尺寸及外观质量检测按JC412规定进行。5.2物理力学性能检验:
B型板
抗折强度试验按GB/T7019规定进行,强度取值为纵、横向抗折强度的平均值。5.2.1
标准搜变网
m各义标准行业科免费下载
5.2.2抗冲击试验按GB/T7019规定进行,强度取值为纵、横向抗冲击强度的平均值。5.2.3密度、吸水率试验按GB/T7019规定进行5.2.4含水率试验:称取试件气干状态下(试件放于通风良好的室内7d以上的状态)的质量,然后按GB/T7019规定的方法测定于燥试件的质量,按式(1)计算试件含水率:A = mo = ㎡ × 100
式中 A试件含水率,%;
mo——气干状态试件的质量,g;m-
干燥试件的质量,g。
5.2.5抗冻性试验按GB/T7019规定进行。5.2.6不透水性试验按GB/T7019规定进行。5.2.7不燃性试验按GB5464规定进行。(1)
5.2.8干缩率试验:在距离板边缘200mm以内的中间部位,切取两块260mmX260mm的试样,在室内自然通风条件下,放置7d以上,用250~275mm的外径千分卡测量4个边长(精确至0.01mm),在烘箱里保持60士5℃烘干24h时后,在干燥器中冷却至室温,再测量一次4个边长,按式(2)求出干缩率,以百分比表示。_h=× 100
式中ε——干缩率,%;
l—自然条件下试样长度,mm;
l2—烘于条件下试样长度,mm;干缩率为二块试样数据的平均值。6检验规则
6.1检验项目
6.1.1出厂检验:规格尺寸、外观质量、抗折强度、抗冲击强度、吸水率、出厂含水率、密度。
6.1.2型式检验:技术要求4.2~4.4中的全部项目。6.2抽样与判定
6.2.1出厂检验www.bzxz.net
6.2.1.1批:从同一类型同一规格产品中,以1000张为一批,如不足一批时,则在200张以上亦按一批计算。
6.2.1.2判定规则
外观质量与尺寸偏差:在受检批中随机抽取十张检验,如不符合技术要求张数不大于一张,则判该批产品外观质量与尺寸偏差合格;若有二张不符合技术要求,则取加倍数量复验,当不合格数不大于一张时,则判该批产品合格。若仍有二张不符合技术要求时,则判该批产品不合格。
物理力学性能:从上述外观质量、尺寸偏差合格的产品中抽取一张做物理力学性能项目试验,若其中1项指标不符合技术要求,厕取双倍数量试样进行不合格项目的复验,若601
标准搜零网
还行免
仍不符合要求,则判该批产品为不合格。若检验的外观质量、尺寸偏差与物理力学性能均符合标准规定,则判该批出厂产品合格。
6.2.2型式检验
6.2.2.1当产品有下列情况之一时,应进行型式检验:a)产品结构、原材料、生产工艺有较大改变时;b)产品停产后恢复生产时或出厂检验结果与上次型式检验有较大差异时;c)正常生产时,每2年进行1次型式检验;d)国家质量监督机构提出型式检验要求时。6.2.2.2批量与抽样
外观质量与规格尺寸:从经出厂检验合格的批产品中抽取样品,抽样数量列于表3第2栏中。
6.2.2.3判定规则
外观质量与规格尺寸检验按5.1进行。判定按表3第3~6栏程序进行,即不合格品数未超过表3第3、5栏时,则该受检批量应判合格;若不合格数等于或大于表3第4、6栏时,则该批量应判为不合格;若第一次样品中的不合格数超过Ac1,但小于Re1”则应抽取并检验与第一次样品相同数量的第二次样品,当等于Ac2时予以验收,当大于或等于Re2时判为拒收。
抗折强度与抗冲击强度按变量检验程序(表3第7、8栏)进行判定。若样品的平均值(X)大于或等于可验收极限,即X≥AL,则该批量应判合格;若X型式检验抽样与判定
品质检验一二次抽样
151~280
281~500
501~1200
1201~3200
第一次样品
第一次十第二次样品
合格判定 不合格判定 合格判定不合格判定数Ac
数Re1
数Ac2
不适用
数Re2
不适用
变量检验一单一抽样
可接收
AL-L+K·R
式中AL一可接收极
限,L一标准低限,
可接收系数,R一样品
中最大值与最小值之
平板的密度、吸水率、抗冻性、不透水性、干缩率、不燃性应在同一批量中任意抽取二张试样,试验结果如有不合格时,再取加倍数量进行试验,复验后仍有一张不合格,则602
标准搜变网
各义标准行业科免费下载
判该批产品不合格。
若检验的外观质量、尺寸偏差与物理力学性能全部符合标准要求时,则判型式检验合格。
7标志、包装、运输与赔存
7.1标志与产品合格证
7.1.1标志:在每张板的正表面角上用不褪色的颜料标明生产厂名称,生产日期与产品标记。
7.1.2产品合格证:随货发寄给用户,并载明:a)生产厂名称、地址、商标;
b)生产批号与产品标记;
c)产品检验结果;
d)检验部门与检验人员签名、盖章。7.2包装:产品可采用木架或木箱包装,应采取防潮措施。7.3运输:人力搬运板材时应两人将板侧立搬运,整垛板应用叉车搬运。长途运输时,运输工具底面必须平整,应尽量堆放同样高度并使之固定好。在运输过程中要减少震动,防止撞击和雨淋。吊装时应用专用吊具,避免损坏。7.4贮存:板材应按不同板型规格分别堆放,堆放场地必须平坦,坚实并防止雨淋。A型板的堆放高度一般不得超过1.5m,B型板的堆放高度一般不得超过1.0m。603
标准搜慢网
各义标准行业科免费下案
小提示:此标准内容仅展示完整标准里的部分截取内容,若需要完整标准请到上方自行免费下载完整标准文档。
维纶纤维增强水泥平板
Vinylon fiber reinforced cement flat sheetJC/T 671-1997
国家建筑材料工业局1997-05-08批准并发布1997-11-01实施
标准搜零网
各义标准行
业资科免费下
本标准非等效采用ISO8336--93《纤维水泥平板》中的有关条款。本标准是在总结生产、使用维纶纤维增强水泥平板实践经验与企业标准的基础上,参照1SO8336--93《纤维水泥平板》制定的。本标准自1997年11月1日实施。
本标准由全国水泥制品标准化技术委员会归口。本标准委托中国建筑材料科学研究院房建材料与混凝土研究所负责解释。本标准中国建筑材料科学研究院房建材料与混凝土研究所,江苏爱富希新型建筑材料广等负责起草。
本标准主要起草人:崔琪崔玉忠沈荣熹盛祖念史志陈立
本标准为首次发布。
标注度瘦网Aw.b
各类标注行业资料免费下载
1范围
本标准规定了维纶纤维增强水泥平板的分类,技术要求,试验方法,检验规则及产品标志、包装、运输和贮存等。
本标准适用于以改性维纶纤维和(或)高弹模维纶纤维为主要增强材料,以水泥或水泥和轻骨料为基材并允许掺入少量辅助材料制成的不含石棉的纤维水泥平板。引用标准
下列标准包含的条文,通过在本标准中引用而构成为本标准的条文。在标准出版时,所示版本均为有效。所有标准都会被修订,使用本标准的各方应探讨使用下列标准最新版本的可能性。
GB175-92硅酸盐水泥、普通硅酸盐水泥GB5464—85建筑材料不燃性试验方法GB/T7019—1997纤维水泥制品试验方法JC412—91(1996)建筑用石棉水泥平板JCJ63—89混凝土拌和用水质量标准3分类、规格与标记
3.1分类
按密度分为:维纶纤维增强水泥板(A型板)与维纶纤维增强水泥轻板(B型板)。A型板主要用于非承重墙体、吊顶、通风道等,B型板主要用于非承重内隔墙、吊顶等。3.2规格
平板的规格尺寸与尺寸允许偏差应符合表1的规定。规格尺寸与尺寸允许偏整
长度,mm
宽度,mm
厚度,mm
厚度不均匀度,%
公称尺寸
1800,2400,3000
9001200
4,5,6
8,10,12,15,20,25
注:①厚度不均匀度系指同块板厚度的极差除以公称厚度。②表示平板公称厚度。
③经供需双方协商可生产其它规格尺寸平板。3.3标记
尺寸允许偏差
产品标记由代号、规格和标准号组成。其中代号以“维纶”拼音第1个大写字母(W)和产品类别(A、B)组成。
示例:规格为2400mm×1200mm×5mm的A型板的标记为:WA2400×1200X5JC/T 671
标准搜变网
各义标准行业科免费下载
4技术要求
4.1原材料
4.1.1水泥:应采用CB175规定中不低于425号水泥,不得使用掺有煤、炭粉作助磨剂及页岩、煤研石作混合材的普通硅酸盐水泥。4.1.2维纶纤维:改性维纶纤维的抗拉强度不小于800MPa,弹性模量不小于12GPa。高弹模维纶纤维的抗拉强度不小于1100MPa,弹性模量不小于250Pa。4.1.3辅助材料:掺人适量非石棉且具有一定吸附水泥粒子能力的纤维质材料。4.1.4轻骨料:在生产B型板时,掺入适量轻质骨料,如小颗粒的珍珠岩等。水:用水应符合JGJ63规定。
4.2外观质量
板的正表面应平整,边缘整齐,不得有裂纹、缺角等缺陷。经加工的板的边缘平直度,长或宽的偏差不应大于2mm/m。经加工的板的边缘垂直度的偏差不应大于3mm/m。4.2.3
厚度不大于20mm的表面平整度不应超过4mm,厚度在20mm以上到25mm的板4.2.4
不应超过3mm。
板的尺寸偏差应符合表1的规定。4.3
物理力学性能
板的物理力学性能指标应符合表2的规定。物理力学性能
密度,g/cm2
抗折强度,MPa≥
抗冲击强度,kJ/m2
吸水率,%≤
出厂含水率,%≤
不透水性
抗冻性
干缩率,%≤
不燃性
注:①试验龄期不小于7d。
A型板
1. 6~1. 9
经24h底面无水滴出现
经25次循环冻融不得有分层等破坏现象不燃
②测定B型板的抗折强度、抗冲击强度时采用气干的试件。5试验方法
5.1规格尺寸及外观质量检测按JC412规定进行。5.2物理力学性能检验:
B型板
抗折强度试验按GB/T7019规定进行,强度取值为纵、横向抗折强度的平均值。5.2.1
标准搜变网
m各义标准行业科免费下载
5.2.2抗冲击试验按GB/T7019规定进行,强度取值为纵、横向抗冲击强度的平均值。5.2.3密度、吸水率试验按GB/T7019规定进行5.2.4含水率试验:称取试件气干状态下(试件放于通风良好的室内7d以上的状态)的质量,然后按GB/T7019规定的方法测定于燥试件的质量,按式(1)计算试件含水率:A = mo = ㎡ × 100
式中 A试件含水率,%;
mo——气干状态试件的质量,g;m-
干燥试件的质量,g。
5.2.5抗冻性试验按GB/T7019规定进行。5.2.6不透水性试验按GB/T7019规定进行。5.2.7不燃性试验按GB5464规定进行。(1)
5.2.8干缩率试验:在距离板边缘200mm以内的中间部位,切取两块260mmX260mm的试样,在室内自然通风条件下,放置7d以上,用250~275mm的外径千分卡测量4个边长(精确至0.01mm),在烘箱里保持60士5℃烘干24h时后,在干燥器中冷却至室温,再测量一次4个边长,按式(2)求出干缩率,以百分比表示。_h=× 100
式中ε——干缩率,%;
l—自然条件下试样长度,mm;
l2—烘于条件下试样长度,mm;干缩率为二块试样数据的平均值。6检验规则
6.1检验项目
6.1.1出厂检验:规格尺寸、外观质量、抗折强度、抗冲击强度、吸水率、出厂含水率、密度。
6.1.2型式检验:技术要求4.2~4.4中的全部项目。6.2抽样与判定
6.2.1出厂检验www.bzxz.net
6.2.1.1批:从同一类型同一规格产品中,以1000张为一批,如不足一批时,则在200张以上亦按一批计算。
6.2.1.2判定规则
外观质量与尺寸偏差:在受检批中随机抽取十张检验,如不符合技术要求张数不大于一张,则判该批产品外观质量与尺寸偏差合格;若有二张不符合技术要求,则取加倍数量复验,当不合格数不大于一张时,则判该批产品合格。若仍有二张不符合技术要求时,则判该批产品不合格。
物理力学性能:从上述外观质量、尺寸偏差合格的产品中抽取一张做物理力学性能项目试验,若其中1项指标不符合技术要求,厕取双倍数量试样进行不合格项目的复验,若601
标准搜零网
还行免
仍不符合要求,则判该批产品为不合格。若检验的外观质量、尺寸偏差与物理力学性能均符合标准规定,则判该批出厂产品合格。
6.2.2型式检验
6.2.2.1当产品有下列情况之一时,应进行型式检验:a)产品结构、原材料、生产工艺有较大改变时;b)产品停产后恢复生产时或出厂检验结果与上次型式检验有较大差异时;c)正常生产时,每2年进行1次型式检验;d)国家质量监督机构提出型式检验要求时。6.2.2.2批量与抽样
外观质量与规格尺寸:从经出厂检验合格的批产品中抽取样品,抽样数量列于表3第2栏中。
6.2.2.3判定规则
外观质量与规格尺寸检验按5.1进行。判定按表3第3~6栏程序进行,即不合格品数未超过表3第3、5栏时,则该受检批量应判合格;若不合格数等于或大于表3第4、6栏时,则该批量应判为不合格;若第一次样品中的不合格数超过Ac1,但小于Re1”则应抽取并检验与第一次样品相同数量的第二次样品,当等于Ac2时予以验收,当大于或等于Re2时判为拒收。
抗折强度与抗冲击强度按变量检验程序(表3第7、8栏)进行判定。若样品的平均值(X)大于或等于可验收极限,即X≥AL,则该批量应判合格;若X
品质检验一二次抽样
151~280
281~500
501~1200
1201~3200
第一次样品
第一次十第二次样品
合格判定 不合格判定 合格判定不合格判定数Ac
数Re1
数Ac2
不适用
数Re2
不适用
变量检验一单一抽样
可接收
AL-L+K·R
式中AL一可接收极
限,L一标准低限,
可接收系数,R一样品
中最大值与最小值之
平板的密度、吸水率、抗冻性、不透水性、干缩率、不燃性应在同一批量中任意抽取二张试样,试验结果如有不合格时,再取加倍数量进行试验,复验后仍有一张不合格,则602
标准搜变网
各义标准行业科免费下载
判该批产品不合格。
若检验的外观质量、尺寸偏差与物理力学性能全部符合标准要求时,则判型式检验合格。
7标志、包装、运输与赔存
7.1标志与产品合格证
7.1.1标志:在每张板的正表面角上用不褪色的颜料标明生产厂名称,生产日期与产品标记。
7.1.2产品合格证:随货发寄给用户,并载明:a)生产厂名称、地址、商标;
b)生产批号与产品标记;
c)产品检验结果;
d)检验部门与检验人员签名、盖章。7.2包装:产品可采用木架或木箱包装,应采取防潮措施。7.3运输:人力搬运板材时应两人将板侧立搬运,整垛板应用叉车搬运。长途运输时,运输工具底面必须平整,应尽量堆放同样高度并使之固定好。在运输过程中要减少震动,防止撞击和雨淋。吊装时应用专用吊具,避免损坏。7.4贮存:板材应按不同板型规格分别堆放,堆放场地必须平坦,坚实并防止雨淋。A型板的堆放高度一般不得超过1.5m,B型板的堆放高度一般不得超过1.0m。603
标准搜慢网
各义标准行业科免费下案
小提示:此标准内容仅展示完整标准里的部分截取内容,若需要完整标准请到上方自行免费下载完整标准文档。
标准图片预览:





- 其它标准
- 热门标准
- 行业标准
- JC248-1981 水力旋流器铸石衬里
- JC/T1013-2006 盘转式压砖机
- JC253-1981 铸石制品检验、验收、标志、包装、运输规则
- JC/T872-2000 建筑装饰用微晶玻璃
- JC250-1981 水膜除尘器铸石衬里
- JC/T925-2003 玻璃窑用烧结AZS砖
- JC/T620-2009 石灰取样方法
- JC/T863-2011 高分子防水卷材胶粘剂
- JC/T806-1988(1996) 玻璃熔窑用耐火材料静态下抗玻璃液侵蚀试验方法
- JC/T2045-2011 墙材工业用液压顶车机
- JC/T834-2011 水泥工业用堆料机 技术条件
- JC/T835-2011 水泥工业用取料机 技术条件
- JC220-1979(1996) 天然金刚石
- JC/T2167-2013 玻璃釉料
- JC/T1026-2007 玻璃纤维增强热固性树脂承载型格栅
- 行业新闻
请牢记:“bzxz.net”即是“标准下载”四个汉字汉语拼音首字母与国际顶级域名“.net”的组合。 ©2025 标准下载网 www.bzxz.net 本站邮件:bzxznet@163.com
网站备案号:湘ICP备2025141790号-2
网站备案号:湘ICP备2025141790号-2