- 您的位置:
 - 标准下载网 >>
 - 标准分类 >>
 - 安全行业标准(AQ) >>
 - AQ 1054-2008 隔绝式压缩氧气自救器
 
标准号:
AQ 1054-2008
标准名称:
隔绝式压缩氧气自救器
标准类别:
安全行业标准(AQ)
标准状态:
现行- 
          	
发布日期:
2008-11-19 - 
		 
实施日期:
2009-01-01 出版语种:
简体中文下载格式:
.rar.pdf下载大小:
2.26 MB
点击下载
标准简介:
										 标准下载解压密码:www.bzxz.net
					 					 
						 
	        
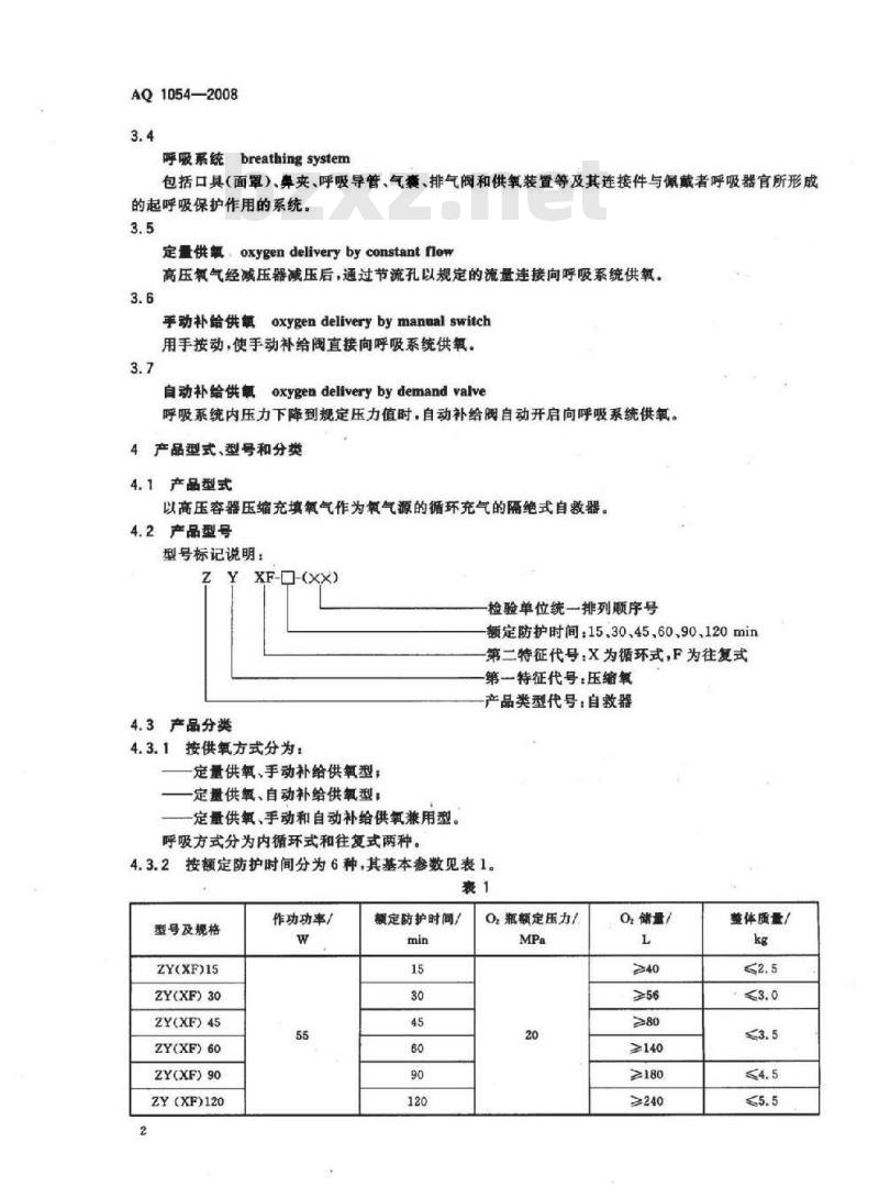
	      本标准规定了隔绝式压缩氧气自救器的产品型式、技术要求、试验方法、检验规则、标志、包装、运输和贮存。本标准适用于矿山井下、石油化工、隧道工程等涉及到作业人员危险场所个人逃生使用隔绝式压缩氧气自救器的设计、生产制造和检验。 AQ 1054-2008 隔绝式压缩氧气自救器 AQ1054-2008
标准图片预览:





- 其它标准
 
- 热门标准
 - 安全行业标准(AQ)
 
- AQ2013.5-2008 金属非金属地下矿山通风技术规范通风系统鉴定指标
 - AQ4238-2014 日用化学产品生产企业防尘防毒技术要求
 - AQ/T1065-2008 钻屑瓦斯解吸指标测定方法
 - AQ/T3032-2010 危险化学品经营单位安全生产管理人员安全生产培训大纲及考核标准
 - AQ3027-2008 化学品生产单位盲板抽堵作业安全规范
 - AQ1023-2006 煤矿井下低压供电系统及装备通用安全技术要求
 - AQ6204-2006 代替MT/T 721- 1997 瓦斯抽放用热导式高浓度甲烷传感器
 - AQ3024-2008 化学品生产单位断路作业安全规范
 - AQ3022-2008 化学品生产单位动火作业安全规范
 - AQ1037-2007 煤矿用无极绳绞车安全检验规范
 - AQ1066-2008 煤层瓦斯含量井下直接测定方法
 - AQ6205-200 代替MT 446-1995 煤矿用电化学式一氧化碳传感器
 - AQ1010-2005 选煤厂安全规程
 - AQ4229-2013 粮食立筒仓粉尘防爆安全规范
 - AQ8006-2010 安全生产检测检验机构能力的通用要求
 
- 行业新闻
 
请牢记:“bzxz.net”即是“标准下载”四个汉字汉语拼音首字母与国际顶级域名“.net”的组合。 ©2025 标准下载网 www.bzxz.net 本站邮件:bzxznet@163.com
网站备案号:湘ICP备2025141790号-2
网站备案号:湘ICP备2025141790号-2