- 您的位置:
- 标准下载网 >>
- 标准分类 >>
- 公共安全行业标准(GA) >>
- GA/T 416-2003 道路交通防撞墩
标准号:
GA/T 416-2003
标准名称:
道路交通防撞墩
标准类别:
公共安全行业标准(GA)
英文名称:
Road traffic crash barriers标准状态:
现行-
发布日期:
2003-02-28 -
实施日期:
2003-10-01 出版语种:
简体中文下载格式:
.rar.pdf下载大小:
217.61 KB
点击下载
标准简介:
标准下载解压密码:www.bzxz.net
本标准规定了道路交通防撞墩技术要求、试验方法、检验规则、标志、运输和贮存。本标准适用于道路交通防撞墩。 GA/T 416-2003 道路交通防撞墩 GA/T416-2003
部分标准内容:
本标准附求A为蜀料注附录.
木标准出公索部文通管理局提币,前
本标准由公安部道路交通理环难化技术委员公归口本标准起草单位:公安部交通管理科学研定所。本标型土要起草人础海峰、前在设、三军机GA/T416—2003
1范围
道路变通防撞墩
本标准规定了道路交避防撞墩按求费求、试验为法、检收现则、标惠、运输和广存,本标准适用于追交通随控
2规范性引用文件
GA/T 4162003
下列文件归的条款通过本标准的引用而报为本标注的条款。凡是注口期的号用文件,其随后所有的凝收单(不包括断误的内穿>成修订均不适州于本标准,市,获根据木标油设成协议的各方荷究是否可使用这收文件的缺新版末。凡品注期的小用文件,共最新版本适用于本标准,G/T528疏化擎胶或热型橡拉中应力应变性能的测定塑称拉伸性能试验方法
GR/2233.1电工电了产吊环境式验第2部分:试验方达试频A:证短试验B/T2.21.2儿.1了产品环境试验第2部分试验方法试验B.高温试验GB/T3681塑料人气量露试冷卡法G/T38
:标准唱明体必股明观测系件
GR3979物件色闪测量力法
塑料实验室光源泰据试龄方法第之部分讯孤灯G3:T1$:22.2
1T1279--1555公唑交通标志板技术条件3术谐和定义
一则术说和定义适用于本标准。3.1
值路空通防童墩(以下简称防墙增)madtrnfficsaFetyrautianfrusta放竺在公降及城市进路的转变、山人口、收费改其他需要所高或防撞的危险地段均路面上,起发全润离、警小、础防征植并脂在发生垂控时起慢冲作用,吸收产降低错摘冲击力的设施:3.2
冲击角度lwshugle
垂立」品独均前表面的当钩与车辆拟向行进方向线之的夹角3.3
发光强度需整KeneFricient af luminuus inlrrsil逆反射平雨在规赛方亢上的发光强度!与重上」光人射分向的逆反射平而上的照度上之比,R=E.
式中:
R—发范距查系数,单位为坎每勒克斯d-lx-):1家光端惠,单为达德起(cd):F自,单位为克斯()。
GA/T416—2003
逆反射系数rnefniclent of retmreneetion立面逆反射表面上的发光张境累数了表而面积之比,:
R逆应射系数.单价为热每半方米每助克新cd,x口)A——试样表面的而积,单位为平米n:4分类
防持微据外可分为组台式防控增这测注够断控撤,组合式防控增可圾云及方杉域身组减境身数试相谢实标情况任意配置。同机形防持白燃休及嫩并组成
5技术要求
5.1材料
效控用材料为塑料火橡胶、
5.2外观结构要求
5.2.1外观
防换嫩本任外在面和色为英么·在面不有效改显的划痕痕、拉价前!色不均或变形,反光噪表面不应出现教纹、开裂,边缘糊业,定形等缺陷陈换璨表面成是有红、自格相间的反光赚。防控墩监对中空式,顾那度有用于加炎水,劳沙必放学废F整脂等配教效的护,第体人适量的配载物坚真收费时,不虚有配获物泄需现象,5.2.2尺寸
组台战随擅域圾头为350 nm,前谢宽为 25:) mm,后端宽为900 num、商为903 ram=方形域身及为930:宽为450rm.高为0crum,防拉感整4虚.本小干6口。防控上所贴反光范宽度为5lumm,(见附录A图1)
柱形防流燃径为m商为m娱不6.做上所没光宽度55(lrm。(参见录A图A.2)
合硕抵塔及过拉形控塔表所贴.口格租司反光膜的尺寸与虚为i1尺缤券为+23ram:
5.3拉绅强度
防控嫩所用整料或梦收的拉仲幅变应不小十15MPa,5.4断翌体长率
随培做所而点料或案整的断裂神长承应不小%.5.5碰撞性能
5.5.1乘员安会性能
行驶落空摘:资上队抵城后,兰前来来风帝抗与解间对速反度小1三,所承受能情注度应小于:95m
5.5.2结构适应性能
车辆能被有效的传土变导向:既控教不能有穿人、码人车辆的情改发生?
CA/T416—2003
防搬教在承受避控后.不能产生飞溅泽片准灯姚按车辆、觅回的共他车辆、行人和困近的施工作业人员产生物害。
5.5.3车辆完整性能
在被划车两批单过程和减拉结点后,车辆应保持自立,乘座舱基本不变形。弹填后车辆铁速不能侵人到邻近车道。
5.6反光性能
防控境表门反光费的遭区惠系数值应不证」T/T279--1996规定的一派区光膜的要求6. 7色度性
防换嫩表面反水满的色品半标应在表1规定的范剂内。表1色品坐标
5. 8 耐高温性能
色品坐标
0, 325
亮国放
的世质在系受高溢试验后,不成有明显变负,不可该发性变形,开察及表山站膜数等现象。5.9耐低温性罐
防按逆在承学低温试险后,不有明显变危,不可恢多性变形,并聚及面赔膜剂裂等现象。5. 1D耐快性能
5.19.1自然暴露试验归,防换做不应有明最要色,不可该复补变衫、开教及表而贴膜剂婴等现象,递这与系激应不候」5,恶求越定供的5%。5.10.2灯暴露让验后,防撒率不应有男星变也,不川恢性变退、开表及表面贴科裂等域象;挖伸更试验数信应不低十5.3要求现光值的8%反比膜的道反射系数值成不低于5.6要求规定值的心次,
生:前您的试孜中送检方确以送择中一预进行5.11耐油性能
控教表面反光股应其右耐燃油和抗润滑油性能,试格后志也不得有明显被没蚀的缺翠:6试验方法
6.1试验环境要求
虹没有特别说明,本标准涉及的试验通常在以下环境中进行:;环境溢度:U~·40℃:
.-不悦到对规需:4~30次。
6.2树料检查
6.3外观结构检查
用色及精贯为U.5的晕具检李劳押单外观尺和熟色应符合5.2的要求,E.4拉仲强度试验
整料件核(13/下1310进行,像胶片接(1/T323进行:测定请果声待含5.3的要求6.5断长率试验
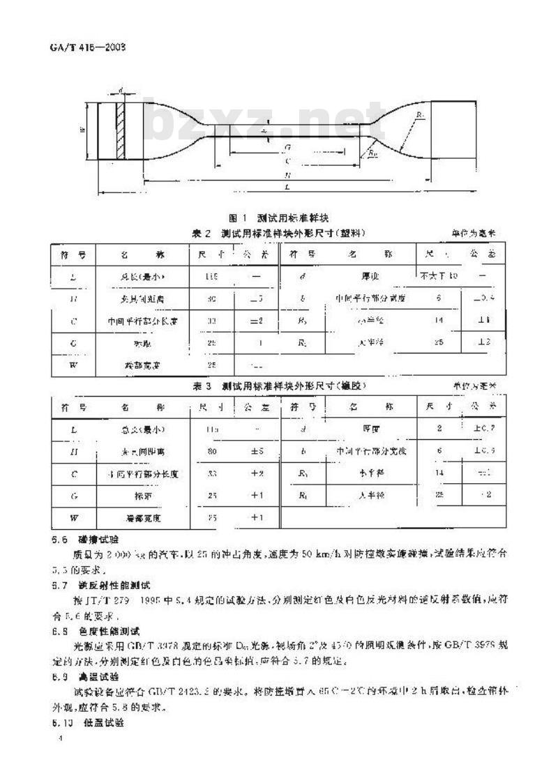
塑料件按I/T.910进行核腔件按GB/T523进行。两完结果底符合54的要求。计:漂式川标非计执外尺中验等合R:1G1G声1H:的事。其体就格尺小图1放表2.表33
GA/T 416—2003
点长(是小
H到范
恭部变
总次《最小)
阿科行部分长度
备免度
5.6础搏试验
到试用标准样块
测试用标准样块外形尺寸(盘料)表2
中间平行常分武座
大非择
测试用标准样块外形尺寸(赖胶:公在
中行部究
人半径
单位为毫*
不大下te
质且为20)的汽车.以25的冲凸角费,速度为50km/对防控嫩实旅确操试验结果应符合了,3的要求
号,7反射性能测试
按[T/T279/1995中5.4规实的试验力法,分别测定幻色股户色反光材料的逆收射数值,应符合求
6.5色度性能测试
光源迹采用(/T3478视定的标D光新.规频靠改43/0期欢通件度GB/357S规定的法分别测定红色及自色为色品坐杯值,应符合3.?的规定。E,9高温试验
试验设各符台GI/T2423.的要求。将防控增人<:一2:持环减中2h后取启检生第林外现,应符合5.多的爱求。
6.1J抵益试验
G4/T 416-2003
试验茂资应符合GB/T223,1的要求,将境联置人一纠三3范环境中2h后表出,检专整缺外观·应符合5.3的案求。
6.11耐性能试险
6.11.1势热益试验
按GB/T3681,拍防撤安装在至少帝于池面u.3m的账架工:试验地点应尽寸能近似实际使用环境或代表荣一气保类型最严酯的地力,当然双试收时间为2年,试敦后,的独教的外观及性罪应符合5.10.1的要求。
6.11.2瓦灯热筛试骗
试验胃应满是GB/T16123,2的要求,防担经受的描射强度为1m1M猫时强度偏差不大」-0%黑极短度为3士3Y.相财显度为65%土5,哦水周期为13mim/102mim(咬水时间/本喷水时可):每24h为1个试验循环,射20h.停照4h,试验持续时间为20个话外。试验后,龄摘做的外观及性能应符合=.10.2的要求!
6.12耐油性试验
6.12.1抗燃油性能
用脱收提经人70%质烷和305%中苯(优利比)的混合剂,十反光燃表面5min后,用棉布择去试剂,口测反光漠表而.应符合=1I的要求。6.12.2抗润滑油性能
用脱脂棉没人5AE0汽洲机润附洲轻轻地来回措擦反光获求而5mi5后,月棉布次油污,日测技膜表值,应补合5.11前要求.
了、检验规则
7.1检整分类
产品应进行单式(定)检愉和山厂检检.7.2型式(定型检验
必挂球的型式究型格验监用经过中回再收室国家认可系员含认可的产品见量监督测机片选行。
方下刻片况之的,准产」家府进行产品的单式(定塑)疏险,新产品鉴定:bzxz.net
一转厂产,
应轻停产一年以上,叉核复生产;给控,村料或工芯有耳大妆变可能影响产品性能时:产品非实际使用中出现较大质量问题州:一国家有关变求监盘部门握业要求时,型比(定型)检验样品数血的要求:一组合式做撞嫩应不少十内组(每生出儿激头和两只联才组成),计形防撞嫩应不少十只;拉伸强度,断裂伯长率试整所需料或像咬截断小样不得必契,按表1的规定进行,检验绍果必频全部符本标准的恶求,如有一项不合格,则判定该控嫩型式(定型)检验不分格。
7.3出厂检验
型控整台格后:注产品出厂前成逐一对防撞数进行出,一检验,收渠证出厂产品质且符合本标确的要究,
兴厂验验出生产厂家按表1现定的项月进行:5
GA/F 416—2003
按表的规定项户进行山厂检如来有一血证验不行合要求,则判定该防撞嫩出!检验人合格,应进行透,虽新检验。
表4检壁项目表
验现耳
析判查
外观能均收心
按中监证试格
断超仲文率试购
继痤试验
还后射件能试
户度性能划试
高岛品验
常招试您
自然品海试业
订量区将
南他吐试验
汁,农中““浓示进行北功试堡标志爱包装
8、1产标志内容
a)产品名栋,型号:
产品主要技未指标:
生产厂家名称,助正:
制造湖
比验字法来机
产品所执行城符合的理导及名称:e
8.2产品包装文件
产比使用维扩说明书:
1)产品段合怖证:
产站保格单
遇輪和贮存
产品可适用各种运推二其运确、产战在运撼和存时险防止披化学物品慢证,6
,!组合式龄独嫩结构图见围A.1。:中的为+
附录善
(资料性防录:
喆构图
此做买采用张或我等式,尺寸上,门行中义,本标准人做要这,图A.1组合式防摘地
GA/T 416—2003
GA/T416—2003
质准形防撞缴结构图死图A.?
性:图守的尺寸差均+50nm.
图 A. 2图柱形防控势
觉位为迹
争考文
[1] National Cooperalive, Highway Reecarch Program Rekirl 3toGA/T416—2003
小提示:此标准内容仅展示完整标准里的部分截取内容,若需要完整标准请到上方自行免费下载完整标准文档。
木标准出公索部文通管理局提币,前
本标准由公安部道路交通理环难化技术委员公归口本标准起草单位:公安部交通管理科学研定所。本标型土要起草人础海峰、前在设、三军机GA/T416—2003
1范围
道路变通防撞墩
本标准规定了道路交避防撞墩按求费求、试验为法、检收现则、标惠、运输和广存,本标准适用于追交通随控
2规范性引用文件
GA/T 4162003
下列文件归的条款通过本标准的引用而报为本标注的条款。凡是注口期的号用文件,其随后所有的凝收单(不包括断误的内穿>成修订均不适州于本标准,市,获根据木标油设成协议的各方荷究是否可使用这收文件的缺新版末。凡品注期的小用文件,共最新版本适用于本标准,G/T528疏化擎胶或热型橡拉中应力应变性能的测定塑称拉伸性能试验方法
GR/2233.1电工电了产吊环境式验第2部分:试验方达试频A:证短试验B/T2.21.2儿.1了产品环境试验第2部分试验方法试验B.高温试验GB/T3681塑料人气量露试冷卡法G/T38
:标准唱明体必股明观测系件
GR3979物件色闪测量力法
塑料实验室光源泰据试龄方法第之部分讯孤灯G3:T1$:22.2
1T1279--1555公唑交通标志板技术条件3术谐和定义
一则术说和定义适用于本标准。3.1
值路空通防童墩(以下简称防墙增)madtrnfficsaFetyrautianfrusta放竺在公降及城市进路的转变、山人口、收费改其他需要所高或防撞的危险地段均路面上,起发全润离、警小、础防征植并脂在发生垂控时起慢冲作用,吸收产降低错摘冲击力的设施:3.2
冲击角度lwshugle
垂立」品独均前表面的当钩与车辆拟向行进方向线之的夹角3.3
发光强度需整KeneFricient af luminuus inlrrsil逆反射平雨在规赛方亢上的发光强度!与重上」光人射分向的逆反射平而上的照度上之比,R=E.
式中:
R—发范距查系数,单位为坎每勒克斯d-lx-):1家光端惠,单为达德起(cd):F自,单位为克斯()。
GA/T416—2003
逆反射系数rnefniclent of retmreneetion立面逆反射表面上的发光张境累数了表而面积之比,:
R逆应射系数.单价为热每半方米每助克新cd,x口)A——试样表面的而积,单位为平米n:4分类
防持微据外可分为组台式防控增这测注够断控撤,组合式防控增可圾云及方杉域身组减境身数试相谢实标情况任意配置。同机形防持白燃休及嫩并组成
5技术要求
5.1材料
效控用材料为塑料火橡胶、
5.2外观结构要求
5.2.1外观
防换嫩本任外在面和色为英么·在面不有效改显的划痕痕、拉价前!色不均或变形,反光噪表面不应出现教纹、开裂,边缘糊业,定形等缺陷陈换璨表面成是有红、自格相间的反光赚。防控墩监对中空式,顾那度有用于加炎水,劳沙必放学废F整脂等配教效的护,第体人适量的配载物坚真收费时,不虚有配获物泄需现象,5.2.2尺寸
组台战随擅域圾头为350 nm,前谢宽为 25:) mm,后端宽为900 num、商为903 ram=方形域身及为930:宽为450rm.高为0crum,防拉感整4虚.本小干6口。防控上所贴反光范宽度为5lumm,(见附录A图1)
柱形防流燃径为m商为m娱不6.做上所没光宽度55(lrm。(参见录A图A.2)
合硕抵塔及过拉形控塔表所贴.口格租司反光膜的尺寸与虚为i1尺缤券为+23ram:
5.3拉绅强度
防控嫩所用整料或梦收的拉仲幅变应不小十15MPa,5.4断翌体长率
随培做所而点料或案整的断裂神长承应不小%.5.5碰撞性能
5.5.1乘员安会性能
行驶落空摘:资上队抵城后,兰前来来风帝抗与解间对速反度小1三,所承受能情注度应小于:95m
5.5.2结构适应性能
车辆能被有效的传土变导向:既控教不能有穿人、码人车辆的情改发生?
CA/T416—2003
防搬教在承受避控后.不能产生飞溅泽片准灯姚按车辆、觅回的共他车辆、行人和困近的施工作业人员产生物害。
5.5.3车辆完整性能
在被划车两批单过程和减拉结点后,车辆应保持自立,乘座舱基本不变形。弹填后车辆铁速不能侵人到邻近车道。
5.6反光性能
防控境表门反光费的遭区惠系数值应不证」T/T279--1996规定的一派区光膜的要求6. 7色度性
防换嫩表面反水满的色品半标应在表1规定的范剂内。表1色品坐标
5. 8 耐高温性能
色品坐标
0, 325
亮国放
的世质在系受高溢试验后,不成有明显变负,不可该发性变形,开察及表山站膜数等现象。5.9耐低温性罐
防按逆在承学低温试险后,不有明显变危,不可恢多性变形,并聚及面赔膜剂裂等现象。5. 1D耐快性能
5.19.1自然暴露试验归,防换做不应有明最要色,不可该复补变衫、开教及表而贴膜剂婴等现象,递这与系激应不候」5,恶求越定供的5%。5.10.2灯暴露让验后,防撒率不应有男星变也,不川恢性变退、开表及表面贴科裂等域象;挖伸更试验数信应不低十5.3要求现光值的8%反比膜的道反射系数值成不低于5.6要求规定值的心次,
生:前您的试孜中送检方确以送择中一预进行5.11耐油性能
控教表面反光股应其右耐燃油和抗润滑油性能,试格后志也不得有明显被没蚀的缺翠:6试验方法
6.1试验环境要求
虹没有特别说明,本标准涉及的试验通常在以下环境中进行:;环境溢度:U~·40℃:
.-不悦到对规需:4~30次。
6.2树料检查
6.3外观结构检查
用色及精贯为U.5的晕具检李劳押单外观尺和熟色应符合5.2的要求,E.4拉仲强度试验
整料件核(13/下1310进行,像胶片接(1/T323进行:测定请果声待含5.3的要求6.5断长率试验
塑料件按I/T.910进行核腔件按GB/T523进行。两完结果底符合54的要求。计:漂式川标非计执外尺中验等合R:1G1G声1H:的事。其体就格尺小图1放表2.表33
GA/T 416—2003
点长(是小
H到范
恭部变
总次《最小)
阿科行部分长度
备免度
5.6础搏试验
到试用标准样块
测试用标准样块外形尺寸(盘料)表2
中间平行常分武座
大非择
测试用标准样块外形尺寸(赖胶:公在
中行部究
人半径
单位为毫*
不大下te
质且为20)的汽车.以25的冲凸角费,速度为50km/对防控嫩实旅确操试验结果应符合了,3的要求
号,7反射性能测试
按[T/T279/1995中5.4规实的试验力法,分别测定幻色股户色反光材料的逆收射数值,应符合求
6.5色度性能测试
光源迹采用(/T3478视定的标D光新.规频靠改43/0期欢通件度GB/357S规定的法分别测定红色及自色为色品坐杯值,应符合3.?的规定。E,9高温试验
试验设各符台GI/T2423.的要求。将防控增人<:一2:持环减中2h后取启检生第林外现,应符合5.多的爱求。
6.1J抵益试验
G4/T 416-2003
试验茂资应符合GB/T223,1的要求,将境联置人一纠三3范环境中2h后表出,检专整缺外观·应符合5.3的案求。
6.11耐性能试险
6.11.1势热益试验
按GB/T3681,拍防撤安装在至少帝于池面u.3m的账架工:试验地点应尽寸能近似实际使用环境或代表荣一气保类型最严酯的地力,当然双试收时间为2年,试敦后,的独教的外观及性罪应符合5.10.1的要求。
6.11.2瓦灯热筛试骗
试验胃应满是GB/T16123,2的要求,防担经受的描射强度为1m1M猫时强度偏差不大」-0%黑极短度为3士3Y.相财显度为65%土5,哦水周期为13mim/102mim(咬水时间/本喷水时可):每24h为1个试验循环,射20h.停照4h,试验持续时间为20个话外。试验后,龄摘做的外观及性能应符合=.10.2的要求!
6.12耐油性试验
6.12.1抗燃油性能
用脱收提经人70%质烷和305%中苯(优利比)的混合剂,十反光燃表面5min后,用棉布择去试剂,口测反光漠表而.应符合=1I的要求。6.12.2抗润滑油性能
用脱脂棉没人5AE0汽洲机润附洲轻轻地来回措擦反光获求而5mi5后,月棉布次油污,日测技膜表值,应补合5.11前要求.
了、检验规则
7.1检整分类
产品应进行单式(定)检愉和山厂检检.7.2型式(定型检验
必挂球的型式究型格验监用经过中回再收室国家认可系员含认可的产品见量监督测机片选行。
方下刻片况之的,准产」家府进行产品的单式(定塑)疏险,新产品鉴定:bzxz.net
一转厂产,
应轻停产一年以上,叉核复生产;给控,村料或工芯有耳大妆变可能影响产品性能时:产品非实际使用中出现较大质量问题州:一国家有关变求监盘部门握业要求时,型比(定型)检验样品数血的要求:一组合式做撞嫩应不少十内组(每生出儿激头和两只联才组成),计形防撞嫩应不少十只;拉伸强度,断裂伯长率试整所需料或像咬截断小样不得必契,按表1的规定进行,检验绍果必频全部符本标准的恶求,如有一项不合格,则判定该控嫩型式(定型)检验不分格。
7.3出厂检验
型控整台格后:注产品出厂前成逐一对防撞数进行出,一检验,收渠证出厂产品质且符合本标确的要究,
兴厂验验出生产厂家按表1现定的项月进行:5
GA/F 416—2003
按表的规定项户进行山厂检如来有一血证验不行合要求,则判定该防撞嫩出!检验人合格,应进行透,虽新检验。
表4检壁项目表
验现耳
析判查
外观能均收心
按中监证试格
断超仲文率试购
继痤试验
还后射件能试
户度性能划试
高岛品验
常招试您
自然品海试业
订量区将
南他吐试验
汁,农中““浓示进行北功试堡标志爱包装
8、1产标志内容
a)产品名栋,型号:
产品主要技未指标:
生产厂家名称,助正:
制造湖
比验字法来机
产品所执行城符合的理导及名称:e
8.2产品包装文件
产比使用维扩说明书:
1)产品段合怖证:
产站保格单
遇輪和贮存
产品可适用各种运推二其运确、产战在运撼和存时险防止披化学物品慢证,6
,!组合式龄独嫩结构图见围A.1。:中的为+
附录善
(资料性防录:
喆构图
此做买采用张或我等式,尺寸上,门行中义,本标准人做要这,图A.1组合式防摘地
GA/T 416—2003
GA/T416—2003
质准形防撞缴结构图死图A.?
性:图守的尺寸差均+50nm.
图 A. 2图柱形防控势
觉位为迹
争考文
[1] National Cooperalive, Highway Reecarch Program Rekirl 3toGA/T416—2003
小提示:此标准内容仅展示完整标准里的部分截取内容,若需要完整标准请到上方自行免费下载完整标准文档。
标准图片预览:





- 热门标准
- 公共安全行业标准(GA)
- GA234-1999 旅馆业治安管理信息系统基本功能
- GA/T792.1-2008 城市监控报警联网系统管理标准第1部分:图像信息采集、接入、使用管理要求
- GA/T970-2011 危险化学品泄漏事故处置行动要则
- GA/T1570-2019 法庭科学 数据库数据真实性检验技术规范
- GA/T1588-2019 法庭科学 法医临床鉴定室建设规范
- GA/T1092-2013 公安350兆模拟集群通信系统互联接口技术规范
- GA55-93物 通用标签
- GA136-1996 软垫家具易燃性的实验和分级方法
- GA436-2003 机动车修理业、报废机动车回收拆解业治安管理信息系统数据库规范
- GA557.2-2005 互联网上网服务营业场所信息安全管理代码第2部分:营业场所营业状态代码
- GA/T1572-2019 法庭科学 移动终端地理位置信息检验技术方法
- GA233.4-1999 旅馆业治安管理信息基本数据交换格式第4部分:旅馆处罚结果基本数据交换格式
- GA557.7-2005 互联网上网服务营业场所信息安全管理代码第7部分:管理端代码
- GA301.2-2001 看守所在押人员信息管理数据交换格式 第2部分:看守所信息数据交换格式
- GA660-2006 互联网公共、上网服务场所信息安全管理系统上网服务场所端功能要求
- 行业新闻
请牢记:“bzxz.net”即是“标准下载”四个汉字汉语拼音首字母与国际顶级域名“.net”的组合。 ©2025 标准下载网 www.bzxz.net 本站邮件:bzxznet@163.com
网站备案号:湘ICP备2025141790号-2
网站备案号:湘ICP备2025141790号-2