- 您的位置:
- 标准下载网 >>
- 标准分类 >>
- 建筑材料行业标准(JC) >>
- JC/T 851-2008 钢丝网石棉水泥小波瓦
标准号:
JC/T 851-2008
标准名称:
钢丝网石棉水泥小波瓦
标准类别:
建筑材料行业标准(JC)
标准状态:
现行-
发布日期:
2008-06-16 -
实施日期:
2008-12-01 出版语种:
简体中文下载格式:
.rar.pdf下载大小:
1.23 MB
替代情况:
替代JC/T 851-1999
部分标准内容:
备案号:24230--2008
华人民和国建材行标雅
JC/1851-2008
代臂JC/1 851—1939
钢丝网石棉水泥小波瓦
Wire-reinforced asbestos-cencnt slort corrugated sheet2008-06-16发布
2008-12-01实施
华民具利国家发腰利政革委员会发布前言
本标准是对TC/T85[—!999《钢丝网石棉水泥小波瓦》进行的修订。本标准与JC/T 851一1999相比,主婴变化如下.C/851.--2008
规范性引用义件中取消厂GB1.75、GB343GB1250GB/T8C71、JGJ63的年代号;原标滩中原材料规定的石棉为“五级与五级以上”,政为“五级和(或五级)以上”;原材料中的水泥调整为“不低于425级”,“E 技术要求\改为“5 要求”;-取消了原标准中5.1“各等级产品均应”文字。本标准自实施之用起代替JC/T851一1099本标准电中建筑材料联合会提出。本标准内金国水泥制品标准化技术委员会归口。本标淮负责起草单位:苏州混凝土水泥制品研究院。本标准参加起草单位:渐江游龙新型建材有限公司,昊江新型建筑材料厂。木标雅主要起碟人:冯平、日华、契楠峰、陈英玲。本标准所代苦标摊的历次版本发布情况为:JC/T851-1999。
1范围
钢丝网石棉水泥小波瓦
JC/T851—2008
本标雅翘定了钢丝网石棉水泥小波记的产品视格、等级、源材料、技术要求、试验方法、检验规则和标志、包装、运输、贮存等要求。本标涯透用丁以温行棉、水泥和钢丝网为要原材料制成的钢丝网石棉水泌小波觅。2规范性引用文件
下列文件中的条款逝过本标准的引用而成为本标准的条款。儿是注日期的引用义件,其随后所有的修改单(不包括勘误的内容)或修订版均不适用于本标准,然而,鼓励根据本标准达成协议的备方研究是否可使片这些文件的最新版亦,儿是不注日期的引所文件,其最新版本适用于本标准。GB170通用硅酸盐水泥
GB343一般用途低嵌钢丝
(31250极限数值的表示力法和判定方法GB/T7019一1997纤维水泥制品试验方法GB/T8071溢石棉
JGT 63混凝土用水标准
3规格、等级、代号与标记
3.1规格
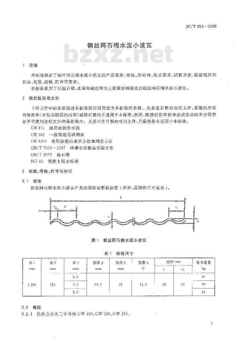
钢丝网有棉水溉小波产品的横断间形状如图1所示,其规格尺寸见表1。图1钢丝网石棉水泥小波瓦
3.2等级
规格尺寸
3.2. 1杭折力分为三个等级GW335,GW280、GW250.波数免费标准下载网bzxz
参考重量
JC/T 85.--2008
3.2.2外观质量分为:~等品(13)、合格品(C),3.3代号
钢丝网石棉水混小波讯的代号为GSBW。3.4标记
3.4.1标记方法
产品标记接产品代号、规格尺寸、等级和本标推编号顺序标记。3. 4. 2标记示例
钢丝网石棉水泥小波瓦长度18c0mml、宽度723mm、厚度6.9mm、CW250级、一等品标记为:GS3W 1 BC0X720X6 .0GW 250 B JC / T951-20Q8.4原材料
4.1纤维
应使用符合CB/T807规定的级利鐵五级)以的温石棉纤继。办掺人适量耐久性好,对制
品性能不起有害作用的其他纤维但代扇4.2水泥
得含量不
红雄总量的30
求妮战普通健暖整都泥。不得使用掺有应采用符合GB15规楚的等纸42.5级的硅赖煤、碳作助磨剂及幕、煤磷石作混台菌普通硅酸盐水泥。4.3钢丝网
应采用不涂防锈油的低炭钢丝编颈的梯形网,经丝直inm,低碳钢丝的质量应符含GB343 的着4.4水
置小于 0. 9 mm,纬丝直径不宜小于 0. 6应衍合JGJ6的规定。也可采用生产过程帝经沉淀的回水,5要求
5.1外观质量
应表面平整、边象整齐,不得有断教、震面露网、露丝、势s
等品(B)
表2 外观质量
感杂物等.并感符合表2规定。
单拉为毫米
合格(C)
沿度汽不大手100,瓦宽度方问不人于乳度方向家大4,消瓦段方向不大于45单张瓦的葡采多于
不大于10
正表面:宽度不大于 0.21
因成型造成的下列之
单限长度不大于75;
面;宽变不大}- 3. 25;
单报长度不大乎150
不大于6
5.2尺寸偏差
尺寸允许偏差应符合表3规定,
觉度不大子15
正衰面:虑度不大于 0. 25;
单恨长度不火于 75;
弯面:宽度不大于0.25;
单恨度不大150
5.3物理力学性能
物理力学性能成符合表1规定。
吸水率,%
號练性
不透水性
抗冲击性
纵高,N
注:\}\为变量检验程序中的标准低限。6
试验方法
外观质量及尺寸编差
表 3尺寸偏差
表4物理力学桂能
JC/T8512008
单位为米
经融循环不得有起层将
死背车现钢班·但不擦现永满
冲击两次后·被
长度、宽度、厚度波高波随、边眠,掉角、摸边、裂裂、表面露网、寇丝、分摆与容杂物日测6.2物理力学性能
皮两面约无龟、新滋及贯扭子
方正度按GB/T7019…1997既定进行试验,断物理力学性能按GB/T7019-:1997规定进行试验。7检验规则
检验分类
产品检验分为出厂检验和翼式检验。7.2检验项目
7.2.1出厂检验
出广格验的检验项目是;外观质量、尺守瑞差,抗折力竖水率和抗冻性。7.2.2型式检验
7.2.2.1型武检验的检验项间是:外观质最、尺计偏差,抗折力、吸水率、抗冻性、不透水性和抗冲击性。7.2.2.2有下列情况之一时,应进行型式检验:a)新产品或老产品转生产的试制定型鉴定;b)如产品结构、材料和工艺有较大改变可能影响产品性能时:)正堂生产时,应每年度返行一次检验,d)产品长期停产后,恢复年产附;e)出厂检验结果与.1次型式检验结果有较大差附f)国家质量监督机构提出进行型式检验的要求时7.3组批与捆样
JC/T 851—2008
7.3. 1组批
由同-品种、同规格、同一等级的产品组成检验批。批量按表5规定,每批量最多3200张,最少200张.
7.3.2抽样
7.3.2.1采刑简单随机扯样存法抽样。7. 3. 2. 2外观质量及尺寸偏差项日采用二次狗样力案,样本大小按裘5的规定。7.3.2.3抗折力
采用单一抽祥方案,样品从外观质量、尺小偏差检验后的试样中抽取,样本人小按表5规定。表5外观质量与尺寸偏差抽样方案品质检验
篇·淡样本
检检批数量
203~~280
281~500
b01~1200
1 201~3 2001
判定数
次抽样
第次十篇二次样本
茶合格
翔定数
判定数
不合格
判定数
注:第二次祥本的样品数量与第--次样容的样品数量相间,7.3.2.4吸水率、抗冻性
变益检验
可接收
在同一捡验批中随机拥取两张样品(也可从完成抗折力检验的样品中切取),7.3.2.5不透水性抗冲击性
在同-检验批巾随机各抽取两张样品。单--摘释
AL-LKR
式中.AL.可验收极
标低限;
K.可接收系数;
样品最大值与最
小蕉之差。
7.3.2.6当样品出现“断裂”寸,该样品不能作为抗折力、抗冲击性必检样品,可在间尚一检验批中另捕取相两数景样品予以补充。
7.4判定规则
7.4.1数值修约
采期GB125℃规定的修约值比较法进行,7.4.2外观质量及尺寸偏差
7.4.2.1项目的判定
外观质最符合5.1,尺偏差符含5.2相应项函的规定,则判定该项日符合相应等级,否则判定该项目不合格。
7.4.2.2样品的判定
每个样品不合格项目不大于2项时.则剂定该样品符合柑应等级,否则划定该样品为不合格样品。但样品的“断經”项目不含格时,必判定该样品为不合格样品,7.4.2.3检验批的判是
按品质检验程序进行,即不合格品数不大丁Ac:时,判定该检验批合格;芒不合格尚数等于或大于Re时,判定该检验批不合格;若第-次检验不合格品数超过八ci但小于Re持,应在间一检验批中独取并检验与第样本相同样品数的第二样本,二次检验后的个合格样品总数不人于Ac时,判定该捡验批合4
格:若第二次检验的不合格样品总数等于或大于尺2时,判定该检验排不合格。7.4.3抗折力
JC/T 851—2008
按表5变量检验程序进行判定。样品的平均值(X)大于或等于可验收极限(AL)即X三L,则判该检验批抗折力合格;若AL,则该检验批抗拆力不合格。抗折不得复检。
7.4.4吸水率、抗冻性、不透水性及抗冲击性衔个试验项H的两个样品均合格时,判定该项目合格,否则判定该项目不合格,在上述项同中,只有一项不合格时,允许从同一检验批中描取加倍数即四个样品逊行该项目的复验,若复验仍出现不合格样品时,测判该项目为不合格7.4.5综合判定
检验批外观质及尺寸偏差物讯方学性能均达到本称推蒸·等级规定时,判定该检验批产品为该等级。
标志、包装、运输、勉存、出厂证明书8.1标志
在每张记的正面第个或第3个波
学用不掉色的颜也标
自生产厂名称(或商标)产品代号、等级、生产且期,班别等。
8.2包装
产品根据需要可散装包装。包装部平坦稳固,
8.3运输
集装箱
装,并应方便运输;散装时要保证证底遂瀚时必须固好产品。遂掩过程中减少震动,荫止碰撞。装卸,运时严禁趣挪8.4存
存放场地必须坚实平坦,采用两张同规格的产品不得混摊。
8. 5 出广证明书
证明书领包括下刻容:
a)证明书编号;
b)生产广名称,商标盈址:
C)品标记、数量:
d)生产和出日期;
e)产品标祚编号,
)外观质量尺编差和物理力学性能检验结果;)生产厂质量检验部门签章,
乐超过1.8m。不间品种、不间等级、不中华人民共和国
建材行业标雅
钢丝网石棉水泥小波瓦
JC/851--2008
中国建材工业出版社出版
建筑材料工业技术监督研究中心(原国家建筑材料工业局标雅化研究所)发行新华书店北京发行所发行各地新华书活经售地矿经研院广所
版权所有不得翻印
本880×12301/16印张0.73
学数15 千学
2008乍11月第…叛
2008年11月第一次印刷
印数1—350
书号:1580227-228
编号:0575
网址:standardcejc.com
电信:(010)51164708
地址:北京朝阳区管庄东里建材大院北楼:邮编:100024本标准如出斑印装质虽问题,由发行部负责调换,8U8 /
小提示:此标准内容仅展示完整标准里的部分截取内容,若需要完整标准请到上方自行免费下载完整标准文档。
华人民和国建材行标雅
JC/1851-2008
代臂JC/1 851—1939
钢丝网石棉水泥小波瓦
Wire-reinforced asbestos-cencnt slort corrugated sheet2008-06-16发布
2008-12-01实施
华民具利国家发腰利政革委员会发布前言
本标准是对TC/T85[—!999《钢丝网石棉水泥小波瓦》进行的修订。本标准与JC/T 851一1999相比,主婴变化如下.C/851.--2008
规范性引用义件中取消厂GB1.75、GB343GB1250GB/T8C71、JGJ63的年代号;原标滩中原材料规定的石棉为“五级与五级以上”,政为“五级和(或五级)以上”;原材料中的水泥调整为“不低于425级”,“E 技术要求\改为“5 要求”;-取消了原标准中5.1“各等级产品均应”文字。本标准自实施之用起代替JC/T851一1099本标准电中建筑材料联合会提出。本标准内金国水泥制品标准化技术委员会归口。本标淮负责起草单位:苏州混凝土水泥制品研究院。本标准参加起草单位:渐江游龙新型建材有限公司,昊江新型建筑材料厂。木标雅主要起碟人:冯平、日华、契楠峰、陈英玲。本标准所代苦标摊的历次版本发布情况为:JC/T851-1999。
1范围
钢丝网石棉水泥小波瓦
JC/T851—2008
本标雅翘定了钢丝网石棉水泥小波记的产品视格、等级、源材料、技术要求、试验方法、检验规则和标志、包装、运输、贮存等要求。本标涯透用丁以温行棉、水泥和钢丝网为要原材料制成的钢丝网石棉水泌小波觅。2规范性引用文件
下列文件中的条款逝过本标准的引用而成为本标准的条款。儿是注日期的引用义件,其随后所有的修改单(不包括勘误的内容)或修订版均不适用于本标准,然而,鼓励根据本标准达成协议的备方研究是否可使片这些文件的最新版亦,儿是不注日期的引所文件,其最新版本适用于本标准。GB170通用硅酸盐水泥
GB343一般用途低嵌钢丝
(31250极限数值的表示力法和判定方法GB/T7019一1997纤维水泥制品试验方法GB/T8071溢石棉
JGT 63混凝土用水标准
3规格、等级、代号与标记
3.1规格
钢丝网有棉水溉小波产品的横断间形状如图1所示,其规格尺寸见表1。图1钢丝网石棉水泥小波瓦
3.2等级
规格尺寸
3.2. 1杭折力分为三个等级GW335,GW280、GW250.波数免费标准下载网bzxz
参考重量
JC/T 85.--2008
3.2.2外观质量分为:~等品(13)、合格品(C),3.3代号
钢丝网石棉水混小波讯的代号为GSBW。3.4标记
3.4.1标记方法
产品标记接产品代号、规格尺寸、等级和本标推编号顺序标记。3. 4. 2标记示例
钢丝网石棉水泥小波瓦长度18c0mml、宽度723mm、厚度6.9mm、CW250级、一等品标记为:GS3W 1 BC0X720X6 .0GW 250 B JC / T951-20Q8.4原材料
4.1纤维
应使用符合CB/T807规定的级利鐵五级)以的温石棉纤继。办掺人适量耐久性好,对制
品性能不起有害作用的其他纤维但代扇4.2水泥
得含量不
红雄总量的30
求妮战普通健暖整都泥。不得使用掺有应采用符合GB15规楚的等纸42.5级的硅赖煤、碳作助磨剂及幕、煤磷石作混台菌普通硅酸盐水泥。4.3钢丝网
应采用不涂防锈油的低炭钢丝编颈的梯形网,经丝直inm,低碳钢丝的质量应符含GB343 的着4.4水
置小于 0. 9 mm,纬丝直径不宜小于 0. 6应衍合JGJ6的规定。也可采用生产过程帝经沉淀的回水,5要求
5.1外观质量
应表面平整、边象整齐,不得有断教、震面露网、露丝、势s
等品(B)
表2 外观质量
感杂物等.并感符合表2规定。
单拉为毫米
合格(C)
沿度汽不大手100,瓦宽度方问不人于乳度方向家大4,消瓦段方向不大于45单张瓦的葡采多于
不大于10
正表面:宽度不大于 0.21
因成型造成的下列之
单限长度不大于75;
面;宽变不大}- 3. 25;
单报长度不大乎150
不大于6
5.2尺寸偏差
尺寸允许偏差应符合表3规定,
觉度不大子15
正衰面:虑度不大于 0. 25;
单恨长度不火于 75;
弯面:宽度不大于0.25;
单恨度不大150
5.3物理力学性能
物理力学性能成符合表1规定。
吸水率,%
號练性
不透水性
抗冲击性
纵高,N
注:\}\为变量检验程序中的标准低限。6
试验方法
外观质量及尺寸编差
表 3尺寸偏差
表4物理力学桂能
JC/T8512008
单位为米
经融循环不得有起层将
死背车现钢班·但不擦现永满
冲击两次后·被
长度、宽度、厚度波高波随、边眠,掉角、摸边、裂裂、表面露网、寇丝、分摆与容杂物日测6.2物理力学性能
皮两面约无龟、新滋及贯扭子
方正度按GB/T7019…1997既定进行试验,断物理力学性能按GB/T7019-:1997规定进行试验。7检验规则
检验分类
产品检验分为出厂检验和翼式检验。7.2检验项目
7.2.1出厂检验
出广格验的检验项目是;外观质量、尺守瑞差,抗折力竖水率和抗冻性。7.2.2型式检验
7.2.2.1型武检验的检验项间是:外观质最、尺计偏差,抗折力、吸水率、抗冻性、不透水性和抗冲击性。7.2.2.2有下列情况之一时,应进行型式检验:a)新产品或老产品转生产的试制定型鉴定;b)如产品结构、材料和工艺有较大改变可能影响产品性能时:)正堂生产时,应每年度返行一次检验,d)产品长期停产后,恢复年产附;e)出厂检验结果与.1次型式检验结果有较大差附f)国家质量监督机构提出进行型式检验的要求时7.3组批与捆样
JC/T 851—2008
7.3. 1组批
由同-品种、同规格、同一等级的产品组成检验批。批量按表5规定,每批量最多3200张,最少200张.
7.3.2抽样
7.3.2.1采刑简单随机扯样存法抽样。7. 3. 2. 2外观质量及尺寸偏差项日采用二次狗样力案,样本大小按裘5的规定。7.3.2.3抗折力
采用单一抽祥方案,样品从外观质量、尺小偏差检验后的试样中抽取,样本人小按表5规定。表5外观质量与尺寸偏差抽样方案品质检验
篇·淡样本
检检批数量
203~~280
281~500
b01~1200
1 201~3 2001
判定数
次抽样
第次十篇二次样本
茶合格
翔定数
判定数
不合格
判定数
注:第二次祥本的样品数量与第--次样容的样品数量相间,7.3.2.4吸水率、抗冻性
变益检验
可接收
在同一捡验批中随机拥取两张样品(也可从完成抗折力检验的样品中切取),7.3.2.5不透水性抗冲击性
在同-检验批巾随机各抽取两张样品。单--摘释
AL-LKR
式中.AL.可验收极
标低限;
K.可接收系数;
样品最大值与最
小蕉之差。
7.3.2.6当样品出现“断裂”寸,该样品不能作为抗折力、抗冲击性必检样品,可在间尚一检验批中另捕取相两数景样品予以补充。
7.4判定规则
7.4.1数值修约
采期GB125℃规定的修约值比较法进行,7.4.2外观质量及尺寸偏差
7.4.2.1项目的判定
外观质最符合5.1,尺偏差符含5.2相应项函的规定,则判定该项日符合相应等级,否则判定该项目不合格。
7.4.2.2样品的判定
每个样品不合格项目不大于2项时.则剂定该样品符合柑应等级,否则划定该样品为不合格样品。但样品的“断經”项目不含格时,必判定该样品为不合格样品,7.4.2.3检验批的判是
按品质检验程序进行,即不合格品数不大丁Ac:时,判定该检验批合格;芒不合格尚数等于或大于Re时,判定该检验批不合格;若第-次检验不合格品数超过八ci但小于Re持,应在间一检验批中独取并检验与第样本相同样品数的第二样本,二次检验后的个合格样品总数不人于Ac时,判定该捡验批合4
格:若第二次检验的不合格样品总数等于或大于尺2时,判定该检验排不合格。7.4.3抗折力
JC/T 851—2008
按表5变量检验程序进行判定。样品的平均值(X)大于或等于可验收极限(AL)即X三L,则判该检验批抗折力合格;若AL,则该检验批抗拆力不合格。抗折不得复检。
7.4.4吸水率、抗冻性、不透水性及抗冲击性衔个试验项H的两个样品均合格时,判定该项目合格,否则判定该项目不合格,在上述项同中,只有一项不合格时,允许从同一检验批中描取加倍数即四个样品逊行该项目的复验,若复验仍出现不合格样品时,测判该项目为不合格7.4.5综合判定
检验批外观质及尺寸偏差物讯方学性能均达到本称推蒸·等级规定时,判定该检验批产品为该等级。
标志、包装、运输、勉存、出厂证明书8.1标志
在每张记的正面第个或第3个波
学用不掉色的颜也标
自生产厂名称(或商标)产品代号、等级、生产且期,班别等。
8.2包装
产品根据需要可散装包装。包装部平坦稳固,
8.3运输
集装箱
装,并应方便运输;散装时要保证证底遂瀚时必须固好产品。遂掩过程中减少震动,荫止碰撞。装卸,运时严禁趣挪8.4存
存放场地必须坚实平坦,采用两张同规格的产品不得混摊。
8. 5 出广证明书
证明书领包括下刻容:
a)证明书编号;
b)生产广名称,商标盈址:
C)品标记、数量:
d)生产和出日期;
e)产品标祚编号,
)外观质量尺编差和物理力学性能检验结果;)生产厂质量检验部门签章,
乐超过1.8m。不间品种、不间等级、不中华人民共和国
建材行业标雅
钢丝网石棉水泥小波瓦
JC/851--2008
中国建材工业出版社出版
建筑材料工业技术监督研究中心(原国家建筑材料工业局标雅化研究所)发行新华书店北京发行所发行各地新华书活经售地矿经研院广所
版权所有不得翻印
本880×12301/16印张0.73
学数15 千学
2008乍11月第…叛
2008年11月第一次印刷
印数1—350
书号:1580227-228
编号:0575
网址:standardcejc.com
电信:(010)51164708
地址:北京朝阳区管庄东里建材大院北楼:邮编:100024本标准如出斑印装质虽问题,由发行部负责调换,8U8 /
小提示:此标准内容仅展示完整标准里的部分截取内容,若需要完整标准请到上方自行免费下载完整标准文档。
标准图片预览:





- 其它标准
- 热门标准
- 建筑材料行业标准(JC)
- JC248-1981 水力旋流器铸石衬里
- JC/T1013-2006 盘转式压砖机
- JC253-1981 铸石制品检验、验收、标志、包装、运输规则
- JC250-1981 水膜除尘器铸石衬里
- JC/T925-2003 玻璃窑用烧结AZS砖
- JC/T620-2009 石灰取样方法
- JC/T863-2011 高分子防水卷材胶粘剂
- JC/T835-2011 水泥工业用取料机 技术条件
- JC/T806-1988(1996) 玻璃熔窑用耐火材料静态下抗玻璃液侵蚀试验方法
- JC220-1979(1996) 天然金刚石
- JC/T2167-2013 玻璃釉料
- JC/T1026-2007 玻璃纤维增强热固性树脂承载型格栅
- JC/T1041-2007 混凝土裂缝用环氧树脂灌浆材料
- JC/T989-2006 非结构承载用石材胶粘剂
- JC/T613-2005 混凝土和钢筋混凝土排水管钢模
- 行业新闻
请牢记:“bzxz.net”即是“标准下载”四个汉字汉语拼音首字母与国际顶级域名“.net”的组合。 ©2025 标准下载网 www.bzxz.net 本站邮件:bzxznet@163.com
网站备案号:湘ICP备2025141790号-2
网站备案号:湘ICP备2025141790号-2