- 您的位置:
- 标准下载网 >>
- 标准分类 >>
- 建筑材料行业标准(JC) >>
- JC/T 1083-2008 水泥与减水剂相容性试验方法
标准号:
JC/T 1083-2008
标准名称:
水泥与减水剂相容性试验方法
标准类别:
建筑材料行业标准(JC)
标准状态:
现行-
发布日期:
2008-06-16 -
实施日期:
2008-12-01 出版语种:
简体中文下载格式:
.rar.pdf下载大小:
864.21 KB
点击下载
标准简介:
标准下载解压密码:www.bzxz.net
本标准规定了水泥与减水剂相容性试验方法的术语和定义、方法原理、实验室和设备、水泥浆体的组成、试验步骤、数据处理、结果表示、试验报告。本标准适用于评价水泥与减水剂相容性 JC/T 1083-2008 水泥与减水剂相容性试验方法 JC/T1083-2008
部分标准内容:
备案号:24200—2008
中华人民共和国建材行业标准
JC/T10832008
水泥与减水剂相容性试验方法
Test method for compatibility of cement and water-reducing agent2008-06-16发布
2008-12-01实施
木标准附录A为规范性附录。
本振由中国建筑材料联合会提出。前言bzxz.net
本标准由全国水泥标准化技术委员会(SAC/TCL8)归口。本标主要起草单位:中国建筑材料科学研究总院JC/T 1083—2008
本标准参加起草单位:天津市雍正减水剂厂,河北群析仪器设备有限公司、烟台山水水泥有限公司、厦门市路桥建材公司海沧分公司。本标准起常人:肖忠明、郭俊游,张文和、苑立平。本标雄为欲发布。
.范围
水泥与减水剂相容性试验方法
JC/T1083--2008
本标准规定了水泥与减水昶相容性试验方法的术语和定义、方法原理、实验室利设备、水泥浆体的组成、试验步骤、数据处理、结果表示、试验报告。本标准适用于评价水泥与减水剂的相容性。规范性引用文件
下列文件中的条款道过本标准的引用而成为本标准的条款。凡是注日期的引用文件,其随后所有的修改单(不包括勘误的内容)或修订版均不适用于本标准,然而,鼓励根据本标准达成协议的各方研究是否可使用这些文件的最新版本。凡是不注日期的引用文件,其最新版本适用于本标准。GB/T8077混凝上外灿剂勾质性试验方法JC/T729水泥净浆揽拌机
3术语和定义
下列术语和定义适用于本标准。3.1
compatibility of cemenf and water-reducing agent水泥与减水剂相容性
使用相同减水剂或水泥时,出丁水泥或减水剂的质量而起水泥浆体流动性、经时损失的变化程度以及获得相同的流动性减水剂用量的变化程度。3.2
基准减水剂cnntrnl water-reducing agent用于评价水泥与减水剂相容性的减水剂。3.3
初始Marsh(马歇尔)时间(Tn)initialMarshtime新拌水泥浆体通过Marsh筒注满200mL烧杯所用时间。3.4
GlminMarsh[马歇尔]时间(T)Marsitimein60min将水泥浆体放置60mi1后,重新搅拌后注满200mL烧杯所用时间。3.5
初始流动度(F)initial fluidity固定量的新拌水泥浆体的最大扩展直径。3.6
60 min流动度(Ffluidity in60 nin将水泥浆体放置60min后、重新搅拌后所测定的最大扩展直径。3.7
减水剂饱和掺量点(简称饱和掺量点)saturationpointafwater-rcducingagent当Marsh时问间不再随减水剂掺量的增如而明显减少时或浆体流动度不再随减水剂量的增加而明显增时所对应的减水剂掺量。
JC/T10832008
经60i后,水泥浆体流动性的损关比率4方法原理
4.1马欧尔法简称Marsh简法,标准法)Marsh简为下带圆管的链形漏斗,最早用于测定钻儿泥浆液的流动性,后由加拿大Shr:rbrooke大学提出用于测定添加藏水剂水泥浆体的流动性,以评价水泌与减水剂适应性。具体方法为让注人漏斗中的水泥浆体白声流下,记录注满200 iL容量简的时间,即M=rsh时间,些附间的长短反映了水泥浆体的流动性,
4.2净浆流动度法(代用法)
将制备好的水讽浆体装人一定容量的模后,稳定提起圆模,使浆体在重力作用下在玻璃板上自由展,稳定后的直径即流动度,流动度的大小技映了水泥浆体的流动性。4.3当有争议时,以标准法为准。5实验室和设备
5.1实验室
实验案的温度应保持在20℃土2℃。机相对湿度应不低于50%
5.2设备
5.2.1水泥净浆搅拌机
5只搅拌锅。
符合JC/T729的要求配备6
圆莫的上口真径36mm
下口真
玻璃板
400nmx5mm
量程3cmm,分度值1mm。
分虚值
是100g,分度值0
mm、高度60mn.内壁光滑无暗整的金属制品。8
01g:量程1000g,分度值
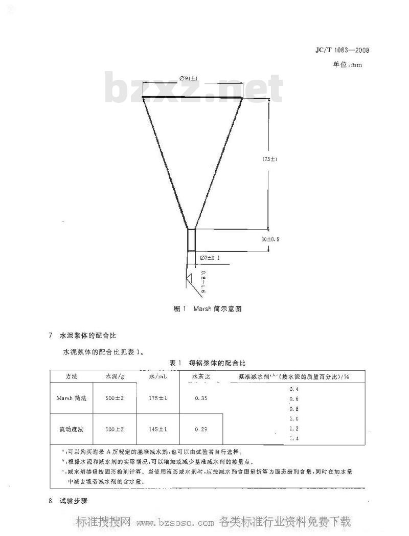
直管部分由不锈钢材料制成,锥形漏斗部分由不锈钢或由表面光滑的耐锈蚀材料制5. 2. 9
Marsh简
成,机械要求见图1所示。
5.2.10量筒250ml分度值1mL.
6水泥浆体的组成
6.1水泥
试验能,应将水泥过0.9mm方孔筛并混合均匀。当试验水泥从取样至试验要保持24h以上时,应将水泥贮存在气密的容器中,该容器材料不应与水泥起反应6.2水
洁净的饮用水。
6.3基准减水剂
应符合附录A的规定。当战验者白行选择基准减水剂时,应保证减水剂的质量稳定、均勾。6. 4水泥、水、减水剂和试验用具的温度与试验室湿度一致。水泥浆体的配合比
水泥浆体的配合比见表1。
Marsh 简法
流动度法
水泥/g
500±2
500±2
水/nL
α91±]
图 Marsh 简示意图
175±1
145±1
每锅浆体的配合比
水灰比
[75±】
JC/T1083—2008
单位:mm
基雅减水剂-(按水泥的质益百分比)/%0. 4
可以购买录 A所规定的基准减水剂,也可以由试验者自行选择b:柜据水视和减水剂的实际情况,可以培加或碱少基水剂的掺量点。“:减水剂参量按固态粉剂计算。当使用液态减水剂时,应按减水剂含固量折算为固态粉剂含,同时在加水坦中减去液态减水剂的含水堂。
试验步骤
JC/T1083-2008
81.1每锅浆体用搅拌机进行机械搅拌,试验前使搅择机处于工作状态,8.1.2用泓布将Marsh筒、烧杯、搅拌锅、搅拌片全部润显。将烧杯置于Marsh简下料口的下面中阅位暨,并用凝布覆盖。
8.1.3将基准减水剂和约1/2的水同时加人锅中,然后用剩余的水反复洗盛装基准减水剂的容器直至干净并全部加入锅中,加人水泥,把锅国定在搅拌机上·按JC/T729的搅拌程序搅拌。8.1.4将锅取下,用搅拌勺边搅拌边将浆体立即全部倒入Marsh筒内。打开阅门,正浆体自由流下并计时,当浆体注入烧杯达到200mL停止计时,此时句即为初始Marsh时间。8.1.5让Marsh简内的浆体全部流下,无遗留地回收到搅辩锅内,并采取适当的法案封静置以防水分蒸发。
8. 1. 6清洁Marsi 筒,烧杯。
8.1.7调整基准减水剂掺量,重复上述步骤,依次测定基症减水剂各掺量下的初始 Marsh 时间。8.1.8自加水泥起到 60 min时.将置的水泥浆体按JC/T725的搅拌程序量新搅排,重复 8.1. 4条,依次测定基准减水剂各掺量下的GcminMarsh时间。8.2净浆流动度法(代用法)
8.2.1每锅浆休现半机逆行机械锁拌。试验前使搅机处于作状态。8.2.2将玻璃板置于T作台「,并保持其表面水平。8.2.3用湿布把玻璃板阅模内壁,搅拌锅、搅拌叶片全部润湿:将圆模置于玻瑙板的中间位置,并用湿布盖。
8.2.4将基准减水剂和药1/2的水同时加人锅中,然后用剩余的水友复冲洗感装基准腻水剂的睿器直至十净并全部加人锅中,加人水泥,把锅固定在搅拌机上,按JC/T729的搅辩程序搅拌。8.2.5将锅取用搅拌勺边搅拌边将浆休立即倒人置于玻璃板中闭位置的圆模内。对丁流动性差的聚体要用甜力进行插捣,以使聚体充满阅模。用割力将高出厕模的浆体刮除并抹平即稳定提趣圆模。圆模提起后,应用刮刀将粘附于匾模内壁上的浆体尽量刮下,以保证每欲试验的浆体量基木相同。提取圆模1 min后,用卡尺测量最长径及其垂直方向的直径。一者的平两值即为初始流动度值。8.2.6快速将璃板上的浆体用刮刃无遗留地回收到搅拌锅内,并采取适当的方法密封静置以防水分蒸发。
8.2.7清洁玻璃板、圆模。
8.2.8调整基准减水剂掺量,重复上述步骤,依次测定基准诚水剂各掺量下的初始流动度值。8.2.9自加水泥起到Gomin时,将静置的水泥浆体按JC/T729的搅拌程序重新搅拌,亚复8.2.5条,依欲测定基准减水剂各掺量下的60min流动度值9数据处理
9.1经时损失率的计算
经时换失率用初始流动度或Marsh时间与Gomin流动度或Marsh时闻的相对差值表示,即l. o. .
Ff. - F- Fa × 100
式中:
FL一一经时损失率,单位为自分数(%;T:n初始 Marsh 时间,单位为秒(s):... 1
-60 min流动度,单位为毫米(mm)。结果保留到小数点后一位,
9.2饱和掺量点的确定
JC/T1083—2008
以减水剂掺量为横坐标,净浆流动度或Marsh时间为纵坠标做曲线图,然后做两直线段曲线的趋势线,两趋势线的交点的横坐标即为饱和掺量点。处理方法示例于图2。减水剂掺量与Marsh时间的关系
费110
10结果表示
减本剂矮量,出
减水剂掺量,%
饱和掺量点确定示意图
水溉与减水剂相容性用下列参数表示:饱和掺量点:
基准减水剂o.8%参量时的初始Marsh时间或流动度:基准减水剂0.8%掺量时的经时损失率,11试验报告
试验报告宜给出如下信息:
水泥品种、生产单位、生产批号;1.2
JC/T:1083—2008
饱和掺量点:
基准减水剂 0. 8%掺量下的初始 Marsh时间或流动度:基准减水剂0.8%掺量时的经时损失率。WA1总则
附录A
(规范性附录】
水泥与减水剂相容性试验用基准减水剂技术条件JC/T10832008
盐准减水剂是检验水泥与减水剂相容性的基准材料,本标准推荐出符合下列品质指标和质量稳定性指标制备而或的萘系减水剂。A.2品质指标
含固量:92.5%±0.5%
A.2.2硫酸钠:15.8%±0.5%
A.2. 3pH值:8.7±0. 5
质量稳定性指标
当采用任一水泥用两个不同批次的基准减水剂进行流动性试验时,由于质量原因造成的基谁减水0
剂各掺量点的流动性差值应符合表A.项
最大差值
A.4试验方法
含固量、硫酸销含量PH值
按GB/T8077进行
A.4.2质量稳定性
的要求
表A.1质量稳定性指标
Marsh简法
按本标准正文进行。用0.8%的减水剂掺量进行试验净浆流动度法7mm
试验前,应将水泥尾均勾。
大民共和
建材行业标
水泥与减水剂相容性试验方法
JC/T 1083—2008
中国建茗工业出版社出版
建筑材料工业技术监督研究中心(原国家建筑材料汇业局标准化研究所)发行新华书店北京发行所发行各地新华书店经售地矿经研院印刷厂印刷
版权所有不得翻印
亚本880×12301/16印张0.75字数19千字2005年11月第一版2008年11月第一次印刷印数1—350定价:12.30元
书号:1580227198
编号:0558
小提示:此标准内容仅展示完整标准里的部分截取内容,若需要完整标准请到上方自行免费下载完整标准文档。
中华人民共和国建材行业标准
JC/T10832008
水泥与减水剂相容性试验方法
Test method for compatibility of cement and water-reducing agent2008-06-16发布
2008-12-01实施
木标准附录A为规范性附录。
本振由中国建筑材料联合会提出。前言bzxz.net
本标准由全国水泥标准化技术委员会(SAC/TCL8)归口。本标主要起草单位:中国建筑材料科学研究总院JC/T 1083—2008
本标准参加起草单位:天津市雍正减水剂厂,河北群析仪器设备有限公司、烟台山水水泥有限公司、厦门市路桥建材公司海沧分公司。本标准起常人:肖忠明、郭俊游,张文和、苑立平。本标雄为欲发布。
.范围
水泥与减水剂相容性试验方法
JC/T1083--2008
本标准规定了水泥与减水昶相容性试验方法的术语和定义、方法原理、实验室利设备、水泥浆体的组成、试验步骤、数据处理、结果表示、试验报告。本标准适用于评价水泥与减水剂的相容性。规范性引用文件
下列文件中的条款道过本标准的引用而成为本标准的条款。凡是注日期的引用文件,其随后所有的修改单(不包括勘误的内容)或修订版均不适用于本标准,然而,鼓励根据本标准达成协议的各方研究是否可使用这些文件的最新版本。凡是不注日期的引用文件,其最新版本适用于本标准。GB/T8077混凝上外灿剂勾质性试验方法JC/T729水泥净浆揽拌机
3术语和定义
下列术语和定义适用于本标准。3.1
compatibility of cemenf and water-reducing agent水泥与减水剂相容性
使用相同减水剂或水泥时,出丁水泥或减水剂的质量而起水泥浆体流动性、经时损失的变化程度以及获得相同的流动性减水剂用量的变化程度。3.2
基准减水剂cnntrnl water-reducing agent用于评价水泥与减水剂相容性的减水剂。3.3
初始Marsh(马歇尔)时间(Tn)initialMarshtime新拌水泥浆体通过Marsh筒注满200mL烧杯所用时间。3.4
GlminMarsh[马歇尔]时间(T)Marsitimein60min将水泥浆体放置60mi1后,重新搅拌后注满200mL烧杯所用时间。3.5
初始流动度(F)initial fluidity固定量的新拌水泥浆体的最大扩展直径。3.6
60 min流动度(Ffluidity in60 nin将水泥浆体放置60min后、重新搅拌后所测定的最大扩展直径。3.7
减水剂饱和掺量点(简称饱和掺量点)saturationpointafwater-rcducingagent当Marsh时问间不再随减水剂掺量的增如而明显减少时或浆体流动度不再随减水剂量的增加而明显增时所对应的减水剂掺量。
JC/T10832008
经60i后,水泥浆体流动性的损关比率4方法原理
4.1马欧尔法简称Marsh简法,标准法)Marsh简为下带圆管的链形漏斗,最早用于测定钻儿泥浆液的流动性,后由加拿大Shr:rbrooke大学提出用于测定添加藏水剂水泥浆体的流动性,以评价水泌与减水剂适应性。具体方法为让注人漏斗中的水泥浆体白声流下,记录注满200 iL容量简的时间,即M=rsh时间,些附间的长短反映了水泥浆体的流动性,
4.2净浆流动度法(代用法)
将制备好的水讽浆体装人一定容量的模后,稳定提起圆模,使浆体在重力作用下在玻璃板上自由展,稳定后的直径即流动度,流动度的大小技映了水泥浆体的流动性。4.3当有争议时,以标准法为准。5实验室和设备
5.1实验室
实验案的温度应保持在20℃土2℃。机相对湿度应不低于50%
5.2设备
5.2.1水泥净浆搅拌机
5只搅拌锅。
符合JC/T729的要求配备6
圆莫的上口真径36mm
下口真
玻璃板
400nmx5mm
量程3cmm,分度值1mm。
分虚值
是100g,分度值0
mm、高度60mn.内壁光滑无暗整的金属制品。8
01g:量程1000g,分度值
直管部分由不锈钢材料制成,锥形漏斗部分由不锈钢或由表面光滑的耐锈蚀材料制5. 2. 9
Marsh简
成,机械要求见图1所示。
5.2.10量筒250ml分度值1mL.
6水泥浆体的组成
6.1水泥
试验能,应将水泥过0.9mm方孔筛并混合均匀。当试验水泥从取样至试验要保持24h以上时,应将水泥贮存在气密的容器中,该容器材料不应与水泥起反应6.2水
洁净的饮用水。
6.3基准减水剂
应符合附录A的规定。当战验者白行选择基准减水剂时,应保证减水剂的质量稳定、均勾。6. 4水泥、水、减水剂和试验用具的温度与试验室湿度一致。水泥浆体的配合比
水泥浆体的配合比见表1。
Marsh 简法
流动度法
水泥/g
500±2
500±2
水/nL
α91±]
图 Marsh 简示意图
175±1
145±1
每锅浆体的配合比
水灰比
[75±】
JC/T1083—2008
单位:mm
基雅减水剂-(按水泥的质益百分比)/%0. 4
可以购买录 A所规定的基准减水剂,也可以由试验者自行选择b:柜据水视和减水剂的实际情况,可以培加或碱少基水剂的掺量点。“:减水剂参量按固态粉剂计算。当使用液态减水剂时,应按减水剂含固量折算为固态粉剂含,同时在加水坦中减去液态减水剂的含水堂。
试验步骤
JC/T1083-2008
81.1每锅浆体用搅拌机进行机械搅拌,试验前使搅择机处于工作状态,8.1.2用泓布将Marsh筒、烧杯、搅拌锅、搅拌片全部润显。将烧杯置于Marsh简下料口的下面中阅位暨,并用凝布覆盖。
8.1.3将基准减水剂和约1/2的水同时加人锅中,然后用剩余的水反复洗盛装基准减水剂的容器直至干净并全部加入锅中,加人水泥,把锅国定在搅拌机上·按JC/T729的搅拌程序搅拌。8.1.4将锅取下,用搅拌勺边搅拌边将浆体立即全部倒入Marsh筒内。打开阅门,正浆体自由流下并计时,当浆体注入烧杯达到200mL停止计时,此时句即为初始Marsh时间。8.1.5让Marsh简内的浆体全部流下,无遗留地回收到搅辩锅内,并采取适当的法案封静置以防水分蒸发。
8. 1. 6清洁Marsi 筒,烧杯。
8.1.7调整基准减水剂掺量,重复上述步骤,依次测定基症减水剂各掺量下的初始 Marsh 时间。8.1.8自加水泥起到 60 min时.将置的水泥浆体按JC/T725的搅拌程序量新搅排,重复 8.1. 4条,依次测定基准减水剂各掺量下的GcminMarsh时间。8.2净浆流动度法(代用法)
8.2.1每锅浆休现半机逆行机械锁拌。试验前使搅机处于作状态。8.2.2将玻璃板置于T作台「,并保持其表面水平。8.2.3用湿布把玻璃板阅模内壁,搅拌锅、搅拌叶片全部润湿:将圆模置于玻瑙板的中间位置,并用湿布盖。
8.2.4将基准减水剂和药1/2的水同时加人锅中,然后用剩余的水友复冲洗感装基准腻水剂的睿器直至十净并全部加人锅中,加人水泥,把锅固定在搅拌机上,按JC/T729的搅辩程序搅拌。8.2.5将锅取用搅拌勺边搅拌边将浆休立即倒人置于玻璃板中闭位置的圆模内。对丁流动性差的聚体要用甜力进行插捣,以使聚体充满阅模。用割力将高出厕模的浆体刮除并抹平即稳定提趣圆模。圆模提起后,应用刮刀将粘附于匾模内壁上的浆体尽量刮下,以保证每欲试验的浆体量基木相同。提取圆模1 min后,用卡尺测量最长径及其垂直方向的直径。一者的平两值即为初始流动度值。8.2.6快速将璃板上的浆体用刮刃无遗留地回收到搅拌锅内,并采取适当的方法密封静置以防水分蒸发。
8.2.7清洁玻璃板、圆模。
8.2.8调整基准减水剂掺量,重复上述步骤,依次测定基准诚水剂各掺量下的初始流动度值。8.2.9自加水泥起到Gomin时,将静置的水泥浆体按JC/T729的搅拌程序重新搅拌,亚复8.2.5条,依欲测定基准减水剂各掺量下的60min流动度值9数据处理
9.1经时损失率的计算
经时换失率用初始流动度或Marsh时间与Gomin流动度或Marsh时闻的相对差值表示,即l. o. .
Ff. - F- Fa × 100
式中:
FL一一经时损失率,单位为自分数(%;T:n初始 Marsh 时间,单位为秒(s):... 1
-60 min流动度,单位为毫米(mm)。结果保留到小数点后一位,
9.2饱和掺量点的确定
JC/T1083—2008
以减水剂掺量为横坐标,净浆流动度或Marsh时间为纵坠标做曲线图,然后做两直线段曲线的趋势线,两趋势线的交点的横坐标即为饱和掺量点。处理方法示例于图2。减水剂掺量与Marsh时间的关系
费110
10结果表示
减本剂矮量,出
减水剂掺量,%
饱和掺量点确定示意图
水溉与减水剂相容性用下列参数表示:饱和掺量点:
基准减水剂o.8%参量时的初始Marsh时间或流动度:基准减水剂0.8%掺量时的经时损失率,11试验报告
试验报告宜给出如下信息:
水泥品种、生产单位、生产批号;1.2
JC/T:1083—2008
饱和掺量点:
基准减水剂 0. 8%掺量下的初始 Marsh时间或流动度:基准减水剂0.8%掺量时的经时损失率。WA1总则
附录A
(规范性附录】
水泥与减水剂相容性试验用基准减水剂技术条件JC/T10832008
盐准减水剂是检验水泥与减水剂相容性的基准材料,本标准推荐出符合下列品质指标和质量稳定性指标制备而或的萘系减水剂。A.2品质指标
含固量:92.5%±0.5%
A.2.2硫酸钠:15.8%±0.5%
A.2. 3pH值:8.7±0. 5
质量稳定性指标
当采用任一水泥用两个不同批次的基准减水剂进行流动性试验时,由于质量原因造成的基谁减水0
剂各掺量点的流动性差值应符合表A.项
最大差值
A.4试验方法
含固量、硫酸销含量PH值
按GB/T8077进行
A.4.2质量稳定性
的要求
表A.1质量稳定性指标
Marsh简法
按本标准正文进行。用0.8%的减水剂掺量进行试验净浆流动度法7mm
试验前,应将水泥尾均勾。
大民共和
建材行业标
水泥与减水剂相容性试验方法
JC/T 1083—2008
中国建茗工业出版社出版
建筑材料工业技术监督研究中心(原国家建筑材料汇业局标准化研究所)发行新华书店北京发行所发行各地新华书店经售地矿经研院印刷厂印刷
版权所有不得翻印
亚本880×12301/16印张0.75字数19千字2005年11月第一版2008年11月第一次印刷印数1—350定价:12.30元
书号:1580227198
编号:0558
小提示:此标准内容仅展示完整标准里的部分截取内容,若需要完整标准请到上方自行免费下载完整标准文档。
标准图片预览:





- 其它标准
- 热门标准
- 建筑材料行业标准(JC)
- JC/T1026-2007 玻璃纤维增强热固性树脂承载型格栅
- JC/T313-2009 膨胀水泥膨胀率试验方法
- JC/T682-2005 水泥胶砂试体成型振实台
- JC/T672-1997 汽车后窗电热玻璃
- JC/T726-2005 水泥胶砂试模
- JC/T729-2005 水泥净浆搅拌机
- JC/T976-2005 道桥接缝用密封胶
- JC435-1996 快硬铁铝酸盐水泥
- JC523-1993 纸面石膏板能耗等级定额
- JC/T857-2000 平板玻璃用长石
- JC/T882-2001 幕墙玻璃接缝用密封胶
- JC466-1992(1996) 砌墙砖检验规则
- JC/T1022-2007 中空玻璃用复合密封胶条
- JC/T574-2006 海泡石
- JC/T1009-2006 玻璃纤维增强塑料复合检查井盖
- 行业新闻
请牢记:“bzxz.net”即是“标准下载”四个汉字汉语拼音首字母与国际顶级域名“.net”的组合。 ©2025 标准下载网 www.bzxz.net 本站邮件:bzxznet@163.com
网站备案号:湘ICP备2025141790号-2
网站备案号:湘ICP备2025141790号-2