- 您的位置:
- 标准下载网 >>
- 标准分类 >>
- 化工行业标准(HG) >>
- HG/T 2284-2008 还原艳绿FFB(C.I.还原绿1)
标准号:
HG/T 2284-2008
标准名称:
还原艳绿FFB(C.I.还原绿1)
标准类别:
化工行业标准(HG)
标准状态:
现行-
发布日期:
2008-04-23 -
实施日期:
2008-10-01 出版语种:
简体中文下载格式:
.rar.pdf下载大小:
391.91 KB
替代情况:
替代HG/T 2284-1992

点击下载
标准简介:
本标准代替HG/T 2284-1992《还原艳绿38超细粉(还原艳绿FFB超细粉)》。本标准与HG/T 2284-1992的主要差异如下:——标准名称修改为《还原艳绿FFB(C.I.还原绿1)》(本标准的标准名称,HG/T 2284-1992的标准名称);——调整了外观指标(本标准的3.1,HG/T 2284-1992的3.1);——调整了悬浮液分散稳定性指标(本标准的3.2,HG/T 2284-1992的3.1);——取消了水分、颗粒细度指标(HG/T 2284-1992的3.1);——增加了大颗粒、防尘性、有害芳香胺的量和重金属元素的量指标和测定方法(本标准的3.2和5.5、5.6、5.7、5.8);——色牢度指标中取消了耐丝光、耐热压中的立即评级指标,调整了耐洗色牢度测定温度和部分色牢度指标,增加了耐汗光色牢度指标及测试方法(本标准的3.3、5.9.8,HG/T 2284-1992的3.2);——调整并增加了色光和强度的测定方法(本标准的5.2,HG/T 2284-1992的4.2);——增加了箱包装内容(本标准的7.2)。 HG/T 2284-2008 还原艳绿FFB(C.I.还原绿1) HG/T2284-2008

部分标准内容:
备案号:23708—2008
中华人民共和国化工行业标准
HG/T 2284--2008
代替HG/T2284—1992
还原艳绿FFB(C.I.还原绿1
Vat brilliant green FFB(C. I. Val green 1)2008-04-23发布
2008-10-01实施
中华人民共和国国家爱展和政革季会前言
本标准代替HG/T2284一19!2还原艳绿3H超细粉(还原艳绿FF3超细粉)。本标准与HG/T2284—1992的工要差异如下:HC/T 2284--2008
—标准名称修改为还原艳绿FFR(C.1.还原绿1)》(本标准的标准名称、HG/T22S1--1992的标雅名称):
—调整了外观指标(本标准的 3.1,HG/\T 2284[992的 3.1);-调整了悬浮液分散稳定性指标(本标推的3.2,FIG/T2284—1992的3.1);—-取消了水分,颗粒细度指标(HG/T2284-1992的3.1)1一增加了大颗粒、防尘性、有害芳香胺的和重金属元素的量指标和测定方法(本标推的3. 2 和5.5、5. 6.5. 7.5. 8) ;
色度指标中取消了耐丝光、耐热压中的立即评级指标,调整了耐洗色牢度测定度和部分色牢度指标,增加了耐汗光色牢度指标及测试方法(本标准的3.3,5.9.8,HIG/T2284--J992的3.2)一调整片增加『色光和强度的测定方法(本标准的5.2,HG/T2284-1992的4.2);--增加了箱包装内穿(本标准的7.2)。本标准由中国石油和化学上业协会提出。本标准出全国染料标准化技术委员会(SAC/TC131)归口本标准起草单位:亚邦化L集闭有限公司,沈阳化T.研究院。本标准王要起草人:周多刚,马君庆、詹国清。本标1992年首次发布为推撑性化工行业标准HG/T2284一1992。1范围
还原艳绿FFB(C.I.还原绿
HG/T 2284—2008
本标准规定了还原艳绿FFB(C.L.还原绿1,还原艳绿 3B)产品的要求、采样试验方法,检验规则以及标志、标签、包装运输和贮存。本标准适用于还原艳绿FFB的质量控制。该产品主要用于棉纤维的染色及其织物的印花。也可用于塑料、肥皂和纸张的着色。结构式:
分子式:Csh H2u0
相对分了质量:516.55按2005年国际相对原子质量)CAS:128-58-5
2规范性引用文件
下列文件中的条款通过本标准的引用而成为本标准的条款。凡是注日期的引用文件,其随后所有的修改单(不包括助误的内容)或悠订版均不适用于本标准,然而,鼓励根据本标准达成协议的各方研究是否可使用这些文件的最新版本。凡是不注日期的引用文件,其最新版本适用于本标准。G3/T 2374- 2007
染料染色测定的--般条件规定
CB/T2377—2006还原染料色光和强度的测定GB/T3920—1997
纺织品牢度试验耐蟑擦色牢度(egvIS0105-X12:1993)GB/T 3921.1—-1997纺织品色华度战验耐洗色华度:试验4(eyVIS0) 105-C01:1989)纺织品耐汗渍色牢度试验方法(cqVISO105-F04:1994)GB/T 3922-1995
GH/T 44672006
,染料悬浮液分散稳定性的测定GB/T 4841.1-2006染料染色标深度色卡1/1GB/T 5542--2007
GB/T 6152—1997
GB/T6678—2003
GB/T 6693—1997
CB/T 7069—1997
染料大颗粒的测定
单层滤布过滤法
纺织品色牢度试验
化工产品采样总则
耐热压色牢度(eqvIS0) 105-X11:1994)染料粉尘飞扬性的测定(illIS)105-Z06:1996)纺织品色牢度试验
GB/T 8427—1998
纺织品
GB/T 14576—1993
色牢度试验
耐次氧酸盐源白色牢度(egvIS0105-N01:1993)耐人造光色牢度:氙弧(eyIS0)105-B02:1994)纺织品耐光,汀复合色车度试验方法GB19601染料产品中23种有害芳香胺的限量及测定CB 20814染料产品中10种重金属元紊的限量及测定HG/T3399-2001染料扩散性能的测定3要求
3.1外观:深绿色至黑色颗粒或均匀粉末。HG/T 2284—2008
3.2还原艳绿FFB的质量应符合表1的规定。表 1 还原艳绿 FFB的质量要求
1.强度(为标准品的)/分
2.色光(与称雅品)
3.扩散性能/级
4.防坐性/级
5.人颗粒/级
6.总净液分散稳定性/%
7.布害芳香胺的量/(g/kg)
2.重金属元素的最/(rng/kg)
近似~微
良一优
符合GB19601的标雅要求
符合 GH 20814 的标准要求
还原艳绿FF3在纯棉织物上的色牛度应不低于表2的规定:表2还原艳绿FFB在纯棉织物上的色牢度染耐
耐汗光
4-~3-1--5
注:2.1为(ow)相下1门染色标准深度4采样
±~-5 4~-5
耐摩势
耐势压
200℃
(4h后)
酷饮紅
以批为单位采样、生产厂以一次拼混均匀的产品为一批。每批采样拥数应符合G3/16678一2003中7.6的规定。所采样产品的包装必须完好、采样时勿使外界杂质落人产品中。用探管从拥上.中,下三部分采样,所来样品总量不得少于200R,将所来样品充分混勺后,分装于两个清洁、「燥、密封良好的容器中、其上粘贴标签。注明;产品名称、批号、生产厂名称、采样口期、地点。-个供检验,-个保存备查。
5试验方法
5.1外观的评定
采用月规评定。
5.2色光和强度的测定
5.2.1浸染法(仲裁检验方法)
5.2.1.1染色一般条件
染色的--般条件应符合GB/T2374-2007的有关规定。染色按GH/I2377:-2006中乙法全浴还源进行,
染色用棉布或棉纱:5g,染色辫比:1:40;或用棉纱:10g,浴比,1:20,染色深度:2(0wf)5.2. 1.2还原液配制
每升50℃的水中,加人400g/L的氢氧化钠溶10 mL,85%的保险粉6g,充分搅拌溶解配成还原液。此溶液临用前配制
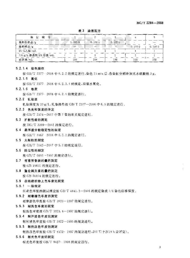
5.2.1.3染液配方
以5各棉布或棉纱染色为例,染腋配方见表3。2
染料标准品/
染料样品/g
5%乙酶/nl.
100 R/L渗透剂 BX落液/mL
还原液/ml
5.2. 1.4染色操作
表3染液配方
HG/T 2284—2008
按GB/T2377-20C6中6.2.2的规定进行,染色1min后.各染缸分别补加无水硫酸钠3g5. 2. 1. 5氧化
按GB/T237720C6中6.2.3.4的规定,双氧水氧化,5. 2. 1. 6皂煮
按GB/T 2377.2006 中 6.2. 1的规定进行。5.2.2轧染法
轧染深度为20g/L,轧染操作按GB/T2377—2006中6.3的规定进行5.2.3色光和强魔的评定
接GB/T2374—2067第7章的有关规定进行、5.3扩散性能的测定
按HIG/T 3399—2001的规定进行5.4悬浮液分散稳定性的测定
按GB/T44672006中6.2.2的规定进行。5. 5大颗粒的测定
按CB/T5542—2007中5.2的规定进行。5.6防尘性的测定
按GJ3/T 6693-1997的规定进行。5.7有害芳香胺的量的测定
按GB 19601 的规定进行。
5.8互金属元素的量的测定
按GB20814的规定进行。
5.9在纯棉织物上色牢度的测定
5.9.7—般规定
所有色牢度的测试样应按GB/T 4841.1—2006的规定染成1/1染色标谁探度,5.9.2耐率擦色牢度的测定
耐摩操色牢度按GB/T 392C—1997的规定进行5. 9. 3耐洗色牢度的测定
耐洗色牢度按GJ3/T3921.4—1997的规定进行。5. 9. 4耐汗溃色牢度的测定
耐汗溃色牢度按CB/T3922--1995的规定进行。5. 9. 5耐热压色牢度的测定
耐热压色牢度按GB/T 6152- 1997的规定进行,20C十乐(1 h后评定)。5.9.6耐光色牢度的测定
耐光色牢度按GB/T8427--1998的规定进行3
HG/T 2284--200B
5. 9. 7耐次氧酸盐源白色牢度的测定耐次氯酸盐漂白色年度按GB/T 7069—1997 的定进行。5.9.8耐汗光色车度的测定
按GB/T 11576—-1993中 7.2的规定进行。6检验规则
6.1检验分类
本标准的 3. 1 和 3. 2 中 1~5 项为出」 检验项目,应逐批进行检验。在正常连续生产情况下,每年至少进行一次型式检验。但如有下述情说需进行型式检验:a)新产品最初定型时。
h)产品异地生产时。
c)生产配方,工艺及原材料有较大改变时,)停产三个月后又恢复生产时。e)客户提出要求时。
6.2出厂检验
还原艳绿FFB应由生产』的质量检验部门进行检验,生产厂应保证所有出厂的还原艳绿FFB都符合本标准的要求。
6. 3复检
如果检验结果中有-·项指标不符合本标准的要求时,应重新自两倍量的包装中取样进行检验,重新检验的结果,即使只有一项指标不符合本标雅要求,则整批产品不能验收。7标志、标签、包装、运输、贮存7.1标志,标签
还原艳绿FFB的每个包装桶/箱上都应涂上牢固,清晰的标志,注明:产品名称,规格,注册商标、净含量,生产厂名称、厂址、标准编号、批号、生产日期。也可将批号、生产日期打印在标签上,并和产品质量检验合格的证硼一起放人包装桶/箱内的塑料教外面。7.2包装
还原艳绿 FFB装-于内衬塑料袋的包装桶/箱内,并加密封和封印,每桶/箱作含量 25 kg,其他包装可与用户协商确定,
7.3运输
运输时应防止倒置,小心轻放,避免碰遭,切勿摄坏包装。7. 4贮存
还原艳绿FFB应贮存于阴凉、十燥通风处,防止受潮受热,标准号
HG/T 3768--3769- 2005
HG/T 2253-2005
HG/T 3773- 2005
HG/T 2748- 2005
HG/T 2991—2005
HG/T2667—2005
HG/T 2552-2005
HG/T 3806~3807—2005
HG/T 2668 -2006
HG/T 2745—2006
HG/T 3401-2006
HG/T 2075 -2006
HG/T 2548--2006
HG/T: 20H4 --2085-- 2006
HG/T 2664~-2665-2006
HG/T 2587—2006
HG/T2083-—200G
HG/T 3888-3892-·2006
HG/T 2082—2006
HG/T 2281--2006
HG/T 3893--390420D6
HG/T 39053910 -2006
HG/T 2750-2006
HG/T3911-2006
HG/T 3822--3823-2006
HG/T 3601 -2006
HG/T 3959- -2007
IIG/T 3408—2007
IIG/T 3956-~ 3958—2007
HG/1 3950~3965—2007
HG/T 3675—2007
HG/T 2306-2007
I[G/T 3968--3969—2007
HG/T 3970--3971- 2D07
HG/T 39672007
HG/T 398H-- 2007
近期出版染料类化工行业标准目录标准名称
反应红 M-6BE
反应黄M-3RF
反虚黑 KN-8FGwwW.bzxz.Net
分激黑 EX-SF 300 %
直接红B
厂直接翠蓝L-G
分散红FB 200 %
反应艳蓝 KN-3RI
分散深红 SE-4RI. 200 %
分散红 S-G 200 %
色酚AS-D
2-羟基-3 禁甲酸
间萃二胺
J 酸(2-氨基-5-苯酚-7-磺酸)
2氨基-1-紫磺酸(吐氏酸)
反应金黄 K-3G反应艳 K-4G
反应艳红X-4B反应嫩黄K-4G
反应翠蓝KN-G
性紫 3B
酸性和直接染料(2006)酸性黑NM-3BRL140%酸性红 P-5BL 200 虹接红 D-7B血接红 D-R直接深蓝 L 3RB
次硫酸氢钠甲醛(雕白块)
HG/T2284—2008
酸性黄P-1RL200%
分散染料(2006)分散艳英 F-4G:L 200 %分散艳慢 E-3RL 200 %分散红F-2GL200%分散红SE-$B200%分散红S-5B200%分散红3BI.200%分徽监SE-2R200%分微蓝 SBL 200 %
分散蓝EX-SF300%分散黄ACE分散蓝ACE分散红ACE水济性硫化染料(2006)水溶性硫化蓝2BN水膀性硫化宝蓝CV水滞性硫化亮绿水溶性硫化红棕133R水性硫化黄棕 5G水济性硫化淡黄GC
2,3-二氨-1,1-萘酶
染天冬氨酸(盐)巢环氧娩珀酸(盐)分散橙 SF-5R1, 200 光
色酚 AS-PH
2·氨基-8 禁酸-6-磺酸(Y酸)
染料中间体(2007)
反映染料(2007)
荧光增白斌CXT(C.I.荧光增白剂 7))1-苯基-3-印基-5-吡唑酮
酸性P3R(C.I.酸栅116)酸性深紫P-5R(C.L酸性红299)荧光增白剂SH(C.1荧光增白自剂210)荧光增白剂 HST(C.L荧光增户剂 357)荧光增白剂 MST-1I(C. 1. 荧光增白剂 353)高温染剂 A1,S
HG/T2284—2008
标准号
G/T 2280—2007
HG/T 3025 -2007
HG/T 3990 -2007
HG/T 2896 --2007
IHG/斤3991995
HC/T 2551=2007
HG/T 34G—2007
HG/T 4031--2008
HG/T 4030- -2008
HG/T 4029
TG/F 4027
-4025-2008
JIG/T 4026
HG/T4025
「HG/T4024-2006
【HG/T4022
HG/T3420
HG/T 3419
HG/T 3417
【HG/T2569
【HG/T2284-2008
HG/T2278—2008
HG/T 4040- 2008
HG/T 4038--4039 -2008
HG/T 4035~4035-2008
HG/T 4037- 2008
FIG/T 4034--2008
HG/T 4033 -2008
HG/T 4032 -2005
HG/1 2810 -2008
HG/T 4023-2008
HG/T: 3426 -2008
HG/T 1056-~-4057 -2008
HGF/T 4045--4046-20C
HG/1 4053~4051
HG/T4059-200X
HG/T 4058—2C08
HC/T 4055-2008
HC/T 4052—2C08
HG/T 4051-2008
HC/T4019--4050—2008
HG/T 4048- -2005
HG/T4G47-2008
HG/T 4044- -2065
HC/T 4043—2008
HG/T 4012--2008
HG/T 4041--20G8
色酚AS-G
间苯二龄(1.3-苯二酯)
游名称
荧光增白剂 D.4 (C. 1. 荧光增白剂 11:3)硫化深盘 3RB(C. 1. 硫化蓝 7)【酸性染料(2307)
1 阳离子光红 X-Is(C. 1. 碱性红 14)柔软剂软片 L
还源深蓝 B()(C, 1. 还原脂 20)溶剂红 4岁(C. I.溶剂红 45)
反应监 KN-2B(C. L 反应监 220)耐碱精练渗透剂
有机硅高溢消泡剂
分傲黄E3G(C.1.分散黄G4)
酸性黄 NM-1ILN(L. I. 酸性黄 151)还原卫接黑 RB(C.L.还原黑 9)
对氯邻硝基萃峻(红色晕 SGL)
还源嫩榄绿 1BXC. I. 还原绿 3)酸性深监 P-2RB(C,1, 颤性蓝 113)反应翠蓝 K-GL(C. L 反血 14)
邻氨基苯甲醚
还原艳绿 FFB((7,1、还谅录1)
乙酰乙酰苯胺
液体硫化黑
还原深监VB(还原深蓝4BK)还原艳紫2RC.1.还原紫1)反应深蓝M2GE(T:1.反应蓝194)反应跑菌 M 4G(C. 1.反应黄 18G)乳化剂FM
荧光培白剂 SWN(C、[. 炭光增白剂 140)反应蓝 P-SR(C, 1. 反应蓝 19)邻氣对硝萃胺
往复运动橡胶密封开材料
分散率监5GI.(C.1.分敲蓝6C)
还原棕 3R(C L. 这原标 1)
述原益 BC(C. 1. 还原蓝 6)还琼焱 M(C. 1. 述原黑 8)反应深蓝KiN-2G(C.L反应蓝203)反应红RW205%(活性超级红RW)分做红SE-HL(CL.分做红146)分散红.5E-BLSF(C.1.分做红92)还原橄 1(C. 1. 还原黑 25)
【分散蓝SHWF 400%(C.1.分散蓝 282)还原棕GS
酸性黄 NM-4RL(C. I. 酸性黄 128)反血他红 K-2 B(t 1. 反应红 24)应黑 W-2N 反应黄 W-NN
反应橙 RW 200 %(活性超级橙 RW)溶剂棕 41(C. I. 溶剂保 41)
分嵌原$HWF 200 X(C.1.分散棕19)整合分散剂
硫化探薪 3R(C,1.硫化些 5)
友成红 W-NN
中华人民共和司
化工行业标准
还原艳绿 FFB[C. 1.还原绿 1]
HG/T 228:2U0R
尚版发行:化学出业出版社
(北京小东域区市年期南街 13 号断政编码 100:1::北京长浩印刷有限责行公司印装H20m::x1230mm1/:t
印张字数9千字
2008年℃H北京第1版第1次印剂
号,175(085 - 061:
购书许询:61061518588
传服务:210-64513899
ti.hup:t/cipj.tum.ca
凡购头本书.如有缺损质匿问题.不礼销替中心负资调换定价:8. m元
版权所有违者必究
小提示:此标准内容仅展示完整标准里的部分截取内容,若需要完整标准请到上方自行免费下载完整标准文档。

标准图片预览:





- 其它标准
- 热门标准
- 化工行业标准(HG)
- HG/T20592-2009 钢制管法兰(PN系列)
- HG/T2028-2009 代替 HG/T 2028-1991 工业用二甲基甲酰胺
- HG/T2765.6-2005 B 型硅胶
- HG/T3533-2003 工业循环冷却水污垢和腐蚀产物中灼烧失重测定方法
- HG/T5087-2016 2,6-二叔丁基苯酚
- HG/T4004-2008 医用感绿X射线胶片
- HG/T3525-2003 工业循环冷却水中铝离子的测定邻苯二酚紫分光光度法
- HG/T3139.4-2001 釜用立式减速机 LPJ 系列圆柱齿轮减速机
- HG/T3536-2003 工业循环冷却水污垢和腐蚀产物中二氧化碳含量的测定方法
- HG/T2301-1992 压缩空气用织物增强热塑性塑料软管
- HG/T3793-2019 代替 HG/T 3793-2005 热熔型氟树脂(PVDF)涂料
- HG/T3858-2006 稀释剂、防潮剂水分测定法
- HG/T4009-2008 瓦楞纸板印刷用柔性树脂版
- HG/T2594-1994 各色氨基烘干磁漆
- HG/T3411-1989 对氨基乙酰苯胺(原ZB/TG56006-88)
- 行业新闻
网站备案号:湘ICP备2023016450号-1