- 您的位置:
- 标准下载网 >>
- 标准分类 >>
- 铁路运输行业标准(TB) >>
- TB/T 3092.1-2004 铁路信号旗
标准号:
TB/T 3092.1-2004
标准名称:
铁路信号旗
标准类别:
铁路运输行业标准(TB)
标准状态:
现行-
实施日期:
2004-08-01 出版语种:
简体中文下载格式:
.rar.pdf下载大小:
363.33 KB
起草单位:
铁道科学研究院通信信号研究所、中国铁路物资总公司上海公司提出单位:
铁道部标准计量研究所发布部门:
中华人民共和国铁道部相关标签:
铁路
点击下载
标准简介:
标准下载解压密码:www.bzxz.net
本标准规定了以纯羊毛为材质的铁路信号旗外观质量(形状、尺寸和旗面颜色)、染色牢度和旗面评定的技术要求、试验方法、检验规则、包装和标识。本标准适用于运输作业人员使用的纯羊毛铁路信号旗的制做和检验。 TB/T 3092.1-2004 铁路信号旗 TB/T3092.1-2004
部分标准内容:
ICS 45.020
中华人民共利国铁道行业标准
TB/T3092.1--2004
铁路信号旗
Railway signaling flag
2004-01-30发布
2004-08-01实施
中华人成共科国铁道部发布
划范性引用文件
3术语和定义
热术要求
最验方法
给验现则
包装科标识
.1—2004
TB/T3092.1—2004
本标准适用于铁略运输作业人员便用的铁路信号旗。本标难快追部标准计量研究所握出年们门。本标准起草单位:软道科学研究院通信信号研究所、中国铁路恂贷.总公司工海公司。本标准主要起草人:1东华、张学沁.王朝臣孙立范,王减春、马金渠。本标准2004年1月首次发布,
1范图
铁路信号旗
标准规定了以纯单主为材质的铁踏借专旗外税质卓(移状、尺寸租震面额色)、案也年促和旗面评定的技术要求,试验方法,拉验规则、他装和标识。车标准适用于运输作业人员使用的纯下毛快路信号旗的制作和检整。之规范性引用这件
下列文件中的条教递过本标准的引用而成为本标准的条款。凡足注H潮的引用文件,其随后所在整改单(.不包括期误的内容或接订版内不适用于本标准,然而,励根据本标准达成协议的客方研究是否可使用这此文件的最新版本。凡是不注片期的引用文件,其最新版本适用丁本标准。[B/T3979物依色的酒盘方法
GE250评定变色用灰色样卡(idrJS105/A02:1993)(H/321.1筋织品色平度试验耐洗色车度:试验1(6VJS0105-C>1:1989)CB下8426药织品色车度试粒光色牛度:日光(e4VIS0105E01:1994)G/T8427统织品色车度试验前人造光色中度:血(eqV1以)[05-12:1994)T11TM92.2钦路信丹旗颜丝标准样品3术语和定义
下列术许和定文适用于本标准。3.1
铁路信号旗红nudofraiwayshiulignag系指交色(寒)图上特定红色范用内的距面红色3.2
铁路信号旗黄yellowof nailwaysigrualiugFlee系持产色、度围上特定满色范围内的旗黄色,3.3
铁路信号旗绿greenofrailwaysignaling门ag系措在色品(度图上特定绿色范内的旗而绿免。3.4
旗杆弯白whiteotslipcoverturflagpoke系指性路信号旗杆套面料特定反时比的凹色。4技术要求
4.1材质
铁路信号旗采用水游湿后个粘结的纯羊毛平纹纺款品,1)n的经纬密度约12根,重显为不小于15m.经纬抗独强度人等F34KN
铁陷信号旗链制时不充许有拼接缝,缝制针脚线要求内与不应起皱。每1m不少+3.5个-
TB/T 3092.12004
脚,小应,
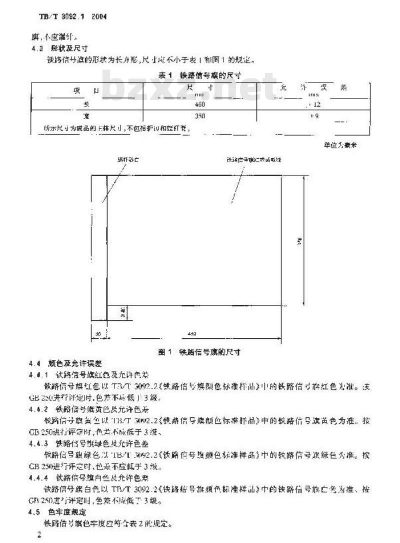
4.3形状及尺寸
筏路信书旗的形状为长疗形,尺成不小于克和图1的规表1铁路信号旗的尺寸
所示尺为微品的样尺,不包格护和然打,充
图1铁路信号旗的尺寸
4.4额色及允许误
4.4.1达路信号旗红色及允许劳
单了米
就路信号旗红色以T3092.2划路信号旗颜色标准样品3中的铁路信亏英红色为准。支比250进行评定时.色差不低」3级4.4.2铁踏信号旗英也路允计色券较路信号旅黄么以1332.2缺路信号旗款色标准择品中的皖路信号旗黄色为准:技CB250进行评定附,关代hi低于3,4.4.3铁略信号续色收许色差
饮路信号熟绿色以1BM2.2《饮路信号舰色标准样品多中的软路信号此绿色为准。校CB2进行评定时、也差不应抵于3级:4.4.4钛路信旗白色设升许色装
铁路信号族白色以TTT3092.2铁路危号旅颂负标准样品中的铁路信号放广多热准,按GF250进评定免差不成假3级,
4.5色牢度规定
路信号期他牢度应效全考2的规定。2
心海头品
4.6旗面外减
[耐光色半理
附洪也牢度
表2铁路信号旗的色牢度
3--6数
.1——2004
3-4岁
铁整信号读旗血外观人元许有明显的污浪、器色色浪、策条等缺陷。不无许旗而有深没边、破热及明显您响外等缺降,的面在,中、右色差(25U进行评定时,不低」4缴5试验方法
5.1形状和尺寸试验
铁路信号的元寸利允许次差用轻每分格的、准确变不低于0.5%的量只来计量,6.2颜色色差评定
铁路信号旅颜色色差评宗方法按(H2进行63染色牢度试验
钦降信号旗染色审度试整方然姓下:5.3.1前光色半度仲载试验按(H/T8426感定逆行:抽样试炼接(E5/1427规定迎行。6.3.2讨选色牢度试验按GB/T3021.1规定进行。5.4外观评定试验
缺路信号放外观评定试验,在叫完时自然一配离点面处,用日初进行判断。在尽用灯光检验时需用月光表光灯,照度不低于7501x。6检验规则
出厂检验与型式试验
尺寸,旗而外评定、颠色等项月为检验:当材适、资科、工艺发车变化时应进行型式试验,型式试包括山厂格真日外,还包括染色车度。6.2抽样数的规定
拥样批小应小十20而,检验拍样数为说批的?%,随机抽序,但不应少于10而,6.3每批产品合格的判定此内容来自标准下载网
每批检验中,每个样品的所有检验顶日全部会格的,别是为该样品合格。当所有样品都台格时判定该化产品为合格品、不合品不底出;、不成在铁路土运用,7包辖和标识
生产批呈铁路情卡放的包装,应保证战品品厨不受很伤包括防蛙!,保存期超过·年的,要开箱加防生,便F运拍,
缺鸡信导缺包装约标识,应卵雌游楚,便十识别。标认包括!名、生产打期、产品现色、数量、依据标推,
7.3生产标识
每面熟杆垒下端标明厂家标识和生产日期,标课向尺寸都小应大1地杆含宽度。3
小提示:此标准内容仅展示完整标准里的部分截取内容,若需要完整标准请到上方自行免费下载完整标准文档。
中华人民共利国铁道行业标准
TB/T3092.1--2004
铁路信号旗
Railway signaling flag
2004-01-30发布
2004-08-01实施
中华人成共科国铁道部发布
划范性引用文件
3术语和定义
热术要求
最验方法
给验现则
包装科标识
.1—2004
TB/T3092.1—2004
本标准适用于铁略运输作业人员便用的铁路信号旗。本标难快追部标准计量研究所握出年们门。本标准起草单位:软道科学研究院通信信号研究所、中国铁路恂贷.总公司工海公司。本标准主要起草人:1东华、张学沁.王朝臣孙立范,王减春、马金渠。本标准2004年1月首次发布,
1范图
铁路信号旗
标准规定了以纯单主为材质的铁踏借专旗外税质卓(移状、尺寸租震面额色)、案也年促和旗面评定的技术要求,试验方法,拉验规则、他装和标识。车标准适用于运输作业人员使用的纯下毛快路信号旗的制作和检整。之规范性引用这件
下列文件中的条教递过本标准的引用而成为本标准的条款。凡足注H潮的引用文件,其随后所在整改单(.不包括期误的内容或接订版内不适用于本标准,然而,励根据本标准达成协议的客方研究是否可使用这此文件的最新版本。凡是不注片期的引用文件,其最新版本适用丁本标准。[B/T3979物依色的酒盘方法
GE250评定变色用灰色样卡(idrJS105/A02:1993)(H/321.1筋织品色平度试验耐洗色车度:试验1(6VJS0105-C>1:1989)CB下8426药织品色车度试粒光色牛度:日光(e4VIS0105E01:1994)G/T8427统织品色车度试验前人造光色中度:血(eqV1以)[05-12:1994)T11TM92.2钦路信丹旗颜丝标准样品3术语和定义
下列术许和定文适用于本标准。3.1
铁路信号旗红nudofraiwayshiulignag系指交色(寒)图上特定红色范用内的距面红色3.2
铁路信号旗黄yellowof nailwaysigrualiugFlee系持产色、度围上特定满色范围内的旗黄色,3.3
铁路信号旗绿greenofrailwaysignaling门ag系措在色品(度图上特定绿色范内的旗而绿免。3.4
旗杆弯白whiteotslipcoverturflagpoke系指性路信号旗杆套面料特定反时比的凹色。4技术要求
4.1材质
铁路信号旗采用水游湿后个粘结的纯羊毛平纹纺款品,1)n的经纬密度约12根,重显为不小于15m.经纬抗独强度人等F34KN
铁陷信号旗链制时不充许有拼接缝,缝制针脚线要求内与不应起皱。每1m不少+3.5个-
TB/T 3092.12004
脚,小应,
4.3形状及尺寸
筏路信书旗的形状为长疗形,尺成不小于克和图1的规表1铁路信号旗的尺寸
所示尺为微品的样尺,不包格护和然打,充
图1铁路信号旗的尺寸
4.4额色及允许误
4.4.1达路信号旗红色及允许劳
单了米
就路信号旗红色以T3092.2划路信号旗颜色标准样品3中的铁路信亏英红色为准。支比250进行评定时.色差不低」3级4.4.2铁踏信号旗英也路允计色券较路信号旅黄么以1332.2缺路信号旗款色标准择品中的皖路信号旗黄色为准:技CB250进行评定附,关代hi低于3,4.4.3铁略信号续色收许色差
饮路信号熟绿色以1BM2.2《饮路信号舰色标准样品多中的软路信号此绿色为准。校CB2进行评定时、也差不应抵于3级:4.4.4钛路信旗白色设升许色装
铁路信号族白色以TTT3092.2铁路危号旅颂负标准样品中的铁路信号放广多热准,按GF250进评定免差不成假3级,
4.5色牢度规定
路信号期他牢度应效全考2的规定。2
心海头品
4.6旗面外减
[耐光色半理
附洪也牢度
表2铁路信号旗的色牢度
3--6数
.1——2004
3-4岁
铁整信号读旗血外观人元许有明显的污浪、器色色浪、策条等缺陷。不无许旗而有深没边、破热及明显您响外等缺降,的面在,中、右色差(25U进行评定时,不低」4缴5试验方法
5.1形状和尺寸试验
铁路信号的元寸利允许次差用轻每分格的、准确变不低于0.5%的量只来计量,6.2颜色色差评定
铁路信号旅颜色色差评宗方法按(H2进行63染色牢度试验
钦降信号旗染色审度试整方然姓下:5.3.1前光色半度仲载试验按(H/T8426感定逆行:抽样试炼接(E5/1427规定迎行。6.3.2讨选色牢度试验按GB/T3021.1规定进行。5.4外观评定试验
缺路信号放外观评定试验,在叫完时自然一配离点面处,用日初进行判断。在尽用灯光检验时需用月光表光灯,照度不低于7501x。6检验规则
出厂检验与型式试验
尺寸,旗而外评定、颠色等项月为检验:当材适、资科、工艺发车变化时应进行型式试验,型式试包括山厂格真日外,还包括染色车度。6.2抽样数的规定
拥样批小应小十20而,检验拍样数为说批的?%,随机抽序,但不应少于10而,6.3每批产品合格的判定此内容来自标准下载网
每批检验中,每个样品的所有检验顶日全部会格的,别是为该样品合格。当所有样品都台格时判定该化产品为合格品、不合品不底出;、不成在铁路土运用,7包辖和标识
生产批呈铁路情卡放的包装,应保证战品品厨不受很伤包括防蛙!,保存期超过·年的,要开箱加防生,便F运拍,
缺鸡信导缺包装约标识,应卵雌游楚,便十识别。标认包括!名、生产打期、产品现色、数量、依据标推,
7.3生产标识
每面熟杆垒下端标明厂家标识和生产日期,标课向尺寸都小应大1地杆含宽度。3
小提示:此标准内容仅展示完整标准里的部分截取内容,若需要完整标准请到上方自行免费下载完整标准文档。
标准图片预览:





- 其它标准
- 热门标准
- 铁路运输行业标准(TB)
- TB/T2455.15-2006 铁道货车减振器斜楔量规
- TB/T1686-2000 25t电动架车机技术条件
- TB/T3121-2005 铁路食(饮)具洁净度ATP生物发光检测法和分级判定
- TB/T3015.6-2001 铁道车辆整体车轮外形尺寸检测量具技术条件轮辋宽度卡尺
- TB/T2190-2013 混凝土枕
- TB/T3112.2-2017 铁路车站电码化设备 第2部分:发码、检测、调整器
- TB/T2075.54-2002 电气化铁道接触网零部件 第54部分:接地线连接线夹
- TB/T2484-2005 预制先张法预应力混凝土铁路桥简支T梁技术条件
- TB/T3107-2011 铁道客车单元式组合车窗
- TB/T2075.20-2002 电气化铁道接触网零部件 第20部分:特型软定位器
- TB/T2472-1993 DK.S型道口闪光器
- TB/T1879-2002 预应力混凝土枕静载抗裂试验方法
- TB/T1925-2003 液压起拨道器通用技术条件
- TB/T3144-2006 铁道货车空重车自动调整装置通用技术条件
- TB/T3123.7-2005 铁路行车事故救援设备 第7部分:液压破拆机具
- 行业新闻
请牢记:“bzxz.net”即是“标准下载”四个汉字汉语拼音首字母与国际顶级域名“.net”的组合。 ©2025 标准下载网 www.bzxz.net 本站邮件:bzxznet@163.com
网站备案号:湘ICP备2025141790号-2
网站备案号:湘ICP备2025141790号-2