- 您的位置:
- 标准下载网 >>
- 标准分类 >>
- 铁路运输行业标准(TB) >>
- TB/T 2887-1998 铁道专用27.5kV级油浸式电力变压器技术参数和要求
标准号:
TB/T 2887-1998
标准名称:
铁道专用27.5kV级油浸式电力变压器技术参数和要求
标准类别:
铁路运输行业标准(TB)
标准状态:
现行-
发布日期:
1998-02-24 -
实施日期:
1998-09-01 出版语种:
简体中文下载格式:
.rar.pdf下载大小:
1.26 MB
点击下载
标准简介:
标准下载解压密码:www.bzxz.net
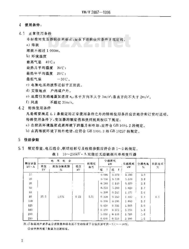
本标准规定了铁道专用27.5kV级单相10~250kV·A、三相30~6 300kV·A油浸式电力变压器的性能参数。技术要求、测试项目、检验规则、标志、起吊、安装和贮存。本标准适用于铁道专用27.5kV级额定容量:单相10~250kV·A、三相30~6 300kV·A额定频率50Hz的双绕组油浸式电力变压器。 TB/T 2887-1998 铁道专用27.5kV级油浸式电力变压器技术参数和要求 TB/T2887-1998
标准图片预览:





- 热门标准
- 铁路运输行业标准(TB)
- TB/T2120-1990 铁路信号交流继电器通用技术条件
- TB/T3102.29-2005 机车车辆用曲面卡套式管接头 第29部分:四通管接头体
- TB/T2075.20-2002 电气化铁道接触网零部件 第20部分:特型软定位器
- TB/T3010-2001 铁道车辆滚动轴承高碳铬轴承钢订货技术条件
- TB/T3085.1-2003 铁道客车车厢用灯 第1部分:卧铺车厢用ELD地灯
- TB/T3194-2008 起重轨道平车
- TB1549.3-1984 冷冲模托料滚道装置 托料滚道组合
- TB/T1669.23-1985 13号车钩钩体腔回转样板下侧曲面(R152)的校对样板
- TB/T1669.25-1985 13号车钩钩舌回转样板上侧曲面(R153)的校对样板
- TB/T1987-2003 机车车辆轮对滚动轴承磁粉探伤方法
- TB/T3092.1-2004 铁路信号旗
- TB/T3100.2-2004 铁路数字信号电缆 第2部分:塑料护套铁路数字信号电缆
- TB/T3443.3-2016 机车车辆车种、车型和车号编码规则第3部分:货车
- TB/T122-2001 机车车辆产品图样及设计文件编号原则
- TB/T1669.3-1985 13号车钩钩体腔回转样板下侧曲面(R152)的校对样板的基准样板
- 行业新闻
请牢记:“bzxz.net”即是“标准下载”四个汉字汉语拼音首字母与国际顶级域名“.net”的组合。 ©2025 标准下载网 www.bzxz.net 本站邮件:bzxznet@163.com
网站备案号:湘ICP备2025141790号-2
网站备案号:湘ICP备2025141790号-2