- 您的位置:
- 标准下载网 >>
- 标准分类 >>
- 国家标准(GB) >>
- GB/T 12733-1994 工业用变速宽V带尺寸
标准号:
GB/T 12733-1994
标准名称:
工业用变速宽V带尺寸
标准类别:
国家标准(GB)
标准状态:
已作废-
发布日期:
1991-02-01 -
实施日期:
1995-10-01 -
作废日期:
2008-06-01 出版语种:
简体中文下载格式:
.rar.pdf下载大小:
134.16 KB
替代情况:
替代GB 12733-1991;被GB/T 15327-2007代替采标情况:
=ISO 1604-89
部分标准内容:
中华人民共和国国家标准
工业用变速宽V带尺寸
Size of variable-speed-changers wide V-belts for industry本标准等效\采用国际标准ISO1604--1989《带传动设备槽形》。
主题内容与适用范围
GB/T 12733-94
代替GB12733--91
一工业用环形变速宽V带及相应带轮本标准规定了工业用变速装置中所用变速宽V带(简称“宽V带”)的主要尺寸及其测量方法。本标准适用于工业用变速装置中所用的变速宽V带,不适用于机动车(摩托车、轿车等)或农业机械上使用的变速宽V带。
变速宽V带的特征是其相对高度(高度与节宽之比)约为0.32。2引用标准
GB321优先数和优先数系
3型母和截面只寸
3.1型号
宽V带推荐九种型号为:W16、W20、W25、W31.5、W40、W50、W63.W80、W100。注:型号中的数字系指带的节宽公称值。在需要上述范翻以外的节宽值时,可以从R10优先数系中选取适当的优先数加以补充。
3.2截面尺寸
宽V带的截面(见图1)尺寸应符合表1的规定。图1宽V带截面
采用说明:
1)本标准不包括IS01604—1989中的带轮部分。国家技术监督局1994-12-22批准222
标搜度网
专火标注行业资术免费下载
1995-10-01实施
项宽6
节宽,
节线以上高度h。
节线以下高度h,
高度h
GB/T 12733—94
表中h、ho、ha的数值按(1)~(3)式计算:W31.5
ho-0.08bp0.25h
hu-0.24bg-0.75h
式中,h —带高,mm,
b,-一节宽,mm;www.bzxz.net
h。—节线以上高度,mm,
一节线以下高度,mm。
3.3带的楔入位置
(2)
(3)
按第7条规定对带进行检验时,带的露出高度不得超出表2规定的范围。带的底边应位于刻线H,以上(见图4)。
露出高度
注,本标准中露出高度系指带的顶面高于测量带轮上刻线H,的高度(见图4)。3.4长度
带的基准长度及其极限偏差见表3。表3
基准长度
极限偏差
标池授使网r.b2
m务炎标法行业资料-免费下载
基准长度
极限偏差
GB/T12733—94
续表3
注:①基准长度极限偏差规定值按基准长度的士2%计算。W40
②如需要表3范翻以外的带长度时,可以从GB321中R20系列提取的优先数系中补充。W80
③在需要表3中两个相邻长度之间的带长度时,可以从GB321中R40系列提供的优先数中补充。3.5中心距变化量
中心距的变化量a在表4中列出。表4
基准宽度
≤1000
>1000~2000
>2 000~~5 000
4标记
带的标志按下例表示:
发标行业免带费
5带的测量
5.1测量装置
GB/T12733—94
角度,。
基准长度,mm
高度,mm
节宽型号
图2为测量装置简图。该装置主要包括两个相同尺寸的测量带轮,其中一个测量带轮可在张力F的作用下,沿带轮所在平面移动,另一个测量带轮的轮缘处有一个测量带的楔人位置的缺口和刻线,亦称量规轮(见图3)。
图2测量装置
测量轮,2测量轮或量见轮
量规轮
带下务
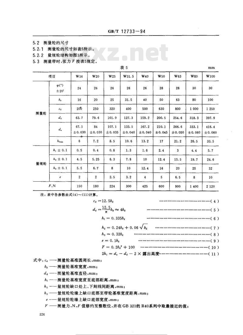
5.2测量轮的尺寸
5.2.1测量轮的尺寸如表5所示。5.2.2量规轮结构如图3所示。
5.3测量带时,张力F按表5规定。项目
测量轮
量规轮
hz ± 0. 1
注:表中各参数由式(4)~(11)计算。GB/T 12733--94
Ca 12.5ba
12. 5bs~ 4ba
ht = 0. 335ba
hz = 0. 24ba + 0. 06 Vba
hs 0.32ba
e = 0. 1bd
F = 0. 26g + 100
2h= d,da—2×露出高度
式中:Ca测量轮基准周长,mm
ba测量轮基准宽度,mm;
da—测量轮基准直径,mm,
ht—测量轮基准宽度至底部距离,mm,hz量规轮缺口处上、下刻线间距离,mm;ha
量规轮轮缘上缺口底部至带轮基准宽度距离,mm,e-一量规轮轮缘上缺口底部宽度,mm;w63
...(6)
服餐e心中中电心
F一测量力,N,F值修约至整数位,并在GB321的R40系列中取最接近的值,226
标注度瘦网AW.bEo
各类标注行业资料免费下载
(8)
? 10)
GB/T12733--94
h,-——量规轮缺口上刻线到基准宽度距离,mm。6检验方法
6.1将被测带装在测量装置上,在按表5规定的测量力下使带至少转动两圈。6.2观察带在量规轮中的楔入位置,带的露出高度应符合3.3条的规定(见图4)。H
图4带的樊入位置
6.3测出两轮中心距后,带的基准长度按式(12)计算:L = 2a+ cd
式中:La—带的基准长度,mm;
一带轮间中心距,mm;
带轮基准圆周长,mm。
附加说明:
本标准由中华人民共和国化学工业部提出。本标准由青岛橡胶工业研究所归口。本标准由上海胶带股份有限公司负责起草。本标准主要起草人陆荣耀、李玉风、周孝庭、于冰。标性授授网
各炎标性行业资料党费下载
小提示:此标准内容仅展示完整标准里的部分截取内容,若需要完整标准请到上方自行免费下载完整标准文档。
工业用变速宽V带尺寸
Size of variable-speed-changers wide V-belts for industry本标准等效\采用国际标准ISO1604--1989《带传动设备槽形》。
主题内容与适用范围
GB/T 12733-94
代替GB12733--91
一工业用环形变速宽V带及相应带轮本标准规定了工业用变速装置中所用变速宽V带(简称“宽V带”)的主要尺寸及其测量方法。本标准适用于工业用变速装置中所用的变速宽V带,不适用于机动车(摩托车、轿车等)或农业机械上使用的变速宽V带。
变速宽V带的特征是其相对高度(高度与节宽之比)约为0.32。2引用标准
GB321优先数和优先数系
3型母和截面只寸
3.1型号
宽V带推荐九种型号为:W16、W20、W25、W31.5、W40、W50、W63.W80、W100。注:型号中的数字系指带的节宽公称值。在需要上述范翻以外的节宽值时,可以从R10优先数系中选取适当的优先数加以补充。
3.2截面尺寸
宽V带的截面(见图1)尺寸应符合表1的规定。图1宽V带截面
采用说明:
1)本标准不包括IS01604—1989中的带轮部分。国家技术监督局1994-12-22批准222
标搜度网
专火标注行业资术免费下载
1995-10-01实施
项宽6
节宽,
节线以上高度h。
节线以下高度h,
高度h
GB/T 12733—94
表中h、ho、ha的数值按(1)~(3)式计算:W31.5
ho-0.08bp0.25h
hu-0.24bg-0.75h
式中,h —带高,mm,
b,-一节宽,mm;www.bzxz.net
h。—节线以上高度,mm,
一节线以下高度,mm。
3.3带的楔入位置
(2)
(3)
按第7条规定对带进行检验时,带的露出高度不得超出表2规定的范围。带的底边应位于刻线H,以上(见图4)。
露出高度
注,本标准中露出高度系指带的顶面高于测量带轮上刻线H,的高度(见图4)。3.4长度
带的基准长度及其极限偏差见表3。表3
基准长度
极限偏差
标池授使网r.b2
m务炎标法行业资料-免费下载
基准长度
极限偏差
GB/T12733—94
续表3
注:①基准长度极限偏差规定值按基准长度的士2%计算。W40
②如需要表3范翻以外的带长度时,可以从GB321中R20系列提取的优先数系中补充。W80
③在需要表3中两个相邻长度之间的带长度时,可以从GB321中R40系列提供的优先数中补充。3.5中心距变化量
中心距的变化量a在表4中列出。表4
基准宽度
≤1000
>1000~2000
>2 000~~5 000
4标记
带的标志按下例表示:
发标行业免带费
5带的测量
5.1测量装置
GB/T12733—94
角度,。
基准长度,mm
高度,mm
节宽型号
图2为测量装置简图。该装置主要包括两个相同尺寸的测量带轮,其中一个测量带轮可在张力F的作用下,沿带轮所在平面移动,另一个测量带轮的轮缘处有一个测量带的楔人位置的缺口和刻线,亦称量规轮(见图3)。
图2测量装置
测量轮,2测量轮或量见轮
量规轮
带下务
5.2测量轮的尺寸
5.2.1测量轮的尺寸如表5所示。5.2.2量规轮结构如图3所示。
5.3测量带时,张力F按表5规定。项目
测量轮
量规轮
hz ± 0. 1
注:表中各参数由式(4)~(11)计算。GB/T 12733--94
Ca 12.5ba
12. 5bs~ 4ba
ht = 0. 335ba
hz = 0. 24ba + 0. 06 Vba
hs 0.32ba
e = 0. 1bd
F = 0. 26g + 100
2h= d,da—2×露出高度
式中:Ca测量轮基准周长,mm
ba测量轮基准宽度,mm;
da—测量轮基准直径,mm,
ht—测量轮基准宽度至底部距离,mm,hz量规轮缺口处上、下刻线间距离,mm;ha
量规轮轮缘上缺口底部至带轮基准宽度距离,mm,e-一量规轮轮缘上缺口底部宽度,mm;w63
...(6)
服餐e心中中电心
F一测量力,N,F值修约至整数位,并在GB321的R40系列中取最接近的值,226
标注度瘦网AW.bEo
各类标注行业资料免费下载
(8)
? 10)
GB/T12733--94
h,-——量规轮缺口上刻线到基准宽度距离,mm。6检验方法
6.1将被测带装在测量装置上,在按表5规定的测量力下使带至少转动两圈。6.2观察带在量规轮中的楔入位置,带的露出高度应符合3.3条的规定(见图4)。H
图4带的樊入位置
6.3测出两轮中心距后,带的基准长度按式(12)计算:L = 2a+ cd
式中:La—带的基准长度,mm;
一带轮间中心距,mm;
带轮基准圆周长,mm。
附加说明:
本标准由中华人民共和国化学工业部提出。本标准由青岛橡胶工业研究所归口。本标准由上海胶带股份有限公司负责起草。本标准主要起草人陆荣耀、李玉风、周孝庭、于冰。标性授授网
各炎标性行业资料党费下载
小提示:此标准内容仅展示完整标准里的部分截取内容,若需要完整标准请到上方自行免费下载完整标准文档。
标准图片预览:





- 其它标准
- 热门标准
- 国家标准(GB)
- GB/T30917—2014 /ISo 29941:2010 天然胶乳橡胶避孕套中可迁移亚硝胺的测定
- GB/T12777-1999 金属波纹管膨胀节通用技术条件
- GB15193.5-2003 骨髓细胞微核试验
- GB/T29633.4-2020 南极地名 第4部分:罗马字母拼写
- GB/T43225-2023 空间物体登记要求
- GB4706.3-1986 家用和类似用途电器的安全食物搅碎器及类似用途电器的特殊要求
- GB15985-1995 丝虫病诊断标准及处理原则
- GB19159-2003 车用液化石油气
- GB/T7407-1997 中国及世界主要海运贸易港口代码
- GB1913.2-1990 漂白浸渍绝缘纸
- GB14287.4-2014 电气火灾监控系统 第4部分:故障电弧探测器
- GB5237.3-2008 铝合金建筑型材 第3部分:电泳涂漆型材
- GB/T39964-2021 造纸行业能源管理体系实施指南
- GB/T9771.6-2020 通信用单模光纤 第6部分:宽波长段 光传输用非零色散单模光纤特性
- GB/T43929-2024 空间用纤维光学器件测试指南
- 行业新闻
请牢记:“bzxz.net”即是“标准下载”四个汉字汉语拼音首字母与国际顶级域名“.net”的组合。 ©2025 标准下载网 www.bzxz.net 本站邮件:bzxznet@163.com
网站备案号:湘ICP备2025141790号-2
网站备案号:湘ICP备2025141790号-2