- 您的位置:
- 标准下载网 >>
- 标准分类 >>
- 国家标准(GB) >>
- GB/T 12730-2002 一般用窄V带
标准号:
GB/T 12730-2002
标准名称:
一般用窄V带
标准类别:
国家标准(GB)
标准状态:
已作废-
发布日期:
2002-05-29 -
实施日期:
2002-12-01 -
作废日期:
2008-09-01 出版语种:
简体中文下载格式:
.rar.pdf下载大小:
66.03 KB
替代情况:
替代GB/T 12730-1991;被GB/T 12730-2008代替采标情况:
EQV JIS K 6368:1999
点击下载
标准简介:
标准下载解压密码:www.bzxz.net
本标准规定了一般用窄V带的产品分类、技术要求、试验方法、检验规则及标志、包装、运输、贮存规则。本标准规定的窄V带适用于高速及大功率的机械传动,也适用于一般的动力传递。本标准适用于工作在-18℃~ 60℃环境下的窄V带。 GB/T 12730-2002 一般用窄V带 GB/T12730-2002
部分标准内容:
标准公告
中国称准化2005.10
GB/T12730-2002《一般用窄V带》国家标准第1号修改单CAS
本修改单业经国家标准化管理委员会于2005年7月21口以国标委农轻函[2005]41号文批准,自2005年10月 1 日起实施。免费标准bzxz.net
修改为
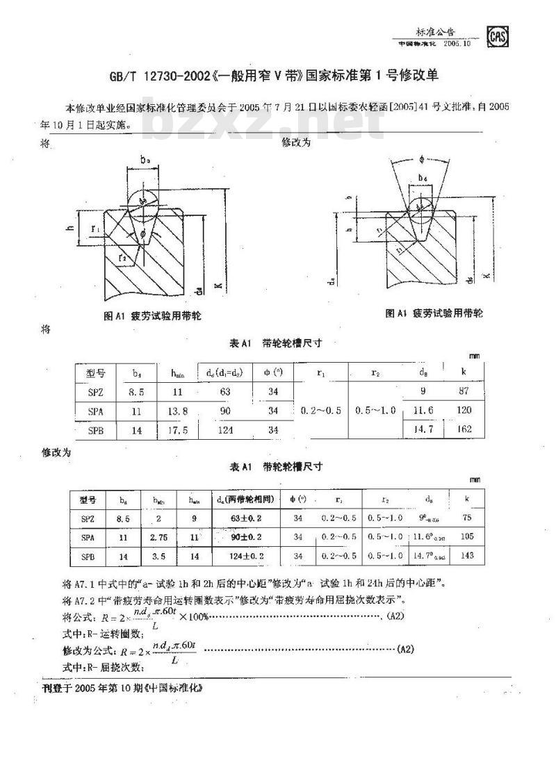
图A1疲劳试验用带轮
d,(d=d)
修改为
图A1疲劳试验用带轮
带轮轮槽尺寸
中(0)
带轮轮槽尺寸
d,(两带轮相同)
中 ()
0. 5~1. 0
0. 2~0. 5
0.2-~0. 5
0. 5--1. 0
0. 5-~1. 0
0. 5--1. 0
11.6°aam
14,7°10
将 A7. 1 中式中的“a-试验 1h和2h后的中心距\修改为\a试验1h 和24h后的中心距”。将A7.2中“带疲劳寿命用运转圈数表示\修改为“带疲劳寿命用屈挠次数表示”n.d..60t
×100%
将公式:R=2×
式中:R-运转圈数;
修改为公式:R= 2× nda元,61D2L
式中:R-届挠次数;
刑登于2005年第10期中国称推化(A2)
小提示:此标准内容仅展示完整标准里的部分截取内容,若需要完整标准请到上方自行免费下载完整标准文档。
中国称准化2005.10
GB/T12730-2002《一般用窄V带》国家标准第1号修改单CAS
本修改单业经国家标准化管理委员会于2005年7月21口以国标委农轻函[2005]41号文批准,自2005年10月 1 日起实施。免费标准bzxz.net
修改为
图A1疲劳试验用带轮
d,(d=d)
修改为
图A1疲劳试验用带轮
带轮轮槽尺寸
中(0)
带轮轮槽尺寸
d,(两带轮相同)
中 ()
0. 5~1. 0
0. 2~0. 5
0.2-~0. 5
0. 5--1. 0
0. 5-~1. 0
0. 5--1. 0
11.6°aam
14,7°10
将 A7. 1 中式中的“a-试验 1h和2h后的中心距\修改为\a试验1h 和24h后的中心距”。将A7.2中“带疲劳寿命用运转圈数表示\修改为“带疲劳寿命用屈挠次数表示”n.d..60t
×100%
将公式:R=2×
式中:R-运转圈数;
修改为公式:R= 2× nda元,61D2L
式中:R-届挠次数;
刑登于2005年第10期中国称推化(A2)
小提示:此标准内容仅展示完整标准里的部分截取内容,若需要完整标准请到上方自行免费下载完整标准文档。
标准图片预览:

- 其它标准
- 热门标准
- 国家标准(GB)
- GB/T30917—2014 /ISo 29941:2010 天然胶乳橡胶避孕套中可迁移亚硝胺的测定
- GB/T12777-1999 金属波纹管膨胀节通用技术条件
- GB15193.5-2003 骨髓细胞微核试验
- GB/T29633.4-2020 南极地名 第4部分:罗马字母拼写
- GB/T43225-2023 空间物体登记要求
- GB4706.3-1986 家用和类似用途电器的安全食物搅碎器及类似用途电器的特殊要求
- GB15985-1995 丝虫病诊断标准及处理原则
- GB19159-2003 车用液化石油气
- GB/T7407-1997 中国及世界主要海运贸易港口代码
- GB1913.2-1990 漂白浸渍绝缘纸
- GB14287.4-2014 电气火灾监控系统 第4部分:故障电弧探测器
- GB5237.3-2008 铝合金建筑型材 第3部分:电泳涂漆型材
- GB/T39964-2021 造纸行业能源管理体系实施指南
- GB/T9771.6-2020 通信用单模光纤 第6部分:宽波长段 光传输用非零色散单模光纤特性
- GB/T43929-2024 空间用纤维光学器件测试指南
- 行业新闻
请牢记:“bzxz.net”即是“标准下载”四个汉字汉语拼音首字母与国际顶级域名“.net”的组合。 ©2025 标准下载网 www.bzxz.net 本站邮件:bzxznet@163.com
网站备案号:湘ICP备2025141790号-2
网站备案号:湘ICP备2025141790号-2