- 您的位置:
- 标准下载网 >>
- 标准分类 >>
- 煤炭行业标准(MT) >>
- MT/T 888-2000 单轨吊车起吊梁
标准号:
MT/T 888-2000
标准名称:
单轨吊车起吊梁
标准类别:
煤炭行业标准(MT)
标准状态:
现行-
发布日期:
2000-12-08 -
实施日期:
2001-05-01 出版语种:
简体中文下载格式:
.rar.pdf下载大小:
2.10 MB
标准ICS号:
采矿和矿产品>>采矿设备>>73.100.40牵引和起重设备中标分类号:
矿业>>矿山机械设备>>D93提升、贮运设备
点击下载
标准简介:
标准下载解压密码:www.bzxz.net
本标准规定了QY12,QY16型单轨吊车起吊梁的29式、型号、基本参数、技术要求、试验方法、验收规则和标志、包装、运输、贮存。本标准适用于QY12,QY16型单轨吊车起吊梁(以下简称起吊梁)。 MT/T 888-2000 单轨吊车起吊梁 MT/T888-2000
部分标准内容:
ICS73.100.40
备案号:8084—2001
中华人民共和国煤炭行业标准
MT/T888-2000
单轨吊车起吊梁
Liftingbeams of overhead monorail2000-12-08发布
国家煤炭工业局
2001-05-01实施
MT/T888—2000
起吊梁是单轨运输中必不可少的起吊设备,随着推广应用,形成了批量生产的趋势,但该产品至今无相应的标准来指导生产,为了提高该产品的标准化程度,确保产品的设计制造质量,使它符合煤矿安全的要求,特编制本标准。
本标准的附录A是提示的附录。
本标准由国家煤炭工业局规划发展司(国家煤矿安全监察局安全技术装备保障司)提出。本标准由煤炭工业煤矿专用设备标准化技术委员会归口。本标准的起草单位:河北煤炭科学研究所。本标准主要起草人:刘淑芬、王维宪、门志顺。本标准由国家煤炭工业局规划发展司(国家煤矿安全监察局安全技术装备保障司)负责解释。范围
中华人民共和国煤炭行业标准
单轨吊车起吊梁
Lifting beams of overhead monorailMT/T 888—2000
本标准规定了QY12、QY16型单轨吊车起吊梁的型式、型号、基本参数、技术要求、试验方法、验收规则和标志、包装、运输、贮存。本标准适用于QY12、QY16型单轨吊车起吊梁(以下简称起吊梁)。2引用标准
下列标准所包含的条文,bzxz.net
为有效。所有标准都会被修定,GB/T700—1988
碳素结构钢
GB/T985—1988
GB/T 986—1988
GB/T1184—1996
GB/T1591—1994
GB/T1804—1992
GB/T3323—1987
GB/T3766—1983
GB/T3811—1983
GB/T5117—1995
GB/T5118—1995
GB/T7935—1987
GB11341—1989
3定义
手工电弧焊及气体保护焊焊缝坡口的基本形式与尺寸埋弧焊焊缝坡口的基本形式和尺寸形状和位置公差未注公差值
低合金高强度结构钢
一般公差线性尺寸的未注公差
钢熔化焊对接接头射线照相和质量分级液压系统通用技术条件
起重机设计规范
碳钢焊条
低合金钢焊条
液压元件通用技术条件
悬挂输送机安全规程
本标准采用下列定义。
3.1承载车bearingcab
有--组或二组轮对,布置在轨道腹板两侧能带动起吊梁与重物沿悬挂轨道行走的小车。3.2悬挂轨道suspendedtrack
供机车或承载车行走,吊挂在屋架或井巷支架上的刚性单轨。3.3载重梁loadingbeam
吊挂物品、分配载荷的承重杆件。3.4起吊梁liftingbeam
用于单轨系统起吊升降并运载重物的设备,由载重主梁与副梁组成,并对称布置与承载车铰接。rated lifting weight
3.5额定起重
国家煤炭工业局2000-12-08批准2001-05-01实施
MT/T888-2000
起吊梁允许吊起的重物或物料质量的总和。3.6起升高度raisingheight
起重物底部距地面的垂直距离。型式、型号和基本参数
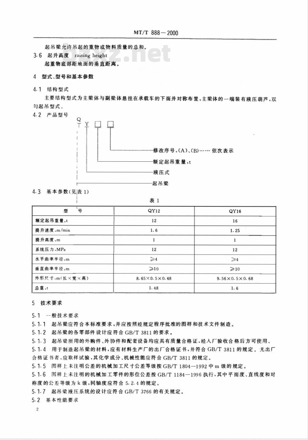
4.1结构型式
主要结构型式为主梁体与副梁体悬挂在承载车的下面并对称布置,主梁体的一端装有液压葫芦,双勾起吊型式。
4.2产品型号
修改序号,(A)、(B).…依次表示额定起吊重量,t
液压式
起吊梁
4.3基本参数(见表1)
额定起吊重量,t
提升速度,m/min
提升高度,m
系统压力,MPa
水平曲率半径,m
垂直曲率半径,m
外形尺寸,m(长×宽×高)
总重,
5技术要求
5.1--般技术要求
8.65X0.5×0.48
9.56×0.5×0.68
5.1.1起吊梁应符合本标准要求,并应按照经规定程序批准的图样和技术文件制造。5.1.2起吊梁的各零部件设计应符合GB/T3811的要求。5.1.3起吊梁所用的外购件、外协件和配套设备均应具有质量合格证,经人厂验收合格后方可使用用于制造起吊梁的材料,应有材料生产厂的出厂合格证书,并符合GB/T3811的规定。无出厂5.1.4
合格证书者,应取样试验,其化学成分、机械性能应符合GB/T3811的规定。5.1.5图样上未注明公差的机械加工尺寸公差等级按GB/T1804一1992中m级的规定。5.1.6图样上未注明的机械加工零件的形位公差按GB/T1184一1996执行,其中平面度、直线度和对称度的公差等级为k级,同轴度应符合5.2.4的规定。5.1.7起吊梁液压系统的设计应符合GB/T3766的有关规定。5.2基本性能要求
MT/T888—2000
5.2.1起吊梁在额定载荷下承载车应运转灵活,5.2.2承载车受剪零件(如球销、吊环、连接螺栓)应等缺陷。
5.2.3起吊梁金属结
a)用于主要受力构件的材料一般应采用GB/T700一1988中规定的Q235-A级或GB/T1591一1994中规定的Q345-C级
b)不需要强度计算的构件可采用GB/T700一1988中Q235-A级材质;c)用于受剪力作用的重要连接螺栓5.2.4牵引销轴的最小破断强度应符合“煤矿用防爆柴油机车技术检验规程”(试行)5.8(2)的规定,应不小于10倍机车最大牵引力。
5.2.5载重梁要求:
a)载重主梁与副梁都为焊接结构,其对接焊缝质量不得低于GB/T3323一1987中1级定;
b)焊条、焊丝、焊剂应与构件材料强度以及焊缝所受载荷的类型相适应;c)焊接用焊条应符合GB/T5117、GB/T5118的规定,焊定;
d)超载25%静载试验时主梁体及副梁体构件无永久变形,5.2.6对液压葫芦的技术要求:
a)液压葫芦装配前各零件必须清洗干净,使用前加注HL一30齿轮油至油标位置,箱体与箱体之间的结合面上涂密封胶,在额定转速下作台架空运转试验,处不得有漏油现象;
b)在负载情况下,
自行滑落误差≤100m。各密封处不得有渗漏油现象。5.2.7起吊链条安全系数应符合GB11341一1989中3.4与3.5的规定。5.2.8对液压系统的技术要求:
a)起吊梁液压系统额定工作压力应不大于12MPa;b)液压系统内工作介质的正常工作温度不准超过85C;c)主油路系统及控制油路系统的高压油管、接头、操纵阀块应承受1.25倍的额定工作压力,各密封处不得有渗漏油现象;
d)液压系统应设有防止过载和液压冲击的安全装置,溢流阀的调整压力不得大于系统的额定工作压方的110%;
)液压传动应平稳,不得有因振动和吸空等引起的不正常噪声;)自制的液压元件应符合GB/T7935的要求。5.3外观质量要求
5.3.1起吊梁所有的外露表面应无飞边、毛刺、锈皮及焊渣等杂物。5.3.2起吊梁涂白色漆,涂漆应均匀美观大方,不准有皱纹、脱皮等缺陷,5.3.3各液压管路应排列整齐,各软管不许扭曲和急转弯。6试验方法
6.1空载运行试验
由主机牵引、
运行试验,连做3次。观察承载车在运行过程中能否顺利通过各种弯道及坡道,有无卡阻现象及不正常的噪南。
6.2空载提升降落试验
MT/T8882000
首先使机车泵站运转,扳动液压操作手柄,使2个液压葫芦的吊钩各自提升降落10次。检测:a)测量提升高度是否达到设计要求;h)观察液压葫芦在额定转速下各部位是否正常。6.3额定载荷运行试验
由主机牵引,双钩起吊形式,在规定的作业区范围内分别做额定重量的50%、70%及100%时各种弯道及坡道的全程运行试验,每种载重连做3次。检测:a)承载车道过弯道及能力是否达到设计要求;b)承重零件有无损坏及变形。
6.4额定载荷下提升降落试验
首先使机车泵站运转,扳动液压操作手柄,双钩起吊额定载重,一次起吊循环顺序为:重物由地面升到最大高度,然后重物下降到地面(中间可制动一次)连续起吊20次。检测:a)测量提升速度是否达到设计要求;h)观察液压葫芦运转是否灵活,升降是否平稳,摩擦盘是否打滑,各密封处是否有渗漏油现象;c)用压力表测量进油口压力,是否符合5.2.8a)的要求;d)用点温计测量油温,测点选择最高部位,取3次测量值的算术平均值,是否符合5.2.8b)的要求;
e)观察起吊过程中液压系统有无振动及吸空现象。6.5额定载荷下液压系统保压试验首先使机车泵站运转,扳动液压操作手柄,双钩起吊额定载重,将重物由地面升到某一高度,系统压力调到额定压力的1.5倍,保压1min。检测:a)主油路系统及控制油路系统有无渗漏油现象;b)各油管、接头、操作阀块有无变形及损坏。6.6液压葫芦自锁性能试验
首先使机车泵站运转,板动液压操作手柄,双钩起吊额定载重,将重物由地面升到某一高度,4h后测量重物底部距地面的距离,其误差应符合5.2.6b)的要求。6.7超载荷试验
首先使机车泵站运转,扳动液压操作手柄,双钩起吊,分别作额定载重的1.1、1.25倍时的提升降落试验,--次循环顺序为:重物由地面升到离地面100mm以上的某一高处,使重物至少悬空停留10min以上,然后下降到地面。每种载荷连激3次。检测:a)5.2.2中受剪零部件是否产生裂纹及变形;b)用卡尺测量起吊链的变形量,其变形量是否符合GB11341一1989中3.4与3.5的规定;()主梁体及副梁体是否有永久变形,焊缝是否有裂纹等。6.8牵引销轴的强度试验
测试牵引销轴的强度,可以用同销轴相同规格与材质的试棒,在拉力机上进行测试。7检验规则
起吊梁的-一般技术要求采用常规的检验方法,外观质量采用目测的检验方法,型式检验与出厂检验按表2进行。
检验项目
承载车通过直、弯道能力
提升能力
提升速度
提升高度
梁体强度
承载球销及吊环强度
液压葫芦滑落性能
起吊链
液压系统工作压力
密封性能
牵引销轴强度
外观质量
MT/T888-2000
检验方法
6.2.16.2.3
注:表中“”表示必检项目;“一\表示不进行项目。7.1
型式检验
凡属下列情况之一时,应进行产品的型式检验:7.1. 1
a)新产品或老产品转厂生产的试制品;测
b)当设计、工艺或所用的材料有较大改变,影响产品性能时;c)对停产3年以上的产品再次生产时;d)正常生产每隔5年进行一次;e)国家质量监督部门和国家煤矿安全监察部门提出要求时。7.1.2型式检验样机为一台,按表2全项合格则判型式检验合格。2出厂检验
出厂检验
型式检验
小批量生产时(<10台),逐台应通过表2的检验内容,全部合格后才能出厂;大批量生产时,每20台可抽检2台,抽样产品检验不合格时,加倍抽检,仍不合格,则判该批产品不合格。7.2.1每台产品应有检验合格证、下井使用证明及安全标志方可出厂。7.3
3检验合格后,要放尽液压管路中的液压油和润滑油,各油管连接处要封堵。8标志、包装、运输、贮存
8.1标志
起吊梁在明显位置上固定产品铭牌,产品铭牌应包括的内容:a)产品名称及型号;
b)产品的主要技术参数:
c)产品出厂编号及日期;
d)制造厂名称;
c)安全标志标识(MA)和编号;[)执行标准编号。
起吊梁应分部件包装,
MT/T 888—2000
塑料布把产品罩住,随机发给用户的技术文件要装人一个塑料袋中,并固定在包装箱的内壁上。文件包括:
a)装箱明细表;
b)产品使用说明书;
c)产品合格证。
8.2.1包装箱外壁文字标记应整齐清晰,并标志内容如下:
a)制造厂名、产品名称、出厂编号;b)收货单位及地址;
c)净重、毛重、箱子重心线和起吊标志;d)包装箱外形尺寸及“防水”、“不许倒置”的符号。8.3运输
包装应符合水、陆路运输及装载要求,在碰及翻滚。
8.4贮存
包装好的各部件要妥善存在干燥、通风、无腐蚀气体的仓库内,并做到防雨、防潮、防火、防冻。3—2000
(提示的附录)
参考资料
煤炭工业部(85)煤技字第132号《煤矿用防爆柴油机车技术检验规范》试行。7
8—2000
ISBN7-5020-1997-9
987502019976>
中华人民共和国煤炭
行业标准
单轨吊车起吊梁
MT/T888--2000
煤炭工业出版社,出版
(北泉市朝阳区药药居35号100029)北京宏伟胶印厂
新华书店北京发行所
开本880×1230mm
字数13千字
2001年5月第1版
印张5/8
印数1-235
2001年5月第1次印刷
ISBN7-5020-1997-9/F652.2
社内编号4768
定价16.00元
版权所有
违者必究
本书如有缺页、例页、脱页等质量问题,本社负责调换
小提示:此标准内容仅展示完整标准里的部分截取内容,若需要完整标准请到上方自行免费下载完整标准文档。
备案号:8084—2001
中华人民共和国煤炭行业标准
MT/T888-2000
单轨吊车起吊梁
Liftingbeams of overhead monorail2000-12-08发布
国家煤炭工业局
2001-05-01实施
MT/T888—2000
起吊梁是单轨运输中必不可少的起吊设备,随着推广应用,形成了批量生产的趋势,但该产品至今无相应的标准来指导生产,为了提高该产品的标准化程度,确保产品的设计制造质量,使它符合煤矿安全的要求,特编制本标准。
本标准的附录A是提示的附录。
本标准由国家煤炭工业局规划发展司(国家煤矿安全监察局安全技术装备保障司)提出。本标准由煤炭工业煤矿专用设备标准化技术委员会归口。本标准的起草单位:河北煤炭科学研究所。本标准主要起草人:刘淑芬、王维宪、门志顺。本标准由国家煤炭工业局规划发展司(国家煤矿安全监察局安全技术装备保障司)负责解释。范围
中华人民共和国煤炭行业标准
单轨吊车起吊梁
Lifting beams of overhead monorailMT/T 888—2000
本标准规定了QY12、QY16型单轨吊车起吊梁的型式、型号、基本参数、技术要求、试验方法、验收规则和标志、包装、运输、贮存。本标准适用于QY12、QY16型单轨吊车起吊梁(以下简称起吊梁)。2引用标准
下列标准所包含的条文,bzxz.net
为有效。所有标准都会被修定,GB/T700—1988
碳素结构钢
GB/T985—1988
GB/T 986—1988
GB/T1184—1996
GB/T1591—1994
GB/T1804—1992
GB/T3323—1987
GB/T3766—1983
GB/T3811—1983
GB/T5117—1995
GB/T5118—1995
GB/T7935—1987
GB11341—1989
3定义
手工电弧焊及气体保护焊焊缝坡口的基本形式与尺寸埋弧焊焊缝坡口的基本形式和尺寸形状和位置公差未注公差值
低合金高强度结构钢
一般公差线性尺寸的未注公差
钢熔化焊对接接头射线照相和质量分级液压系统通用技术条件
起重机设计规范
碳钢焊条
低合金钢焊条
液压元件通用技术条件
悬挂输送机安全规程
本标准采用下列定义。
3.1承载车bearingcab
有--组或二组轮对,布置在轨道腹板两侧能带动起吊梁与重物沿悬挂轨道行走的小车。3.2悬挂轨道suspendedtrack
供机车或承载车行走,吊挂在屋架或井巷支架上的刚性单轨。3.3载重梁loadingbeam
吊挂物品、分配载荷的承重杆件。3.4起吊梁liftingbeam
用于单轨系统起吊升降并运载重物的设备,由载重主梁与副梁组成,并对称布置与承载车铰接。rated lifting weight
3.5额定起重
国家煤炭工业局2000-12-08批准2001-05-01实施
MT/T888-2000
起吊梁允许吊起的重物或物料质量的总和。3.6起升高度raisingheight
起重物底部距地面的垂直距离。型式、型号和基本参数
4.1结构型式
主要结构型式为主梁体与副梁体悬挂在承载车的下面并对称布置,主梁体的一端装有液压葫芦,双勾起吊型式。
4.2产品型号
修改序号,(A)、(B).…依次表示额定起吊重量,t
液压式
起吊梁
4.3基本参数(见表1)
额定起吊重量,t
提升速度,m/min
提升高度,m
系统压力,MPa
水平曲率半径,m
垂直曲率半径,m
外形尺寸,m(长×宽×高)
总重,
5技术要求
5.1--般技术要求
8.65X0.5×0.48
9.56×0.5×0.68
5.1.1起吊梁应符合本标准要求,并应按照经规定程序批准的图样和技术文件制造。5.1.2起吊梁的各零部件设计应符合GB/T3811的要求。5.1.3起吊梁所用的外购件、外协件和配套设备均应具有质量合格证,经人厂验收合格后方可使用用于制造起吊梁的材料,应有材料生产厂的出厂合格证书,并符合GB/T3811的规定。无出厂5.1.4
合格证书者,应取样试验,其化学成分、机械性能应符合GB/T3811的规定。5.1.5图样上未注明公差的机械加工尺寸公差等级按GB/T1804一1992中m级的规定。5.1.6图样上未注明的机械加工零件的形位公差按GB/T1184一1996执行,其中平面度、直线度和对称度的公差等级为k级,同轴度应符合5.2.4的规定。5.1.7起吊梁液压系统的设计应符合GB/T3766的有关规定。5.2基本性能要求
MT/T888—2000
5.2.1起吊梁在额定载荷下承载车应运转灵活,5.2.2承载车受剪零件(如球销、吊环、连接螺栓)应等缺陷。
5.2.3起吊梁金属结
a)用于主要受力构件的材料一般应采用GB/T700一1988中规定的Q235-A级或GB/T1591一1994中规定的Q345-C级
b)不需要强度计算的构件可采用GB/T700一1988中Q235-A级材质;c)用于受剪力作用的重要连接螺栓5.2.4牵引销轴的最小破断强度应符合“煤矿用防爆柴油机车技术检验规程”(试行)5.8(2)的规定,应不小于10倍机车最大牵引力。
5.2.5载重梁要求:
a)载重主梁与副梁都为焊接结构,其对接焊缝质量不得低于GB/T3323一1987中1级定;
b)焊条、焊丝、焊剂应与构件材料强度以及焊缝所受载荷的类型相适应;c)焊接用焊条应符合GB/T5117、GB/T5118的规定,焊定;
d)超载25%静载试验时主梁体及副梁体构件无永久变形,5.2.6对液压葫芦的技术要求:
a)液压葫芦装配前各零件必须清洗干净,使用前加注HL一30齿轮油至油标位置,箱体与箱体之间的结合面上涂密封胶,在额定转速下作台架空运转试验,处不得有漏油现象;
b)在负载情况下,
自行滑落误差≤100m。各密封处不得有渗漏油现象。5.2.7起吊链条安全系数应符合GB11341一1989中3.4与3.5的规定。5.2.8对液压系统的技术要求:
a)起吊梁液压系统额定工作压力应不大于12MPa;b)液压系统内工作介质的正常工作温度不准超过85C;c)主油路系统及控制油路系统的高压油管、接头、操纵阀块应承受1.25倍的额定工作压力,各密封处不得有渗漏油现象;
d)液压系统应设有防止过载和液压冲击的安全装置,溢流阀的调整压力不得大于系统的额定工作压方的110%;
)液压传动应平稳,不得有因振动和吸空等引起的不正常噪声;)自制的液压元件应符合GB/T7935的要求。5.3外观质量要求
5.3.1起吊梁所有的外露表面应无飞边、毛刺、锈皮及焊渣等杂物。5.3.2起吊梁涂白色漆,涂漆应均匀美观大方,不准有皱纹、脱皮等缺陷,5.3.3各液压管路应排列整齐,各软管不许扭曲和急转弯。6试验方法
6.1空载运行试验
由主机牵引、
运行试验,连做3次。观察承载车在运行过程中能否顺利通过各种弯道及坡道,有无卡阻现象及不正常的噪南。
6.2空载提升降落试验
MT/T8882000
首先使机车泵站运转,扳动液压操作手柄,使2个液压葫芦的吊钩各自提升降落10次。检测:a)测量提升高度是否达到设计要求;h)观察液压葫芦在额定转速下各部位是否正常。6.3额定载荷运行试验
由主机牵引,双钩起吊形式,在规定的作业区范围内分别做额定重量的50%、70%及100%时各种弯道及坡道的全程运行试验,每种载重连做3次。检测:a)承载车道过弯道及能力是否达到设计要求;b)承重零件有无损坏及变形。
6.4额定载荷下提升降落试验
首先使机车泵站运转,扳动液压操作手柄,双钩起吊额定载重,一次起吊循环顺序为:重物由地面升到最大高度,然后重物下降到地面(中间可制动一次)连续起吊20次。检测:a)测量提升速度是否达到设计要求;h)观察液压葫芦运转是否灵活,升降是否平稳,摩擦盘是否打滑,各密封处是否有渗漏油现象;c)用压力表测量进油口压力,是否符合5.2.8a)的要求;d)用点温计测量油温,测点选择最高部位,取3次测量值的算术平均值,是否符合5.2.8b)的要求;
e)观察起吊过程中液压系统有无振动及吸空现象。6.5额定载荷下液压系统保压试验首先使机车泵站运转,扳动液压操作手柄,双钩起吊额定载重,将重物由地面升到某一高度,系统压力调到额定压力的1.5倍,保压1min。检测:a)主油路系统及控制油路系统有无渗漏油现象;b)各油管、接头、操作阀块有无变形及损坏。6.6液压葫芦自锁性能试验
首先使机车泵站运转,板动液压操作手柄,双钩起吊额定载重,将重物由地面升到某一高度,4h后测量重物底部距地面的距离,其误差应符合5.2.6b)的要求。6.7超载荷试验
首先使机车泵站运转,扳动液压操作手柄,双钩起吊,分别作额定载重的1.1、1.25倍时的提升降落试验,--次循环顺序为:重物由地面升到离地面100mm以上的某一高处,使重物至少悬空停留10min以上,然后下降到地面。每种载荷连激3次。检测:a)5.2.2中受剪零部件是否产生裂纹及变形;b)用卡尺测量起吊链的变形量,其变形量是否符合GB11341一1989中3.4与3.5的规定;()主梁体及副梁体是否有永久变形,焊缝是否有裂纹等。6.8牵引销轴的强度试验
测试牵引销轴的强度,可以用同销轴相同规格与材质的试棒,在拉力机上进行测试。7检验规则
起吊梁的-一般技术要求采用常规的检验方法,外观质量采用目测的检验方法,型式检验与出厂检验按表2进行。
检验项目
承载车通过直、弯道能力
提升能力
提升速度
提升高度
梁体强度
承载球销及吊环强度
液压葫芦滑落性能
起吊链
液压系统工作压力
密封性能
牵引销轴强度
外观质量
MT/T888-2000
检验方法
6.2.16.2.3
注:表中“”表示必检项目;“一\表示不进行项目。7.1
型式检验
凡属下列情况之一时,应进行产品的型式检验:7.1. 1
a)新产品或老产品转厂生产的试制品;测
b)当设计、工艺或所用的材料有较大改变,影响产品性能时;c)对停产3年以上的产品再次生产时;d)正常生产每隔5年进行一次;e)国家质量监督部门和国家煤矿安全监察部门提出要求时。7.1.2型式检验样机为一台,按表2全项合格则判型式检验合格。2出厂检验
出厂检验
型式检验
小批量生产时(<10台),逐台应通过表2的检验内容,全部合格后才能出厂;大批量生产时,每20台可抽检2台,抽样产品检验不合格时,加倍抽检,仍不合格,则判该批产品不合格。7.2.1每台产品应有检验合格证、下井使用证明及安全标志方可出厂。7.3
3检验合格后,要放尽液压管路中的液压油和润滑油,各油管连接处要封堵。8标志、包装、运输、贮存
8.1标志
起吊梁在明显位置上固定产品铭牌,产品铭牌应包括的内容:a)产品名称及型号;
b)产品的主要技术参数:
c)产品出厂编号及日期;
d)制造厂名称;
c)安全标志标识(MA)和编号;[)执行标准编号。
起吊梁应分部件包装,
MT/T 888—2000
塑料布把产品罩住,随机发给用户的技术文件要装人一个塑料袋中,并固定在包装箱的内壁上。文件包括:
a)装箱明细表;
b)产品使用说明书;
c)产品合格证。
8.2.1包装箱外壁文字标记应整齐清晰,并标志内容如下:
a)制造厂名、产品名称、出厂编号;b)收货单位及地址;
c)净重、毛重、箱子重心线和起吊标志;d)包装箱外形尺寸及“防水”、“不许倒置”的符号。8.3运输
包装应符合水、陆路运输及装载要求,在碰及翻滚。
8.4贮存
包装好的各部件要妥善存在干燥、通风、无腐蚀气体的仓库内,并做到防雨、防潮、防火、防冻。3—2000
(提示的附录)
参考资料
煤炭工业部(85)煤技字第132号《煤矿用防爆柴油机车技术检验规范》试行。7
8—2000
ISBN7-5020-1997-9
987502019976>
中华人民共和国煤炭
行业标准
单轨吊车起吊梁
MT/T888--2000
煤炭工业出版社,出版
(北泉市朝阳区药药居35号100029)北京宏伟胶印厂
新华书店北京发行所
开本880×1230mm
字数13千字
2001年5月第1版
印张5/8
印数1-235
2001年5月第1次印刷
ISBN7-5020-1997-9/F652.2
社内编号4768
定价16.00元
版权所有
违者必究
本书如有缺页、例页、脱页等质量问题,本社负责调换
小提示:此标准内容仅展示完整标准里的部分截取内容,若需要完整标准请到上方自行免费下载完整标准文档。
标准图片预览:





- 其它标准
- 热门标准
- 煤炭行业标准(MT)
- MT/T898-2000 煤炭电法勘探规范
- MT297.3-1992 常压固定床煤气发生炉用阳泉矿务局煤技术条件
- MT/T707-1997 煤自燃倾向性色普吸氧鉴定法
- MT444-1995 煤矿用催化燃烧式低浓度甲烷传感器技术条件
- MT107.6-1985 蒸汽机车、工业锅炉用鹤壁煤质量标准
- MT196-1989 煤水泵
- MT225-1990 单向压缩条件下煤和岩石蠕变性测定方法
- MT251-1991 煤矿水中亚硝酸根离子的测定方法
- MT271-1994 二氧化硫检测管
- MT/T531-1995 煤矿用速度传感器
- MT/T823-2006 煤矿用带式转载机
- MT/T188.4-2000 煤矿用乳化液泵站 过滤器技术条件
- MT/T202-1995 煤矿水中钙离子的测定方法
- MT553-1996 缓倾斜煤层采煤工作面底板分类
- MT155-1987 矿用机械式风速表通用技术条件
- 行业新闻
请牢记:“bzxz.net”即是“标准下载”四个汉字汉语拼音首字母与国际顶级域名“.net”的组合。 ©2025 标准下载网 www.bzxz.net 本站邮件:bzxznet@163.com
网站备案号:湘ICP备2025141790号-2
网站备案号:湘ICP备2025141790号-2