- 您的位置:
- 标准下载网 >>
- 标准分类 >>
- 建筑工业行业标准(JG) >>
- JGJ 74.1-1991 钢桁架质量标准
标准号:
JGJ 74.1-1991
标准名称:
钢桁架质量标准
标准类别:
建筑工业行业标准(JG)
标准状态:
已作废-
实施日期:
1991-12-01 -
作废日期:
1999-06-04 出版语种:
简体中文下载格式:
.rar.pdf下载大小:
3.78 MB
替代情况:
转化为JG 8-1999
相关标签:
质量标准
部分标准内容:
中华人民共和国行业标准
钢桁架质量标准
Quality standard of ateel trussesJGJ74.1-91
中华人民共和国建设部批准
1991一06一14发布1991-12-1实施1主题内容与适用范围
1.1本标准规定了钢桁架结构制造的质量标准及技术要求。1.2本标准适用于工业与民用建筑用角钢、T型钢、H型钢、槽钢以及钢板组焊成的平面钢桁架。
本标准不适用于按规定要求进行疲劳计算的钢桁架。2引用标准
钢结构工程施工及验收规范
建筑工程质量检验评定标准
钢结构设计规范
碳素结构钢
低合金结构钢
碳钢焊条
低合金钢焊条
焊接用钢丝
二氧化碳气体保护焊用钢焊丝
气焊、手工电弧焊及气体保护焊焊缝坡口的基本形式与尺寸埋弧焊焊缝坡口的基本形式和尺寸5780
六角头螺栓一C级
I型六角螺母一C级
平垫圈C级
钢结构用高强度大六角头螺栓
钢结构用高强度大六角螺母
钢结构用高强度垫圈
钢结构用高强度大六角头螺栓、大六角螺母、垫圈技术条件钢结构用扭剪型高强度螺栓连接副型式尺寸钢结构用扭剪型高强度螺栓连接副技术条件钢熔化焊对接接头射线照相和质量分级锅炉和钢制压力容器对接焊缝超声波探伤3.1钢屋架
3类别
由角钢、T型钢、H钢钢、槽钢以及钢板组焊成的梯形钢屋架、三角形钢屋架、平行弦钢屋架及折线形钢屋架。3.2钢托架
由角钢、T型钢、H型钢、槽钢以及钢板组焊成的钢托架。3.3其他形式钢桁架
由角钢、T型钢、H型钢、槽钢以及钢板组焊成的天窗架、通廊架、吊车梁铺助桁架和其它钢桁架。
以上统称钢架。
4技术要求
4.1材料
结构钢材和连接材料应符合设计文件的要求。4.1.1结构钢材
4.1.1.1结构钢材的材质及轧制尺寸应符合现行国家标准的规定。当采用碳素结构钢时,钢材性能应符合GB700的规定:当采用低合金结构钢时,钢材性能应符合GB1591的规定钢材到货后对有疑问或有特殊要求的钢材应进行复验及补项检验,其结果应符合现行国家标准的规定。严禁使用无证明或证明不合规定的钢材。钢材的检验及检验方法按JGJ74.2的有关规定进行
4.1.1.2钢材不得有裂纹、分层、重皮、夹渣等缺陷,麻点或划痕的深度不得大于钢材厚度负公差的一半,且不大于0.5mm。4.1.2连接材料
连接材料应符合现行国家标准的规定并应有出厂证明书。4.1.2.1焊接材料
a.手工焊接:
结构钢材为碳素钢Q235(3号钢)时,应采用E43××型焊条,焊条质量应符合GB5117的规定。
结构钢材为低合金钢:当采用16Mn钢时,应采用E50××型焊条:当采用15MnV钢时,应采用E55××型焊条。焊条质量应符合GB5118的规定。禁止使用药皮脱落、焊芯生锈或受潮的焊条。禁止使用带锈的焊丝。b.自动焊接或半自动焊接:
自动焊接或半自动焊接所采用的焊丝应符合GB1300的规定,所用焊剂应根据结构钢材试验确定。
4.1.2.2紧固件
结构拼装或安装所采用的普通螺栓的质量应符合GB5780、GB41、GB95的规定。所采用高强度螺栓的质量应符合GB1228、GB1229、GB1230或GB3632、GB3633的规定。
禁止使用生锈、丝扣损坏或使用过的高强度螺栓。4.2钢桁架设计图及施工图
钢桁架设计图及施工图应由有设计证书的设计部门作出。当施工图由制造厂或非原设计部门作出时,必须由原设计部门认可。4.3制造
4.3.1钢桁架制造必须由符合国家规定等级并取得生产许可证的制造厂制作。且必须严格按照正式批准的施工图进行。4.3.2钢桁架零件加工、组装、焊接和涂漆等过程中,应清除钢材表面的油污、飞溅、毛刺、铁锈等各种污物。
4.3.3放样和号料应根据工艺要求预留焊接收缩余量及切割、刨边和铣平等的加工余画
4.3.4下料
划线下料前应核对钢材规格并进行外观检查。4.3.4.1碳素结构钢在工作地点温度低于一20℃,低合金结构钢在工作地点温度低于一15℃时不得剪切和冲孔。
被切割钢材断口处不得有裂纹和大于1mm的缺棱。4.3.4.2
:钢材的下料与划线极限偏差不得大于2mm;型钢切割,端部倾斜不得大于4.3.4.3
2mm。
4.3.5钢材矫正
4.3.5.1碳素结构钢工作地点温度低于一16℃,低合金结构钢工作地点温度低于一12℃时,不得进行冷矫正和冷弯曲。4.3.5.2碳素结构钢和低合金结构钢矫正时的加热温度不得高于900℃,对低合金结构钢钢材矫正后必须缓慢冷却。4.3.5.3零件热加工时,加热温度为900~1100℃(钢材表面呈淡桔黄色);温度下降到700℃之前(钢材表面呈暗樱红色),应结束加工,并使加工件缓慢冷却。矫正后的钢材表面不应有明显的凹陷和损伤,并不应有深度大于0.5mm划痕。4.3.5.4
钢材矫正后的极限偏差应符合表1的规定。4.3.5.6
焊接坡口加工尺寸应符合GB985和GB986的规定。项
钢板、扁钢的局
部挠曲矢高
角钢、槽钢的挠
曲矢高于
角钢肢、T型钢
肢的不垂直度
槽钢的翼缘倾
斜度△
H型钢的翼缘倾
斜度△
焊接H形钢、T
形钢的翼弯折
4.3.6组装
钢材矫正后的极限偏差
示意图
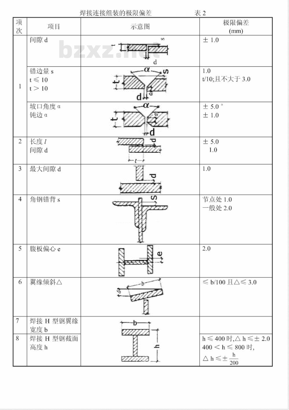
4.3.6.1焊接连接组装极限偏差不得超过表2的规定。极限偏差
在1000mm范围内
t ≤ 14,f≤ 1.5
t > 14,f≤ 1.0
长度的
但不大
但螺栓连接
双肢角钢的角度不得
大于90
且≤3.0
b且≤3.0
且△≤ 1.5
间隙d
错边量s
t≤10
坡口角度α
钝边α
长度1
间隙d
最大间隙d
角钢错背s
腹板偏心e
翼缘倾斜△
焊接H型钢翼缘
宽度b
焊接H型钢截面
高度h
焊接连接组装的极限偏差
示意图
7722228
极限偏差
t/10;且不大于3.0
节点处1.0
一般处2.0
≤b/100且△≤3.0
h≤400时,△h≤±2.0
400△h≤±
桁架杆件轴线汇交点极限偏差不得大于3mm。4.3.6.2
定位焊点所用焊条的型号应与正式焊接所用的相同。焊点高度不超过设计焊4.3.6.3
缝高度的2/3,长度40mm为宜,间隔不大于400mm。并应由具有焊接合格证的工人操作。4.3.7焊接
施焊工作应由具有合格证的焊工操作,对停焊半年以上的焊工,要经过重新考4.3.7.1
2施焊前焊工应复查组装质量,如不符合要求,应经修整合格后方能施焊。施焊4.3.7.2
完毕,应在焊缝附近打上焊工的钢印代号。4.3.7.3碳素结构钢深度大于34mm和低合金结构钢厚度不小于25mm,工作地点温度不低于0℃时,应进行预热。预热温度应控制在100~150℃,预热区应在焊缝两侧各 80~100mm范围内;若工作地点温度低于0℃时,其需要的预热温度应按试验确定。4.3.7.4焊缝出现裂纹,焊工不得自行处理,应申报技术负责人查明原因制订修补方案后再行处理,对低合金钢在同一处的返修次数不得超过两次。4.3.7.5焊缝质量,根据焊缝类型及受力性质分三级标准:一级焊缝:等强度直对接焊缝,要求焊透的受拉焊缝;二级焊缝:等强度直对接焊缝,要求焊透的受压焊缝;二级焊缝外的对接焊缝及角焊缝。三级焊缝:除一、
4.3.7.6各级焊缝均需作焊缝外观质量检查,焊缝外观的质量要求按本标准第4.3.7.7条进行。
二级焊缝除外观质量检查外,尚需作无损检验,无损检验标准按本标准第4.3.7.8条、
进行。
4.3.7.7焊缝外观质量要求
a.焊缝尺寸(长度和高度)必须符合设计要求。焊缝金属表面的焊波应均匀,不得有裂纹、夹渣、焊瘤、烧穿、未溶合、弧坑和针状气孔,并且无折皱和中断等缺陷。b.焊缝外观检验质量标准应符合表3的规定。咬边
不要求修
磨的焊缝
要求修磨
的焊缝
焊缝外观检验质量标准
质量标准
不允许bzxz.net
不允许
直径不大于1mm的气孔在1000mm
长度的范围内不超过5个
深度不超过0.5mm,累
深度不超过0.5mm累计总长度不超不允许
计总长度不得超过焊
缝总长度的10%
不允许
不允许
c.焊缝外形尺寸极限偏差应符合表4的规定。4.3.7.8焊缝无损检验质量要求
过焊缝总长度的20%
a.焊缝无损检验工作应由具有操作合格证的人员进行。肇X射线检验分两级标准,应按照表5的规定进行,其检验方法按照GB3323的规b.焊缝
定进行。
缺陷长径≤1.4%t时,可不计点数c.超声波检验焊缝质量应符合JB1152的规定。4.3.8
高强度螺栓和普通螺栓的孔径及极限偏差,应按照表7的规定。孔距极限偏差应符合表8的规定,摩擦面
焊缝口
打磨)
焊脚宽
焊缝外形尺寸极限偏差
示意图
极限偏差(mm)
0.5~2.00.5~2.5
≥ 20
高强度螺栓连接用摩擦面的加工方法有:喷砂(喷丸);喷砂(喷丸)后涂无机富锌4.3.9.1
漆;喷砂(喷丸)后生赤锈;酸洗;钢丝刷清除浮锈或未经处理的干净轧制表面等方法,可根据设计对抗滑移系数的要求,选择其中的一种。加工好的摩擦面的抗滑移系数应符合设计要求。同时,应备有三组同材质,同样处理方法的试件,供复验抗滑移系数用。4.3.9.2处理好的摩擦面应进行保护,不得涂油漆,不得被污物污损;摩擦面上生赤锈时,用前应将浮锈刷去。
形缺陷禾
未溶合
未焊逸
X射线检验质量要求
质量要求
不允论
不允让
不允论
母材厚度(mm)
点状夹渣
冬状夹渣
单个条状夹渣
条状夹渣总十
条状夹渣间距
t一母材月
注:t -
厚度(mm);
夹渣中较长者(
邻两买
不允许
不允讨
不允诊
12t的长度不得超过t
在6t的长度内
内,不得超过 t
-计算指数,圆形缺陷评定
母材厚
定区:
缺陷长径
换算点类
高强度螺栓连接用摩擦面之间的间隙应小于1mm。接头
螺栓公称直行
螺栓孔
高强度螺栓和普通螺栓制孔极限偏差公称直径及极限偏差(mm)
极限偏差
不圆度(最大和最小
值之差)
中心线倾斜度
应不大于板厚的3%,且单层板不得大于2mm,多层板迭组合不得大于3mm
注:承压型高强度螺栓孔径比螺栓公称直径大1.0~1.31.5mm。
组内相邻两孔间
同一组内任意两孔间
相邻两组的端孔间
注:孔的分组规定
1.在节点中连接板一
极限偏差(mm)
500~1200
/> 1200~3000
一根杆件相连接的所有连接孔划为一组。LT
.接头处的孔
通用接头
-半个拼接板上孔为-
一组:
阶梯接头一两接头之间的孔为一组。3.在相邻节点或接头间的连接孔为一组,但不包括1、2所指的孔。> 3000
材料接头应按杆件的等强度或杆件内力计算,一般在工厂内进行。
接头位置宜在内力小的节间内。4.3.10.2安装接头可用高强度螺栓或普通螺栓连接,或用普通螺栓定位,工地焊接。4.4除锈及涂漆
4.4.1钢桁架的除锈及涂漆工作应在质量检验部门按施工图的要求及本标准的规定对钢桁架的制作质量检验合格后进行。4.4.2除锈
钢桁架的除锈质量分两级,如表9所示。除锈
质量标准
钢材表面应露出金属色泽
钢材表面允许存留不能再清除的轧制表皮表9
除锈方法
喷砂(喷丸)或用除锈剂
-般工具(如钢铲、钢刷)清除
所采用的底漆及面漆应符合设计要求,并应有出厂证明书。涂漆前对所用油漆4.4.3.1
抽样检查。
2钢桁架涂漆地点的温度应在5~38℃间,相对湿度不应大于85%,雨天或构件4.4.3.2
上有结露时禁止作业。涂漆后4h 内严防雨淋。钢桁架涂漆厚度应符合设计要求,施工图无要求时,一般在出厂前涂底漆一遍,4.4.3.3
厚度不小于25 m,安装焊缝两侧 50mm 范围内暂不涂漆,安装后补涂。一般漆膜总厚度:室外为125~175 μ m,室内为100~150 μm。涂漆时应填写记录,记述油漆牌号,所处环境的温、湿度和漆液粘度。4.4.3.4
4.4.3.5钢桁架表面的漆膜应光滑、均匀,不应有金属外露或漆液流尚及褶皱。4.5钢桁架成品质量要求
4.5.1钢桁架制作完成后,厂检验部门应按照施工图的要求和本标准的规定,对成品进行检查和验收。钢桁架成品的外形和几何尺寸的极限偏差应符合表10的规定。
小提示:此标准内容仅展示完整标准里的部分截取内容,若需要完整标准请到上方自行免费下载完整标准文档。
钢桁架质量标准
Quality standard of ateel trussesJGJ74.1-91
中华人民共和国建设部批准
1991一06一14发布1991-12-1实施1主题内容与适用范围
1.1本标准规定了钢桁架结构制造的质量标准及技术要求。1.2本标准适用于工业与民用建筑用角钢、T型钢、H型钢、槽钢以及钢板组焊成的平面钢桁架。
本标准不适用于按规定要求进行疲劳计算的钢桁架。2引用标准
钢结构工程施工及验收规范
建筑工程质量检验评定标准
钢结构设计规范
碳素结构钢
低合金结构钢
碳钢焊条
低合金钢焊条
焊接用钢丝
二氧化碳气体保护焊用钢焊丝
气焊、手工电弧焊及气体保护焊焊缝坡口的基本形式与尺寸埋弧焊焊缝坡口的基本形式和尺寸5780
六角头螺栓一C级
I型六角螺母一C级
平垫圈C级
钢结构用高强度大六角头螺栓
钢结构用高强度大六角螺母
钢结构用高强度垫圈
钢结构用高强度大六角头螺栓、大六角螺母、垫圈技术条件钢结构用扭剪型高强度螺栓连接副型式尺寸钢结构用扭剪型高强度螺栓连接副技术条件钢熔化焊对接接头射线照相和质量分级锅炉和钢制压力容器对接焊缝超声波探伤3.1钢屋架
3类别
由角钢、T型钢、H钢钢、槽钢以及钢板组焊成的梯形钢屋架、三角形钢屋架、平行弦钢屋架及折线形钢屋架。3.2钢托架
由角钢、T型钢、H型钢、槽钢以及钢板组焊成的钢托架。3.3其他形式钢桁架
由角钢、T型钢、H型钢、槽钢以及钢板组焊成的天窗架、通廊架、吊车梁铺助桁架和其它钢桁架。
以上统称钢架。
4技术要求
4.1材料
结构钢材和连接材料应符合设计文件的要求。4.1.1结构钢材
4.1.1.1结构钢材的材质及轧制尺寸应符合现行国家标准的规定。当采用碳素结构钢时,钢材性能应符合GB700的规定:当采用低合金结构钢时,钢材性能应符合GB1591的规定钢材到货后对有疑问或有特殊要求的钢材应进行复验及补项检验,其结果应符合现行国家标准的规定。严禁使用无证明或证明不合规定的钢材。钢材的检验及检验方法按JGJ74.2的有关规定进行
4.1.1.2钢材不得有裂纹、分层、重皮、夹渣等缺陷,麻点或划痕的深度不得大于钢材厚度负公差的一半,且不大于0.5mm。4.1.2连接材料
连接材料应符合现行国家标准的规定并应有出厂证明书。4.1.2.1焊接材料
a.手工焊接:
结构钢材为碳素钢Q235(3号钢)时,应采用E43××型焊条,焊条质量应符合GB5117的规定。
结构钢材为低合金钢:当采用16Mn钢时,应采用E50××型焊条:当采用15MnV钢时,应采用E55××型焊条。焊条质量应符合GB5118的规定。禁止使用药皮脱落、焊芯生锈或受潮的焊条。禁止使用带锈的焊丝。b.自动焊接或半自动焊接:
自动焊接或半自动焊接所采用的焊丝应符合GB1300的规定,所用焊剂应根据结构钢材试验确定。
4.1.2.2紧固件
结构拼装或安装所采用的普通螺栓的质量应符合GB5780、GB41、GB95的规定。所采用高强度螺栓的质量应符合GB1228、GB1229、GB1230或GB3632、GB3633的规定。
禁止使用生锈、丝扣损坏或使用过的高强度螺栓。4.2钢桁架设计图及施工图
钢桁架设计图及施工图应由有设计证书的设计部门作出。当施工图由制造厂或非原设计部门作出时,必须由原设计部门认可。4.3制造
4.3.1钢桁架制造必须由符合国家规定等级并取得生产许可证的制造厂制作。且必须严格按照正式批准的施工图进行。4.3.2钢桁架零件加工、组装、焊接和涂漆等过程中,应清除钢材表面的油污、飞溅、毛刺、铁锈等各种污物。
4.3.3放样和号料应根据工艺要求预留焊接收缩余量及切割、刨边和铣平等的加工余画
4.3.4下料
划线下料前应核对钢材规格并进行外观检查。4.3.4.1碳素结构钢在工作地点温度低于一20℃,低合金结构钢在工作地点温度低于一15℃时不得剪切和冲孔。
被切割钢材断口处不得有裂纹和大于1mm的缺棱。4.3.4.2
:钢材的下料与划线极限偏差不得大于2mm;型钢切割,端部倾斜不得大于4.3.4.3
2mm。
4.3.5钢材矫正
4.3.5.1碳素结构钢工作地点温度低于一16℃,低合金结构钢工作地点温度低于一12℃时,不得进行冷矫正和冷弯曲。4.3.5.2碳素结构钢和低合金结构钢矫正时的加热温度不得高于900℃,对低合金结构钢钢材矫正后必须缓慢冷却。4.3.5.3零件热加工时,加热温度为900~1100℃(钢材表面呈淡桔黄色);温度下降到700℃之前(钢材表面呈暗樱红色),应结束加工,并使加工件缓慢冷却。矫正后的钢材表面不应有明显的凹陷和损伤,并不应有深度大于0.5mm划痕。4.3.5.4
钢材矫正后的极限偏差应符合表1的规定。4.3.5.6
焊接坡口加工尺寸应符合GB985和GB986的规定。项
钢板、扁钢的局
部挠曲矢高
角钢、槽钢的挠
曲矢高于
角钢肢、T型钢
肢的不垂直度
槽钢的翼缘倾
斜度△
H型钢的翼缘倾
斜度△
焊接H形钢、T
形钢的翼弯折
4.3.6组装
钢材矫正后的极限偏差
示意图
4.3.6.1焊接连接组装极限偏差不得超过表2的规定。极限偏差
在1000mm范围内
t ≤ 14,f≤ 1.5
t > 14,f≤ 1.0
长度的
但不大
但螺栓连接
双肢角钢的角度不得
大于90
且≤3.0
b且≤3.0
且△≤ 1.5
间隙d
错边量s
t≤10
坡口角度α
钝边α
长度1
间隙d
最大间隙d
角钢错背s
腹板偏心e
翼缘倾斜△
焊接H型钢翼缘
宽度b
焊接H型钢截面
高度h
焊接连接组装的极限偏差
示意图
7722228
极限偏差
t/10;且不大于3.0
节点处1.0
一般处2.0
≤b/100且△≤3.0
h≤400时,△h≤±2.0
400
桁架杆件轴线汇交点极限偏差不得大于3mm。4.3.6.2
定位焊点所用焊条的型号应与正式焊接所用的相同。焊点高度不超过设计焊4.3.6.3
缝高度的2/3,长度40mm为宜,间隔不大于400mm。并应由具有焊接合格证的工人操作。4.3.7焊接
施焊工作应由具有合格证的焊工操作,对停焊半年以上的焊工,要经过重新考4.3.7.1
2施焊前焊工应复查组装质量,如不符合要求,应经修整合格后方能施焊。施焊4.3.7.2
完毕,应在焊缝附近打上焊工的钢印代号。4.3.7.3碳素结构钢深度大于34mm和低合金结构钢厚度不小于25mm,工作地点温度不低于0℃时,应进行预热。预热温度应控制在100~150℃,预热区应在焊缝两侧各 80~100mm范围内;若工作地点温度低于0℃时,其需要的预热温度应按试验确定。4.3.7.4焊缝出现裂纹,焊工不得自行处理,应申报技术负责人查明原因制订修补方案后再行处理,对低合金钢在同一处的返修次数不得超过两次。4.3.7.5焊缝质量,根据焊缝类型及受力性质分三级标准:一级焊缝:等强度直对接焊缝,要求焊透的受拉焊缝;二级焊缝:等强度直对接焊缝,要求焊透的受压焊缝;二级焊缝外的对接焊缝及角焊缝。三级焊缝:除一、
4.3.7.6各级焊缝均需作焊缝外观质量检查,焊缝外观的质量要求按本标准第4.3.7.7条进行。
二级焊缝除外观质量检查外,尚需作无损检验,无损检验标准按本标准第4.3.7.8条、
进行。
4.3.7.7焊缝外观质量要求
a.焊缝尺寸(长度和高度)必须符合设计要求。焊缝金属表面的焊波应均匀,不得有裂纹、夹渣、焊瘤、烧穿、未溶合、弧坑和针状气孔,并且无折皱和中断等缺陷。b.焊缝外观检验质量标准应符合表3的规定。咬边
不要求修
磨的焊缝
要求修磨
的焊缝
焊缝外观检验质量标准
质量标准
不允许bzxz.net
不允许
直径不大于1mm的气孔在1000mm
长度的范围内不超过5个
深度不超过0.5mm,累
深度不超过0.5mm累计总长度不超不允许
计总长度不得超过焊
缝总长度的10%
不允许
不允许
c.焊缝外形尺寸极限偏差应符合表4的规定。4.3.7.8焊缝无损检验质量要求
过焊缝总长度的20%
a.焊缝无损检验工作应由具有操作合格证的人员进行。肇X射线检验分两级标准,应按照表5的规定进行,其检验方法按照GB3323的规b.焊缝
定进行。
缺陷长径≤1.4%t时,可不计点数c.超声波检验焊缝质量应符合JB1152的规定。4.3.8
高强度螺栓和普通螺栓的孔径及极限偏差,应按照表7的规定。孔距极限偏差应符合表8的规定,摩擦面
焊缝口
打磨)
焊脚宽
焊缝外形尺寸极限偏差
示意图
极限偏差(mm)
0.5~2.00.5~2.5
≥ 20
高强度螺栓连接用摩擦面的加工方法有:喷砂(喷丸);喷砂(喷丸)后涂无机富锌4.3.9.1
漆;喷砂(喷丸)后生赤锈;酸洗;钢丝刷清除浮锈或未经处理的干净轧制表面等方法,可根据设计对抗滑移系数的要求,选择其中的一种。加工好的摩擦面的抗滑移系数应符合设计要求。同时,应备有三组同材质,同样处理方法的试件,供复验抗滑移系数用。4.3.9.2处理好的摩擦面应进行保护,不得涂油漆,不得被污物污损;摩擦面上生赤锈时,用前应将浮锈刷去。
形缺陷禾
未溶合
未焊逸
X射线检验质量要求
质量要求
不允论
不允让
不允论
母材厚度(mm)
点状夹渣
冬状夹渣
单个条状夹渣
条状夹渣总十
条状夹渣间距
t一母材月
注:t -
厚度(mm);
夹渣中较长者(
邻两买
不允许
不允讨
不允诊
12t的长度不得超过t
在6t的长度内
内,不得超过 t
-计算指数,圆形缺陷评定
母材厚
定区:
缺陷长径
换算点类
高强度螺栓连接用摩擦面之间的间隙应小于1mm。接头
螺栓公称直行
螺栓孔
高强度螺栓和普通螺栓制孔极限偏差公称直径及极限偏差(mm)
极限偏差
不圆度(最大和最小
值之差)
中心线倾斜度
应不大于板厚的3%,且单层板不得大于2mm,多层板迭组合不得大于3mm
注:承压型高强度螺栓孔径比螺栓公称直径大1.0~1.31.5mm。
组内相邻两孔间
同一组内任意两孔间
相邻两组的端孔间
注:孔的分组规定
1.在节点中连接板一
极限偏差(mm)
500~1200
/> 1200~3000
一根杆件相连接的所有连接孔划为一组。LT
.接头处的孔
通用接头
-半个拼接板上孔为-
一组:
阶梯接头一两接头之间的孔为一组。3.在相邻节点或接头间的连接孔为一组,但不包括1、2所指的孔。> 3000
材料接头应按杆件的等强度或杆件内力计算,一般在工厂内进行。
接头位置宜在内力小的节间内。4.3.10.2安装接头可用高强度螺栓或普通螺栓连接,或用普通螺栓定位,工地焊接。4.4除锈及涂漆
4.4.1钢桁架的除锈及涂漆工作应在质量检验部门按施工图的要求及本标准的规定对钢桁架的制作质量检验合格后进行。4.4.2除锈
钢桁架的除锈质量分两级,如表9所示。除锈
质量标准
钢材表面应露出金属色泽
钢材表面允许存留不能再清除的轧制表皮表9
除锈方法
喷砂(喷丸)或用除锈剂
-般工具(如钢铲、钢刷)清除
所采用的底漆及面漆应符合设计要求,并应有出厂证明书。涂漆前对所用油漆4.4.3.1
抽样检查。
2钢桁架涂漆地点的温度应在5~38℃间,相对湿度不应大于85%,雨天或构件4.4.3.2
上有结露时禁止作业。涂漆后4h 内严防雨淋。钢桁架涂漆厚度应符合设计要求,施工图无要求时,一般在出厂前涂底漆一遍,4.4.3.3
厚度不小于25 m,安装焊缝两侧 50mm 范围内暂不涂漆,安装后补涂。一般漆膜总厚度:室外为125~175 μ m,室内为100~150 μm。涂漆时应填写记录,记述油漆牌号,所处环境的温、湿度和漆液粘度。4.4.3.4
4.4.3.5钢桁架表面的漆膜应光滑、均匀,不应有金属外露或漆液流尚及褶皱。4.5钢桁架成品质量要求
4.5.1钢桁架制作完成后,厂检验部门应按照施工图的要求和本标准的规定,对成品进行检查和验收。钢桁架成品的外形和几何尺寸的极限偏差应符合表10的规定。
小提示:此标准内容仅展示完整标准里的部分截取内容,若需要完整标准请到上方自行免费下载完整标准文档。
标准图片预览:





- 其它标准
- 热门标准
- 建筑工业行业标准(JG)
- JG/T209-2012 建筑消能阻尼器
- JG/T349-2011 硅改性丙烯酸渗透性防水涂料
- JGJ310-2013 教育建筑电气设计规范
- JG/T230-2007 预拌砂浆
- JG/T245-2009 混凝土试验用振动台
- JG/T410-2013 飞机库门
- JGJ83-2011 软土地区岩土工程勘察规程
- JGJ74-2003 建筑工程大模板技术规程(附条文说明)
- JGJ85-2002 预应力筋用锚具 夹具和连接器应用技术规程
- JGJ/T136-2001 贯入法检测砌筑砂浆抗压强度技术规程
- JGJ/T139-2001 玻璃幕墙工程质量检验标准
- JG/T16-1999 建筑门窗用油灰
- JG/T3031.3-1996 建筑用铜管管件 异径三通接头
- JG/T5014.3-1992 振动冲击夯 性能试验方法
- JG/T5093-1997 建筑机械与设备产品分类及型号
- 行业新闻
请牢记:“bzxz.net”即是“标准下载”四个汉字汉语拼音首字母与国际顶级域名“.net”的组合。 ©2025 标准下载网 www.bzxz.net 本站邮件:bzxznet@163.com
网站备案号:湘ICP备2025141790号-2
网站备案号:湘ICP备2025141790号-2