- 您的位置:
- 标准下载网 >>
- 标准分类 >>
- 化工行业标准(HG) >>
- HG/T 3199-1981 石墨管丝埋头
标准号:
HG/T 3199-1981
标准名称:
石墨管丝埋头
标准类别:
化工行业标准(HG)
标准状态:
已作废-
发布日期:
1983-01-25 -
实施日期:
1983-03-01 -
作废日期:
2009-07-01 出版语种:
简体中文下载格式:
.rar.pdf下载大小:
42.05 KB
标准ICS号:
化工技术>>化工设备>>71.120.99其他化工设备中标分类号:
化工>>化工机械与设备>>G94非金属化工机械设备
相关标签:
石墨

部分标准内容:
中华人民共和国化学工业部部标准石墨丝埋头
HG5--1445-81
0整为:HGh399-1181
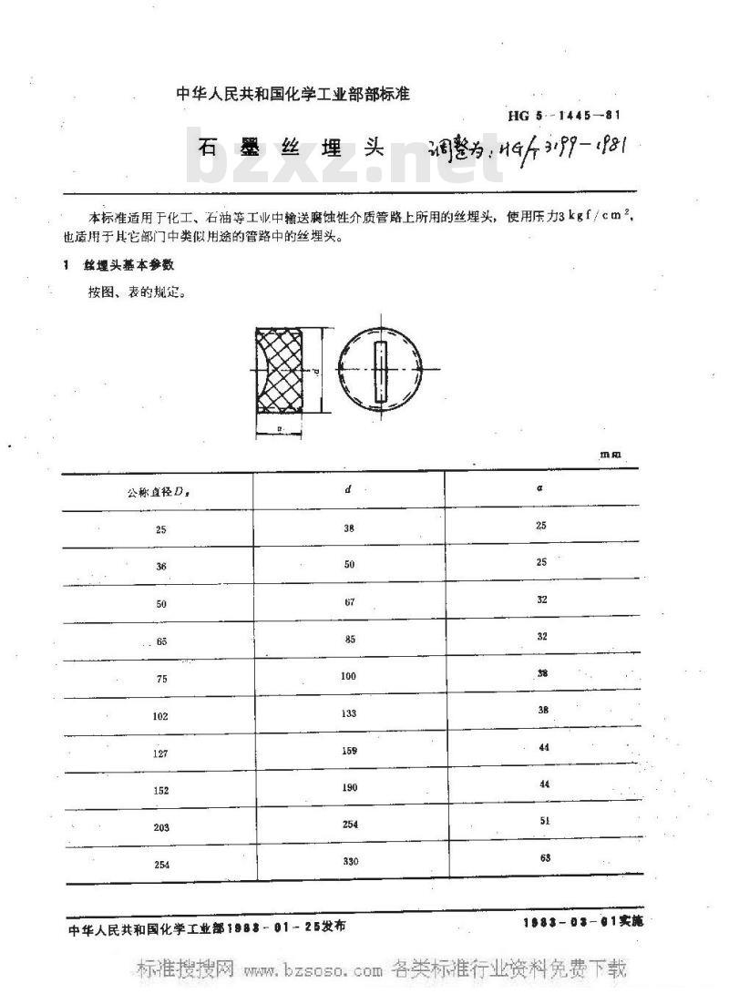
本标准适用于化工、石油等工业中输送腐蚀性介质管路上所用的丝埋头,使用压力3kgf/cm\也适用于其它部门中类似用途的管路中的丝埋头。效埋头基本参数
按图、表的规定。此内容来自标准下载网
公直径D,
中华人民共和国化学工业部1888-01-25发布9
1883-03-g1卖纯
2技术要求
HG $—1445- 81
按HG5一1344一80《不透性墨管、管件及部件技术条件》,3标记示例
公称直径D25的丝理头标记如下:5HG5—1445—81。
丝埋头Dg25
附加说明:
本标准由化学工业部化工机械研究院提出和归口。本标准出沈阳化工机械广负责起草。本标雄主要起草人贾德厚。
小提示:此标准内容仅展示完整标准里的部分截取内容,若需要完整标准请到上方自行免费下载完整标准文档。
HG5--1445-81
0整为:HGh399-1181
本标准适用于化工、石油等工业中输送腐蚀性介质管路上所用的丝埋头,使用压力3kgf/cm\也适用于其它部门中类似用途的管路中的丝埋头。效埋头基本参数
按图、表的规定。此内容来自标准下载网
公直径D,
中华人民共和国化学工业部1888-01-25发布9
1883-03-g1卖纯
2技术要求
HG $—1445- 81
按HG5一1344一80《不透性墨管、管件及部件技术条件》,3标记示例
公称直径D25的丝理头标记如下:5HG5—1445—81。
丝埋头Dg25
附加说明:
本标准由化学工业部化工机械研究院提出和归口。本标准出沈阳化工机械广负责起草。本标雄主要起草人贾德厚。
小提示:此标准内容仅展示完整标准里的部分截取内容,若需要完整标准请到上方自行免费下载完整标准文档。

标准图片预览:


- 其它标准
- 上一篇: HG/T 3198-1981 石墨管端头
- 下一篇: HG/T 3200-1981 石墨管凸缘
- 热门标准
- 化工行业标准(HG)
- HG/T2196-2004 汽车用橡胶材料分类系统
- HG/T2273.4-2006 nbsp;代替 HG/T 2273.4-1992 天然气一、二段转化催化剂试验方法
- HG/T2660-1995 各色聚氨酯磁漆(双组分)
- HG/T2704-2002 氯化聚乙烯
- HG/T2783-2020 代替HG/T 2783-1996 分子筛抗压碎力试验方法
- HG/T4070-2008 硅橡胶板
- HG20583-1998 钢制化工容器结构设计规定
- HG/T2089-1991 硫酸生产用钒催化剂试验方法
- HG/T2218.3-1991 灭害灵气雾剂C型
- HG20581-1998 钢制化工容器材料选用规定
- HG/T2810-2008 往复运动橡胶密封圈材料
- HG3286-2002 异稻瘟净乳油
- HG/T21531-2014 带颈对焊法兰手孔
- HG/T20584-2011 代替 HG 20584-1998 钢制化工容器制造技术要求
- HG2204-1991 莠去津水悬浮剂
- 行业新闻
请牢记:“bzxz.net”即是“标准下载”四个汉字汉语拼音首字母与国际顶级域名“.net”的组合。 ©2009 标准下载网 www.bzxz.net 本站邮件:bzxznet@163.com
网站备案号:湘ICP备2023016450号-1
网站备案号:湘ICP备2023016450号-1