- 您的位置:
- 标准下载网 >>
- 标准分类 >>
- 公共安全行业标准(GA) >>
- GA/T 946.3-2011 道路交通管理信息采集规范第3部分:道路交通事故处理信息采集
标准号:
GA/T 946.3-2011
标准名称:
道路交通管理信息采集规范第3部分:道路交通事故处理信息采集
标准类别:
公共安全行业标准(GA)
标准状态:
现行出版语种:
简体中文下载格式:
.zip .pdf下载大小:
189.18 KB

点击下载
标准简介:
GA/T 946.3-2011.Specifications for road traffic management information collection-Part 3:Road traffic accident handling information collection.
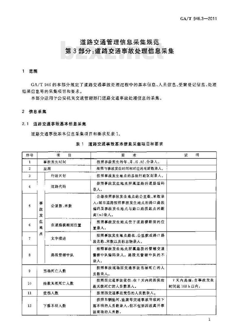
1范围
GA/T 946.3规定了道路交通事故处理过程中的基本信息、人员信息、受案登记信息、处理结果信息等的采集项目和要求。
GA/T 946.3适用于公安机关交通管理部门道路交通事故处理信息的采集。.
2信息采集
2.1道路交通事故基本信息采集
道路交通事故基本信息采集项目和要求见表1.
表1道路交通事故基本信息采集项目和要求
序号 项目 要求
1 事故发生时间 按照事故发生的年、月、日、时、分录人。
2 星期 按照与事故发生时间相对应的星期数录人。
3 事 行政区划 按照事故发生地点的县级行政区划录人。
4 故 道路代码 按照事故发生地点所属道路的道路编码录人
5 发 公里数、米数 公路按照事故发生地点的公里数、米数录
人;城市道路按照事故发生地点的路口路段
编码及事故发生地点与路口路段起点的距
离(m)录人。
6 生 在道路横断面位置 按照事故发生地点位于道路横断面的位置录人。
7 地 文字描述 按照事故发生地点路名、公里数或路口路
段名称、米数以及标志物录入。
8 点 路段管辖中队 按照事故发生地点所属路段的管辖交通
警察中队编码录人。路段无管辖中队的不录人

部分标准内容:
中华人民共和国公共安全行业标准GA/T946.3—2011
道路交通管理信息采集规范
第3部分:道路交通事故处理信息采集Specifications for road traffic management infarmation collection-Part 3:Road traffic accident handling information collection2011-07-18 发布
中华人民共和国公安部
2011-07-18实施
GA/T946%道路交通管理信息采集规范\分为六个部分:第1部分:机动车驾驶证业务信息采集和整注:一第2部分:机动车登记信息采集和签注:一第3部分:道路交通事故处理信息采集;一第4部分:道路交通违法处理信息采集:一第5部分:剧蕾化学品公路运输信息采集;一第6部分:道路交通管理辅助信息采集。本部分为GA/T946的第3部分。
本部分按照GB/T 1.1一2009给出的规则起草,本部分由公安部交通管理局提出:本部分由公安部道路交通管理标准化技术委员会归口。本部分起草单位:公安部交通替理科学研究所。本部分主要起草人:江海龙、诈卉莹,陈学浩,季君、唐礼虎、周建宁,TTTKANTKACA
GA/T 946.3-2011
1范围
道路交通管理信息采集规范
第3部分:道路交通事故处理信息采集GA/T 946.3—2011
GA/T 946 的本部分规定了道路交通故处理过程中的基本信息,人员信息、受案登记信息、处理结果信意等的采集项目和要求。本部分适用于公安机关交通管理部门道路交道事故处理信息的采集。2信息来集
2. 1道路交通事故基本信息采集道路交通事敌基本借息采集项目和要求见表1。表
道路交通事故基本信息采集项目和要求房号
事故发生时间
行政区始
道路代码
公里数,米效
在道路横断面位
文字插述
璐段管辖中队
当场死亡人数
抢教无效死亡人数
受齿人数
下落不明人数
按照事故发生的年、月、后,时、分录人。按照与事故发生时问相对应的虽期数录人。按照事故发生地点的县级行政区划录人。按照事故发生地点所两道路的道路编码录人。
公路按照事故发生地点的公里数,米数录人,城市道路按瓯事故发生地点的路口路段编码及事故发生地点与路口路段起点的距离(m)录人,
按照事故发生地点位于道路概断面的位置录人。
按照事故发生地点路名,公里数或路口路段名称、米数以及标志物录入。按照事故发生地点所属路段的管糖交通警察中队编码录人,路段无管糖中队的不录入。
按照事故现场因交通事故当场死亡的人员数录人。
按照因交通事故受伤,在了无内臣医院抢教无效死亡的人员数录人,
按照因交通事故死你的人员数录人。按照车辆坠河坠唐等交通事故导致的下落不明的人员数录人,但不包措因故离开事故现场的人员数。
TTTKNTKACA
7天内是指,自享故发生
时间起 168 h 以内,
GA/T 946.3--2011
直接财产损失
事效类型
简要案情
事救形态
车辆间事殊撞考度
单车事故链遭对象
现场态
危险品事故果
事势初查原两
李故认定原因
逃递事故货装情况
能见度
路简状况
路表情况
交通信号方式
追照明争件
道路类型
公路行政等级
表1(续)
按照事故现场的车辆财物直接经济损失,折合人民市款额录人,包搭风事故致车辆,财物换、敏的经济摄失·但不包括事故造成的间接损失。直接斯产损失精确到元,按财事故导致后果的严重程度的分类录人,
按隔事故发生的时问、地点、经过,后果等基本情况,以简要文字录人,
按照事故外部表现形态录人,涉及测方以上的车辆,以损失大的为准,损失相近的以光妾贮的两方为准;车辆自身事故中通有几种情说的,以损失最严重的--种形态录人.按照在再故中车辆间的班趣角度录人:多车撤的,以选成人员伤亡最严重的链撞角度录人,
接照在单车事故中覆撑对象的分类录入。按照事故现形态的分类录人。
按照运裁危险物品的机动车发生交通事故后危险物品的情况录人
按照经现场逝查初步判断的事故发生原因录人,
按照经事故调查后最整确定的事故发生原因录入,
按照逃逸事故是否供破录人,
按照事故发生时对行车安全影响较大的一种天气情况录人。
按照事故发生所在位置能够看清楚目标轮离的最大地面水平距离录人。按朋事故现场路面的状况录人。按照事故发生时路表的情况录人,按照事故发生地点设有的交通信号的方式录人,有多项交通信号方式的应全部录天,
按朋事故发生时的服明情况录人,录人白天、夜间有路灯照明、夜间无路灯照明,事故发生在公筛上的,按膜公路荐术等级录人,其他按照分类录人。
事故发生在公略上的,按照道路建设部门划分的道路行政等级录人
TTTKNTKACA
夜间是指,当地路灯开启
至路灯关闭的时间。
道路线形
路口路段类型
逍路物理隔离
路谢药构
中央隔离设施
路侧防护设施类型
道路安全晨性
道路妄全隐惠督办等级bzxZ.net
遵路交通事故人员信息采集
裹1(续)
按照事故发生地点的主要地形地貌持征录人,
按照事故发牛地点的道路平面线形、纵断面线形情况录人。
事故发生在路口的按照路口的类型录人,发生在路段的按照路段的类型录人。按照事故发生道路上设登的强制性物理隔商设施类型录人
按照事故发生地点的路面结构能人,按照事故发生地点的道路中央隔离设施的种类录人。
按照设置在道路路侧,防止失控车箍冲出路外的安全防护设施的类型录人。按照事故危险路段搏查结果和事故发生地以往的事放发生情况录,人。
按照道路安全险患督办等致录人。道路交通事故人员信息采集项目和要求见表2。表2遵路交通事故人员信息采集项目和要求序号
身份证明号码/驾驶证号
户蒂地行政区划
当事人属性
姓名/单位名称
机动车驾驶人持有驾驶证的,按照机动车驾驶证势明的驾驶函号录人,机动车驾驶人无证驾驶的,非机办车驾驶人,行人、乘车人按照身份证瞬截明的号码录人,无身份证明的录人“无”。
按照当事人身份证明数萌的户然地所属的县级行敢区划代码录人。当事人是军人,武警的按照实际驻地的县级行政区划代码录人
当事人为自然人的录人“个人”,当事人为单位的录人“单位”。
当事人为自然人的按照当事人身份证明明的姓名录人,外国人姓名按照译音录人。当事人为单位的,录人单位名称。未知名的录人为“无名氏”,
按照当事人身份证明载期的性别录人TTTKNTKACA
GA/T946.3—2011
GA/T 946.3—2011
户口性质
人员类型
驾驶证种类
驾驶正档案编号
交通方式
驾验人血波酒精合含盐
安全带/头盔等使用情况
行人状态
行走速度
过错行为一
过错行为二
过错行为三
事故贵任
伤客程度
伤害部位
致死原因
死时间
号牌种类
表2(续)
按照当事人身份证明载明的出生日期计算录人,
按照当事人的户口类别录人,
按照当事人的类型录人。
按照当事人当前所在单位名称录人。按照当事人当前实际住址录入。按照当事人持有驾驶证的种类录人。当事人无帮驶许可的应录入“无驾驶证”。按照驾驶证载明的档案编号录人,按照驾驶证教明的却次领证日期与事故发生时间计算转果录人,单位为年,按照事故发生时当事人出行的方式和所使用的交通工具录人。
按照酒精检测设备测定的驾驶人血滋酒精含数值录入。
按照当事人是否使并安全带或佩费全头盔情况录人。
按照事故发生前瞬间行人的状态录人。按照事故发生前瞬间的行人行走速度的状态录人。
按照当事人在事故发生前职间存在的过错行为录入。
按照当事人在事故发生前开间存在的过错行为莱人。
按照当享人在事故发生前瞬间存在的过错行为亲人。
按照当事人在事故中的责任录人。按腹由具有资质的专门机构或医疗机构具有执业资格的医生出其的诊断证明明的结果录人,
按当事人实际受伤部位录人。
按照法医户体检验报告数明的死亡原因录人,
按照当事人死亡时的年。月、日、时、分录人。
按照发生交通事故的机动车号牌的分类录入.
TTKANTKACA
号牌号码
车辆类型
交强险
实较量
车辆合法状态
车辆安全状流
行骏这态
辆定证所派
碰撞角色
车辆变速器位
车辆转问灯状态
车辆照明灯状态
车辆安全气囊状态
公路客运区间里程
公路客运经管方式
危险品运输以业资格
危险物品运输许可证情况
运输危险品种类
表2(续)
按照发生交通事故的机动车所悬的号牌号码录人。
按照机动车行驶证毂明的车辆类型录入。按照发生交通事故的机动车投保交强险情况录入。
按照机动车行驶证戴明的核载益录人。载客人数单位为人:载货量,单位为千克(kg)
按照发生交通事故的机动车实际载客或载货且录入。载客人数,单位为人,费货过,单位为干克(g)。
按照发生交通事故的,机动车是否具有合法的上道路行驶的资格示人。
按接照发生交通事故的机动车的安全技术状沉录人。
接期事故发步前耀闻车辆的行聚状态录人
按照机动车行驶证载明的车辅使用性质录人
按照车辆在事故碰中所起的作用录人。按照事故发生时车辅变速器所处的档位录人
按照事故发生时车辆转向灯状态求人,按照事故发生时车辆照明灯状态录人,按照车辆驾敬人位置正面安全气囊是否启操情况录入。
按照从事公路客运车辆其客运班线起止点之间的距离录人,单位为干米(km)。按照成事公路客运车辆的经营方式录人。按照运摘危险品驾骏人所持的危险品运输从业资格证情况录人。
按照危险品运输车辆有无危险物品运瘤许可证情况录人:
按照车辆运翰的危险物品种类录人。2.3道路交通事故案登记信息采集道路交通事故受案登记信息采集项目和要求见表3。GA/T 946.3-20t1
GA/T 946.3—2011
报警时间
报替人姓名
抵警人性别
报警电话
报警人住址
报警方式
案件来源
受案人一姓名
受案人二姓名
道路交通惠故受案登记信息采靠项目和要求要
按照报警的年、月、日、时、分录人。按照报警人自述的姓名录人,当事人不题意透露的,录人“医名”。
按照报人自述的性别录人。
按照报警鬼活号码录人。
按照报害人白述的地址录人:
按照报警的方式录入。
按照案件的缘由,用文字性描述录入,按照案件的来源,用文性描递录人,按照受理交通事故的民署姓名录人按服受理交通事故的民暂姓名录人:道路交通事故处理结果信息采集道路交通事故处理结果信息采集项目和要求见表4。表 4道路交通事故处理结果信息采集项目和要求序号
逐逸事故认定日期
事故中比认定日期
事故认定日期
事故认定散销甘期
刑事立案月期
调解开始日期
调解结束日期
调解结果
结案左式
结案日期
数镌率件日期
按照逃速事故未齿获前,应当率人要求制:作道路交通事故议定长?的期录人,接照事放中止认定的日期录人,按照制作事故认定书的日期录人。按服复核后教销事故认定的日期录人。按照道路交通事故刑事立案的口期录入。按照调解开始的日期录人。
按照调解结东的日期录人。
照谢解的结果,用文字性插述录人。按照事故缔案的力式录人
按照事故结案的日期录入,
按照撤销案件的日期录入,
2.5道路交通事故人员处理结果信息采集道路交通事故人员处理结果信息采集项目和要求见表5,表5道路交通事故人员处理结果信息采集项目和要求序号
扣车日期
扣车延期理由
按照却留当事人车辆的日期录人。按照延长车辆扣留期限的頭由录人,说
扣车返还日期
检验监定委托日期
检验监定完成日期
重断检验鉴定委托日期
重新检验鉴定完成日期
血糖酒精依度
尸体强制处理日期
行政处蹈日期
怖者出院日期
评残结泉
办理丧葬事官结束白期
申请调解日期
实际赔偿金颊
拘留日期
延长拘留日期
取保候审日期
解除取保候审日期
遂捕日期
不批捕理由
判决结果
判决日期
判决书缩号
表5 (续)
按照返还打留车辆的日期录人。按照委托有资质单位进行检验,鉴定的日期录人,
按照检验、整定报告费明的日期录人,按照委托有资质单位进行重新检验,鉴些定的期录人,
按照检验,鉴定银告载明的日期录人,按照检验、鉴定抵告载明的结果录人。单位mg/100mL.
按照强制处理尸体的甘期录入。按脏对当事人缴出行政处罚的日期录人,按照资者出院证明所龄明的日期录人,按照伤残评定报告所载明的结果录人按照死者家减办理丧葬事宜约结东日期最人
按照当事人调解申请书载明的可期录人。按照调解的实际赔偿金额折合人民币录:人,单位为元,
获照当事人被拘留的日期录人。按照呈请延长拘留期限报告书3载明的诞长留期限录人,
按照&取保候审决定书>载明的氏期录人。按照心解除取保候审决定书》敏明的日期录人。
按照当事人被迹捕的且期录人。按照人民捡案院不批准述辅的理由录人。按照刑事判决书载明的判决结呆录人,按照刑事判决书载明的日期录人。按照刑事判决书载明的刑期录人。按照刑事判决书载裁明的编号录人,GA/T 946.3--2011
小提示:此标准内容仅展示完整标准里的部分截取内容,若需要完整标准请到上方自行免费下载完整标准文档。

标准图片预览:





- 其它标准
- 热门标准
- GA公共安全标准
- GA/T389-2002 计算机信息系统安全等级保护数据库管理系统技术要求
- GA141-2001 警用防弹衣通用技术条件
- GA/T451-2020 居民身份证卡体技术规范
- GA/T492-2004 城市警用地理信息图形符号
- GA/T1330-2016 法庭科学吸毒人员尿液中四氢大麻酚和四氢大麻酸气相色谱-质谱检验方法
- GA/T1529-2018 信息安全技术安全型硬拷贝产品安全技术要求
- GA/T1300-2016 社会消防安全培训机构设置与评审
- GA241.8-2000 印章治安管理信息系统第8部分:印章自动识别系统的性能指标和检测方法
- GA/T1296-2016 电动自行车物联网防盗终端通用技术要求
- GA/T704.7-2007 出入境管理信息代码 第7部分:境外人员入境事由代码
- GA/T1591-2019 警务智能语音服务平台接口规范
- GA/T16.103-2015 道路交通管理信息代码第103部分:道路交通事故受案编号编码规则
- GA39.2-92泵 消防车通用技术条件
- GA301.2-2001 看守所在押人员信息管理数据交换格式 第2部分:看守所信息数据交换格式
- GA/T1400.2-2017 公安视频图像信息应用系统 第2部分:应用平台技术要求
- 行业新闻
网站备案号:湘ICP备2023016450号-1