- 您的位置:
- 标准下载网 >>
- 标准分类 >>
- 公共安全行业标准(GA) >>
- GA 997-2012 警用宿营车
标准号:
GA 997-2012
标准名称:
警用宿营车
标准类别:
公共安全行业标准(GA)
标准状态:
现行出版语种:
简体中文下载格式:
.zip .pdf下载大小:
2.74 MB
相关标签:
警用
点击下载
标准简介:
GA 997-2012.Police camping vehicle.
1范圃
GA 997规定了警用宿营车的术语和定义、分类与代号、技术要求、试验方法.检验规则、标志、运输和贮存。
GA 997适用于汽车整车或二类底盘改装的警用宿营车。
2规范性引用文件
下列文件对于本文件的应用是必不可少的。凡是注日期的引用文件,仅注日期的版本适用于本文件。凡是不注日期的引用文件,其最新版本(包括所有的修改单)适用于本文件。
GB 1495汽车加速行驶车外噪声限值及测量方法
GB 1589道路车辆外廓尺寸 、轴荷及质量限值
GB/T 2820.8往复式内燃 机驱动的交流发电机组第8部分:对小功率发电机组的要求和试验
GB 4706.1- -2005 家用 和类似用途电器的安全第1部分:通用要求
GB4785汽车及挂车外部照明和光信号装置的安装规定
GB 7258机动车运行安 全技术条件
GB 8108车用电子警报器
GB8410汽车内饰材料的燃烧特性
GB/T 12534汽车 道路试验方法通则
GB/T 12539汽车爬陡坡 试验方法
GB/T 12544汽车最高车速试验方法
GB/T 12545.2商用车燃料 消耗量试验方法
GB/T 12546汽车 隔热通风试验方法
GB/T 12673汽车主要尺寸测量方法
3术语和定义.
下列术语和定义适用于本文件。
3.1警用宿营车police camping vehicle
车载住宿设备设施,用于野外勤务提供宿营的车辆或挂车。
4分类与代号
4.1分类
4.1.1警用宿 营车(以下简称宿营车)按宿营人数分为轻型、中型和大型3类,见表1.
部分标准内容:
中华人民共和国公共安全行业标准GA 997—2012
警用宿营车
Policecampingvehicle
2012-05-07发布
中华人民共和国公安部
2012-06-01实施
本标准的全部技术内容为强制性。前言
本标准按照GB/T1.1—2009给出的规则起草。本标准由公安部装备财务局提出。本标准由公安部特种警用装备标准化技术委员会归口。GA997—2012
本标准起草单位:公安部装备财务局、公安部第一研究所、东风商用车有限公司、南京依维柯汽车有限公司、河南中光学神气汽车改装有限公司、江西江铃汽车集团改装车有限公司。本标准主要起草人:潘长东、凌建寿、王梅、庞振江、薛飞、宋文建、刘存宾。本标准于2012年05月首次发布。1范围
警用宿营车
GA 997—2012
本标准规定了警用宿营车的术语和定义、分类与代号、技术要求、试验方法、检验规则、标志,运输和些存。
本标准适用于汽车整车或二类底盘改装的警用宿营车。2规范性引用文件
下列文件对于本文件的应用是必不可少的。凡是注日期的引用文件,仅注日期的版本适用于本文件。凡是不注日期的引用文件,其最新版本(包括所有的修改单)适用于本文件。GB1495汽车加速行驶车外噪声限值及测量方法GB1589道路车辆外廓尺寸、轴荷及质量限值GB/T2820.8往复式内燃机驱动的交流发电机组第8部分:对小功率发电机组的要求和试验GB4706.1一2005家用和类似用途电器的安全第1部分:通用要求GB4785汽车及挂车外部照明和光信号装置的安装规定GB7258
机动车运行安全技术条件
GB8108
车用电子等报器
GB8410汽车内饰材料的燃烧特性GB/T12534汽车道路试验方法通则GB/T12539
汽车爬陡坡试验方法
4汽车最高车速试验方法
GB/T12544
GB/T12545.2商用车燃料消耗量试验方法GB/T12546汽车隔热通风试验方法GB/T12673汽车主要尺寸测量方法GB/T12674
汽车质量(重量)参数测定方法5汽车制动系统结构、性能和试验方法GB12676
GB/T12678
汽车可靠性行驶试验方法
GB/T12782
汽车采暖性能要求和试验方法
GB/T13869
用电安全导则
警车、消防车、救护车、工程救险车标志灯具GB13954
GB/T14172
汽车静侧翻稳定性台架试验方法客车上部结构强度的规定
GB/T17578
GB/T18883室内空气质量标准
GB/T22551
旅居车辆旅居挂车居住要求
GB/T23334开启式客车安全项窗
GB26172.1折叠翻靠床安全要求和试验方法第1部分安全要求GB/T26172.2折叠翻靠床安全要求和试验方法第2部分试验方法1
GA997—2012
GJB1777军用专用汽车通用规范
GA5242004式警车汽车类外观制式涂装规范警用车辆产品分类及型号编制规则GA876—2010
GA923公安特警专用车辆外观制式涂装规范JB/T5943工程机械焊接件通用技术条件专用汽车定型试验规程
QC/T252
QC/T452--2009住宿车通用技术条件QC/T476客车防雨密封性限值及试验方法QC/T484汽车油漆涂层
QC/T625
汽车用徐镀层和化学处理层
QC/T646.1
汽车粉尘密封性试验粉尘洞法
QC/T658汽车空调制冷系统性能道路试验方法汽车整车产品质量检验评定方法QC/T900
3术语和定义
下列术语和定义适用于本文件。3.1
警用宿营车policecampingvehicle车载住宿设备设施,用于野外勤务提供宿营的车辆或挂车。4分类与代号
4.1分类
警用宿营车(以下简称宿营车)按宿营人数分为轻型、中型和大型3类,见表1。表1宿营车分类表
宿营人数
轻型宿营车
4.1.2按宿营车驱动方式分为越野型和非越野型。4.2代号
中型宿营车
5人~12人
大型宿营车
>12人
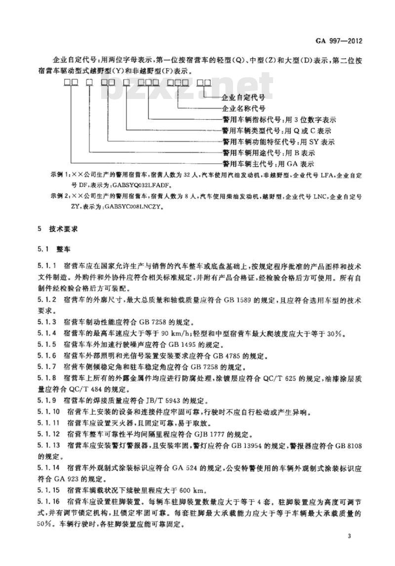
宿营车代号由警用车辆主代号、用车辆用途代号、警用车辆功能特征代号、警用车辆类型代号、警用车辆指标代号、企业名称代号和企业自定代号组成,应符合GA876一2010的规定。警用车辆主代号:用“公安”汉语拼音首个大写字母“GA”表示。菩用车辆用途代号:保障类用B”表示。警用车辆功能特征代号:用“宿营”的汉语拼音首个大写字母“SY”表示。警用车辆类型代号:汽车使用汽油发动机用“Q”表示,使用柴油发动机用C”表示。警用车辆指标代号:用宿营人数表示,如宿营车宿营32人,用032表示。企业名称代号:用3位大写字母表示。2
GA997—2012
企业自定代号:用两位字母表示,第一位按宿营车的轻型(Q)、中型(Z)和大型(D)表示,第二位按宿营车驱动型式越野型(Y)和非越野型(F)表示。口
DO 0 000 000
企业自定代号
企业名称代号
警用车辆指标代号:用3位数字表示警用车辆类型代号:用Q或C表示警用车辆功能特征代号:用SY表示警用车辆用途代号:用B表示
警用车辆主代号:用GA表示
示例1:××公司生产的警用宿营车,宿营人数为32人,汽车使用汽袖发动机,非越野型,企业代号LFA,企业自定号DF,表示为:GABSYQ032LFADF示例2:××公司生产的带用宿营车,宿营人数为8人,汽车使用柴油发动机,越野型,企业代号LNC,企业自定号ZY.表示为:GABSYC008LNCZY
5技术要求
5.1整车
5.1.1宿营车应在国家充许生产与销售的汽车整车或底盘基础上,按规定程序批准的产品图样和技术文件制造。外购件和外协件应符合相关标准规定,并附有产品合格证,经检验合格后方可使用。所有自制件经检验合格后方可装配。
5.1.2宿营车的外廊尺寸,最大总质量和轴载质量应符合GB1589的规定,且应符合选用车型的技术要求。
宿营车制动性能应符合GB7258的规定。5.1.3
宿营车的最高车速应大于等于90km/h;轻型和中型宿营车最大爬坡度应大于等于30%。5.1.42
5.1.5宿营车车外加速行驶噪声应符合GB1495的规定。宿营车外部照明和光信号装置安装要求应符合GB4785的规定。5.1.6
宿营车侧倾稳定角和驻车稳定角应符合GB7258的规定。5.1.8宿营车上所有的外露金属件均应进行防腐处理,涂镀层应符合QC/T625的规定,油漆涂层质量应符合QC/T484的规定。
5.1.9宿营车的焊接质量应符合JB/T5943的规定。5.1.10宿营车上安装的设备和连接件应牢固可靠,行驶时不应自行松动或产生异响。5.1.11宿营车应设置灭火器,且固定可靠,易于取放。5.1.12宿营车整车可靠性平均间隔里程应符合GJB1777的规定。5.1.13
宿营车应安装警灯警报器,且安装牢固,警灯应符合GB13954的规定,警报器应符合GB8108的规定。
5.1.14宿营车外观制式涂装标识应符合GA524的规定,公安特使用的车辆外观制式涂装标识应符合GA923的规定。
5.1.15宿营车满载状况下续驶里程应大于600km。5.1.16宿营车应设置驻脚装置。每辆车驻脚装置数量应大于等于4套。驻脚装置应为高度可调节式,并有调节锁定机构,且锁定牢固可靠。每套驻脚最大承载能力应大于等于车辆最大承载质量的50%。车辆行驶时,各驻脚装置应能可靠固定。3
GA997—2012
5.2车厢
5.2.1车厢地板至顶棚最大高度应大于1800mma5.2.2车厢门、车窗应配置防蚊虫的纱帘,车窗内应配置窗帘,车厢门开启后净宽度应大于800mm。5.2.3车厢上车位置应加装上车扶手。5.2.4车厢上部结构强度应符合GB/T17578的规定。5.2.5车厢地板应具备抗磨、阻燃、耐腐蚀、耐水洗性能,表面平整光滑,地板块全口拼合。车厢内空气质量应符合GB/T18883的规定。
5.2.6车辆应配置冷暖空调设备,空调性能应满足QC/T452-2009中2.3.3~2.3.5的要求。5.2.7车厢应具备一定的保温性能。车厢内外温度之差为20℃~35℃时,车厢材料的平均热传系数应不超过1.5W/(m·K)。车厢的防尘密封性能应符合QC/T646.1的规定。5.2.8车厢防雨密封性应符合QC/T476的规定。5.2.9车厢厢体及内饰材料阻燃特性应符合GB8410的规定。5.2.10在距车厢内地板高度1m范围,车厢内照明系统的平均照度应大于601x;在车厢外距车门1m、距水平地面0.5m范围,车门照明系统的平均照度应大于201x。5.2.11车厢应配置开启式安全项窗,安全项窗应符合GB23334的规定,安全顶窗应急出口尺寸应大于500mm×600mm,且具备强制通风功能。5.3床铺
5.3.1单人床铺尺寸应大于1900mm×600mm。5.3.2床铺的支承立柱、框架结构、强度和耐久性应符合GB26172.1的规定。5.3.3床铺表面及乘员身体可触及的部位,应无任何尖状凸出物。框架及底板外缘连接部位圆角半径应大于5mm。
5.3.4车厢内可设置折叠翻靠床结构的双层床铺,上,下铺位间的净高度应大于800mm;双层铺位的上铺应设有床梯且在外侧应安装防护装置。5.3.5折叠翻靠床打开和闭合应简便、可靠;折叠翻靠床的非故意闭合和非故意打开性能应符合GB26172.1的规定。
5.3.6床铺使用材料的外观.耐腐性应符合GB26172.1的规定;床铺材料阻燃特性应符合GB8410的规定。
5.4电气
5.4.1宿营车仪表、电气系统的电源连接应符合GB/T13869的规定。5.4.2宿营车应采用接驳市电和车载独立式发电机供电的方式,并具有电源转换装置与漏电保护功能。
5.4.3车载独立式发电机组性能和功能应符合GB2820.8的规定,且应能满足车载电气设备的用电功率需求。
5.4.4宿营车应配备有良好的接地系统,接地电阻小于50,泄漏电流和电气强度应满足GB4706.1--2005中第13章、第16章的规定。车厢用电设备均应进行接地保护,接驳市电供电时,整车及电气系统设备均应进行接零保护。宿营车应配备防雷击措施。5.4.5电气系统应正确接线,布线整齐。电气元件之间及电气元件与宿营车之间的联接牢固可靠,各导线均有不易脱落的明显标志。5.4.6当空气相对湿度为45%~75%,环境温度为15℃~35℃时,电气系统各回路对地及相互间的冷态绝缘电阻值不应小于2Ma。
GA 997—2012
5.4.7宿营车电气系统各回路对地及各回路间应能承受表2规定的试验电压。频率为50Hz,波形为正弦波,历时1min的绝缘介电强度试验,应无击穿或闪络现象,试验前将不能承受高压的电气元件拆除或短接。
表2试验电压
回路额定电压
100400
试验电压
(1000+2倍额定电压)×80%,最低为1200750
单位为伏特
5.4.8随车附带电缆长度应大于50m,电缆绞盘数量应大于等于2个,电源插座应具备防水保护,电源电缆线容量大于30A。
6试验方法
6.1整车
6.1.1检查宿营车相关技术资料,判定结果是否符合5.1.1的要求。6.1.2宿营车外廊尺寸按GB/T12673的规定进行检验,最大总质量、前后轴载质量按GB/T12674的规定进行检验,判定结果是否符合5.1.2的要求。6.1.3宿营车制动性能按GB12676的规定进行检验判定结果是否符合5.1.3的要求。6.1.4宿营车最高车速按GB/T12544的规定进行检验,最大爬坡度检验按GB/T12539的规定进行检验,判定结果是否符合5.1.4的要求。6.1.5宿营车加速行驶噪声按GB1495的规定进行检验,判定结果是否符合5.1.5的要求。6.1.6宿营车外部照明和光信号装置按GB4785的规定进行检验,判定结果是否符合5.1.6的要求。6.1.7宿营车侧倾稳定角和驻车稳定角按GB/T14172的规定进行检验,判定结果是否符合5.1.7的要求。
6.1.8宿营车上所有外露金属件和电镀件按QC/T625的规定进行检验,油漆涂层按QC/T484的规定进行检验,判定结果是否符合5.1.8的要求。6.1.9宿营车的焊接质量按JB/T5943的规定进行检验,判定结果是否符合5.1.9的要求。6.1.10宿营车按GB/T12534的规定进行检验,在三级公路以下路面(含三级公路)以60km/h车速行驶30km,检查设备固定连接状况,判定结果是否符合5.1.10的要求。6.1.11检查宿营车的灭火器设置,判定结果是否符合5.1.11的要求。6.1.12宿营车可靠性按GB/T12678的规定进行检验,可靠性试验里程分配按QC/T252的规定,整车平均故障间隔里程计算按QC/T900的规定,判定结果是否符合5.1.12的要求。6.1.13检查宿营车的警灯警报器的固定安装,警灯按GB13954的规定进行检验,警报器按GB8108的规定进行检验,判定结果是否符合5.1.13的要求。6.1.14宿营车外观制式涂装标识按GA524的规定进行检验,公安特警使用的宿营车外观制式涂装标识按GA923的规定进行检验,判定结果是否符合5.1.14的要求。6.1.15宿营车的最大续驶里程按GB12545.2的规定检测汽车60km/h等速行驶时燃油消耗量,再依据燃油箱容积,计算一次加满油状态下的行驶里程,判定结果是否符合5.1.15的要求。6.1.16检查宿营车驻脚装置,每只驻脚承载能力需承制方提供省级以上检验机构的检测合格报告,判定结果是否符合5.1.16的要求。5
GA997—2012
6.2车厢
6.2.1用精度1.0mm量具测量车厢地板至项棚最大高度,判定结果是否符合5.2.1的要求。6.2.2用精度1.0mm量具测量门开启后净宽度,检查纱帘、窗帘,判定结果是否符合5.2.2的要求。6.2.3检查上车扶手,判定结果是否符合5.2.3的要求。6.2.4车厢上部结构强度按GB/T17578的规定进行检验,判定结果是否符合5.2.4的要求。6.2.5检查车厢地板相关资料,检查地板拼合状况,车厢内空气质量按GB/T18883的规定进行检验,判定结果是否符合5.2.5的要求。6.2.6车辆的隔热通风性能按GB/T12546的规定进行检验,车辆采暖性能按GB/T12782的规定进行检验,车辆空调制冷性能按QC/T658的规定进行检验,判定结果是否符合5.2.6的要求。6.2.7车厢的热传系数按GB/T22551的规定进行检验,防尘密封性能按QC/T646的规定进行检验,判定结果是否符合5.2.7的要求。6.2.8车厢防雨密封性按QC/T476的规定进行检验,判定结果是否符合5.2.8的要求。6.2.9车材料阻燃特性按GB8410的规定进行检验,判定结果是否符合5.2.9的要求。6.2.10使用自动量程照度计(ST-85)检查车空间照明度、车门外照明度,判定结果是否符合5.2.10的要求。
6.2.11安全顶窗按GB/T23334的规定进行检验,用精度1.0mm量具测量安全顶窗应急出口的尺寸,判定结果是否符合5.2.11的要求。6.3床铺
6.3.1用精度1.0mm量具测量单人铺位尺寸,判定结果是否符合5.3.1的要求。6.3.2铺位的支承立柱、框架结构、强度和耐久性试验按照GB/T26172.2的规定进行检验,判定结果是否符合5.3.2的要求。
6.3.3检查铺位表面及身体可触及部位的凸出物,用量具检查框架及底板外缘连接部位的凸出物圆角,判定结果是否符合5.3.3的要求。6.3.4用1.0mm量具测量上、下铺位间的净高度,检查窗梯、防护装置,判定结果是否符合5.3.4的要求。
6.3.5折叠翻靠床的非故意闭合和非故意打开性能,按GB/T26172.2的规定进行检验,判定结果是否符合5.3.5的要求。
6.3.6床铺使用的材料按GB/T26172.2的规定进行检验,材料的阻燃特性按GB8410的规定进行检验,判定结果是否符合5.3.6的要求。6.4电气
6.4.1宿营车仪表、电气系统按GB/T13869的规定进行检验,判定结果是否符合5.4.1的要求。6.4.2检查宿营车驳接市电、车载发电机供电及电源转换装置,判定结果是否符合5.4.2的要求。6.4.3检查发电机组相关技术资料,计算宿营车车载设备用电功率,核算发电机组功率,判定结果是否符合5.4.3的要求
6.4.4泄漏电流和电气强度按GB4706.1一2005的规定进行检验,检查防雷击措施,判定结果是否符合5.4.4的要求。
6.4.5检查电气系统布线及线束标志,判定结果是否符合5.4.5的要求。6.4.6各回路对地及相互间的冷态绝缘电阻按GJB1777的规定进行检验,判定结果是否符合5.4.6的要求。
6.4.7各电气系统各回路对地及各回路相互间的绝缘介电强度按GJB1777的规定进行检验,判定结6
果是否符合5.4.7的要求。
GA997—2012
6.4.8用量具测量随车配置的电缆长度、电缆绞盘数量,检查电源插座防水性能、电源电缆线容量参数,判定结果是否符合5.4.8的要求。7检验规则
7.1检验分类
检验分为型式检验和出厂检验。7.2
型式检验
有下列情况之一者应进行型式试验:新产品设计定型或生产定型时:材料、结构、生产工艺有重大改变时:产品首次生产、停产3年后恢复生产时:主管部门提出型式检验要求时。除第6章规定的检验项目外,其余按相关国家标准或汽车行业标准规定的方法进行检验。型式检验的检验项目、技术要求、试验方法按表3规定执行。表3检验项目、技术要求、试验方法检验项目
技术文件
外席尺寸、前后轴载荷
制动性能
最高车速、最大爬坡度
加速行驶噪声
外部照明和光信号装置安装
侧倾稳定角和驻车稳定角
车身外露金属面处理
车身焊接质量
设备固定与连接牢固性
灭火器固定方式
行驶可靠性
警灯警报器
外观制式涂装标识
续驶里程
车内高度
车门尺寸
车门扶手
技术要求
试验方法
型式检验
出厂检验
GA997—2012
检验项目
车厢上部结构强度Www.bzxZ.net
地板材料
车厢通风及空调
车厢保温性
防雨性能
材料阻燃
车厢照度
安全顶窗
铺位尺寸
床铺结构、强度、耐久性
床铺表面凸出物
双层铺位间的净高度
折叠床铺
床铺材料
电气系统电源连接
双向供电
车载发电机组
接地保护
绝缘电图
回路试验电压
随车电源电缆线
注:“。\为必检项,“一\为不检项。7.3
出广检验
技术要求
表3(续)
试验方法
宿营车出厂需经产品质量检验部门检验合格后,方可出厂出厂检验的检验项目、技术要求、试验方法按表3的规定执行。判定规则
型式检验
出厂检验
型式检验全部项目合格,则判定产品为合格。若有1项不合格,则判定产品不合格。出厂检验全部项目合格,则判定产品为合格。若有1项不合格,则判定产品不合格。8标志、运输与贮存
8.1标志
产品标志应特合GB7258的规定。8
8.2产品随带文件
宿营车随带文件如下:
产品合格证;
b)备附件清单;
使用说明书。
8.3运输
GA997—2012
产品在铁路(或水路)运输时,以自行(或拖电)方式上、下车(船);需用吊装方法装卸时,应采用专用吊具,以免损伤产品。
8.4贮存
产品长期贮存时,应停放在具有通风、防潮、防雨、防晒和消防设备的库房内,并按使用说明书的规定定期进行维护和保养。
GA 997-2012
打印日期:2013年7月30日F055A中华人民共和国公共安全
行业标准
警用宿营车
GA9972012
中国标准出版社出版发行
北京市朝阳区和平里西街甲2号(100013)北京市西城区三里河北街16号(100045)网址spc.net.cn
总编室:(010)64275323
发行中心:(010)51780235
读者服务部:(010)68523946
中国标准出版社秦皇岛印刷厂印刷各地新华书店经销
1字数18千字
开本880X1230
印张1
2012年6月第一版
2012年6月第一次印刷
书号:155066·2-23756定价
如有印装差错由本社发行中心调换版权专有侵权必究
举报电话:(010)68510107
BZ 0100423
小提示:此标准内容仅展示完整标准里的部分截取内容,若需要完整标准请到上方自行免费下载完整标准文档。
标准图片预览:





- 其它标准
- 热门标准
- GA公共安全标准
- GA/T536.4-2005 易燃易爆危险品 火灾危险性分级及试验方法 第4部分:遇水放出易燃气体物质分级试验方法
- GA470-2004 法庭科学DNA数据库现场生物样品和被采样人信息项及其数据结构
- GA385-2002 火灾声和/或光警报器
- GA899-2010 大型焰火燃放作业单位资质条件及管理
- GA381.1-2002 公共数据交换格式 第1部分:应用层接口格式
- GA/T368-2001 入侵报警系统技术要求
- GA/T70-2004 安全防范工程费用预算编制办法
- GA/T521-2004 人身损害受伤人员误工损失日评定准则
- GA413-2003 救生缓降器
- GA/T1523-2018 微粒悬浮液显现手印技术规范
- GA107-1995 推车式二氧化碳灭火器
- GA69-1994 防爆毯
- GA498-2004 厨房设备灭火装置
- GA/T1487-2018 公安交通管理窗口排队叫号及服务评价系统通用技术要求
- GA/T687-2007 信息安全技术公钥基础设施安全技术要求
- 行业新闻
网站备案号:湘ICP备2025141790号-2