- 您的位置:
- 标准下载网 >>
- 标准分类 >>
- 公共安全行业标准(GA) >>
- GA 359-2007 警服材料涤纶长丝绸
标准号:
GA 359-2007
标准名称:
警服材料涤纶长丝绸
标准类别:
公共安全行业标准(GA)
标准状态:
现行出版语种:
简体中文下载格式:
.zip .pdf下载大小:
396.77 KB
点击下载
标准简介:
GA 359-2007.Material for police uniform-Filament polyester silk.
1范围
GA 359规定了警服用涤纶长丝绸的要求、试验方法、检验规则、标志、包装、运输及贮存。
GA 359适用于警服用涤纶长丝绸的生产、检验、验收与订购。
2规范性引用文件
下列文件中的条款通过本标准的引用而成为本标准的条款。凡是注日期的引用文件,其随后所有的修改单(不包括勘误的内容)或修订版均不适用于本标准,然而,鼓励根据本标准达成协议的各方研究是否可使用这些文件的最新版本。凡是不注日期的引用文件,其最新版本适用于本标准。
GB 250评定变 色用灰色样卡(GB 250- 1995,idt ISO 105/ A02 :1993)
GB/T 2912. 1-1998纺织品甲醛的测定 第 1部分:游离水解的甲醛(水萃取法)
(eqv ISO/FDIS 14184-1:1997)
GB/T 3920- 1997纺织品色牢度试验 耐摩擦 色牢度(eqv ISO 105 -X12:1993)
GB/T 3921. 3-1997纺织品色牢度试验耐 洗色牢度:试验3(eqv ISO 105 C03:1989)
GB/T 3922-- -1995纺 织品耐汗渍色牢度试验方法(eqv ISO 105/ E04:1994)
GB/T 3923. 1-1997纺织品织物拉伸性能 第1部分:断裂强力和断裂伸长率的测定条样法(neq ISO/DIS 13934-1:1994)
GB/T 4667- 1995机织物 幅宽的测定(eqv ISO 3932:1976)
GB/T4669一1995机织物单位长度质量和单位面积质量的测定(eqvISO3801:1977)
GB/T 6152- 1997 纺织品色牢度 试验耐热压色牢度(eqv ISO 105-X11:1994)
GB/T 7573- 2002 纺织品水萃取液pH值的测定(ISO 3071: 1980 ,MOD)
GB/T 8628- -2001 纺织品测定尺 寸变化的试验中织物试样和服装的准备、标记及测量(eqv ISO 3759:1994)
GB/T 8629- -2001纺织品试验 用家庭洗涤和干燥程序(eqv ISO/FDIS 6330 : 2000)
GB/T 8630- 2002 纺织品 洗涤 和干燥后尺寸变化的测定(ISO 5077:1984 ,MOD)
部分标准内容:
中华人民共和国公共安全行业标准GA359--2007
代替GA359—2001
警服材料
涤纶长丝绸
Material for police uniform-Filanent polyester silk2007-11-14发布
中华人民共和国公安部
2007-12-01实施
本标准的全部技术内容为强制性。本标准的附录A为规范性附录。
本标准自实施起代替GA359一2001警服材料本标准与GA359-2001相比主要变化如下:一增加了防静电长丝绸品种;
规定了钻绒性试验用材料;
-布面增加了警服专用标识字样和图案;取消了静电半衰期的要求;
增加了缝口脱开要求;
涤纶长丝绸》。
增加了安全性要求,规定了甲醛含量和PH值的指标;增加了汗渍色牢度的考核;
增加了单位面积质量的考核:
提高了干热尺寸变化率指标;
调整了检验规则和判定规则。
本标准由公安部装备财务局提出。本标准由公安部特种警用装备标准化技术委员会归口。GA359—2007
本标准起草单位:公安部特种警用装备质量监督检验中心、吴江市华超纺织品有限公司苏州锦纹丝绸有限公司、吴江市恒润织造厂。本棕推主要起草人:王利群,徐丽艳,彭振华,张要文,张华林。本标准所代替标准的历次版本发布情况为:GA359-2001。
1范围
警服材料涤纶长丝绸
GA359—2007
本标准规定了服用涤纶长丝绸的要求,试验方法,检验规则,标志,包装,运输及烂存。本标准适用于警服用涤纶长丝绸的生产、检验、验收与订购。2规范性引用文件
下列文件中的条款通过本标准的引用而成为本标准的条款。凡是注日期的引用文件,其随后所有的修改单(不包括期误的内容)或修订版均不适用于本标准,然而,鼓励根据本标准达成协议的各方研究是否可使用这些文件的最新版本。凡是不注日期的引用文件,其最新版本适用于本标准。GB250评定变色用灰色样卡(GB250一1995,idtIS0105/A02:1993)GB/T2912.1一1998纺织品甲醛的测定第1部分:游离水解的甲醛(水萃取法)(eqvISO/FDIS14184-1:1997)
GB/T3920—1997纺织品色牢度试验耐摩擦色牢度(eqvISO105-X12:1993)GB/T3921.3--1997纺织品色牢度试验耐洗色牢度:试验3(eqvISO105-C03:1989)GB/T3922--1995纺织品耐汗渍色牢度试验方法(egVISO105/E04:1994)GB/T3923.1一1997纺织品织物拉伸性能第1部分:断裂强力和断裂伸长率的测定条样法(neqISO/DIS13934-1:1994)GB/T4667—1995
GB/T4669—1995
GB/T6152—1997
GB/T7573—2002
GB/T8628—2001
(eqvISO3759:1994)
GB/T8629—2001
GB/T8630—2002免费标准bzxz.net
GB/T12703—1991
GB/T15552
2—1995
GB/T17031—1997
GB/T17253—1998
QB/T2461—1999
机织物幅宽的测定(eqvISO3932:1976)机织物单位长度质量和单位面积质量的测定(eqvISO3801:1977)色牢度试验耐热压色牢度(eqvISO105-X11:1994)纺织品
纺织品天
水萃取液pH值的测定(ISO3071:1980,MOD)纺织品
测定尺寸变化的试验中织物试样和服装的准备,标记及测量试验用家庭洗涤和干燥程序(eqvISO/FDIS6330:2000)纺织品
纺织品洗涤和干燥后尺寸变化的测定(ISO5077:1984,MOD)纺织品静电测试方法(neqJISL1094:1988)丝织物试验方法
纺织品织物在低压下的干热效应(eqvISO9866:1991)合成纤维丝织物
包装用降解聚乙烯薄膜
FZ/T43003—1991
涤纶仿毛丝织物
FZ/T64006—1996
3分类
复合保温材料毛型复合絮片
涤纶长丝绸分为平纹绸、斜纹绸、防羽绸和防静电长丝绸。本色布规格见附录A。4要求
4.1颜色
颜色为藏蓝色,应符合主管部门批准的中国人民警察服装材料标样(以下简称标样”,平纹绸、斜纹1
GA359--2007
绸、防羽绸和防静电长丝绸编号分别为:JFB1-01、JFB1-02、JFB1-03、JFB1-04)。与标样对比色差不低于4级。同批的匹间色差不低于4级;左中右色差、前后色差不低于4一5级。4.2
物理性能
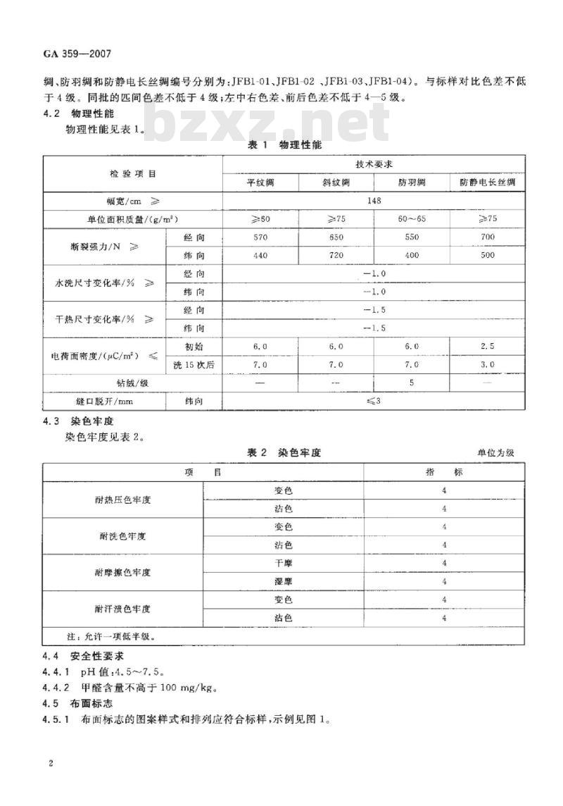
物理性能见表1。
检验项目
平纹绸
幅宽/cm
单位面积质量/(g/m)
断裂强力/N≥
水洗尺寸变化率/%≥
干热尺寸变化率/%
电荷面密度/(μC/m)
洗15次后
钻绒/级
缝口脱开/mm
染色牢度
染色牢度见表2。
耐热压色牢度
耐洗色牢度
耐摩擦色牢度
耐汗溃色牢度
注:充许一项低半级。
4.4安全性要求
4.4.1pH值:4.5~7.5.
甲醛含量不高于100mg/kg。
4.5布面标志
物理性能
技术要求
斜纹绸
表2染色牢度
4.5.1布面标志的图案样式和排列应符合标样,示例见图1。2
防羽绸
防静电长丝绸
单位为级
GA359—2007
单位为毫米
POLICE
图1布面标志的图案样式
4.5.2排列方式:行间距50mm,与布面纬纱方向呈45°角。图案排列按一正一反间隔排列。4.6外观质量
4.6.1外观脏点评分
4.6.1.1外观疵点的评定采用有限度的累计评分。4.6.1.2外观疵点评分按平均不大于1分/4m。4.6.1.3外观疵点评分办法按GB/T17253—1998表2执行。4.6.2外观脏点评分的说明
4.6.2.1疵点的长度以经向或纬向最大方向量计。4.6.2.2皱印不压刹、不带色按普通评分。4.6.2.3GB/T17253—1998中序号1、2、3中的症点,色差达到GB250中3—4级按普通评分,3-4级以下按明显评分。
4.6.2.4合格品内不允许有破洞、轧梭档、拆烊档、蛛网糙、开河档等严重疵点。4.6.2.5不影响美观的疵点不评分。4.6.3开剪拼匹和标疵放尺的规定4.6.3.1开剪拼匹各段的幅宽、色泽应一致。4.6.3.2平均每10m及以下允许标疵一次。标症脏点经向长度在10cn及以下充许标疵一次,超过10cm的连续症点可以连标。每一标疵放尺15cm。局部性疵点的标症间距或标症症点与匹端的距离不得少于4m。
5试验方法
外观疵点检验按GB/T15552--1995中3.24.1执行。5.1
颜色检验须在北向自然光下或光源箱D65光源下进行,按GB250评定。5.3
幅宽按GB/T4667—1995执行。
5.4单位面积质量按GB/T4669—1995执行。5.5断裂强力试验按GB/T3923.1—1997执行。5.6水洗尺寸变化率试验按GB/T8628-2001.GB/T8629—2001(4A,C法干燥)、GB/T8630—2002执行。
5.7干热尺寸变化率试验按GB/T17031—1997(150℃士2℃,20s)执行。5.8电荷面密度试验按GB/T12703—1991中C法执行。5.9钻绒试验按FZ/T64006一1996执行。防钻绒性测试用絮片材料应采用警服用200g/m2复合毛涤混纺絮片。
5.10缝口脱开试验按FZ/T43003—1991附录B执行。3
GA359—2007
耐热压色牢度试验按GB/T6152—1997(150℃士2℃)执行。5.11
耐洗色牢度试验按GB/T3921.3--1997执行。耐摩擦色牢度试验按GB/T3920—1997执行。耐汗渍色牢度试验按GB/T3922—1995执行。pH值试验按GB/T7573—2002执行。甲醛含量试验按GB/T2912.1—1998执行。检验规则
检验分类
检验分为型式检验和交收检验。6.1.1
型式检验
有下列情况之一时,应进行型式检验:a)当材质、工艺和承制方变化时:b)长期未生产后恢复生产时;
定期或累积一定产量时;
d)交收检验结果与上次型式检验有较大差异时:e)主管部门提出型式检验要求时:f)其他必要情况下。
6.1.2交收检验
产品进行交付时。
6.2检验项目
6.2.1型式检验
第4章规定项目。
6.2.2交收检验
按4.6执行。如产生异议或需方提出要求时,对4.1、4.2、4.3、4.4、4.5进行检验。6.3抽样数量
6.3.1型式检验
随机抽取4m
6.3.2交收检验
以一次交收的产品为一批,10000m以上时随机抽取5匹进行检验,10000m以下时随机抽取3匹进行检验。
6.4判定规则
6.4.1型式检验
符合第4章要求的为合格,否则为不合格。6.4.2交收检验
批产品符合要求的为合格批。不符合要求时,允许二次抽样,抽样数量加倍,复测结果符合要求的判为合格批,否则为不合格批。7标志、包装、运输与贮存
7.1标志
7.1.1在布的反面两端、距布端2cm处加盖章,内容为承制方、生产日期、检验员代号及“合格品”字样。并在布的末端吊硬纸牌,注明品名、段长、生产日期。7.1.2出厂成品应在包装两端标识,内容与样式见图2。4
警服材料
涤纶长丝绸
执行标准号:GA359—2007
数量:×××m
质量:××kg
承制方名称
生产日期:
7.1.3印字一律采用黑体或黑色宋体,字号大小适宜,字迹清楚、工整、颜色牢固。7.2包装
GA359-2007
7.2.1采用中心加硬纸芯平卷装,每卷长度(200土20)m,最多由3段组成,最短段不小于20m。7.2.2每卷布内附产品码单,标明产品名称、段数、每段长度、总长度、承制方和生产日期。7.2.3采用每卷单独包装。外包装用白色聚丙烯编织袋,内衬厚不低于0.04mm的塑料薄膜。薄膜质量应符合QB/T2461—1999的规定。7.3运输与购存
7.3.1包装件在运输、贮存时不应露天堆放,注意防潮,搬运、装卸过程中不得抛摔。7.3.2包装件应码放在货架上,货架距地面高度不得低于20cm。5
GA359—2007
附录A
(规范性附录)
涤纶长丝绸各品种本色布规格
涤纶长丝绸各品种本色布规格应符合表A.1规定。表A.1规格
产品名称
平纹绸
斜纹绸
防羽绸
防静电长丝绸
幅宽/
线密度
84dtex/48f(FDY)
+20dtex导电丝
84dtex/36f(DTY)
密度/(根/10cm)
涤纶/
织物组织
小提示:此标准内容仅展示完整标准里的部分截取内容,若需要完整标准请到上方自行免费下载完整标准文档。
标准图片预览:





- 热门标准
- GA公共安全标准
- GA234-1999 旅馆业治安管理信息系统基本功能
- GA/T792.1-2008 城市监控报警联网系统管理标准第1部分:图像信息采集、接入、使用管理要求
- GA/T970-2011 危险化学品泄漏事故处置行动要则
- GA/T1570-2019 法庭科学 数据库数据真实性检验技术规范
- GA/T1588-2019 法庭科学 法医临床鉴定室建设规范
- GA/T1092-2013 公安350兆模拟集群通信系统互联接口技术规范
- GA55-93物 通用标签
- GA136-1996 软垫家具易燃性的实验和分级方法
- GA436-2003 机动车修理业、报废机动车回收拆解业治安管理信息系统数据库规范
- GA557.2-2005 互联网上网服务营业场所信息安全管理代码第2部分:营业场所营业状态代码
- GA/T1572-2019 法庭科学 移动终端地理位置信息检验技术方法
- GA233.4-1999 旅馆业治安管理信息基本数据交换格式第4部分:旅馆处罚结果基本数据交换格式
- GA557.7-2005 互联网上网服务营业场所信息安全管理代码第7部分:管理端代码
- GA301.2-2001 看守所在押人员信息管理数据交换格式 第2部分:看守所信息数据交换格式
- GA660-2006 互联网公共、上网服务场所信息安全管理系统上网服务场所端功能要求
- 行业新闻
网站备案号:湘ICP备2025141790号-2