- 您的位置:
- 标准下载网 >>
- 标准分类 >>
- 公共安全行业标准(GA) >>
- GA 236-2000 公务用枪报废技术规范
标准号:
GA 236-2000
标准名称:
公务用枪报废技术规范
标准类别:
公共安全行业标准(GA)
标准状态:
现行出版语种:
简体中文下载格式:
.zip .pdf下载大小:
3.29 MB

点击下载
标准简介:
GA 236-2000.Technical standard of rejection limits for the firearms used for public affairs.
1范围
GA 236规定了公务用枪报废的技术指标及检查步骤与方法。
GA 236适用于列入《公务用枪配备办法)(国函[1998]39号)的各式手枪.步枪、狙击步枪、冲锋枪、轻机枪、防暴枪。
2引用标准
下列标准所包含的条文,通过在本标准中引用而构成为本标准的条文.本标准出版时,所示版本均为有效。所有标准都会被修订,使用本标准的各方应探讨使用下列标准最新版本的可能性。
GJB 744A- 1998 武器 发射系统
GJBr20004一1989枪械和枪弹论证术语
3定义
本标准采用GJB 744A及GJBz 20004的定义及下述定义。
3.1 公务用枪firearms used for public affairs
依照《中华人民共和国枪支管理法>配备非军事单位执行公务使用的枪支。
3.2报废rejection
失去使用和修复价值或无法修复,按申报程序批准作废处理。
3.3枪管膨胀bulging
枪管径向产生的局部塑性变形,也称胀膛。
3.4意外弹 unexpected cartridge
弹着点中明显离群和反常,当其大于其他弹孔的平均弹着点距离的两倍时,称其为意外弹。
3.5检查点checking point
理论弹着点。
4报废的技术指标
4.1当出现下列情况之一无法修复或--次性修理费超过现行购置新枪费用的25%时,应报废。
4.1.1枪管炸裂 、裂纹,销孔裂纹,节套开焊、松动,且无法更换。
4.1.2 38 mm防暴枪枪管与枪底把连接轴孔裂纹,闭锁扣合面小于2/3。
4.1.3机匣变形、断裂、裂纹,瞄准具损坏,导气箍损坏,手枪套简座(枪底把)变形或导棱碎落、断裂。

部分标准内容:
中华人民共和国公共安全行业标准GA236—2000
公务用枪报废技术规范
Technical standard of rejection limitsfor the firearms used for public affairs2000-01-10发布
中华人民共和国公安部发布
2000-07-01实施
中华人民共和国公共安全
行业标准
公务用枪报废技术规范
GA236—2000
中国标准出版社出版
北京复兴门外三里河北街16号
邮政编码:100045
话:68522112
中国标准出版社皇岛印刷厂印刷新华书店北京发行所发行各地新华书店经售不得翻印bZxz.net
版权专有
印张1/2字数8千字
开本880×12301/16
2000年4月第一版2000年4月第一次印刷印数1-2000
GA236-2000
根据《中华人民共和国枪支管理法》,为规范公务用枪报废技术管理工作,按照公安部警用械具、警服标准化技术委员会1998年行业标准制订计划,制订了《公务用枪报废技术规范》。它是公务用枪报废技术管理的依据。
本标准是在辽宁省地方标准DB21-682—1991《非军事系统军用枪支报废技术规范》的基础上,增加新内容,扩大适用范围制订而成。本标准在编制起草过程中,重点参照了解放军总参谋部、总后勤部1978年《部队通用军械装备质量分级规则》、国防工业出版社1986年出版的《枪械手册》。射击密集度指标的确定,主要参照解放军总装备部编写的《枪械退役报废条件》(征求意见稿)和有关技术资料。本标准由中华人民共和国公安部提出。本标准由公安部警用械具、警服标准化技术委员会归口。本标准由辽宁省公安厅计财行政处起草。本标准起草人:郭立中、金云凤。1范围
中华人民共和国公共安全行业标准公务用枪报废技术规范
Technical standard of rejection limitsforthefirearmsusedforpublic affairs本标准规定了公务用枪报废的技术指标及检查步骤与方法。GA236—2000
本标准适用于列入《公务用枪配备办法》(国函[1998]39号)的各式手枪、步枪、狙击步枪、冲锋枪、轻机枪、防暴枪。
2引用标准
下列标准所包含的条文,通过在本标准中引用而构成为本标准的条文。本标准出版时,所示版本均为有效。所有标准都会被修订,使用本标准的各方应探讨使用下列标准最新版本的可能性。GJB744A一1998武器发射系统
GJBz20004—1989枪械和枪弹论证术语3定义
本标准采用GJB744A及GJBz20004的定义及下述定义。3.1公务用枪firearmsusedforpublicaffairs依照《中华人民共和国枪支管理法》配备非军事单位执行公务使用的枪支。3.2报废rejection
失去使用和修复价值或无法修复,按申报程序批准作废处理。3.3枪管膨胀buiging
枪管径向产生的局部塑性变形,也称胀膛。3.4意外弹unexpected cartridge弹着点中明显离群和反常,当其大于其他弹孔的平均弹着点距离的两倍时,称其为意外弹。3.5检查点checkingpoint
理论弹着点。
4报废的技术指标
4.1当出现下列情况之一无法修复或一次性修理费超过现行购置新枪费用的25%时,应报废。4.1.1枪管炸裂、裂纹,销孔裂纹,节套开焊、松动,且无法更换。4.1.238mm防暴枪枪管与枪底把连接轴孔裂纹,闭锁扣合面小于2/3。4.1.3机匣变形、断裂、裂纹,瞄准具损坏,导气箍损坏,手枪套筒座(枪底把)变形或导棱碎落、断裂。4.1.4手枪枪管膨胀;步枪、狙击步枪、冲锋枪、轻机枪枪管膨胀部位距枪口切面(阳线端部)超过30mm,或绞口部位直径大于9.2mm,且无法更换。中华人民共和国公安部2000-01-10批准2000-07-01实施
GA236-2000
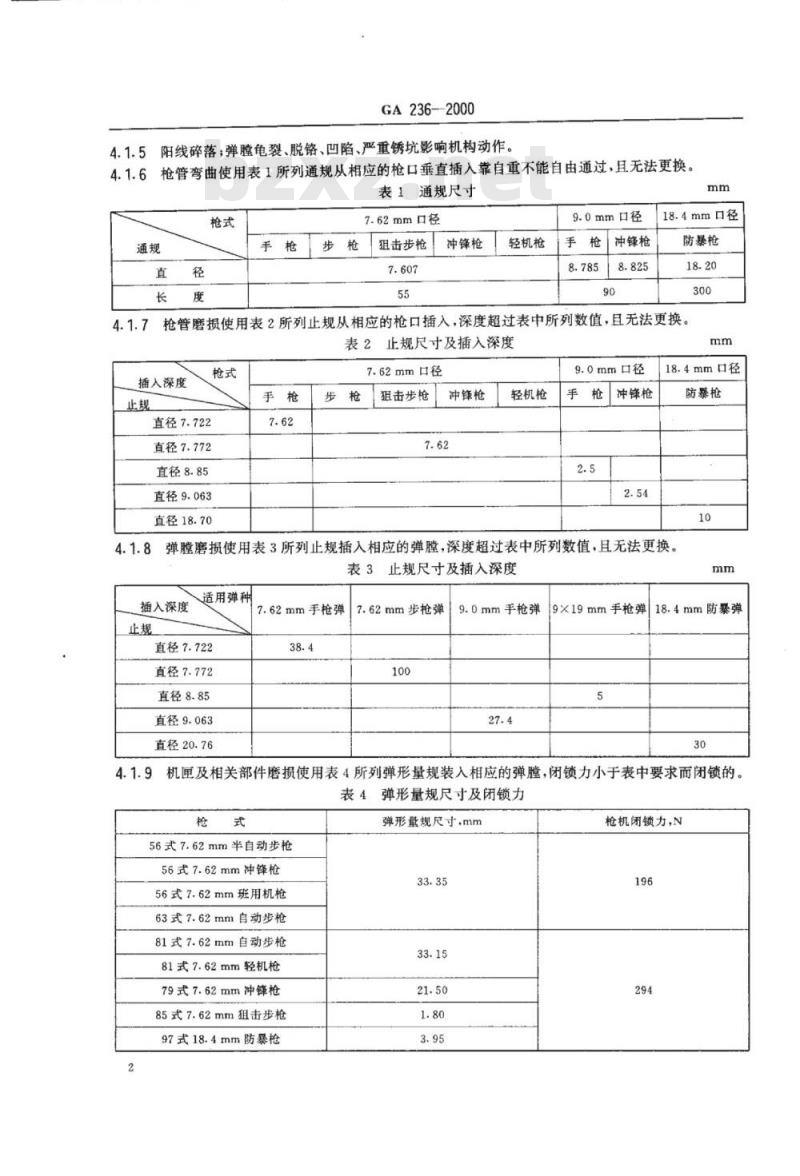
4.1.5阳线碎落;弹膛龟裂、脱铬、凹陷、严重锈坑影响机构动作。4.1.6枪管弯曲使用表1所列通规从相应的枪口垂直插入靠自重不能自由通过,且无法更换。表1通规尺寸
7.62mm口径
狙击步枪
冲锋枪
轻机枪
9.0mm口径
冲锋枪
18.4mm口径
防暴枪
枪管磨损使用表2所列止规从相应的枪口插入,深度超过表中所列数值,且无法更换。表2止规尺寸及插入深度
插人深度
直径7.722
直径7.772
直径8.85
直径9.063
直径18.70
7.62mm口径
击步枪
冲锋枪
轻机枪
9.0mm口径
枪冲锋枪
18.4mm口径
防暴枪
弹膛磨损使用表3所列止规插入相应的弹膛,深度超过表中所列数值,且无法更换。4.1.8
表3止规尺寸及插入深度
适用弹种
插入深度
直径7.722
直径7.772
直径8.85
直径9.063
直径20.76
7.62mm步枪弹
7.62mm手枪弹
9.0mm手枪弹
9×19mm手枪弹18.4mm防暴弹
机匣及相关部件磨损使用表4所列弹形量规装入相应的弹膛,闭锁力小于表中要求而闭锁的。表4弹形量规尺寸及闭锁力
56式7.62mm半自动步枪
56式7.62mm冲锋枪
56式7.62mm班用机枪
63式7.62mm自动步枪
81式7.62mm自动步枪
81式7.62mm轻机枪
79式7.62mm冲锋枪
85式7.62mm组击步枪
97式18.4mm防暴枪
弹形量规尺寸.mm
枪机闭锁力,N
GA236-—2000
射击密集度超过表5所列R50值,且无法矫正的。表5射击密集度R50值
1954年式7.62mm手枪
1964年式7.62mm手枪
1977年式7.62mm手枪
1959年式9.0mm手枪
1992年式9.0mm手枪
1956年式7.62mm半自动步枪
1956年式7.62mm冲锋枪
1981年式7.62mm自动步枪
1979年式7.62mm轻型冲锋枪
1982年式9.0mm轻型冲锋枪
1985年式7.62mm轻型冲锋枪
1985年式7.62mm狙击步枪
1956年式7.62mm轻机枪
1981年式7.62mm轻机枪
射击距离
表尺设置
射击靶数
射击方式
每靶射弹数
密集度R50值
4.1.11射效准确度偏差量超过5cm;85式狙击步枪使用光学瞄具超过2cm,且无法矫正。4.1.1297式防暴枪35m射距,使用18.4mm杀伤弹射击,立靶密度达不到40%。4.1.13
392式手枪膛内装入19.66mm弹形量规在复进簧力下闭锁的。5检查步骤与方法
5.1检查步骤
5.1.1枪支在检查时必须按4.1.1~~4.1.13顺序进行。当确定其中--项指标达到报废要求时,对其他项指标的检查可不必再继续进行。5.2检查方法
5.2.1直观确定4.1.1。
5.2.2直观确定4.1.2。若目测无法确定闭锁扣合量,可使用红色颜料涂于闭锁结合面研磨。5.2.3直观确定4.1.3。若目测无法确定时,可进行机构动作检查,以确定是否影响套筒运动。5.2.4按4.1.4的要求测量枪管膨胀部位边缘与枪口切面之间的距离。若无法确定膨胀部位时,可从弹膛处向枪口迎光检查枪管内壁,如发现枪管内壁有环状或半环状黑色阴影出现即可确定该部位发生了膨胀。
5.2.5直观确定4.1.5。若无法确定时,可进行实弹射击,以确定是否影响机构动作。5.2.6测量4.1.6时,应首先擦净枪管,垂直将通规从枪口插入进行检查。测量4.1.7、4.1.8时,应擦净枪管和弹膛,然后再将止规插入枪口或弹膛,手感确已到位。5.2.7
5.2.8确定4.1.9闭锁力时,应首先卸下拉壳钩,再将规定的弹形量规插入弹膛,然后使用弹簧秤钩住枪机向前拉动,直至枪机闭锁并显示其闭锁力。5.2.94.1.10的检查
a)应由具有经验的优秀射手或使用专用枪架进行;GA236-2000
b)85式狙击步枪使用光学瞄具时,必须测准射距,在确定准确无误后将距离分划设定\6”,方向分划设定“0”,瞄准镜最上面的“入”形分划对准靶上的瞄准点;c)必须使用同一批次的弹药;
d)排除意外弹后,射击密集度超过表5中R50值时,应更换射手,复试三靶。5.2.10判定4.1.11时应测量平均弹着点与检查点的距离。5.2.11判定4.1.12时,应使用1m×1.5m木质立靶,并检查弹丸着靶粒数。5.2.12确定4.1.13时,观察闭锁间隙。版权专有不得翻印
书号:155066·2-12855
小提示:此标准内容仅展示完整标准里的部分截取内容,若需要完整标准请到上方自行免费下载完整标准文档。

标准图片预览:





- 其它标准
- 热门标准
- GA公共安全标准
- GA/T389-2002 计算机信息系统安全等级保护数据库管理系统技术要求
- GA141-2001 警用防弹衣通用技术条件
- GA/T451-2020 居民身份证卡体技术规范
- GA/T492-2004 城市警用地理信息图形符号
- GA921-2011 民用爆炸物品警示标识、登记标识通则
- GA/T1330-2016 法庭科学吸毒人员尿液中四氢大麻酚和四氢大麻酸气相色谱-质谱检验方法
- GA/T1529-2018 信息安全技术安全型硬拷贝产品安全技术要求
- GA/T1300-2016 社会消防安全培训机构设置与评审
- GA241.8-2000 印章治安管理信息系统第8部分:印章自动识别系统的性能指标和检测方法
- GA/T1296-2016 电动自行车物联网防盗终端通用技术要求
- GA/T704.7-2007 出入境管理信息代码 第7部分:境外人员入境事由代码
- GA/T1591-2019 警务智能语音服务平台接口规范
- GA/T16.103-2015 道路交通管理信息代码第103部分:道路交通事故受案编号编码规则
- GA39.2-92泵 消防车通用技术条件
- GA301.2-2001 看守所在押人员信息管理数据交换格式 第2部分:看守所信息数据交换格式
- 行业新闻
网站备案号:湘ICP备2023016450号-1