- 您的位置:
- 标准下载网 >>
- 标准分类 >>
- 建筑工业行业标准(JG) >>
- JG/T 3051-1998 PVC塑料地弹簧门JG/T3051-1998
标准号:
JG/T 3051-1998
标准名称:
PVC塑料地弹簧门JG/T3051-1998
标准类别:
建筑工业行业标准(JG)
英文名称:
PVC plastic floor spring door JG/T3051-1998标准状态:
已作废-
发布日期:
1998-11-13 -
实施日期:
1999-03-01 -
作废日期:
2006-01-01 出版语种:
简体中文下载格式:
.rar.pdf下载大小:
267.06 KB
替代情况:
被JG/T 180-2005代替采标情况:
DIN 18055 NEQ DIN 107 NEQ
部分标准内容:
JG/T3051-1998
本标准主要是参照德国标准DIN18055、DIN107和我国的JG/T3017《PVC塑料门》标准进行编制的。
本标准附录 A为标准的附录。
本标准由建设部标准定额研究所提出。本标准由建设部建筑制品及设备技术归口单位中国建筑标准设计研究所归口。本标准由中国建筑科学研究院、北京星航建筑塑料制品厂、青岛宏达塑胶总公司青路塑料建材分公司、中国北方门窗集团总公司负责起草。本标谁的主要起草人:王永菁、胡复兴、孙学明、刘玉臣。本标准委托中国建筑科学研究院负责解释。229
1范围
中华人民共和国建筑工业行业标准PVC
塑料地弹簧门
Rigid Polyvinyl Chlorid doors with floor closerJG/T 3051--1998
本标准规定了PVC塑料地弹簧门(以下简称地弹簧门)的品种规格、技术要求、试验方法、检验规则、标志、包装、运输及贮存。本标准适用于由硬聚氯乙烯(PVC)型材组装成的地弹簧门,供房屋设置内门(不含户门)用。本标准也适用于半截玻璃和全玻璃的地弹簧门。2引用标准
下列标准所包含的条文,通过在本标准中引用而构成为本标准的条文。本标准出版时,所示版本均为有效。所有标准都会被修订,使用标准的各方应探讨使用下列标准最新版本的可能性。GB/T5824-1986建筑门窗洞口尺寸系列GB/T 8814—1988
门窗框用硬聚氯乙烯(PVC)型材
GB/T9296—1988地弹簧
GB/T 10804—1989
GB/T 12002--1989
GB/T 12003-—1989
硬聚氯乙烯(PVC)内门
塑料窗用密封条
塑料窗基本尺寸公差
PVC塑料窗力学性能、耐候性试验方法GB/T 11793. 3--1989
3规格和型号
3.1塑料地弹簧门的门扇型材厚度为60mm。3.2地弹簧门的洞口尺寸系列与规格3.2.1门的宽度、高度尺寸,主要根据门扇框厚度,门的力学性能要求、洞口尺寸及安装要求确定。3.2.2地弹簧门洞口的规格及其代号,见表1。表1地弹簧门洞口的规格及其代号洞口宽
洞口规格代号
洞口高
单扇门
中华人民共和国建设部1998-11-13批准230
双扇门
1999-03-01实施
JG/T 3051—1998
3.2.3除表1的规定外,当采用门与门、门与窗组合时,组合后的洞口尺寸应符合GB/T5824的规定。3.3门的型材颜色分为白色、其他色和双色,其代号见表2。表2地弹簧门的型材颜色及代号
型材颜色
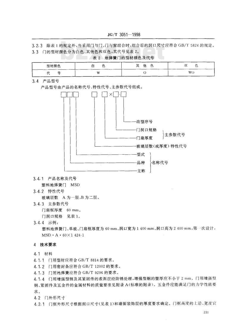
3.4产品型号
其他色
产品型号由产品的名称代号、特性代号、主参数代号组成。x
一改型序号
门洞口规格
门扇厚度
主参数代号
-玻璃层数(或厚度)特性代号
-型式
3.4.1产品名称及代号
塑料地弹簧门MSD
3.4.2特性代号
玻璃层数 A为一层,B为二层。
3.4.3主参数代号
门扇框厚度60 mm。
门洞口规格 见表1。
3.4.4示例:
名称代号
塑料地弹簧门、单玻、门扇框厚度为60mm、洞口宽为1400mm、洞口高为2400mm,第.-次设计:MSD:A:60X1 424-1
4技术要求
4.1材料
4.1.1门用型材应符合GB/T8814的要求。4.1.2门用密封条应符合GB/T12002的要求。4.1.3门用地弹簧应符合GB/T9296的要求。4.1.4门用增强型钢及其紧固件的表面应经防锈处理,增强型钢的壁厚应不小于2mm。门用增强型钢、紧固件及五金件的金属材料的质量要求见附录A(标准的附录)。五金件应能满足门的力学性能要求。
4.2门外形尺寸
4.2.1门框外形尺寸根据洞口尺寸(见表1)和墙面装饰层的厚度要求确定。门框高度的L沿、宽度宜231
比洞口尺寸小30~50mm。
4.2.2门扇尺寸
JG/T3051-—1998
门扇的最大宽度宜为980mm,最大高度宜为2100mm。注:如增大门扇尺寸,则门扇的刚度、五金件等配件的强度必须满足门的力学性能的要求。4.3门的装配
4.3.1为了确保门的力学性能的要求,门框、门扇的结构应具有必要的刚度,必要时在门构件的型材内腔加衬增强型钢。
增强型钢截面外缘尺寸与型材内腔尺寸的间隙为1mm土0.5mm。增强型钢的轴向挠度不应大于1mm/m。其长度的确定,以不影响端头的焊接为宜。用于固定每根增强型钢的紧固件,其间距不应大于300mm,其距型钢端头不应大于50mm。固定后的增强型钢不得松动。紧固件采用$4mm的大头自攻螺钉或加放垫圈的自攻螺钉,所钻孔的孔径不应大于3.2mm,以保证紧固度。4.3.2门框、门扇外形尺寸的允许偏差应符合表3的规定。表3门的尺寸偏差
门高度和宽度的尺寸范围
门尺寸允许偏差
4.3.3门框、门扇对角线尺寸之差不应大于3.0mm。4.3.4门板拼装的允许缝隙不应大于0.6mm。2000
>2 000
4.3.5门框、门扇相邻构件装配间隙不应大于0.5mm,相邻两构件焊接(或机械连接)处的同一平面度不应大于0.8mm。
4.3.6装配式结构门框的两个上角及门扇的四个角处,在构件型材内腔应加衬连接件,该连接件与增强型钢用紧固件紧固,连接件的四周缝隙宜采用中性硅酮系密封胶封闭。4.3.7门框与门扇之间以及门扇与门扇之间的配合间隙为4mm土1mm(见图1),应在安装中予以保证和检验。
注:地弹簧门装配后,门框与门扇、门扇与门扇的配合间隙为C1=Cz=Cs=4mm士1mm,门扇与地面的间隙为C4=8 mm±2 mm
JG/T3051--1998
图1PVC塑料地弹簧门的门框、门扇装配间隙示意图4.3.8门框、门扇装配后,不得妨碍开关功能,门扇不应翘曲。4.3.9门用地弹簧应符合下列要求:a)外观
地弹簧面板应平整、光洁、字迹及图案完整、清晰;外表不应有影响使用性能的缺陷;埋设地下部分的外表面必须有防锈保护层,不得露底。b)使用性能
按照门的重量选用地弹簧,地弹簧的开启力矩和关闭力矩应符合表4的规定。表 4门重量与地弹簧的系列
门扇重量
60~~85
80~120
地弹簧的系列
开启力矩
29以下
44以下
59以下
78以下
关闭力矩
5以下
9以上
15以上
25以上
门扇双向开启定位偏差应为士3°;门扇中心复位偏差应为士18°;当全关闭调速阀时,关闭时间不应小于20s,全打开调速阀时,关闭时间不应大于3s。地弹簧经30万次开关试验后,其关闭力矩应大于试验前关闭力矩的80%,其关闭时间应与经30万次开关前的关闭时间一致。
使用时开关应平稳、灵活、无噪声;贮油部件不允许有渗漏现象。为使门的可通行面的宽度增大,宜选用门框与立轴中心距离为100 mm的地弹簧。4.3.10门锁、门拉手及门插销的配置门扇宜采用插芯门锁,在门扇侧面的中部,宜装铝合金三排式拉手。对于双扇门,当一扇门上装插芯门锁时,另一扇门应在室内一侧(或门扇框侧面)的上下端安装双门插销。
JG/T3051-1998
4.3.11五金配件的安装应位置正确、数量齐全、安装牢固。门用地弹簧及门锁等应开关灵活,具有足够的强度,以满足门的力学性能的要求,承受往复运动的配件,在结构上要便于更换。4.3.12密封条装配后应均匀压牢、接口严密,无脱槽现象,在转角部对接。4.3.13压条应装配牢固,转角部位对接处的间隙应小于1mm,每边只允许使用-根压条。4.4玻璃装配
4.4.1玻璃的尺寸,从门框、门扇的透光边缘算起,每边搭接不应少于8mm。4.4.2装玻璃时,在玻璃四周必须配装垫块,其要求见图2。垫块的材料为硬PVC塑料或ABS塑料硬橡胶。
4.5门的外观
门的表面应平滑,颜色应基本均匀一致,无裂纹、无气泡,焊缝平整,不得有影响使用和影响美观的伤痕、杂质等缺陷。
4.6门的力学性能要求
开关力、悬端吊重、开关疲劳、角强度、软物冲击及硬物冲击应符合表5的要求。橡胶垫块
地弹簧
图2地弹簧门的玻璃垫块及地弹簧位置示意图表5地弹簧门的力学性能
技术要求
开关力
·悬端吊重
开关疲劳
角强度
软物体冲击
硬物体冲击
不大于 80 N
在500N力作用下,残余变形不大于1mm,试件不损坏,仍保持使用功能经不少于一万次的开关试验,试件及五金件不损坏,其固定处及玻璃压条不松脱,仍保持使用功能
平均值不低于3000N,最小值不低于平均值的70%无破损,开关功能正常
无破损
注:全玻璃门不进行软、硬物体的冲击检验。5试验方法
5.1试件存放及试验环境
JG/T 3051-1998
试验前,试件应在18~28℃的条件下存放16h以上,并在该条件下进行检测。5.2外观质量检测
在自然光线下,距试样400~~500mm目测外观。5.3用精度为0.02mm的量具测量同一平面度。5.4门框、门扇外形尺寸及对角线,按GB/T12003规定的方法检测。5.5门框、门扇相邻构件的装配间隙、门板拼装缝隙用塞尺检测,门框与门扇、门扇与门扇的配合间隙用精度为0.02mm的量具检测,考虑到安装门扇吊高的影响,其检测部位应在门扇的宽度和高度的中点。
5.6增强型钢的轴向挠度,按GB/T8814中异型材的轴向挠度的检测方法检测,其截面尺寸用精度为0.02mm的量具检测。增强型钢截面外缘尺寸与型材内腔尺寸的间隙用塞尺检测;用目测检测增强型钢的表面是否经防锈处理。
5.7五金件安装应牢固,按照门的组装构造图检查五金件的数量是否齐全,位置是否正确5.8密封条安装质量,用目测其是否均匀、压牢、有无脱槽、抽缩、接口是否严密。5.9压条转角部位对接处的间隙用塞尺检测。5.10门的力学性能
开关力、悬端吊重、开关疲劳、角强度按GB/T11793.3规定的方法进行检测。门的冲击性能,按GB/T10804规定的方法检测。
6检验规则
6.1出厂检验
应在型式检验合格后的有效期内进行出厂检验,否则检验结果无效。6.1.1出厂检验项目见表6,按本标准规定的方法检验,不合格的产品不允许出厂。产品出厂时,应附有合格证。
表 6地弹簧门的检验项目
开关力
角强度
悬端吊重
开关疲劳
软物冲击
硬物冲击
外形高、宽尺寸
对角线
型式检验出厂检验
1、全玻璃门不进行软、硬物体的冲击检验2表中符号“√”表示需检验的项目6.1.2抽样方法
门板拼装缝隙
型式检验|出厂检验
门框、门扇相邻构件装配间隙
相邻构件同一平面度
门框与门扇配合间隙C
门扇与门扇配合间C
增强型钢
五金件安装
密封条安装质量
压条安装质量
产品出厂前应按每一批次、品种、规格随机抽样,抽检量不得少于3档。6.1.3判定规则
根据表6规定的出厂检验项目,检验塑料地弹簧门的性能。当其中某项性能指标不合格时,应加倍235
JG/T 3051---1998
抽样,对不合格的项目进行复检,如该项仍不合格,则判定该批产品为不合格品。经检验,全部检验项目符合本标准规定的合格指标,则判定该批产品为合格品。6.1.4凡在定货合同中,未对门的力学性能提出要求时,则其力学性能不应低于本标准4.6规定的合格指标。
6.2型式检验
6.2.1有下列情况之一时,应进行型式检验a)新产品或老产品转厂生产的试制定型鉴定;b)正式生产后,如结构、材料、工艺有较大改变,可能影响产品性能时;c)正常生产时,每两年检测一次;d)产品长期停产后,恢复生产时;e)出广检验结果与上次型式检验有较大差异时;f)国家质量监督机构提出进行型式检验的要求时。6.2.2型式检验项目见表6。
6.2.3抽样方法
批量生产时,每两年由合格的产品中随机抽取3进行型式检验6.2.4判定规则
根据表6中规定的型式检验项目,检验地弹簧门的性能,当其中某项不合格时,应加倍抽样,对不合格项目进行复检,如该项仍不合格,则判定该批产品为不合格品。经检验,全部检测项目符合本标准中规定的合格指标,则判定该批产品为合格品。6.3仲裁检验,当供需双方对产品质量发生争议时,按本标准由国家法定检测机构进行仲裁检验。7标志、包装、运输及贮存
7.1标志
7.1.1在产品的明显部位应注明产品标志,标志内容包括:a)制造厂名或商标;
b)产品名称;
c)产品型号及标准编号;
d)制造日期或编号。
7.2包装
7.2.1产品的“室内、外”表面应加保护膜7.2.2产品应用无腐蚀作用的软质材料包装。7.2.3包装应牢固可靠,能防止在贮存、运输中框扇变形,并有防潮措施。7.2.4每批产品包装后,应附有产品清单、产品检验合格证及产品安装说明书7.3运输
7.3.1装运产品的运输工具,应有防雨措施并保持清洁无污物7.3.2产品在运输装卸时,应保证产品不变形、不损伤、表面完好7.4贮存
7.4.1产品应放置在通风、防雨、干燥、清洁平整的地方,严禁与腐蚀物质接触。7.4.2产品贮存环境温度应低于50℃,距离热源不应小于1m。7.4.3产品不应直接接触地面,底部垫高不应小于5cm,产品应立放,立放角不应小于70°,并有防倾倒措施。
使用范围
不锈钢
铝合金
锌合金
铜合金下载标准就来标准下载网
JG/T 3051--1998
附录A
(标准的附录)
常用辅助材料的标准编号及名称标准编号及名称
GB/T1220—1992不锈钢棒
GB/T 3280-1992
不锈钢冷轧钢板
GB/T 4237—1992
不锈钢板热轧钢板
GB/T4232—1993冷顶锻用不锈钢丝GB/T5237.--19934
铝合金建筑型材
GB/T 1175 --1975
铸造锌合金
GB/T 13819.--1992
GB/T 13821 ---1992
GB/T 4423---1992
铜合金铸件
锌合金压铸件
铜及铜合金拉制棒
GB/T 13808—1992
GB/T 6723—1986
铜及铜合金挤制棒
通用冷弯开口型钢尺寸、外形、重量及允许偏差GB/T3274—1988碳素结构钢和低合金结构钢热轧厚钢板和铜带GB/T 700—1988
碳素结构钢
碳素结构钢和低合金结构钢热轧薄钢板及钢带GB/T 912--1989矿
GB/T 10009—1988
ABS塑料挤出板材
HG/T 2-868—1976
聚酰胺6树脂
HG/T2349.--1992
聚酰胺1010树脂
注:用于PVC塑料地弹簧门的增强型钢,紧固件与五金件的金属材料应符合本附录A中有关标准的要求,制得的增强型钢、紧固件、五金件、除不锈钢外,其表面均应经耐腐蚀镀膜处理。采用热镀锌的低碳钢增强型材、紧固件,其镀膜厚度不应小于12μm。237
小提示:此标准内容仅展示完整标准里的部分截取内容,若需要完整标准请到上方自行免费下载完整标准文档。
本标准主要是参照德国标准DIN18055、DIN107和我国的JG/T3017《PVC塑料门》标准进行编制的。
本标准附录 A为标准的附录。
本标准由建设部标准定额研究所提出。本标准由建设部建筑制品及设备技术归口单位中国建筑标准设计研究所归口。本标准由中国建筑科学研究院、北京星航建筑塑料制品厂、青岛宏达塑胶总公司青路塑料建材分公司、中国北方门窗集团总公司负责起草。本标谁的主要起草人:王永菁、胡复兴、孙学明、刘玉臣。本标准委托中国建筑科学研究院负责解释。229
1范围
中华人民共和国建筑工业行业标准PVC
塑料地弹簧门
Rigid Polyvinyl Chlorid doors with floor closerJG/T 3051--1998
本标准规定了PVC塑料地弹簧门(以下简称地弹簧门)的品种规格、技术要求、试验方法、检验规则、标志、包装、运输及贮存。本标准适用于由硬聚氯乙烯(PVC)型材组装成的地弹簧门,供房屋设置内门(不含户门)用。本标准也适用于半截玻璃和全玻璃的地弹簧门。2引用标准
下列标准所包含的条文,通过在本标准中引用而构成为本标准的条文。本标准出版时,所示版本均为有效。所有标准都会被修订,使用标准的各方应探讨使用下列标准最新版本的可能性。GB/T5824-1986建筑门窗洞口尺寸系列GB/T 8814—1988
门窗框用硬聚氯乙烯(PVC)型材
GB/T9296—1988地弹簧
GB/T 10804—1989
GB/T 12002--1989
GB/T 12003-—1989
硬聚氯乙烯(PVC)内门
塑料窗用密封条
塑料窗基本尺寸公差
PVC塑料窗力学性能、耐候性试验方法GB/T 11793. 3--1989
3规格和型号
3.1塑料地弹簧门的门扇型材厚度为60mm。3.2地弹簧门的洞口尺寸系列与规格3.2.1门的宽度、高度尺寸,主要根据门扇框厚度,门的力学性能要求、洞口尺寸及安装要求确定。3.2.2地弹簧门洞口的规格及其代号,见表1。表1地弹簧门洞口的规格及其代号洞口宽
洞口规格代号
洞口高
单扇门
中华人民共和国建设部1998-11-13批准230
双扇门
1999-03-01实施
JG/T 3051—1998
3.2.3除表1的规定外,当采用门与门、门与窗组合时,组合后的洞口尺寸应符合GB/T5824的规定。3.3门的型材颜色分为白色、其他色和双色,其代号见表2。表2地弹簧门的型材颜色及代号
型材颜色
3.4产品型号
其他色
产品型号由产品的名称代号、特性代号、主参数代号组成。x
一改型序号
门洞口规格
门扇厚度
主参数代号
-玻璃层数(或厚度)特性代号
-型式
3.4.1产品名称及代号
塑料地弹簧门MSD
3.4.2特性代号
玻璃层数 A为一层,B为二层。
3.4.3主参数代号
门扇框厚度60 mm。
门洞口规格 见表1。
3.4.4示例:
名称代号
塑料地弹簧门、单玻、门扇框厚度为60mm、洞口宽为1400mm、洞口高为2400mm,第.-次设计:MSD:A:60X1 424-1
4技术要求
4.1材料
4.1.1门用型材应符合GB/T8814的要求。4.1.2门用密封条应符合GB/T12002的要求。4.1.3门用地弹簧应符合GB/T9296的要求。4.1.4门用增强型钢及其紧固件的表面应经防锈处理,增强型钢的壁厚应不小于2mm。门用增强型钢、紧固件及五金件的金属材料的质量要求见附录A(标准的附录)。五金件应能满足门的力学性能要求。
4.2门外形尺寸
4.2.1门框外形尺寸根据洞口尺寸(见表1)和墙面装饰层的厚度要求确定。门框高度的L沿、宽度宜231
比洞口尺寸小30~50mm。
4.2.2门扇尺寸
JG/T3051-—1998
门扇的最大宽度宜为980mm,最大高度宜为2100mm。注:如增大门扇尺寸,则门扇的刚度、五金件等配件的强度必须满足门的力学性能的要求。4.3门的装配
4.3.1为了确保门的力学性能的要求,门框、门扇的结构应具有必要的刚度,必要时在门构件的型材内腔加衬增强型钢。
增强型钢截面外缘尺寸与型材内腔尺寸的间隙为1mm土0.5mm。增强型钢的轴向挠度不应大于1mm/m。其长度的确定,以不影响端头的焊接为宜。用于固定每根增强型钢的紧固件,其间距不应大于300mm,其距型钢端头不应大于50mm。固定后的增强型钢不得松动。紧固件采用$4mm的大头自攻螺钉或加放垫圈的自攻螺钉,所钻孔的孔径不应大于3.2mm,以保证紧固度。4.3.2门框、门扇外形尺寸的允许偏差应符合表3的规定。表3门的尺寸偏差
门高度和宽度的尺寸范围
门尺寸允许偏差
4.3.3门框、门扇对角线尺寸之差不应大于3.0mm。4.3.4门板拼装的允许缝隙不应大于0.6mm。2000
>2 000
4.3.5门框、门扇相邻构件装配间隙不应大于0.5mm,相邻两构件焊接(或机械连接)处的同一平面度不应大于0.8mm。
4.3.6装配式结构门框的两个上角及门扇的四个角处,在构件型材内腔应加衬连接件,该连接件与增强型钢用紧固件紧固,连接件的四周缝隙宜采用中性硅酮系密封胶封闭。4.3.7门框与门扇之间以及门扇与门扇之间的配合间隙为4mm土1mm(见图1),应在安装中予以保证和检验。
注:地弹簧门装配后,门框与门扇、门扇与门扇的配合间隙为C1=Cz=Cs=4mm士1mm,门扇与地面的间隙为C4=8 mm±2 mm
JG/T3051--1998
图1PVC塑料地弹簧门的门框、门扇装配间隙示意图4.3.8门框、门扇装配后,不得妨碍开关功能,门扇不应翘曲。4.3.9门用地弹簧应符合下列要求:a)外观
地弹簧面板应平整、光洁、字迹及图案完整、清晰;外表不应有影响使用性能的缺陷;埋设地下部分的外表面必须有防锈保护层,不得露底。b)使用性能
按照门的重量选用地弹簧,地弹簧的开启力矩和关闭力矩应符合表4的规定。表 4门重量与地弹簧的系列
门扇重量
60~~85
80~120
地弹簧的系列
开启力矩
29以下
44以下
59以下
78以下
关闭力矩
5以下
9以上
15以上
25以上
门扇双向开启定位偏差应为士3°;门扇中心复位偏差应为士18°;当全关闭调速阀时,关闭时间不应小于20s,全打开调速阀时,关闭时间不应大于3s。地弹簧经30万次开关试验后,其关闭力矩应大于试验前关闭力矩的80%,其关闭时间应与经30万次开关前的关闭时间一致。
使用时开关应平稳、灵活、无噪声;贮油部件不允许有渗漏现象。为使门的可通行面的宽度增大,宜选用门框与立轴中心距离为100 mm的地弹簧。4.3.10门锁、门拉手及门插销的配置门扇宜采用插芯门锁,在门扇侧面的中部,宜装铝合金三排式拉手。对于双扇门,当一扇门上装插芯门锁时,另一扇门应在室内一侧(或门扇框侧面)的上下端安装双门插销。
JG/T3051-1998
4.3.11五金配件的安装应位置正确、数量齐全、安装牢固。门用地弹簧及门锁等应开关灵活,具有足够的强度,以满足门的力学性能的要求,承受往复运动的配件,在结构上要便于更换。4.3.12密封条装配后应均匀压牢、接口严密,无脱槽现象,在转角部对接。4.3.13压条应装配牢固,转角部位对接处的间隙应小于1mm,每边只允许使用-根压条。4.4玻璃装配
4.4.1玻璃的尺寸,从门框、门扇的透光边缘算起,每边搭接不应少于8mm。4.4.2装玻璃时,在玻璃四周必须配装垫块,其要求见图2。垫块的材料为硬PVC塑料或ABS塑料硬橡胶。
4.5门的外观
门的表面应平滑,颜色应基本均匀一致,无裂纹、无气泡,焊缝平整,不得有影响使用和影响美观的伤痕、杂质等缺陷。
4.6门的力学性能要求
开关力、悬端吊重、开关疲劳、角强度、软物冲击及硬物冲击应符合表5的要求。橡胶垫块
地弹簧
图2地弹簧门的玻璃垫块及地弹簧位置示意图表5地弹簧门的力学性能
技术要求
开关力
·悬端吊重
开关疲劳
角强度
软物体冲击
硬物体冲击
不大于 80 N
在500N力作用下,残余变形不大于1mm,试件不损坏,仍保持使用功能经不少于一万次的开关试验,试件及五金件不损坏,其固定处及玻璃压条不松脱,仍保持使用功能
平均值不低于3000N,最小值不低于平均值的70%无破损,开关功能正常
无破损
注:全玻璃门不进行软、硬物体的冲击检验。5试验方法
5.1试件存放及试验环境
JG/T 3051-1998
试验前,试件应在18~28℃的条件下存放16h以上,并在该条件下进行检测。5.2外观质量检测
在自然光线下,距试样400~~500mm目测外观。5.3用精度为0.02mm的量具测量同一平面度。5.4门框、门扇外形尺寸及对角线,按GB/T12003规定的方法检测。5.5门框、门扇相邻构件的装配间隙、门板拼装缝隙用塞尺检测,门框与门扇、门扇与门扇的配合间隙用精度为0.02mm的量具检测,考虑到安装门扇吊高的影响,其检测部位应在门扇的宽度和高度的中点。
5.6增强型钢的轴向挠度,按GB/T8814中异型材的轴向挠度的检测方法检测,其截面尺寸用精度为0.02mm的量具检测。增强型钢截面外缘尺寸与型材内腔尺寸的间隙用塞尺检测;用目测检测增强型钢的表面是否经防锈处理。
5.7五金件安装应牢固,按照门的组装构造图检查五金件的数量是否齐全,位置是否正确5.8密封条安装质量,用目测其是否均匀、压牢、有无脱槽、抽缩、接口是否严密。5.9压条转角部位对接处的间隙用塞尺检测。5.10门的力学性能
开关力、悬端吊重、开关疲劳、角强度按GB/T11793.3规定的方法进行检测。门的冲击性能,按GB/T10804规定的方法检测。
6检验规则
6.1出厂检验
应在型式检验合格后的有效期内进行出厂检验,否则检验结果无效。6.1.1出厂检验项目见表6,按本标准规定的方法检验,不合格的产品不允许出厂。产品出厂时,应附有合格证。
表 6地弹簧门的检验项目
开关力
角强度
悬端吊重
开关疲劳
软物冲击
硬物冲击
外形高、宽尺寸
对角线
型式检验出厂检验
1、全玻璃门不进行软、硬物体的冲击检验2表中符号“√”表示需检验的项目6.1.2抽样方法
门板拼装缝隙
型式检验|出厂检验
门框、门扇相邻构件装配间隙
相邻构件同一平面度
门框与门扇配合间隙C
门扇与门扇配合间C
增强型钢
五金件安装
密封条安装质量
压条安装质量
产品出厂前应按每一批次、品种、规格随机抽样,抽检量不得少于3档。6.1.3判定规则
根据表6规定的出厂检验项目,检验塑料地弹簧门的性能。当其中某项性能指标不合格时,应加倍235
JG/T 3051---1998
抽样,对不合格的项目进行复检,如该项仍不合格,则判定该批产品为不合格品。经检验,全部检验项目符合本标准规定的合格指标,则判定该批产品为合格品。6.1.4凡在定货合同中,未对门的力学性能提出要求时,则其力学性能不应低于本标准4.6规定的合格指标。
6.2型式检验
6.2.1有下列情况之一时,应进行型式检验a)新产品或老产品转厂生产的试制定型鉴定;b)正式生产后,如结构、材料、工艺有较大改变,可能影响产品性能时;c)正常生产时,每两年检测一次;d)产品长期停产后,恢复生产时;e)出广检验结果与上次型式检验有较大差异时;f)国家质量监督机构提出进行型式检验的要求时。6.2.2型式检验项目见表6。
6.2.3抽样方法
批量生产时,每两年由合格的产品中随机抽取3进行型式检验6.2.4判定规则
根据表6中规定的型式检验项目,检验地弹簧门的性能,当其中某项不合格时,应加倍抽样,对不合格项目进行复检,如该项仍不合格,则判定该批产品为不合格品。经检验,全部检测项目符合本标准中规定的合格指标,则判定该批产品为合格品。6.3仲裁检验,当供需双方对产品质量发生争议时,按本标准由国家法定检测机构进行仲裁检验。7标志、包装、运输及贮存
7.1标志
7.1.1在产品的明显部位应注明产品标志,标志内容包括:a)制造厂名或商标;
b)产品名称;
c)产品型号及标准编号;
d)制造日期或编号。
7.2包装
7.2.1产品的“室内、外”表面应加保护膜7.2.2产品应用无腐蚀作用的软质材料包装。7.2.3包装应牢固可靠,能防止在贮存、运输中框扇变形,并有防潮措施。7.2.4每批产品包装后,应附有产品清单、产品检验合格证及产品安装说明书7.3运输
7.3.1装运产品的运输工具,应有防雨措施并保持清洁无污物7.3.2产品在运输装卸时,应保证产品不变形、不损伤、表面完好7.4贮存
7.4.1产品应放置在通风、防雨、干燥、清洁平整的地方,严禁与腐蚀物质接触。7.4.2产品贮存环境温度应低于50℃,距离热源不应小于1m。7.4.3产品不应直接接触地面,底部垫高不应小于5cm,产品应立放,立放角不应小于70°,并有防倾倒措施。
使用范围
不锈钢
铝合金
锌合金
铜合金下载标准就来标准下载网
JG/T 3051--1998
附录A
(标准的附录)
常用辅助材料的标准编号及名称标准编号及名称
GB/T1220—1992不锈钢棒
GB/T 3280-1992
不锈钢冷轧钢板
GB/T 4237—1992
不锈钢板热轧钢板
GB/T4232—1993冷顶锻用不锈钢丝GB/T5237.--19934
铝合金建筑型材
GB/T 1175 --1975
铸造锌合金
GB/T 13819.--1992
GB/T 13821 ---1992
GB/T 4423---1992
铜合金铸件
锌合金压铸件
铜及铜合金拉制棒
GB/T 13808—1992
GB/T 6723—1986
铜及铜合金挤制棒
通用冷弯开口型钢尺寸、外形、重量及允许偏差GB/T3274—1988碳素结构钢和低合金结构钢热轧厚钢板和铜带GB/T 700—1988
碳素结构钢
碳素结构钢和低合金结构钢热轧薄钢板及钢带GB/T 912--1989矿
GB/T 10009—1988
ABS塑料挤出板材
HG/T 2-868—1976
聚酰胺6树脂
HG/T2349.--1992
聚酰胺1010树脂
注:用于PVC塑料地弹簧门的增强型钢,紧固件与五金件的金属材料应符合本附录A中有关标准的要求,制得的增强型钢、紧固件、五金件、除不锈钢外,其表面均应经耐腐蚀镀膜处理。采用热镀锌的低碳钢增强型材、紧固件,其镀膜厚度不应小于12μm。237
小提示:此标准内容仅展示完整标准里的部分截取内容,若需要完整标准请到上方自行免费下载完整标准文档。
标准图片预览:





- 其它标准
- 热门标准
- 建筑工业行业标准(JG)
- JG/T209-2012 建筑消能阻尼器
- JGJ/T285-2014 公共建筑能耗远程监测系统技术规程
- JGJ83-2011 软土地区岩土工程勘察规程
- JGJ171-2009 三岔双向挤扩灌注桩设计规程
- JG/T568-2019 高性能混凝土用骨料
- JG/T408-2019 钢筋连接用套筒灌浆料
- JGJ310-2013 教育建筑电气设计规范
- JG/T284-2019 结构加固修复用玻璃纤维布
- JG/T430-2014 无粘结预应力筋用防腐润滑脂
- JGJ/T325-2014 预应力高强钢丝绳加固混凝土结构技术规程 含条文说明
- JG/T431-2014 圆形新风空调机组
- JG/T271-2019 粘钢加固用建筑结构胶
- JG/T572-2019 建筑木结构用阻燃涂料
- JG/T3016-1994 建筑用热流计
- JG/T5061.6-1995 束节式取土器
- 行业新闻
请牢记:“bzxz.net”即是“标准下载”四个汉字汉语拼音首字母与国际顶级域名“.net”的组合。 ©2025 标准下载网 www.bzxz.net 本站邮件:bzxznet@163.com
网站备案号:湘ICP备2025141790号-2
网站备案号:湘ICP备2025141790号-2