- 您的位置:
- 标准下载网 >>
- 标准分类 >>
- 其他行业标准 >>
- QTHKY 0028 S-2016 通化康元生物科技有限公司 雪蛤心片(压片糖果)
标准号:
QTHKY 0028 S-2016
标准名称:
通化康元生物科技有限公司 雪蛤心片(压片糖果)
标准类别:
其他行业标准
标准状态:
现行出版语种:
简体中文下载格式:
.rar .pdf下载大小:
部分标准内容:
备案号:225422S-2016
有效期至:2019年12月13日
Q/THKY
通化康元生物科技有限公司企业标准Q/THKY0028S-2016
雪蛤心片(压片糖果)
食品安全企业标准备案专用章
标准号
备案号
Q/THKY0028S-2016
225422S-2016
有效期限2016年12月14日至2019年12月13日备案机关吉林省卫生计生委
2016-10-09发布
2016-10-09实施
通化康元生物科技有限公司发布1范围
雪蛤心片(压片糖果)
Q/THKY0028S-2016
本标准适用于以木糖醇、低聚异麦芽糖为原料,添加长白山亚种林蛙(雪蛤)心、鹿心、乳物矿盐、食用玉米淀粉、玉米粉、麦芽糊精、硬脂酸镁,经干燥、粉碎、混合、制粒、压片、灭菌、内包装、外包装、检验入库等工艺加工制成的雪蛤心片(压片糖果)。2规范性引用文件
下列文件对于本文件的应用是必不可少的。凡是注日期的引用文件,仅注日期的版本适用于本文件,凡是不注日期的引用文件,其最新版本(包括所有的修改单)适应于本标准。GB/T191
GB2760
GB2762
GB/T 2828.1
GB 4789.4
GB4789.10
GB4789.15
GB/T4789.24
GB/T5009.11
GB5009.12
GB5749
GB/T6543
GB7718
GB9687
GB/T8885
GB/T10463
GB14881
GB13509
GB/T20881
GB/T20884
包装储运图示标志
食品安全国家标准食品中添加剂使用标准食品安全国家标准食品中污染物限量计数抽样检验程序第一部分:按接收质量限(AQL)检索的逐批食品安全国家标准食品微生物学检验菌落总数测定食品安全国家标准食品微生物学检验大肠菌群计数食品容用安全企业粽准务家专用置菌检验
食品安金企业标准备案专用章葡萄球菌检验食品
食品标准易准食品微生物学检验 霉菌和酵母计数食品备案号物学检验糖果、糕点、蜜饯检验有效期限标准年品月日室的测年方承日食品
备案机关告林省卫型计生委
食品市急神皮无机砷的测定
食品安全国家标准食品中铅的测定生活饮用水卫生标准
运输包装用单瓦楞纸箱和双瓦楞纸箱食品安全国家标准预包装食品标签通则食品包装用聚乙烯成型品卫生标准。食用玉米淀粉
玉米粉
糖果卫生标准
食品安全国家标准食品生产通用卫生规范木糖醇
低聚异麦芽糖
麦芽糊精
GB28050
NY/T1516
SB/T10347
JJF1070
食品安全国家标准预包装食品营养标签通则。鹿副产品
绿色食品蛙类及制品
糖果压片糖果
定量包装商品净含量计量检验规则卫生部公告2009年底18号新资源食品乳物矿盐Q/THKY0028S-2016
国家质量监督检验检疫总局令第75号(2005)《定量包装商品计量监督管理办法》国家质量监督检验检疫总局令第123号(2009)《食品标识管理规定》3技术要求
3.1原料要求
应符合以下要求和国家动植物检验检疫、生产经营许可管理等方面的规定。以保证雪蛤心片(压片糖果)产品质量和食用安全。
长白山亚种林蛙(雪蛤)心按照NY/T1516的规定执行,制备附录A执行。3.1.1
鹿心应符合NY317的规定.
每100g产品中,添加乳物矿盐16g。乳物矿盐应符合卫生部公告2009年18号文件的规定。木糖醇应符合 GB135食品安全企业标准备案专用章3.1.4
食用玉米淀粉应符合G
生8百时规
玉米粉应符合GB/T10
麦芽糊精应符合GB/T
有效期限的起年月日至年月日
低聚异麦芽糖应符合GB
备案机吉林省卫生计生委
生产用水应符合GB57
硬脂酸镁应符合卫生部2011年第8号公告的规定。感官要求
应符合表1的规定。
表1感官要求
组织形态
滋、气味
3.3理化指标
红色片,均匀一致
块形完整,大小一致,无缺角,裂缝,表面光滑,无明显变形。抛光或包衣,表面光滑,坚实,不松散,剖面紧密,无粘连,块形大小一致
具有该产品特有的香气,微甜、无其它异味无肉眼可见外来杂质
应符合表2的规定。
表2理化指标
干燥失重(%)
检验方法
将样品置于清洁、干燥的
白瓷盘中,检查色泽、形
态、组织、滋味气味和杂
检验方法
SB/T10347附录A
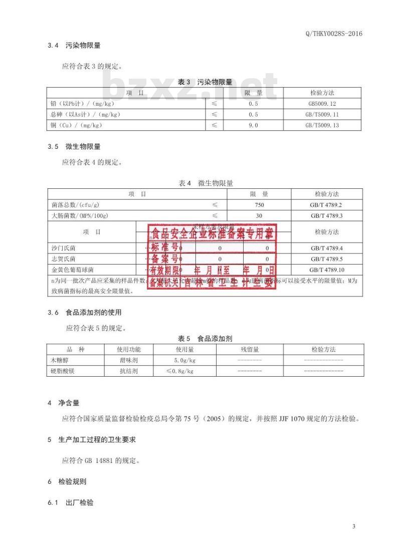
3.4污染物限量
应符合表3的规定。
铅(以Pb计)/(mg/kg)
总砷(以As计)/(mg/kg)
铜(Cu)/(mg/kg)
微生物限量
应符合表4的规定。
菌落总数/(cfu/g)
大肠菌数/(MPN/100g)
沙门氏菌
志贺氏菌
金黄色葡萄球菌
n为同一批次产品应采集的样品件数:致病菌指标的最高安全限量值
食品添加剂的使用
应符合表5的规定。
木糖醇
硬脂酸镁
净含量
使用功能
甜味剂
抗结剂
污染物限量
表4微生物限量
食品安全企业标准备案专用章
标准号
备案号
有效期限
年月日至年月0日
备案机美音超林省的卫品生计生婴表5食品添加剂
使用量
≤0.8g/kg
残留量
Q/THKY0028S-2016
检验方法
GB5009.12
GB/T5009.11
GB/T5009.13
检验方法
GB/T4789.2
GB/T4789.3
检验方法
GB/T4789.4
GB/T4789.5
GB/T4789.10
标可以接受水平的限量值:M为
检验方法
应符合国家质量监督检验检疫总局令第75号(2005)的规定,并按照JJF1070规定的方法检验5
生产加工过程的卫生要求
应符合GB14881的规定。
检验规则
6.1出厂检验
产品出厂需经企业检验部门逐批检验合格,附产品合格证方能出厂。出厂检验项目包括:感观、水分、菌落总数、大肠菌群、净含量。6.2型式检验
型式检验项目包括技术要求中的全部项目。正常生产时每半年进行一次型式检验:有下列情况之一时也进行型式检验:(1)新产品试制鉴定:
(2)正式生产时,如原料、工艺有较大变化,可能影响产品质量时:(3)产品长期停产后,恢复生产时:(4)出厂检验的结果与上次型式检验有较大差异时:(5)国家质量监督机构提出要求时。6.3组批
食品委全企业标准备案专用章
同一批投料、同一个班氵
个批次。
6.4抽样方法和抽样数量
标准号
产品按GB/T2828.1和备案号规定方法进行抽样。按表6规定的抽样方案拍有效期限样本年盒另单至。年月日备案机关吉林省卫生计生委
表6抽样数量
样本大小n盒
6.5判定规则
≤50g/盒
≥50g/盒
≤1500箱
6.5.1受检样品检验项目全部合格时,则判整批产品为合格品Q/THKY0028S-2016
≥1500箱
≤50g/盒
≥50g/盒
6.5.2感官、净含量、理化指标等项目有2项(含2项)以上不合格时,则判该产品为不合格:如果有项不符合要求,可重新加倍取样复检,以复检结果为准。6.5.3任何一项卫生(安全)或微生物学(生物学)指标不合格时则判该产品为不合格,并不得复检。7标签
应符合GB7718、GB28050和国家质检总局令第123号(2009)的规定。7.1标签式样
食品名称:雪蛤心片(压片糖果)配料表(原料):木糖醇、低聚异麦芽糖、长白山亚种林蛙(雪蛤)卵、山药、桑椹、枸杞子、百合、黄精、食用玉米淀粉、玉米粉、麦芽糊精、硬脂酸镁。净含量/规格:0.6g:0.8g:1.0g:或根据市场需求而定。生产企业:通化康元生物科技有限公司、生产地址:吉林省通化市医药高新技术产业开发区经开环路1-1号联系方式:0435-3287168
生产日期:
保质期:36个月
贮存条件:请置于阴凉干燥处保存食品生产许可证编号:
产品标准代号:Q/THKY0028S-20167.2
营养成分表
应符合表7的规定。表7
蛋白质
碳水化合物
营养成分表
每100克(毫升)
1509KJ
食品安全企业标准备案专用章
标准号bzxZ.net
备案号
年月日至年月日
有效期限
备案机关吉林省卫生计生委
Q/THKY0028S-2016
商品包装应符合GB23350的规定。运输包装标志应符合GB/T191的规定产品内包装用瓶应符合GB9687的规定。产品外包装用单瓦楞纸箱和双瓦楞纸箱应符合GB/T6543的规定。包装应完整、严密、牢固、无破损。
保质期
在符合本标准规定条件下,自生产之日起,保质期为36个月。5
小提示:此标准内容仅展示完整标准里的部分截取内容,若需要完整标准请到上方自行免费下载完整标准文档。
有效期至:2019年12月13日
Q/THKY
通化康元生物科技有限公司企业标准Q/THKY0028S-2016
雪蛤心片(压片糖果)
食品安全企业标准备案专用章
标准号
备案号
Q/THKY0028S-2016
225422S-2016
有效期限2016年12月14日至2019年12月13日备案机关吉林省卫生计生委
2016-10-09发布
2016-10-09实施
通化康元生物科技有限公司发布1范围
雪蛤心片(压片糖果)
Q/THKY0028S-2016
本标准适用于以木糖醇、低聚异麦芽糖为原料,添加长白山亚种林蛙(雪蛤)心、鹿心、乳物矿盐、食用玉米淀粉、玉米粉、麦芽糊精、硬脂酸镁,经干燥、粉碎、混合、制粒、压片、灭菌、内包装、外包装、检验入库等工艺加工制成的雪蛤心片(压片糖果)。2规范性引用文件
下列文件对于本文件的应用是必不可少的。凡是注日期的引用文件,仅注日期的版本适用于本文件,凡是不注日期的引用文件,其最新版本(包括所有的修改单)适应于本标准。GB/T191
GB2760
GB2762
GB/T 2828.1
GB 4789.4
GB4789.10
GB4789.15
GB/T4789.24
GB/T5009.11
GB5009.12
GB5749
GB/T6543
GB7718
GB9687
GB/T8885
GB/T10463
GB14881
GB13509
GB/T20881
GB/T20884
包装储运图示标志
食品安全国家标准食品中添加剂使用标准食品安全国家标准食品中污染物限量计数抽样检验程序第一部分:按接收质量限(AQL)检索的逐批食品安全国家标准食品微生物学检验菌落总数测定食品安全国家标准食品微生物学检验大肠菌群计数食品容用安全企业粽准务家专用置菌检验
食品安金企业标准备案专用章葡萄球菌检验食品
食品标准易准食品微生物学检验 霉菌和酵母计数食品备案号物学检验糖果、糕点、蜜饯检验有效期限标准年品月日室的测年方承日食品
备案机关告林省卫型计生委
食品市急神皮无机砷的测定
食品安全国家标准食品中铅的测定生活饮用水卫生标准
运输包装用单瓦楞纸箱和双瓦楞纸箱食品安全国家标准预包装食品标签通则食品包装用聚乙烯成型品卫生标准。食用玉米淀粉
玉米粉
糖果卫生标准
食品安全国家标准食品生产通用卫生规范木糖醇
低聚异麦芽糖
麦芽糊精
GB28050
NY/T1516
SB/T10347
JJF1070
食品安全国家标准预包装食品营养标签通则。鹿副产品
绿色食品蛙类及制品
糖果压片糖果
定量包装商品净含量计量检验规则卫生部公告2009年底18号新资源食品乳物矿盐Q/THKY0028S-2016
国家质量监督检验检疫总局令第75号(2005)《定量包装商品计量监督管理办法》国家质量监督检验检疫总局令第123号(2009)《食品标识管理规定》3技术要求
3.1原料要求
应符合以下要求和国家动植物检验检疫、生产经营许可管理等方面的规定。以保证雪蛤心片(压片糖果)产品质量和食用安全。
长白山亚种林蛙(雪蛤)心按照NY/T1516的规定执行,制备附录A执行。3.1.1
鹿心应符合NY317的规定.
每100g产品中,添加乳物矿盐16g。乳物矿盐应符合卫生部公告2009年18号文件的规定。木糖醇应符合 GB135食品安全企业标准备案专用章3.1.4
食用玉米淀粉应符合G
生8百时规
玉米粉应符合GB/T10
麦芽糊精应符合GB/T
有效期限的起年月日至年月日
低聚异麦芽糖应符合GB
备案机吉林省卫生计生委
生产用水应符合GB57
硬脂酸镁应符合卫生部2011年第8号公告的规定。感官要求
应符合表1的规定。
表1感官要求
组织形态
滋、气味
3.3理化指标
红色片,均匀一致
块形完整,大小一致,无缺角,裂缝,表面光滑,无明显变形。抛光或包衣,表面光滑,坚实,不松散,剖面紧密,无粘连,块形大小一致
具有该产品特有的香气,微甜、无其它异味无肉眼可见外来杂质
应符合表2的规定。
表2理化指标
干燥失重(%)
检验方法
将样品置于清洁、干燥的
白瓷盘中,检查色泽、形
态、组织、滋味气味和杂
检验方法
SB/T10347附录A
3.4污染物限量
应符合表3的规定。
铅(以Pb计)/(mg/kg)
总砷(以As计)/(mg/kg)
铜(Cu)/(mg/kg)
微生物限量
应符合表4的规定。
菌落总数/(cfu/g)
大肠菌数/(MPN/100g)
沙门氏菌
志贺氏菌
金黄色葡萄球菌
n为同一批次产品应采集的样品件数:致病菌指标的最高安全限量值
食品添加剂的使用
应符合表5的规定。
木糖醇
硬脂酸镁
净含量
使用功能
甜味剂
抗结剂
污染物限量
表4微生物限量
食品安全企业标准备案专用章
标准号
备案号
有效期限
年月日至年月0日
备案机美音超林省的卫品生计生婴表5食品添加剂
使用量
≤0.8g/kg
残留量
Q/THKY0028S-2016
检验方法
GB5009.12
GB/T5009.11
GB/T5009.13
检验方法
GB/T4789.2
GB/T4789.3
检验方法
GB/T4789.4
GB/T4789.5
GB/T4789.10
标可以接受水平的限量值:M为
检验方法
应符合国家质量监督检验检疫总局令第75号(2005)的规定,并按照JJF1070规定的方法检验5
生产加工过程的卫生要求
应符合GB14881的规定。
检验规则
6.1出厂检验
产品出厂需经企业检验部门逐批检验合格,附产品合格证方能出厂。出厂检验项目包括:感观、水分、菌落总数、大肠菌群、净含量。6.2型式检验
型式检验项目包括技术要求中的全部项目。正常生产时每半年进行一次型式检验:有下列情况之一时也进行型式检验:(1)新产品试制鉴定:
(2)正式生产时,如原料、工艺有较大变化,可能影响产品质量时:(3)产品长期停产后,恢复生产时:(4)出厂检验的结果与上次型式检验有较大差异时:(5)国家质量监督机构提出要求时。6.3组批
食品委全企业标准备案专用章
同一批投料、同一个班氵
个批次。
6.4抽样方法和抽样数量
标准号
产品按GB/T2828.1和备案号规定方法进行抽样。按表6规定的抽样方案拍有效期限样本年盒另单至。年月日备案机关吉林省卫生计生委
表6抽样数量
样本大小n盒
6.5判定规则
≤50g/盒
≥50g/盒
≤1500箱
6.5.1受检样品检验项目全部合格时,则判整批产品为合格品Q/THKY0028S-2016
≥1500箱
≤50g/盒
≥50g/盒
6.5.2感官、净含量、理化指标等项目有2项(含2项)以上不合格时,则判该产品为不合格:如果有项不符合要求,可重新加倍取样复检,以复检结果为准。6.5.3任何一项卫生(安全)或微生物学(生物学)指标不合格时则判该产品为不合格,并不得复检。7标签
应符合GB7718、GB28050和国家质检总局令第123号(2009)的规定。7.1标签式样
食品名称:雪蛤心片(压片糖果)配料表(原料):木糖醇、低聚异麦芽糖、长白山亚种林蛙(雪蛤)卵、山药、桑椹、枸杞子、百合、黄精、食用玉米淀粉、玉米粉、麦芽糊精、硬脂酸镁。净含量/规格:0.6g:0.8g:1.0g:或根据市场需求而定。生产企业:通化康元生物科技有限公司、生产地址:吉林省通化市医药高新技术产业开发区经开环路1-1号联系方式:0435-3287168
生产日期:
保质期:36个月
贮存条件:请置于阴凉干燥处保存食品生产许可证编号:
产品标准代号:Q/THKY0028S-20167.2
营养成分表
应符合表7的规定。表7
蛋白质
碳水化合物
营养成分表
每100克(毫升)
1509KJ
食品安全企业标准备案专用章
标准号bzxZ.net
备案号
年月日至年月日
有效期限
备案机关吉林省卫生计生委
Q/THKY0028S-2016
商品包装应符合GB23350的规定。运输包装标志应符合GB/T191的规定产品内包装用瓶应符合GB9687的规定。产品外包装用单瓦楞纸箱和双瓦楞纸箱应符合GB/T6543的规定。包装应完整、严密、牢固、无破损。
保质期
在符合本标准规定条件下,自生产之日起,保质期为36个月。5
小提示:此标准内容仅展示完整标准里的部分截取内容,若需要完整标准请到上方自行免费下载完整标准文档。
标准图片预览:





- 热门标准
- 行业标准
- HG/T3773-2012 分散黑EX-SF300%
- QZLS0032S-2016 郑州林诺实业有限公司 压片糖果
- FZ/T12057-2017 腈纶羊毛混纺本色纱
- JB/T7673-2011 真空技术 真空设备型号编制方法
- NB/T20009.5-2013 压水堆核电厂用焊接材料 第5部分:1、2、3级设备用碳钢气体保护电弧焊药芯焊丝
- YS/T940-2013 柠檬酸金钾
- JB/T6313.3-2011 电工铜编织线 第3部分:直纹编织线
- HG/T2549-2012 还原橄榄绿5G超细粉
- YS/T891-2013 高纯钛化学分析方法 痕量杂质元素的测定 辉光放电质谱法
- CB/T4198-2011 船用中速柴油机齿轮箱技术条件
- QX/T409-2017 农业气象观测规范 番茄
- YS/T1168-2016 饰品用锗合金
- YS/T3044-2022 铜冶炼侧吹炉协同处置氰渣技术规范
- NB/T33006-2013 电动汽车电池箱更换设备通用技术要求
- QCYY0001S-2016 四川野源科技有限责任公司 果汁饮料
- 行业新闻
请牢记:“bzxz.net”即是“标准下载”四个汉字汉语拼音首字母与国际顶级域名“.net”的组合。 ©2025 标准下载网 www.bzxz.net 本站邮件:bzxznet@163.com
网站备案号:湘ICP备2025141790号-2
网站备案号:湘ICP备2025141790号-2