- 您的位置:
- 标准下载网 >>
- 标准分类 >>
- 公共安全行业标准(GA) >>
- GA 365-2009 警服材料 交织绸
标准号:
GA 365-2009
标准名称:
警服材料 交织绸
标准类别:
公共安全行业标准(GA)
标准状态:
现行-
发布日期:
2009-04-02 -
实施日期:
2009-05-01 出版语种:
简体中文下载格式:
.rar .pdf下载大小:
172.17 KB
点击下载
标准简介:
标准下载解压密码:www.bzxz.net
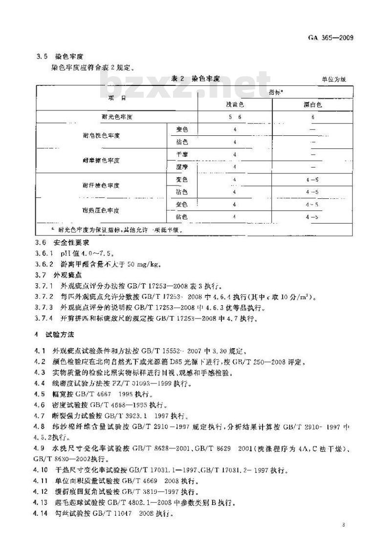
本标准规定了警服用交织绸的要求、试验方法、检验规则、标志、包装、运输与贮存。本标准适用于警服用交织绸的生产、检验、验收与订购。 GA 365-2009 警服材料 交织绸 GA365-2009
标准图片预览:





- 其它标准
- 热门标准
- 公共安全行业标准(GA)
- GA234-1999 旅馆业治安管理信息系统基本功能
- GA/T970-2011 危险化学品泄漏事故处置行动要则
- GA/T1092-2013 公安350兆模拟集群通信系统互联接口技术规范
- GA55-93物 通用标签
- GA/T792.1-2008 城市监控报警联网系统管理标准第1部分:图像信息采集、接入、使用管理要求
- GA136-1996 软垫家具易燃性的实验和分级方法
- GA557.2-2005 互联网上网服务营业场所信息安全管理代码第2部分:营业场所营业状态代码
- GA/T1570-2019 法庭科学 数据库数据真实性检验技术规范
- GA233.4-1999 旅馆业治安管理信息基本数据交换格式第4部分:旅馆处罚结果基本数据交换格式
- GA436-2003 机动车修理业、报废机动车回收拆解业治安管理信息系统数据库规范
- GA301.2-2001 看守所在押人员信息管理数据交换格式 第2部分:看守所信息数据交换格式
- GA557.7-2005 互联网上网服务营业场所信息安全管理代码第7部分:管理端代码
- GA660-2006 互联网公共、上网服务场所信息安全管理系统上网服务场所端功能要求
- GA/T1049.2-2013 公安交通集成指挥平台通信协议 第2部分 交通信号控制系统
- GA/T1572-2019 法庭科学 移动终端地理位置信息检验技术方法
- 行业新闻
请牢记:“bzxz.net”即是“标准下载”四个汉字汉语拼音首字母与国际顶级域名“.net”的组合。 ©2025 标准下载网 www.bzxz.net 本站邮件:bzxznet@163.com
网站备案号:湘ICP备2025141790号-2
网站备案号:湘ICP备2025141790号-2