- 您的位置:
- 标准下载网 >>
- 标准分类 >>
- 煤炭行业标准(MT) >>
- MT 820-2006 煤矿用带式输送机 技术条件
标准号:
MT 820-2006
标准名称:
煤矿用带式输送机 技术条件
标准类别:
煤炭行业标准(MT)
标准状态:
现行-
发布日期:
2006-07-27 -
实施日期:
2006-10-11 出版语种:
简体中文下载格式:
.rar.pdf下载大小:
357.13 KB
标准ICS号:
材料储运设备>>连续搬运设备>>53.040.10 输送机采矿和矿产品>>采矿设备>>73.100.40牵引和起重设备中标分类号:
矿业>>矿山机械设备>>D93提升、贮运设备
替代情况:
替代MT 820-1999
点击下载
标准简介:
标准下载解压密码:www.bzxz.net
本村准规定了煤矿用带式输送机的要求、试验方法、检验规则、标志、包装、运输和贮存。本标准适用于煤矿井下用带式输送机(以下简称输送机)。也适用于露天煤矿、选煤或其他工作场所带式输送机。 MT 820-2006 煤矿用带式输送机 技术条件 MT820-2006
部分标准内容:
ICS53.040.10;73.100.40
备案号:18829—2006
中华人民共和国煤炭行业标准
MT820-—-2006
代替MT820--1999
煤矿用带式输送机
技术条件
Belt conveyor for coal minesTechnical specification2006-07-27发布
中华人民共和国国家发展和改革委员会2006-10-11实施
MT820—2006
本标准的3.3、3.5.2、3.5.3、3.6~3.9.3.10.2~3.10.8.3.11.2~3.11.4、3.12、3.13.2~3.13.4、3.14~3.16.3.17.1和3.18为强制性的,其余为推荐性的技术条件》的修订,本标准代替本标准是对MT820-1999《煤矿井下用带式输送机MT820-1999。
本标准与MT820—1999相比主要变化如下:增加了关于配备软起动、软制动装置的规定(本版的3.2.5);-增加了关于输送机应具有“安全标志准用证\的规定(本版的3.3.1);-增加了关于装设防护装置和警示标志的规定(本版的3.3.7);-增加了关于钢丝绳牵引输送机配备安全保护装置的规定(本版的3.3.8);调整了托辊的基本尺寸系列(1999年版的3.5.1;本版的3.5.1);增加了关于调速型液力偶合器、限矩型液力偶合器和其他液力调速装置的性能规定(本版的3.7);
删除了MT820—1999中关于伸缩输送机中间架应采用无螺栓连接的规定(1999年版的3.12.3);
增加了关于波状挡边输送机、管状输送机和气垫输送机的规定(本版的3.14~3.16);调整了出厂检验项目(1999年版的表7,本版的表5)。本标准由中国煤炭工业协会科技发展部提出。本标准由煤炭行业煤矿专用设备标准化技术委员会归口。本标准起草单位:煤炭科学研究总院上海分院。本标准主要起草人:陈珏、李锋、章伯超、张炳福。本标准所代替标准的历次版本发布情况为:MT120—1985.ZBD93008—1990、MT820-—1999。I
MT 820—2006
按国家有关取消专业标准的规定,原ZBD93008—1990《煤矿井下用带式输送机技术条件》转化为MT820一1999,但标准条款未作任何改动,因此,MT820的标龄已有十多年。近年来,随着煤矿机械化程度的迅速提高和日产万吨、七千吨综采工作面的发展,我国煤矿带式输送机也取得了长足的进步,输送机的主参数也有了很大的提高,这就对带式输送机的机械传动、电控、监测、安全保护、输送带强度等的可靠性提出更高的要求,不允许出现事故。同时为了满足地质和环境条件的要求,出现了一些新型结构的带式输送机,如管状输送机、波纹挡边输送机等。为此,本标准根据带式输送机的技术发展现状和煤矿生产的需要对原MT820一1999作了修订。本标准的制定和实施,对促进输送机新技术的推广使用以及技术发展将起到积极的作用。随着输送机以及相关技术的发展,本标准尚需不时进行修订。1范围
煤矿用带式输送机技术条件
MT820—2006
本标准规定了煤矿用带式输送机的要求、试验方法、检验规则、标志、包装、运输和贮存。本标准适用于煤矿井下用带式输送机(以下简称输送机),也适用于露天煤矿、选煤或其他工作场所用带式输送机。
2规范性引用文件
下列文件中的条款通过本标准的引用而成为本标准的条款。凡是注日期的引用文件,其随后所有的修改单(不包括勘误的内容)或修订版均不适用于本标准,然而,鼓励根据本标准达成协议的各方研究是否可使用这些文件的最新版本。凡是不注日期的引用文件,其最新版本适用于本标准。GB/T1184—1996形状和位置公差未注公差值(eqvISO2768-2:1989)GB/T3768一1996声学声压法测定噪声源功率级反射面上方采用包络测量表面的简易法eqvISO3746:1995)
GB3836.1爆炸性气体环境用电气设备第1部分:通用要求(GB3836.1—2000,egYIEC60079-0.1998)
GB/T10595—1989带式输送机技术条件(negDIN22112:1985)GB/T13306标牌
GB/T13384机电产品包装通用技术条件JB/T9015带式输送机用逆止器
MT113煤矿井下聚合物制品阻燃抗静电性通用试验方法和判定规则MT/T208刮板输送机用液力偶合器MT318煤矿用阻燃输送带接头检验规范MT/T318.1煤矿用输送带机械接头技术条件MT/T400煤矿用带式输送机滚筒尺寸系列MT654煤矿用带式输送机安全规范MT668
煤矿用阻燃钢丝绳芯输送带技术条件MT669
煤矿用阻燃钢丝绳牵引输送带技术条件MT/T681
煤矿用带式输送机减速器技术条件MT821
煤矿用带式输送机托辑技术条件煤矿用织物叠层阻燃输送带
煤矿用带式输送机保护装置技术条件煤矿用下运带式输送机制动器技术条件煤矿用织物整芯阻燃输送带
MT/T923
煤矿用调速型液力偶合器检验规范MT/T943矿用低压交流软起动器
MT/T1018煤矿带式输送机用输送带分类及规格《煤矿安全规程》国家安全生产监督管理局(2004年)1
MT820-2006
3要求
3.1一般要求
3.1.1输送机应按照经规定程序批准的图样和技术文件制造。3.1.2其他通用技术要求应符合GB/T10595—1989的规定。3.2使用条件
3.2.1输送物料为散状的不规则形状煤或石。3.2.2工作环境空气成分应符合《煤矿安全规程》(2004年)中第一百条的规定。3.2.3工作环境允许存在淋水现象。3.2.4输送机零部件应能适应在搬运和安装过程中出现的正常碰撞情况。3.2.5输送机应配有软起动装置,下运输送机应同时配有软制动装置。3.3安全要求
3.3.1输送机应符合MT654和《煤矿安全规程》(2004年)的规定,并具有相关部门颁发的“煤矿矿用产品安全标志证书”。
3.3.2在煤矿并下使用的与输送机配套的电动机、电控设备应符合GB3836.1的规定。3.3.3在煤矿并下使用的输送机应使用阻燃输送带,根据输送带的类别,其安全性能应符合MT668、MT669、MT830和MT914相应的规定。3.3.4在煤矿井下使用的输送机非金属材料的零部件其安全性能应符合MT113的规定。3.3.5输送机应装备有跑偏、打滑、堆煤、烟雾、温度和自动洒水装置等机械电气安全保护装置,其性能应符合MT872的规定。
3.3.6在主要运输巷道内安设的输送机应装备有张紧力下降保护和防撕裂保护的装置,其性能应符合相关标准的规定。
3.3.7在机头、机尾和改向点以及其他危险点应装设防止人员和设备受到伤害的防护装置和警示标志。
3.3.8钢丝绳牵引带式输送机配备的安全保护装置应符合《煤矿安全规程》(2004年)中第三百七十四条的规定。
3.3.9输送机各零部件的表面温度不得超过150℃,机械摩擦制动时,不得出现火花。3.3.10输送机长度超过100m时,应设置沿线紧急停车装置。3.4外观质最
3.4.1油漆的技术要求应符合GB/T10595—1989中3.12.2的规定。3.4.2输送机各零部件应具有光滑、整齐的轮廊,不应有明显的凹凸、缺口、卷边、夹渣等缺陷。3.5托辊
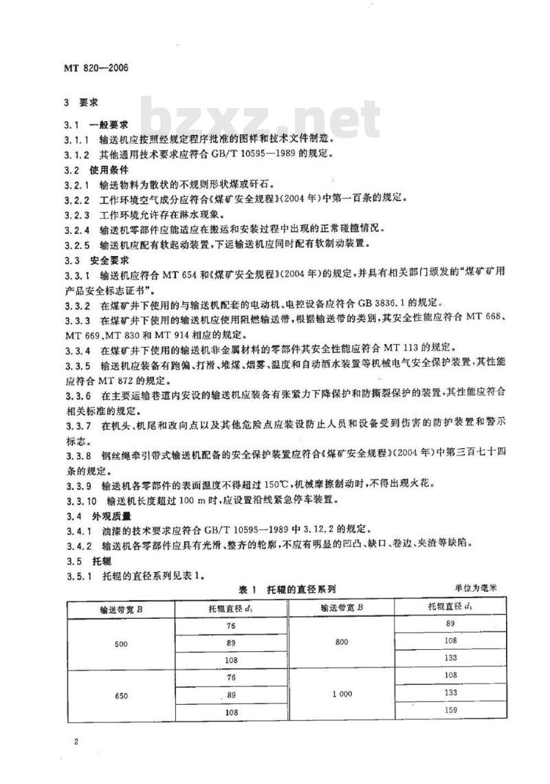
3.5.1托辊的直径系列见表1。
表1托辊的直径系列
输送带宽B
托辊直径d
输送带宽B
单位为毫米
托辊直径d
输送带宽B
托辊直径d
表1(续)
输送带宽B
MT820—2006
单位为毫米
托辊直径d
注:一定带宽的输送带,可有数种不同直径的托辑供选用配套,但托辊直径d的确定应满足托辑的最大运行转速不超过650r/min。
3.5.2托辑性能应符合MT821的规定。3.5.3在煤矿井下使用的缓冲托辊和回程托辊的缓冲环和圆环应以阻燃材料制造。3.6减速器
减速器的性能应符合MT/T681的规定。3.7软起动装置
3.7.1调速型液力偶合器的性能应符合MT/T923的规定。3.7.2限矩型液力偶合器的性能应符合MT/T208的规定。传动介质应使用难燃液。3.7.3矿用低压交流软起动器的性能应符合MT/T943的规定3.7.4其他软起动装置的安全性能应符合MT654和《煤矿安全规程》(2004年)的规定。加速度应可调,并且加速度不得大于0.3m/s。3.8制动器
下运带式输送机用制动器的性能应符合MT912的规定。3.8.1
3.8.2其他制动器的性能应符合相关标准的规定。3.9逆止器
3.9.1非接触式逆止器的技术性能应符合JB/T9015的规定。3.9.2接触式逆止器在正常工作情况下其温升应低于30℃。3.9.3在额定逆止力矩作用下接触式逆止器工作105次基本构件应不产生疲劳失效。3.10滚筒
3.10.1滚筒的基本尺寸应符合MT/T400的规定。3.10.2钢板滚筒加工后,筒皮壁厚b不低于(6-1)mm。3.10.3传动滚简外圆直径偏差应符合表2的规定。3
MT820-2006
滚简直径
>400~1000
表2滚筒外圆直径偏差
3.10.4在煤矿井下使用的胶面滚筒的胶层应为阻燃材料偏差
单位为毫米
胶面滚筒的胶层与筒皮表面紧密结合,在输送机工作时不许有脱层、气泡或开裂等缺陷。3.10.5
面胶的物理机械性能应达到下列要求:3.10.5.1
拉伸强度大于等于30MPa;
扯断伸长率大于等于450%;
扯断永久变形小于等于15%;
邵尔A型硬度:
传动滚筒为60~70ShoreA
改向滚筒为50~60ShoreA;
阿克隆磨耗小于等于0.7cm/1.61km;e)
老化系数(70℃×48h)大于等于1.2。3.10.5.2底胶的物理机械性能应达到下列要求:a)
拉伸强度大于等于30MPa
抗折强度大于等于6.9MPa,
耐热性不低于80℃
常温硫化后的橡胶包覆层与金属滚筒的剥离强度(与金属粘结180°,固化72h)应不小于d)
4.8kN/m;
加热硫化后的橡胶包覆层与金属滚筒的剥离强度(与金属粘结180°,固化72h)应不小于e)
9.8kN/m。
3.10.6滚筒装配时,轴承和轴承座油腔中应充以锂基润滑脂。轴承充油量为轴承间隙的2/3,轴承座油脂腔中应充满油脂。
3.10.7滚简装配后,其外圆圆跳动量应不大于表3的规定。表3滚筒外圆的圆跳动量
滚简直径
圆跳动量
光面滚筒
胶面滚筒
>800~1250
3.10.8滚筒装配后,应能灵活转动,所测得的滚筒静阻力系数值应不大于0.02。3.11输送带
3.11.1输送带的尺寸应符合MT/T1018的规定。单位为毫米
输送带的技术要求根据输送带的类别,应分别符合MT668、MT669、MT830、MT914的3.11.2
规定。
输送带机械接头技术条件应符合MT/T318.1的规定。3.11.4输送带胶粘接头技术条件应符合MT318的规定。3.12倾斜输送机
3.12.1下运输送机,应装设制动装置。不得出现输送带超速、滚料或输送带与驱动滚筒之间打滑现象。
MT820-2006
3.12.2上运输送机应同时装设防逆转装置和制动装置。停车后,不得出现自行逆转现象。3.13可伸缩输送机
3.13.1储带仓的储带长度应符合输送带的单元长度,单元长度不小于50m。3.13.2单元输送带之间的接头应坚固平整、受力均匀、工作可靠,不得降低输送带挠性。3.13.3中间架与输送带应装拆方便。3.13.4机尾移动要轻便、灵活,储带仓内的游动小车、托辊小车及每个滑轮均应动作灵活,不得有阻卡现象。
3.14波状挡边输送机
3.14.1输送机应配有防跑偏装置。输送带应运行平稳、对中,其挡边外侧与改向滚筒或托(压)带辊的端面不得接触。
3.14.2清料装置性能稳定,与输送带均匀接触。3.15管状输送机
3.15.1倾斜输送时不得出现洒料、卡料现象。3.15.2转弯输送时,输送带应保持对中、稳定运行,不得产生卡阻现象。3.16气垫输送机
3.16.1除盘槽气孔外,气室其余部位均不得漏气。3.16.2在气室全长范围内气垫应均匀、稳定。气垫最小厚度应大于输送带和盘槽表面局部所允许面轮廊度的总和,最大厚度不应使物料在运行中失稳或使输送带漂离盘槽。3.17装配要求
3.17.1所有零部件应经检验合格后方可进行装配。配套件、外购件应有合格证书。列人安全标志管理的部件应具有“煤矿矿用产品安全标志证书”。3.17.2总装配可不在制造厂内进行,但驱动装置等主要部件应在出厂前试装。3.17.3同一规格的机架应能互换。3.17.4直线段机架中心线直线度不大于表4的规定,并应保证在任意25m长度内的偏差不大于4mm。
表4机架中心线直线度的允许值
输送机长度,m
直线度,mm
输送机长度,m
直线度,mm
300~500
500~1000
1000~2000
2000~5000
3.17.5滚筒轴线与水平面的平行度公差值不大于滚简轴线长度的1/1000。100~300
3.17.6滚筒轴线对输送机机架中心线的垂直度公差值不大于滚筒轴线长度的2/1000,滚筒和托辊与输送机机架要对中,其对称度公差值不大于3mm。3.17.7驱动滚筒轴线与减速器低速轴轴心线的同轴度应符合GB/T1184-1996中10级要求,两驱动滚筒轴心线的平行度公差值不大于0.4mm。3.17.8托辊(调心托辊和过渡托辊除外)上表面应位于同一平面上(水平面或倾斜面)或者在一个公共半径的弧面上(输送机凹弧段或凸弧段),在相邻三组托辊之间其高低差值,固定式输送机不大于2mm,伸缩和吊挂式不大于3mm。3.17.9储带仓和机尾的左右钢轨踏面应在同一水平面内,每段钢轨的轨顶高低偏差不得超过2mm。轨道应成直线,且平行于输送机机架的中心线,其直线度公差值在1m内不大于2mm,在25m内不大于4mm,在全长内不大于15mm。轨距偏差不得超过士2mm,轨道接缝处踏面的高低差不大于0.5mm,轨缝不大于3mm。
MT820—2006
清扫器与输送带在滚筒轴线方向上的接触长度应大于带宽的85%。3.17.10
3.17.11加料口处的导料槽应具有良好的导料性能,导料槽底口的宽度不得大于输送带宽的80%。输送带接头的接缝处应平直,在10m长度上的直线度公差值不大于20mm,如图1所示。3.17.12
单位为毫米
图1输送带接缝
3.17.13各移动部件安装后,应移动灵活,调整方便。3.18整机性能
3.18.1输送机主参数应符合产品技术图样中所规定的数值。3.18.1.1带速:空载运行时带速偏差为十10%~一5%,额定负载运行时带速偏差不得超过一5%。3.18.1.2输送量:实测的输送量不低于额定值的95%。3.18.1.3功率:机长100m实测空载功率应不大于理论计算值;全长实测满载功率不大于额定值的105%。
3.18.2输送机起动加速度不大于0.3m/s;制动加速度不小于一0.3m/s。3.18.3输送机应运行平稳,不允许出现异常的振动及声响。在起动与运行过程中,输送带不允许有打滑和打带现象。负载运行时,所有转动件均能灵活转动。输送带在运行时,其边缘不得超出托辊管体和滚筒筒体的边缘。3.18.4
3.18.5制动装置和逆止装置工作应安全可靠。各机电保护装置和电控装置,应反应灵敏,工作可靠。3.18.6
输送机负载运行时,噪声值应不超过90dB(A)。大于90dB(A)时,应配备个人劳动保护用品。3.18.7
张紧装置工作时应灵活可靠。
3.18.9输送机负载运行时,所有液压元件不得有渗漏现象。3.18.10清扫器应性能稳定,清扫效果良好。4试验方法
4.1托辊
按MT821的规定进行。
4.2减速器
按MT/T681的规定进行。
4.3软起动装置
4.3.1调速型液力偶合器按MT/T923的规定进行。4.3.2限矩型液力偶合器按MT/T208的规定进行。4.3.3低压交流软起动器按MT/T943的规定进行。4.3.4其他软起动装置按相关标准的规定进行。4.4制动器
4.4.1下运输送机制动器按MT912的规定进行。4.4.2其他制动器按相关标准的规定进行。6
4.5滚筒
4.5.1滚筒胶层安全性能试验
4.5.1.1火焰燃烧试验
按MT113的规定进行。
4.5.1.2导电性试验
按MT113的规定进行。
4.5.2滚筒外圆圆跳动试验
MT820—2006
将装配好的滚筒安装在支架上,按图2所示将百分表测量头法向接触滚简外表面,滚筒转动一周后,从百分表上得出各位置的圆跳动量,取其中最大值。百分尺
夹持器
图2滚筒外圆圆跳动试验
4.5.3滚筒静阻力系数试验
将装配好的滚筒安装在支架上,按图3所示将一根两端装有盘子的细绳在滚简的中部缠绕3周,在两个盘子里预放相同质量的码,然后在一个盘子里增加码,直至滚筒旋转一周为止,测出此时增加磁码的质量AG,再按公式(1)计算滚筒静阻力系数AG
式中:
滚筒静阻力系数;
使滚筒旋转一周,在一个盘子里增加码的质量,单位为牛(N);-滚简转动部分质量,单位为牛(N)。滚简
图3滚筒静阻力系数试验
4.5.4滚简探伤试验
滚简焊缝和滚筒轴的探伤按GB/T10595—1989中3.43.5的规定进行。4.6输送带
根据输送带类别,按MT668、MT669、MT830和MT914各自的规定进行。4.7保护装置
按MT872的规定进行。
(1)
MT820—2006
4.8逆止装置
4.8.1非接触式逆止器按JB/T9015的规定进行。4.8.2接触式逆止器按相关标准的规定进行。4.9整机性能试验
4.9.1试验用测量仪器
测试用仪表的准确度应不低于1级,并按规定时限进行校验。4.9.2整机铺设
整机性能试验时,其铺设长度不得少于100m。当输送机实际长度小于100m时,铺设长度为全长。空负载试验运行2h,测定主参数和观察运行情况。4.9.3主参数测定
4.9.3.1带速
在输送机正常运转状态下,用带速测试仪测定输送机带速。4.9.3.2输送量
待输送机运行正常后,将输送机停车,与输送机相平行取任意长度然后测定在这一长度上堆积物料的容积或质量,并根据实测的带速来计算。4.9.3.3功率
在输送机保持正常运转状态下,用功率测试仪测定输送机功率。4.9.3.4整机噪声
整机噪声的测定方法及要求应符合GB/T3768—1996的规定。测点数量及位置如图4所示。测定距离d为1m,测试高度在减速器的中心平面上,取4点中的最大值。4
测试点
电动机
5检验规则
检验类别
减速器
图4噪声测点数量及位置
产品检验分为出厂检验和型式检验两类。产品检验前应进行装配检查,装配检查项目与检查要求应符合3.17的规定。
5.2出厂检验
出厂检验项目、检验数量与检验要求见表5。8
、整机检验
二、元部件检验
减速器
软起动装置
制动装置
输送带
保护装置
逆止装置
检验项目
外观检验
整机空载性能检验
检验项目
按MT821的规定
按MT/T681的规定
按MT/T923、MT/T208
和MT/T943的规定免费标准bzxz.net
按MT912的规定
a.胶层安全性能检验
b.外圆圆跳动检验
c.静阻力系数检验
d.探伤检验
表5出厂检验
检验数量
每台,漆膜附着力在不少于三个部件(如头架、中间架、尾架等)的非正视表面上,任选10个不同位置进行划痕检查
每年1台
检验数量
按MT821的规定
按MT/T681的规定
按MT/T923、MT/T208和MT/
T943的规定
按MT912的规定
a。全部
c.按10%抽取(至少1件)
d.按GB/T10595—1989的规定
按MT668、MT830和MT
按MT668、MT830和MT914的
914的规定
按MT872的规定
按JB/T9015的规定
按MT872的规定
按JB/T9015的规定
注:属外配套的元部件,由配套件生产企业按本表的规定进行检验。5.3型式检验
5.3.1凡属下列情况之一时,应进行型式检验:a)新产品或老产品转厂生产的试制定型鉴定;正式生产后,如结构、材料、工艺有较大改变,可能影响产品性能;b)
c)产品停产2年后,恢复生产时;d)国家质量监督机构提出要求时。MT820-2006
检验要求
按3.4的规定
按3.18的规定
检验要求
按MT/T821的规定
按MT/T681的规定
按MT/T923、MT/T208
和MT/T943的规定
按MT912的规定
a.按3.10.4的规定
b.按3.10.7的规定
c.按3.10.8的规定
d.按GB/T10595-1989
的规定
按MT668、MT830和MT
914的规定
按MT872的规定
按JB/T9015的规定
5.3.2带式输送机整机型式检验应在其主要元部件的型式检验及外观判定合格后进行,进行整机型式检验时不再重复进行主要元部件型式检验及外观检验。5.3.3带式输送机整机的型式检验项目与检验要求符合3.18的规定,检验数量为1台。5.4判定规则
5.4.1整机性能和滚筒检验项目的合格率应达到100%。5.4.2漆膜附着力等检验项目的合格率不低于80%。5.4.3托辑、减速器、软起动装置、制动器、输送带保护装置和逆止器等检验结果评定按各自标准中的规定执行。
5.4.4上述各检验项目的合格率都达到要求时,则该产品为合格品。如有任何一项的合格率低于规定值时,应对该项加倍复验,复验结果如达到要求,该产品仍属合格品;如仍不符合要求,则该产品为不合格品。
小提示:此标准内容仅展示完整标准里的部分截取内容,若需要完整标准请到上方自行免费下载完整标准文档。
备案号:18829—2006
中华人民共和国煤炭行业标准
MT820-—-2006
代替MT820--1999
煤矿用带式输送机
技术条件
Belt conveyor for coal minesTechnical specification2006-07-27发布
中华人民共和国国家发展和改革委员会2006-10-11实施
MT820—2006
本标准的3.3、3.5.2、3.5.3、3.6~3.9.3.10.2~3.10.8.3.11.2~3.11.4、3.12、3.13.2~3.13.4、3.14~3.16.3.17.1和3.18为强制性的,其余为推荐性的技术条件》的修订,本标准代替本标准是对MT820-1999《煤矿井下用带式输送机MT820-1999。
本标准与MT820—1999相比主要变化如下:增加了关于配备软起动、软制动装置的规定(本版的3.2.5);-增加了关于输送机应具有“安全标志准用证\的规定(本版的3.3.1);-增加了关于装设防护装置和警示标志的规定(本版的3.3.7);-增加了关于钢丝绳牵引输送机配备安全保护装置的规定(本版的3.3.8);调整了托辊的基本尺寸系列(1999年版的3.5.1;本版的3.5.1);增加了关于调速型液力偶合器、限矩型液力偶合器和其他液力调速装置的性能规定(本版的3.7);
删除了MT820—1999中关于伸缩输送机中间架应采用无螺栓连接的规定(1999年版的3.12.3);
增加了关于波状挡边输送机、管状输送机和气垫输送机的规定(本版的3.14~3.16);调整了出厂检验项目(1999年版的表7,本版的表5)。本标准由中国煤炭工业协会科技发展部提出。本标准由煤炭行业煤矿专用设备标准化技术委员会归口。本标准起草单位:煤炭科学研究总院上海分院。本标准主要起草人:陈珏、李锋、章伯超、张炳福。本标准所代替标准的历次版本发布情况为:MT120—1985.ZBD93008—1990、MT820-—1999。I
MT 820—2006
按国家有关取消专业标准的规定,原ZBD93008—1990《煤矿井下用带式输送机技术条件》转化为MT820一1999,但标准条款未作任何改动,因此,MT820的标龄已有十多年。近年来,随着煤矿机械化程度的迅速提高和日产万吨、七千吨综采工作面的发展,我国煤矿带式输送机也取得了长足的进步,输送机的主参数也有了很大的提高,这就对带式输送机的机械传动、电控、监测、安全保护、输送带强度等的可靠性提出更高的要求,不允许出现事故。同时为了满足地质和环境条件的要求,出现了一些新型结构的带式输送机,如管状输送机、波纹挡边输送机等。为此,本标准根据带式输送机的技术发展现状和煤矿生产的需要对原MT820一1999作了修订。本标准的制定和实施,对促进输送机新技术的推广使用以及技术发展将起到积极的作用。随着输送机以及相关技术的发展,本标准尚需不时进行修订。1范围
煤矿用带式输送机技术条件
MT820—2006
本标准规定了煤矿用带式输送机的要求、试验方法、检验规则、标志、包装、运输和贮存。本标准适用于煤矿井下用带式输送机(以下简称输送机),也适用于露天煤矿、选煤或其他工作场所用带式输送机。
2规范性引用文件
下列文件中的条款通过本标准的引用而成为本标准的条款。凡是注日期的引用文件,其随后所有的修改单(不包括勘误的内容)或修订版均不适用于本标准,然而,鼓励根据本标准达成协议的各方研究是否可使用这些文件的最新版本。凡是不注日期的引用文件,其最新版本适用于本标准。GB/T1184—1996形状和位置公差未注公差值(eqvISO2768-2:1989)GB/T3768一1996声学声压法测定噪声源功率级反射面上方采用包络测量表面的简易法eqvISO3746:1995)
GB3836.1爆炸性气体环境用电气设备第1部分:通用要求(GB3836.1—2000,egYIEC60079-0.1998)
GB/T10595—1989带式输送机技术条件(negDIN22112:1985)GB/T13306标牌
GB/T13384机电产品包装通用技术条件JB/T9015带式输送机用逆止器
MT113煤矿井下聚合物制品阻燃抗静电性通用试验方法和判定规则MT/T208刮板输送机用液力偶合器MT318煤矿用阻燃输送带接头检验规范MT/T318.1煤矿用输送带机械接头技术条件MT/T400煤矿用带式输送机滚筒尺寸系列MT654煤矿用带式输送机安全规范MT668
煤矿用阻燃钢丝绳芯输送带技术条件MT669
煤矿用阻燃钢丝绳牵引输送带技术条件MT/T681
煤矿用带式输送机减速器技术条件MT821
煤矿用带式输送机托辑技术条件煤矿用织物叠层阻燃输送带
煤矿用带式输送机保护装置技术条件煤矿用下运带式输送机制动器技术条件煤矿用织物整芯阻燃输送带
MT/T923
煤矿用调速型液力偶合器检验规范MT/T943矿用低压交流软起动器
MT/T1018煤矿带式输送机用输送带分类及规格《煤矿安全规程》国家安全生产监督管理局(2004年)1
MT820-2006
3要求
3.1一般要求
3.1.1输送机应按照经规定程序批准的图样和技术文件制造。3.1.2其他通用技术要求应符合GB/T10595—1989的规定。3.2使用条件
3.2.1输送物料为散状的不规则形状煤或石。3.2.2工作环境空气成分应符合《煤矿安全规程》(2004年)中第一百条的规定。3.2.3工作环境允许存在淋水现象。3.2.4输送机零部件应能适应在搬运和安装过程中出现的正常碰撞情况。3.2.5输送机应配有软起动装置,下运输送机应同时配有软制动装置。3.3安全要求
3.3.1输送机应符合MT654和《煤矿安全规程》(2004年)的规定,并具有相关部门颁发的“煤矿矿用产品安全标志证书”。
3.3.2在煤矿并下使用的与输送机配套的电动机、电控设备应符合GB3836.1的规定。3.3.3在煤矿并下使用的输送机应使用阻燃输送带,根据输送带的类别,其安全性能应符合MT668、MT669、MT830和MT914相应的规定。3.3.4在煤矿井下使用的输送机非金属材料的零部件其安全性能应符合MT113的规定。3.3.5输送机应装备有跑偏、打滑、堆煤、烟雾、温度和自动洒水装置等机械电气安全保护装置,其性能应符合MT872的规定。
3.3.6在主要运输巷道内安设的输送机应装备有张紧力下降保护和防撕裂保护的装置,其性能应符合相关标准的规定。
3.3.7在机头、机尾和改向点以及其他危险点应装设防止人员和设备受到伤害的防护装置和警示标志。
3.3.8钢丝绳牵引带式输送机配备的安全保护装置应符合《煤矿安全规程》(2004年)中第三百七十四条的规定。
3.3.9输送机各零部件的表面温度不得超过150℃,机械摩擦制动时,不得出现火花。3.3.10输送机长度超过100m时,应设置沿线紧急停车装置。3.4外观质最
3.4.1油漆的技术要求应符合GB/T10595—1989中3.12.2的规定。3.4.2输送机各零部件应具有光滑、整齐的轮廊,不应有明显的凹凸、缺口、卷边、夹渣等缺陷。3.5托辊
3.5.1托辊的直径系列见表1。
表1托辊的直径系列
输送带宽B
托辊直径d
输送带宽B
单位为毫米
托辊直径d
输送带宽B
托辊直径d
表1(续)
输送带宽B
MT820—2006
单位为毫米
托辊直径d
注:一定带宽的输送带,可有数种不同直径的托辑供选用配套,但托辊直径d的确定应满足托辑的最大运行转速不超过650r/min。
3.5.2托辑性能应符合MT821的规定。3.5.3在煤矿井下使用的缓冲托辊和回程托辊的缓冲环和圆环应以阻燃材料制造。3.6减速器
减速器的性能应符合MT/T681的规定。3.7软起动装置
3.7.1调速型液力偶合器的性能应符合MT/T923的规定。3.7.2限矩型液力偶合器的性能应符合MT/T208的规定。传动介质应使用难燃液。3.7.3矿用低压交流软起动器的性能应符合MT/T943的规定3.7.4其他软起动装置的安全性能应符合MT654和《煤矿安全规程》(2004年)的规定。加速度应可调,并且加速度不得大于0.3m/s。3.8制动器
下运带式输送机用制动器的性能应符合MT912的规定。3.8.1
3.8.2其他制动器的性能应符合相关标准的规定。3.9逆止器
3.9.1非接触式逆止器的技术性能应符合JB/T9015的规定。3.9.2接触式逆止器在正常工作情况下其温升应低于30℃。3.9.3在额定逆止力矩作用下接触式逆止器工作105次基本构件应不产生疲劳失效。3.10滚筒
3.10.1滚筒的基本尺寸应符合MT/T400的规定。3.10.2钢板滚筒加工后,筒皮壁厚b不低于(6-1)mm。3.10.3传动滚简外圆直径偏差应符合表2的规定。3
MT820-2006
滚简直径
>400~1000
表2滚筒外圆直径偏差
3.10.4在煤矿井下使用的胶面滚筒的胶层应为阻燃材料偏差
单位为毫米
胶面滚筒的胶层与筒皮表面紧密结合,在输送机工作时不许有脱层、气泡或开裂等缺陷。3.10.5
面胶的物理机械性能应达到下列要求:3.10.5.1
拉伸强度大于等于30MPa;
扯断伸长率大于等于450%;
扯断永久变形小于等于15%;
邵尔A型硬度:
传动滚筒为60~70ShoreA
改向滚筒为50~60ShoreA;
阿克隆磨耗小于等于0.7cm/1.61km;e)
老化系数(70℃×48h)大于等于1.2。3.10.5.2底胶的物理机械性能应达到下列要求:a)
拉伸强度大于等于30MPa
抗折强度大于等于6.9MPa,
耐热性不低于80℃
常温硫化后的橡胶包覆层与金属滚筒的剥离强度(与金属粘结180°,固化72h)应不小于d)
4.8kN/m;
加热硫化后的橡胶包覆层与金属滚筒的剥离强度(与金属粘结180°,固化72h)应不小于e)
9.8kN/m。
3.10.6滚筒装配时,轴承和轴承座油腔中应充以锂基润滑脂。轴承充油量为轴承间隙的2/3,轴承座油脂腔中应充满油脂。
3.10.7滚简装配后,其外圆圆跳动量应不大于表3的规定。表3滚筒外圆的圆跳动量
滚简直径
圆跳动量
光面滚筒
胶面滚筒
>800~1250
3.10.8滚筒装配后,应能灵活转动,所测得的滚筒静阻力系数值应不大于0.02。3.11输送带
3.11.1输送带的尺寸应符合MT/T1018的规定。单位为毫米
输送带的技术要求根据输送带的类别,应分别符合MT668、MT669、MT830、MT914的3.11.2
规定。
输送带机械接头技术条件应符合MT/T318.1的规定。3.11.4输送带胶粘接头技术条件应符合MT318的规定。3.12倾斜输送机
3.12.1下运输送机,应装设制动装置。不得出现输送带超速、滚料或输送带与驱动滚筒之间打滑现象。
MT820-2006
3.12.2上运输送机应同时装设防逆转装置和制动装置。停车后,不得出现自行逆转现象。3.13可伸缩输送机
3.13.1储带仓的储带长度应符合输送带的单元长度,单元长度不小于50m。3.13.2单元输送带之间的接头应坚固平整、受力均匀、工作可靠,不得降低输送带挠性。3.13.3中间架与输送带应装拆方便。3.13.4机尾移动要轻便、灵活,储带仓内的游动小车、托辊小车及每个滑轮均应动作灵活,不得有阻卡现象。
3.14波状挡边输送机
3.14.1输送机应配有防跑偏装置。输送带应运行平稳、对中,其挡边外侧与改向滚筒或托(压)带辊的端面不得接触。
3.14.2清料装置性能稳定,与输送带均匀接触。3.15管状输送机
3.15.1倾斜输送时不得出现洒料、卡料现象。3.15.2转弯输送时,输送带应保持对中、稳定运行,不得产生卡阻现象。3.16气垫输送机
3.16.1除盘槽气孔外,气室其余部位均不得漏气。3.16.2在气室全长范围内气垫应均匀、稳定。气垫最小厚度应大于输送带和盘槽表面局部所允许面轮廊度的总和,最大厚度不应使物料在运行中失稳或使输送带漂离盘槽。3.17装配要求
3.17.1所有零部件应经检验合格后方可进行装配。配套件、外购件应有合格证书。列人安全标志管理的部件应具有“煤矿矿用产品安全标志证书”。3.17.2总装配可不在制造厂内进行,但驱动装置等主要部件应在出厂前试装。3.17.3同一规格的机架应能互换。3.17.4直线段机架中心线直线度不大于表4的规定,并应保证在任意25m长度内的偏差不大于4mm。
表4机架中心线直线度的允许值
输送机长度,m
直线度,mm
输送机长度,m
直线度,mm
300~500
500~1000
1000~2000
2000~5000
3.17.5滚筒轴线与水平面的平行度公差值不大于滚简轴线长度的1/1000。100~300
3.17.6滚筒轴线对输送机机架中心线的垂直度公差值不大于滚筒轴线长度的2/1000,滚筒和托辊与输送机机架要对中,其对称度公差值不大于3mm。3.17.7驱动滚筒轴线与减速器低速轴轴心线的同轴度应符合GB/T1184-1996中10级要求,两驱动滚筒轴心线的平行度公差值不大于0.4mm。3.17.8托辊(调心托辊和过渡托辊除外)上表面应位于同一平面上(水平面或倾斜面)或者在一个公共半径的弧面上(输送机凹弧段或凸弧段),在相邻三组托辊之间其高低差值,固定式输送机不大于2mm,伸缩和吊挂式不大于3mm。3.17.9储带仓和机尾的左右钢轨踏面应在同一水平面内,每段钢轨的轨顶高低偏差不得超过2mm。轨道应成直线,且平行于输送机机架的中心线,其直线度公差值在1m内不大于2mm,在25m内不大于4mm,在全长内不大于15mm。轨距偏差不得超过士2mm,轨道接缝处踏面的高低差不大于0.5mm,轨缝不大于3mm。
MT820—2006
清扫器与输送带在滚筒轴线方向上的接触长度应大于带宽的85%。3.17.10
3.17.11加料口处的导料槽应具有良好的导料性能,导料槽底口的宽度不得大于输送带宽的80%。输送带接头的接缝处应平直,在10m长度上的直线度公差值不大于20mm,如图1所示。3.17.12
单位为毫米
图1输送带接缝
3.17.13各移动部件安装后,应移动灵活,调整方便。3.18整机性能
3.18.1输送机主参数应符合产品技术图样中所规定的数值。3.18.1.1带速:空载运行时带速偏差为十10%~一5%,额定负载运行时带速偏差不得超过一5%。3.18.1.2输送量:实测的输送量不低于额定值的95%。3.18.1.3功率:机长100m实测空载功率应不大于理论计算值;全长实测满载功率不大于额定值的105%。
3.18.2输送机起动加速度不大于0.3m/s;制动加速度不小于一0.3m/s。3.18.3输送机应运行平稳,不允许出现异常的振动及声响。在起动与运行过程中,输送带不允许有打滑和打带现象。负载运行时,所有转动件均能灵活转动。输送带在运行时,其边缘不得超出托辊管体和滚筒筒体的边缘。3.18.4
3.18.5制动装置和逆止装置工作应安全可靠。各机电保护装置和电控装置,应反应灵敏,工作可靠。3.18.6
输送机负载运行时,噪声值应不超过90dB(A)。大于90dB(A)时,应配备个人劳动保护用品。3.18.7
张紧装置工作时应灵活可靠。
3.18.9输送机负载运行时,所有液压元件不得有渗漏现象。3.18.10清扫器应性能稳定,清扫效果良好。4试验方法
4.1托辊
按MT821的规定进行。
4.2减速器
按MT/T681的规定进行。
4.3软起动装置
4.3.1调速型液力偶合器按MT/T923的规定进行。4.3.2限矩型液力偶合器按MT/T208的规定进行。4.3.3低压交流软起动器按MT/T943的规定进行。4.3.4其他软起动装置按相关标准的规定进行。4.4制动器
4.4.1下运输送机制动器按MT912的规定进行。4.4.2其他制动器按相关标准的规定进行。6
4.5滚筒
4.5.1滚筒胶层安全性能试验
4.5.1.1火焰燃烧试验
按MT113的规定进行。
4.5.1.2导电性试验
按MT113的规定进行。
4.5.2滚筒外圆圆跳动试验
MT820—2006
将装配好的滚筒安装在支架上,按图2所示将百分表测量头法向接触滚简外表面,滚筒转动一周后,从百分表上得出各位置的圆跳动量,取其中最大值。百分尺
夹持器
图2滚筒外圆圆跳动试验
4.5.3滚筒静阻力系数试验
将装配好的滚筒安装在支架上,按图3所示将一根两端装有盘子的细绳在滚简的中部缠绕3周,在两个盘子里预放相同质量的码,然后在一个盘子里增加码,直至滚筒旋转一周为止,测出此时增加磁码的质量AG,再按公式(1)计算滚筒静阻力系数AG
式中:
滚筒静阻力系数;
使滚筒旋转一周,在一个盘子里增加码的质量,单位为牛(N);-滚简转动部分质量,单位为牛(N)。滚简
图3滚筒静阻力系数试验
4.5.4滚简探伤试验
滚简焊缝和滚筒轴的探伤按GB/T10595—1989中3.43.5的规定进行。4.6输送带
根据输送带类别,按MT668、MT669、MT830和MT914各自的规定进行。4.7保护装置
按MT872的规定进行。
(1)
MT820—2006
4.8逆止装置
4.8.1非接触式逆止器按JB/T9015的规定进行。4.8.2接触式逆止器按相关标准的规定进行。4.9整机性能试验
4.9.1试验用测量仪器
测试用仪表的准确度应不低于1级,并按规定时限进行校验。4.9.2整机铺设
整机性能试验时,其铺设长度不得少于100m。当输送机实际长度小于100m时,铺设长度为全长。空负载试验运行2h,测定主参数和观察运行情况。4.9.3主参数测定
4.9.3.1带速
在输送机正常运转状态下,用带速测试仪测定输送机带速。4.9.3.2输送量
待输送机运行正常后,将输送机停车,与输送机相平行取任意长度然后测定在这一长度上堆积物料的容积或质量,并根据实测的带速来计算。4.9.3.3功率
在输送机保持正常运转状态下,用功率测试仪测定输送机功率。4.9.3.4整机噪声
整机噪声的测定方法及要求应符合GB/T3768—1996的规定。测点数量及位置如图4所示。测定距离d为1m,测试高度在减速器的中心平面上,取4点中的最大值。4
测试点
电动机
5检验规则
检验类别
减速器
图4噪声测点数量及位置
产品检验分为出厂检验和型式检验两类。产品检验前应进行装配检查,装配检查项目与检查要求应符合3.17的规定。
5.2出厂检验
出厂检验项目、检验数量与检验要求见表5。8
、整机检验
二、元部件检验
减速器
软起动装置
制动装置
输送带
保护装置
逆止装置
检验项目
外观检验
整机空载性能检验
检验项目
按MT821的规定
按MT/T681的规定
按MT/T923、MT/T208
和MT/T943的规定免费标准bzxz.net
按MT912的规定
a.胶层安全性能检验
b.外圆圆跳动检验
c.静阻力系数检验
d.探伤检验
表5出厂检验
检验数量
每台,漆膜附着力在不少于三个部件(如头架、中间架、尾架等)的非正视表面上,任选10个不同位置进行划痕检查
每年1台
检验数量
按MT821的规定
按MT/T681的规定
按MT/T923、MT/T208和MT/
T943的规定
按MT912的规定
a。全部
c.按10%抽取(至少1件)
d.按GB/T10595—1989的规定
按MT668、MT830和MT
按MT668、MT830和MT914的
914的规定
按MT872的规定
按JB/T9015的规定
按MT872的规定
按JB/T9015的规定
注:属外配套的元部件,由配套件生产企业按本表的规定进行检验。5.3型式检验
5.3.1凡属下列情况之一时,应进行型式检验:a)新产品或老产品转厂生产的试制定型鉴定;正式生产后,如结构、材料、工艺有较大改变,可能影响产品性能;b)
c)产品停产2年后,恢复生产时;d)国家质量监督机构提出要求时。MT820-2006
检验要求
按3.4的规定
按3.18的规定
检验要求
按MT/T821的规定
按MT/T681的规定
按MT/T923、MT/T208
和MT/T943的规定
按MT912的规定
a.按3.10.4的规定
b.按3.10.7的规定
c.按3.10.8的规定
d.按GB/T10595-1989
的规定
按MT668、MT830和MT
914的规定
按MT872的规定
按JB/T9015的规定
5.3.2带式输送机整机型式检验应在其主要元部件的型式检验及外观判定合格后进行,进行整机型式检验时不再重复进行主要元部件型式检验及外观检验。5.3.3带式输送机整机的型式检验项目与检验要求符合3.18的规定,检验数量为1台。5.4判定规则
5.4.1整机性能和滚筒检验项目的合格率应达到100%。5.4.2漆膜附着力等检验项目的合格率不低于80%。5.4.3托辑、减速器、软起动装置、制动器、输送带保护装置和逆止器等检验结果评定按各自标准中的规定执行。
5.4.4上述各检验项目的合格率都达到要求时,则该产品为合格品。如有任何一项的合格率低于规定值时,应对该项加倍复验,复验结果如达到要求,该产品仍属合格品;如仍不符合要求,则该产品为不合格品。
小提示:此标准内容仅展示完整标准里的部分截取内容,若需要完整标准请到上方自行免费下载完整标准文档。
标准图片预览:





- 其它标准
- 热门标准
- 煤炭行业标准(MT)
- MZ/T149-2020 行政区域界桩数据交换格式
- MT/T765-1997 液压支架用自动喷雾控制阀通用技术条件
- MT754-2005 小型煤矿地面用抽出式轴流通风机技术条件
- MT/T467-1996 煤矿用带式输送机设计计算
- MT/T311-1992 采煤机牵引液压系统滤油器型式和基本参数
- MZ/T150-2020 行政区域界线数据交换格式
- MT/T1170-2019 煤矿带式输送监控系统通用技术条件
- MT/T602.1-1996 发电煤粉锅炉用天府矿务局煤技术条件
- MT/T659-1997 GXS细粒分级筛
- MT/T341.1-1994 冶金焦用大屯煤电公司煤技术条件
- MT/T1105-2009 锚杆钻机用玻璃钢支腿
- MT/T1010-2006 矿井生产检查煤样采取方法
- MT298.1-1992 水泥回转窑用水城矿务局煤技术条件
- MT/T270-1992 同步带传动悬挂式摇床
- MT/T1063-2007 煤矿带式输送机滚筒技术条件
- 行业新闻
请牢记:“bzxz.net”即是“标准下载”四个汉字汉语拼音首字母与国际顶级域名“.net”的组合。 ©2025 标准下载网 www.bzxz.net 本站邮件:bzxznet@163.com
网站备案号:湘ICP备2025141790号-2
网站备案号:湘ICP备2025141790号-2