- 您的位置:
- 标准下载网 >>
- 标准分类 >>
- 公共安全行业标准(GA) >>
- GA 437-2003 机动车修理业、报废机动车回收拆解业治安管理信息系统数据交换格式
标准号:
GA 437-2003
标准名称:
机动车修理业、报废机动车回收拆解业治安管理信息系统数据交换格式
标准类别:
公共安全行业标准(GA)
英文名称:
Data exchange format for the public security management information system of the motor vehicle repair industry and the scrapped motor vehicle recycling and dismantling industry标准状态:
现行-
发布日期:
2003-05-30 -
实施日期:
2003-10-01 出版语种:
简体中文下载格式:
.rar.pdf下载大小:
256.37 KB
标准ICS号:
信息技术、办公机械设备>>信息技术应用>>35.240.99信息技术在其他领域中的应中标分类号:
综合>>社会公共安全>>A90社会公共安全综合
点击下载
标准简介:
标准下载解压密码:www.bzxz.net
本标准规定了机动车修理业、报废机动车回收拆解业治安管理信息系统进行数据交换时使用的数据交换格式。本标准适用于机动车修理业、报废机动车回收拆解业治安管理信息系统的数据交换。 GA 437-2003 机动车修理业、报废机动车回收拆解业治安管理信息系统数据交换格式 GA437-2003
部分标准内容:
本标准全邮技术内容为强制性,前言
GA437—2003
标准是机动车修理业、报度机动车回收诉解业冶安管理估息系洗系列标准之,该系列环准包括:
A435机动专替划业报机动车回收拆解业治安管理信总代码—44353机动车情理业、股安机动车回收拆解业治安管别信息系统数据压规范2GA437机动车锈理建、限避机实车,可收拆解业治安管理信良系统数批必换密式3GA433机动金情型业、液废机动车回收拆解业洽发管理信系统技术规范3本标准中公安部洽安些理冠提业,本殊准由公安部计算机与信息处埋标准化技术委员会凹I1.本标准由公发部洽安智谨高,北赢科瑞高执术开发胺份有限公司起草。本标准主要起革人:恪独鸣、许传择、马同生、马检。本标准出公安部治安管理局负责新帮。1范围
机动车修理业、报废机动车回收拆解业治安管理信息系统数据交换格式GA437—2003
本标术规定了机动车修坦业、度机动车回收拆解业治安誉理信息系统进行数据炎换时使月的数据交换范式
手标准适州于机动军静辉业,报域机动4回收拆解业治安管理信息系统的数据交换。2规获性引用文性
下列文件中的条款通注六标准的引用而成为本标准的条款。凡是往口期的引用文件,其随后新有的收单:不包括断送的内率)或降订版凸不适用牢标难,然而,载缺制本标准达就协议的各方划究是否可使用这些文件的展新版本。凡是不注万期的引用文件,其最新版本适用亍本标准,GB2312售息交按用双字编码等等集基本案;B/12402轻济美型分类与代码
治803;治息技术信息交晚议字编码学释集甚卒案的护充GA,1机动车登记信息代码第4部分:机动车辆类型代码(:A24.8机动车暨记信息代剪R部分:机动车车颜色基本色周代码心A1.23机动车登记信息代码第20部分:身价证期名称代,疗A:金国公安机关机构代码绵制规则GA137,2进口批动车制造厂品牌名称代码第2部分:车螨品牌名称代码1A4352003机动错理业,报废机动车收源解业治管率信息代码CA436—2004机动修刑业、报废机动车回收拆解业治安管理信总票统数据库规范3机动车修理业治安管理信息票统数据交换忏式3.1企业同步惜息
企收同步信息交换格式以考1.
表1企业同步信息交换格式
第月今称
记录前宁符
汇来作符
企业代码
企业务称
企业理二
联系电话
同为\JXTBCY\,右补空,所有www.bzxz.net
2- 到除
接(45-2中31的就定
GA 457—2003
朗激缩均
经济类型
沃人忙码
顽目名栋
弦意代表人
的责人
伙上部门电话
崇世苑田
卢能血
安督理凯构
正誉理机将名部
待行督董综号
持行备案机构
特1备案凯构名你
行业许可延号
打业证亚证发证划均名动
代业产照频步
营业状照发机均名将
税务登记证期学
务登记证证以再
3.2从业人员统计信息
从业人员统计信息必按格式见表2。变1绞
(宁节)
格点:YYYYMMDD
按118457的规定
单:人民
产:平力米(m)
拆GAHK的规
GA3的规足
表 2 以业人员统计信患交换格式可目名称
记最导符
汇总单位
总4北月份
高中含以下人员总察
高中以上本称(含:以下人负
本样以上人的总效
企业十推了.职暂性人民总数
固完\XK*,市外室格,所有母
按GAH&的规定
格式YYYYMM
3.3企业发案统计怕息
企业发案统计信息交换格式见表,表3企业发家统计信急交接情式
汇总益位
项目名称
汇总年肥月针
月到事案件数所
当月险安患伴目
企业处翻统计信息
企业处试绝比信息交换资式见表1,类型
(学节)
CA 4372003
定为\JXTJFA\,右补空恪:所有学母按(4A38的款定
格式:YYYYMM
表 4企业处谢统计信息交换格式序号
项目称
记求前学得
汇总单位
汇总年月份
当月晋告次款
当月元没次效
当月产吊次数
当月迫究决效
当月其外大次效
承修车辆统计信息
承修车辆统计信息交换格式更走5,亮型
固定\”,右空所有
按AG的我定
格:YYYYMM
资GA1a
2G03 的 3. 3 +规定物\1\
项进行绕训
按GA4.352003的3,7中比室的2
-3”-4\可合女洗计
快[iA 4.5—:0n3 的 3 3 中规定的\5\“6还合步统让
拉GA4352003的3中理定的-7~
项训行练升
按;4425—563内3.3巾载定的\\:项进行统计
表5承龄车辆疏计信奥交换格式
项名你
证录临导行
汇总位
汇总年度月必
定XI“有初京格有了步
80的定
,YYYYMM
GA 437—2003
功目名称
当月承献事十次题
当月承饮货十次数
★月承锈学机车次数
当月承陆其拍的动卡次取
当月上报享检车总政站
当刀上报叫就车总次效
比对报警统计估息
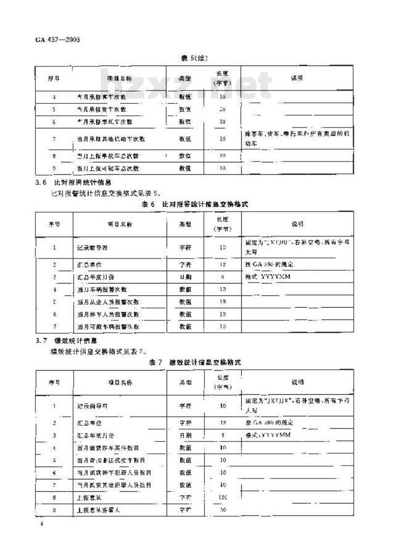
比刘求警统计信息变换格式见表5.表5(续)
(字)
除客车、货车,摩书室外所有类型的机动车
表 6比对报管疏计作感立换格式辛号
目名称
记承前导符
江总单位
汇总年度儿份
当车拟次购
当从业人外报置次效
月人报次购
当月可疑车辆抵置次数
绩效统计储息
续效统计信良交换格式划表了,序号
项目名称
记示前导村
汇总单位
严总年海月学
当月教车深斗效目
当月:口达中致目
当月诚获涉市犯罪人员目
月英其单人效月
上报意,州
上报意W.册元
(学节)
姓统计储息交按格式
定为\XIJHJ\右补空络,所有字寻写
按 GA H的规定
式YYYYMM
固定\JTJX\,右空格,所存
按GAXXI的现定
帝#:YYYYMM
3.B承撞车频查询基本信息
承接车辆查询基本估应交换势式见表2。系8承接车耦查询基本信息变换格式序
项官名称
己录的导对
登记序→
企业名称
与病类型
病类型择
本衡品牌名环
车身王色各称
第器色名称
第二轴色各称
车牌号
发动折寸
《学)
报废凯动车回收拆解业治安普理信息系统数据交换格式企业同步信息
企业同步信息交换格比见表9。
表9企业同步信息交换格式
目名种
汇录靠导符
记来类州行
企业码
企业名善
人业地所
联系电话
邯敏泻的
GA 237—2D03
做定步-1XCXCL\.右扑空格.有字母托 GA
2.>3中3.2的规定
传GA2,中煤是的大类代码
按GA7.2吃视
按车身卡色,第输色,第二抛色的取产填导.期包代巧楼GA24.e的规定2个汉学
个反学
2个没学
引定为\LIBQY\:石扑空格·所有宇母0
1一改
按:A 235—x3 中 3. 1 的规定
GA 4372003
开业日期
出人代码
地日务称
法定人
治安中人
保卫部门电话
出册资本
与诺费
拾安智理机构
格安理机构名释
特行备案辅号
特行备案机构
特行备案机构名称
行业正本
行立竹可证发证机垒路
营热照编号
营收执质爱证机均名称
税奔象记证编号
程务导证适放证祝物者称
从业人员统计信息
以业人总统计信息交换格式见表10。兼然)
(学梦)
格YYYYMMDD
控GB/T124C2的规定
单位:万元《人民市)
单位方
接 GA380的规定
技GA480的规定
从业人员维计惜息空换格式
安国名种
记录导符
汇点单业
产总年质月份
高中(含)以下人问总数
高上车研(含)以下人以
血科以三人见总数
全业,产亚者作人尚总款
(字节)
玉定为\CTTJRY\亡补空情,所有字牛「大与
按的规定
格元,YYYYMM
4.3企业发案统计值息
企业发亲统让信息资换格式究表11表11企业发练计倍总交换式
项口名种
表驻导符
汇总单位
江总年退月份
当月出率来件效口
当儿治安案件效目
企业些罚统计信息
企业处罚统计信息交换格式见表12,滋盘
(宝节)
GA4372003
团为\CJJF:右补空格所有字
培A380的频定
格兹:YYYYMM
表12企业处翻统计信愿交快格式序号
汇总护位
项目名必:
汇总斗库月分
学月害告改效
具闭证次数
当停吊次数
学后追齐达款
当习其他处罚汰数
回收报废车辆统计信息
回收扭度车统计信息交换格为见支11。长安
le定为\CJJrP\,五补空格-所弃字:按《AC的定
格式:YYYYMM
接(:A 4- -2(: 的 3. H 中她定的\1\项连行统计
按GA4352C03的7.+理定的\2*,*3\\4\或音并晓计
按A4.35—2003的3,中定的5~
“6\原音流计
按GA435-2003的3.3中规定的\\项进行鉴计
按A455·-2003的3.3巾规的~0*
功进行航计
表13回收按度车辆统计估息交换咨式序号
日名球
记录前导益
汇总单位
汇总资月税
(字书)
固定“\若补空格所有字母
按8的规定
格去:YYYYMM
GA 4372003
项目么荐
当月回收客车激
当月回孜货有数
当月回投障托事社
当月回收,其低机动车壮
【当月上报可账女总该数
4.6比时报警统计信息
点对报警统计信息交换格式现表1413(续)
除客本,气车、度托车外所布类盘的况+
赛14比对拒警续计信息交换格式e
月名称
「汇单单位
【汇总年变月份
当月车辆誉收
崇儿从业人员拟警达数
点儿车人员报客收款
当儿可是车辆求警收教
绩效筑计值息
绩数统计信总交换格式见表15:美
(节)
因定为CITBJ\,心补空情所有字丹大马
抗心1380规起
格,YYYYVM
表15绩效统计倍息交变换格式
项身名格
记录前号符
江总总位
江总年山
加年非然机这车数目
当月新业法车犯要人另数
出月折业其恒率人数所
上报资更
上报意见务署人
(宇尚)
正为\JTIX\,准外容挤,所有学大写
技GA轮
i格式:YYY?MM
4.8报成车辆查询值点
退废车辆查谢信总交换格式见装1元表16报座车辆查询信息交换格式*号
项名称
记实前导
国收序号
以收企名称
车牌号
车朝奕典名称
爱新故号
方间号
变速号
前后心
斗架号
选十人姓名
送千人证件类迟
近市人名
送本人证料号码
瓶速证明期导
拆境证归发证机构名票
国收还明端号
收车人理名
群体批改卡
杯体企“电称
群术日期
执行人
监督人
学字符
GA437——2003
固定为“Xx1\右补至格,新有动按GA435-2003牛3.2的址定
格武:YYYYMMThhm
拖GA24,4中规定的大类代码
按行A 21.20的规定
去示方然13径企业代微指4一
203十3.的效足+立年
(Y)4位原序号)
站式:YYYYM
听有字符采注GH2312中规定的宇符:GB2312中设有规定的字符,采HGH18030中规忘的字符。所有数据项在起填写,对了互定长度的数据攻,数据项长度不足时,用第空格(!)补足,对二变长这的数谢项效拆长度不能妞过规定医压的录人值,小干最人值印,果用其实际长度,
小提示:此标准内容仅展示完整标准里的部分截取内容,若需要完整标准请到上方自行免费下载完整标准文档。
GA437—2003
标准是机动车修理业、报度机动车回收诉解业冶安管理估息系洗系列标准之,该系列环准包括:
A435机动专替划业报机动车回收拆解业治安管理信总代码—44353机动车情理业、股安机动车回收拆解业治安管别信息系统数据压规范2GA437机动车锈理建、限避机实车,可收拆解业治安管理信良系统数批必换密式3GA433机动金情型业、液废机动车回收拆解业洽发管理信系统技术规范3本标准中公安部洽安些理冠提业,本殊准由公安部计算机与信息处埋标准化技术委员会凹I1.本标准由公发部洽安智谨高,北赢科瑞高执术开发胺份有限公司起草。本标准主要起革人:恪独鸣、许传择、马同生、马检。本标准出公安部治安管理局负责新帮。1范围
机动车修理业、报废机动车回收拆解业治安管理信息系统数据交换格式GA437—2003
本标术规定了机动车修坦业、度机动车回收拆解业治安誉理信息系统进行数据炎换时使月的数据交换范式
手标准适州于机动军静辉业,报域机动4回收拆解业治安管理信息系统的数据交换。2规获性引用文性
下列文件中的条款通注六标准的引用而成为本标准的条款。凡是往口期的引用文件,其随后新有的收单:不包括断送的内率)或降订版凸不适用牢标难,然而,载缺制本标准达就协议的各方划究是否可使用这些文件的展新版本。凡是不注万期的引用文件,其最新版本适用亍本标准,GB2312售息交按用双字编码等等集基本案;B/12402轻济美型分类与代码
治803;治息技术信息交晚议字编码学释集甚卒案的护充GA,1机动车登记信息代码第4部分:机动车辆类型代码(:A24.8机动车暨记信息代剪R部分:机动车车颜色基本色周代码心A1.23机动车登记信息代码第20部分:身价证期名称代,疗A:金国公安机关机构代码绵制规则GA137,2进口批动车制造厂品牌名称代码第2部分:车螨品牌名称代码1A4352003机动错理业,报废机动车收源解业治管率信息代码CA436—2004机动修刑业、报废机动车回收拆解业治安管理信总票统数据库规范3机动车修理业治安管理信息票统数据交换忏式3.1企业同步惜息
企收同步信息交换格式以考1.
表1企业同步信息交换格式
第月今称
记录前宁符
汇来作符
企业代码
企业务称
企业理二
联系电话
同为\JXTBCY\,右补空,所有www.bzxz.net
2- 到除
接(45-2中31的就定
GA 457—2003
朗激缩均
经济类型
沃人忙码
顽目名栋
弦意代表人
的责人
伙上部门电话
崇世苑田
卢能血
安督理凯构
正誉理机将名部
待行督董综号
持行备案机构
特1备案凯构名你
行业许可延号
打业证亚证发证划均名动
代业产照频步
营业状照发机均名将
税务登记证期学
务登记证证以再
3.2从业人员统计信息
从业人员统计信息必按格式见表2。变1绞
(宁节)
格点:YYYYMMDD
按118457的规定
单:人民
产:平力米(m)
拆GAHK的规
GA3的规足
表 2 以业人员统计信患交换格式可目名称
记最导符
汇总单位
总4北月份
高中含以下人员总察
高中以上本称(含:以下人负
本样以上人的总效
企业十推了.职暂性人民总数
固完\XK*,市外室格,所有母
按GAH&的规定
格式YYYYMM
3.3企业发案统计怕息
企业发案统计信息交换格式见表,表3企业发家统计信急交接情式
汇总益位
项目名称
汇总年肥月针
月到事案件数所
当月险安患伴目
企业处翻统计信息
企业处试绝比信息交换资式见表1,类型
(学节)
CA 4372003
定为\JXTJFA\,右补空恪:所有学母按(4A38的款定
格式:YYYYMM
表 4企业处谢统计信息交换格式序号
项目称
记求前学得
汇总单位
汇总年月份
当月晋告次款
当月元没次效
当月产吊次数
当月迫究决效
当月其外大次效
承修车辆统计信息
承修车辆统计信息交换格式更走5,亮型
固定\”,右空所有
按AG的我定
格:YYYYMM
资GA1a
2G03 的 3. 3 +规定物\1\
项进行绕训
按GA4.352003的3,7中比室的2
-3”-4\可合女洗计
快[iA 4.5—:0n3 的 3 3 中规定的\5\“6还合步统让
拉GA4352003的3中理定的-7~
项训行练升
按;4425—563内3.3巾载定的\\:项进行统计
表5承龄车辆疏计信奥交换格式
项名你
证录临导行
汇总位
汇总年度月必
定XI“有初京格有了步
80的定
,YYYYMM
GA 437—2003
功目名称
当月承献事十次题
当月承饮货十次数
★月承锈学机车次数
当月承陆其拍的动卡次取
当月上报享检车总政站
当刀上报叫就车总次效
比对报警统计估息
比刘求警统计信息变换格式见表5.表5(续)
(字)
除客车、货车,摩书室外所有类型的机动车
表 6比对报管疏计作感立换格式辛号
目名称
记承前导符
江总单位
汇总年度儿份
当车拟次购
当从业人外报置次效
月人报次购
当月可疑车辆抵置次数
绩效统计储息
续效统计信良交换格式划表了,序号
项目名称
记示前导村
汇总单位
严总年海月学
当月教车深斗效目
当月:口达中致目
当月诚获涉市犯罪人员目
月英其单人效月
上报意,州
上报意W.册元
(学节)
姓统计储息交按格式
定为\XIJHJ\右补空络,所有字寻写
按 GA H的规定
式YYYYMM
固定\JTJX\,右空格,所存
按GAXXI的现定
帝#:YYYYMM
3.B承撞车频查询基本信息
承接车辆查询基本估应交换势式见表2。系8承接车耦查询基本信息变换格式序
项官名称
己录的导对
登记序→
企业名称
与病类型
病类型择
本衡品牌名环
车身王色各称
第器色名称
第二轴色各称
车牌号
发动折寸
《学)
报废凯动车回收拆解业治安普理信息系统数据交换格式企业同步信息
企业同步信息交换格比见表9。
表9企业同步信息交换格式
目名种
汇录靠导符
记来类州行
企业码
企业名善
人业地所
联系电话
邯敏泻的
GA 237—2D03
做定步-1XCXCL\.右扑空格.有字母托 GA
2.>3中3.2的规定
传GA2,中煤是的大类代码
按GA7.2吃视
按车身卡色,第输色,第二抛色的取产填导.期包代巧楼GA24.e的规定2个汉学
个反学
2个没学
引定为\LIBQY\:石扑空格·所有宇母0
1一改
按:A 235—x3 中 3. 1 的规定
GA 4372003
开业日期
出人代码
地日务称
法定人
治安中人
保卫部门电话
出册资本
与诺费
拾安智理机构
格安理机构名释
特行备案辅号
特行备案机构
特行备案机构名称
行业正本
行立竹可证发证机垒路
营热照编号
营收执质爱证机均名称
税奔象记证编号
程务导证适放证祝物者称
从业人员统计信息
以业人总统计信息交换格式见表10。兼然)
(学梦)
格YYYYMMDD
控GB/T124C2的规定
单位:万元《人民市)
单位方
接 GA380的规定
技GA480的规定
从业人员维计惜息空换格式
安国名种
记录导符
汇点单业
产总年质月份
高中(含)以下人问总数
高上车研(含)以下人以
血科以三人见总数
全业,产亚者作人尚总款
(字节)
玉定为\CTTJRY\亡补空情,所有字牛「大与
按的规定
格元,YYYYMM
4.3企业发案统计值息
企业发亲统让信息资换格式究表11表11企业发练计倍总交换式
项口名种
表驻导符
汇总单位
江总年退月份
当月出率来件效口
当儿治安案件效目
企业些罚统计信息
企业处罚统计信息交换格式见表12,滋盘
(宝节)
GA4372003
团为\CJJF:右补空格所有字
培A380的频定
格兹:YYYYMM
表12企业处翻统计信愿交快格式序号
汇总护位
项目名必:
汇总斗库月分
学月害告改效
具闭证次数
当停吊次数
学后追齐达款
当习其他处罚汰数
回收报废车辆统计信息
回收扭度车统计信息交换格为见支11。长安
le定为\CJJrP\,五补空格-所弃字:按《AC的定
格式:YYYYMM
接(:A 4- -2(: 的 3. H 中她定的\1\项连行统计
按GA4352C03的7.+理定的\2*,*3\\4\或音并晓计
按A4.35—2003的3,中定的5~
“6\原音流计
按GA435-2003的3.3中规定的\\项进行鉴计
按A455·-2003的3.3巾规的~0*
功进行航计
表13回收按度车辆统计估息交换咨式序号
日名球
记录前导益
汇总单位
汇总资月税
(字书)
固定“\若补空格所有字母
按8的规定
格去:YYYYMM
GA 4372003
项目么荐
当月回收客车激
当月回孜货有数
当月回投障托事社
当月回收,其低机动车壮
【当月上报可账女总该数
4.6比时报警统计信息
点对报警统计信息交换格式现表1413(续)
除客本,气车、度托车外所布类盘的况+
赛14比对拒警续计信息交换格式e
月名称
「汇单单位
【汇总年变月份
当月车辆誉收
崇儿从业人员拟警达数
点儿车人员报客收款
当儿可是车辆求警收教
绩效筑计值息
绩数统计信总交换格式见表15:美
(节)
因定为CITBJ\,心补空情所有字丹大马
抗心1380规起
格,YYYYVM
表15绩效统计倍息交变换格式
项身名格
记录前号符
江总总位
江总年山
加年非然机这车数目
当月新业法车犯要人另数
出月折业其恒率人数所
上报资更
上报意见务署人
(宇尚)
正为\JTIX\,准外容挤,所有学大写
技GA轮
i格式:YYY?MM
4.8报成车辆查询值点
退废车辆查谢信总交换格式见装1元表16报座车辆查询信息交换格式*号
项名称
记实前导
国收序号
以收企名称
车牌号
车朝奕典名称
爱新故号
方间号
变速号
前后心
斗架号
选十人姓名
送千人证件类迟
近市人名
送本人证料号码
瓶速证明期导
拆境证归发证机构名票
国收还明端号
收车人理名
群体批改卡
杯体企“电称
群术日期
执行人
监督人
学字符
GA437——2003
固定为“Xx1\右补至格,新有动按GA435-2003牛3.2的址定
格武:YYYYMMThhm
拖GA24,4中规定的大类代码
按行A 21.20的规定
去示方然13径企业代微指4一
203十3.的效足+立年
(Y)4位原序号)
站式:YYYYM
听有字符采注GH2312中规定的宇符:GB2312中设有规定的字符,采HGH18030中规忘的字符。所有数据项在起填写,对了互定长度的数据攻,数据项长度不足时,用第空格(!)补足,对二变长这的数谢项效拆长度不能妞过规定医压的录人值,小干最人值印,果用其实际长度,
小提示:此标准内容仅展示完整标准里的部分截取内容,若需要完整标准请到上方自行免费下载完整标准文档。
标准图片预览:





- 其它标准
- 热门标准
- 公共安全行业标准(GA)
- GA436-2003 机动车修理业、报废机动车回收拆解业治安管理信息系统数据库规范
- GA136-1996 软垫家具易燃性的实验和分级方法
- GA557.2-2005 互联网上网服务营业场所信息安全管理代码第2部分:营业场所营业状态代码
- GA55-93物 通用标签
- GA233.4-1999 旅馆业治安管理信息基本数据交换格式第4部分:旅馆处罚结果基本数据交换格式
- GA/T1030.3-2017 机动车驾驶人考场使用验收规范第3部分:道路驾驶技能考场
- GA240.2-2000 刑事犯罪信息管理代码第2部分:专长代码
- GA301.3-2001 看守所在押人员信息管理数据交换格式第3部分:监管业务指导部门信息数据交换格式
- GA557.11-2005 互联网上网服务营业场所信息安全管理代码.第11部分:营业场所运行状态代码
- GA/T1049.2-2013 公安交通集成指挥平台通信协议 第2部分 交通信号控制系统
- GA/T1066-2013 居民身份证阅读器校准规范
- GA/T1254-2015 公安信息网信息安全事件分类与代码
- GA557.12-2005 互联网、上网服务营业场所信息安全管理代码第12部分:审计规则代码
- GA610-2006 互联网信息服务系统安全保护技术措施数据格式
- GA611-2006 互联网信息服务系统安全保护技术措施技术要求
- 行业新闻
请牢记:“bzxz.net”即是“标准下载”四个汉字汉语拼音首字母与国际顶级域名“.net”的组合。 ©2025 标准下载网 www.bzxz.net 本站邮件:bzxznet@163.com
网站备案号:湘ICP备2025141790号-2
网站备案号:湘ICP备2025141790号-2