- 您的位置:
- 标准下载网 >>
- 标准分类 >>
- 邮政行业标准(YZ) >>
- YZ/T 0021-2000 邮袋
标准号:
YZ/T 0021-2000
标准名称:
邮袋
标准类别:
邮政行业标准(YZ)
标准状态:
已作废-
发布日期:
2000-08-01 -
实施日期:
2000-11-01 -
作废日期:
2007-01-01 出版语种:
简体中文下载格式:
.rar.pdf下载大小:
356.61 KB

点击下载
标准简介:
标准下载解压密码:www.bzxz.net
本标准规定了邮袋的型号、类别、技术要求、试验方法、检验规则、包装、标志和贮存。本标准适用于封发邮件时所用邮袋的生产和检验。 YZ/T 0021-2000 邮袋 YZ/T0021-2000

部分标准内容:
中华人民共和国邮政行业标准
YZ/T0021-2000
代替YD/T632-93
YT)/T 638.9 - 93
Mailbag
2000-08-01发布
国家邮政局
2000-11-01实施
YZ/T0021-2801
引用你准
产品分类
技术要求
试验方法
检验测测
产品包装
产品称志
YZT0021-2000
标准对YD/T632-93邮我》和YD/T638.9-93《川落型专市名为法》的修订,并游两项标消个并为一个标准,
本标准中保了YD/T632-93和YD/T638.9-93中5然适H的内弃,根携近年来的使用情况作了如修订:
1)版消广邮政使件邮奖
2)邮袭版丽印刷内容有所变论“中国人双邮政”改为“中国邮政”字样,取消国内航空邮袋工“航邮件”学样。
3!了部费自料的效取范国:井做了经效教的装术求。4)增加了邮羧出」检验和式检频要求。5)计整单您采用公称号数,
本标准于19年首次发布,1993年多月第一次整订,18年5月第三次修订,本标准从生效之11起,时代替YD/T63293和YD/T638.9-93。本标滩用国家邮峻局科学研究地划院提出并归口本标准起营单位:天洋普天通信设备厂本标准土要起节人:刘逆背
逆密珠
土洪萨
中华人民共和国邮政行业标准
Mailhag
YZIT6021-Z00U
代替YD32-93
Y1T 635.4-93
本标准规定了小奖拍要、类别,设术要求、试监方法、检验规则,包装,标志和存。本协准适用十对发件时所用期接的生产和检验。2引用标准
下列标准所包含的案义,逆过在本标准:引月市构成为本标演的条文,未标准出版时,所示版本均为有效。所标准都会被像订,使用本标准的各方应深讨使用一列标准最新版本的可能性。GB2828-87
魂批检吉计数抽样瑞序及独样老(适用十连续批的检查)纺织品作牢度试验耐洗色牢度:试验1GB/13921.1-1597
(B3923.1-1997勃织品织物拉回偿能菊-部分:机要强小和断裂仲长率的测宝条伴法GA/T466R-1995
GB4744-84
FZ/T10003-02
YD/T854-1996
3型号
3.1型号成
机织物率的测定
纺织物抗浓水性测定方法
帆市织物试验方法
邮政特快专递业务储标
静水压试验法
型号出专业代号、主称代号,限离符专,序号、医分代专凯成。3.2
型号格式
型号格式如图所小
区分代号
阳离裕号
上代号
专业化号
图1型号格式的示总
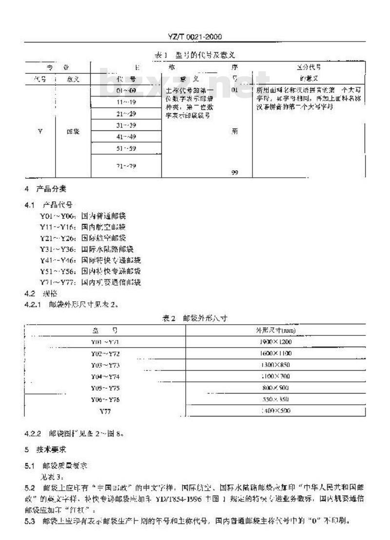
3.3型号的代号及总义
型号一各组或部分的代及意文比表1.当家邮致局2000-08-1批准
2000-11-01实施
4产品分类
4.1产品代号
11-·19
41--49
51--59
71--79
YO1~YOo:国内音通邮袋
Y11--Y16:国内前空山楼
Y21--·Y26:国际航牢邮
Y31~Y36:国际水附路袋
Y41-Y16:国际特快专递邮范
Y51~·Y56:国内特快专递邮袋
Y~77:国内要通装
4.2规格
邮蒙外形尺计见太2。
YIH ~1
YU2--Y72
YU3-Y75
YUA~Y74
YU5-- Y75
YO6--Y76
4.2.2邮图见2图8
5按术要求
5.1邮质要求
池表3:
YZ/T 0021-200D
表 型的代及志义
士孕张专的第一
价字示服带
种,第一世数
字衣印袋袋号
表2邮袋外形人寸
关分代导
所用面端名称没谱拼高法第个大耳宇所如字学相同,再上面料名称汉至拼音的第一个大写字
外形尺D)
J9X)X [2D0
1400×110)
1300X850
:100x700
SUOXSX
:40X5x
邮袋上应印有“主国政”的中文产样,网际空,国环水陆路邮整必女印“中华人民共和国邮5.2
收\的总文车样,特快专递邮煲成如Y1/1854-1必6十图1规定的特专业务激标,国内机双倍邮袋应加“红杠”:
5.3邮袋上应印有表小邮较坐产卜则的年号和土你代号,国内酋通邮装主你气号中的“0”不门刷。2
YZT (021-2000
95--15X
EA--[EA
901-101
传会谈
5's--1's
S'E~ TE
SE--r'E
坚快史
(9t Gst
S1-*02+
00%×009
OSR X DE1
GOTIXCOM1
i tel 2-7-
1 0021
Chsa x.cOET
【×]
YZ/T 0021-2000
95.元~11.A
90元10.元
商有限
Sf--t2
1-*+j ascx055
0os nt s2
ST-02+00507
tst + 61
rxsa, ixs
0sx00tT
1+NSt.; Ix s *Ut+ 05Ex(Ss
ExRz 1×1951-:0z+00sx00g
95 EGT
1t9t : Ix29
[Ex纪
61 / x
谨资量
aui/)
YZT0021-2000
5.4国际特快专递袭,彩条宽5.5cml,盗,黄相间,从右F.率左“倾料45”:5.5国内特快专递邮袋,彩条案5.5cm,红、白相恒,从名上至左下顺斜45°。5.6
国际新空费、国必款产邮用汽艳监券经市缆制:5.7
邮袋二的标志,字你均案照鱼两面期间,屌底附老牢固.5.8邮您于的整述图冕,高!下利不在选的距离不零超过图妖规定的3%,提料不得超过!°5.9非袋上的注污不得超运2前,5.10邮您面料应均封,经不得超过7cm,每1cm缺纬不得通过0.76根5.11涤终布与中必应达到3-4级
5.12棉帽布邮换用棉线经制涤给布邮装用涤纶线刷。5.13国内普通、国内机要,因标水陆路3种邮袋的1号,2号袋,在链制,加双底、加提于5.14缝中断或姚线不许超过4针,缝制处不充许露毛边。5.15账口包边用麻筛,绳头应对接,特限不应起过2cm,拼接不应超适3cm5.16涤纶面料邮袋,可以采日侦条包边。粘条尺寸见表3:5.17当邮袋采氏防面样时:断裂强力不低于表3中的要求,能袋静水压虚达到2%内(2MmmH,O),分差-6%:泌海10次后静水业应人-F2kP(200mmH0)5.18当采用其它面料制作邮装时,其断裂强力,密度不得低于表3中的要求、5.19当制片降济塑袋时:1号,2号邮较断级强力经向不低于B10N:能向不低于520N:3写、4、、接断经向不低430N、绒肉不低319。5.20特需邮袋按需生产,其质盘应符合衣3中为要求.6试验方法
6.1邮袋用个断部典力、长率试验:6.1.1邮签用桶布断裂强,力,伸长率试验,按FZ:T[01003规定执行6.1.2邮数用涤轮行断裂强力、伸长率试验,按G摄T3923.1航定执行。6.2=袋周布密度试,按B/T4668规定执行:6.3装这体中度的试验。
日.3.十邮您上的能体图案,单于模应不花不行。6.3.2洗衣机洗,在水温不些60亡,其中水1Skg,碱面0.05kg或洗逸液0.025kg),洗涤10min后,字体应不落:
6.4耐洗色空反试验,按G羽/T3921.1规定热行。6.5必水面料静水玉试验,按G4744规定热16.6月量长按5.1中的规格、针码、巍真径成条究、原度、对5.4、5.5、5.8、5.9、5.10、5.14、5.15、5.16节的规定进行检务:
6.7对5.1中线道数以及5.2、5.3、.6,5.7,5.125.13共中的规定过行已测,7检验规则
邮范检验分为出厂检险和型式检险两种:7.1出验验
了.1.1以发运的同一型号的多费数进为一批。邮找出厂按衣4的观定殖机抛取挖整样本,样本单位为条,抽数量,检查水半发会格压量水平(4Q+见表4。7.1.2判定则
7.1.2.1不格品
每条样品按第6章试验为法,检验表4规定5.25.7、5.13节检验项日,有1项或」项以上技术案求效有达到,该产品为不合咯品。5
批单条)
501-1200
120!-3202
3201-100
1001~350x
35(0115000)
ISHJH--50WYK
YZ/T 0021-2000
表4出检验扯样方案
般控查水平\的:次的择方来
样本人小
格验项E
5节十的济,好数、计证,麻轻
盗条宽厚出项费求
5.2-5. 10 节,
5.12~5 16 5
效条拦品该第6卓访频方法,检验表4现定收5.1节中地格,链线道数,-码,联绳栏或粘条实厚度4项理求,5.8~5.14,5.12,5.14~5.16节检验或日,部有3须成3项以技术要求没有达到,多产遇为不金轻非
7.12.2个格批
详本中的不合格录数等或人一不会格关,起数(Re)样本所代表的该批产山为不合择此:E时对批产品可让行选,别出不合格品5,再进行多检。进打复检对,按G28288?中表4均道一次抽样方案的规定进行:如妄控见不个格,则整搬产品不很止厂,并且不允许实提交。了2型式培验
7.2.1型式检监的质期为一年,但有一划情说之-时,可进行式资验。1)质率监督机构提出进行抢验要求时;2:枣控似料吨:
3)停产半年以1重新牛产时。
7.2.2抽样
型式惊验独轻应从兰年牛产的并丝也检验合培的产的一按表5的激定确乱拥及控样本,样小单位为条。油样数安、检合水下及不台格质量水平(RQL)见衣5。衣5型式抢验拆样方害
别水平「抑热抽杆方率
祥太少
7.2.3划定规则
EQL=ID
5:非密密度、长率,断提力3表,5.J1书,5.17-5.J9节
7.2.3.1每条样品孩蒙6竞试验方法,检验表5定的各项拉验项片,如有项或1项以上技术更求效有达到,该产品为不个格品
7.2.B.2样本中,若不会格比数小于或等于存格划定数(Ac),则型式验合格。花不台格品数大丁成等于个合格判定数(R),测型式检验不合格。B产品包装
邮接山厂均用本型号间施成包包装:明布接内装9条:滤纶布转内装19条日产品标志
YZ/T 0021-2000
的趋出!,应有产品合格证,其内容如下:α)生产厂名称;
h)产是名称:
e)产品型号或标
e)生产“期;
f)质量检查员E1单.
=袋应存生干候避风的地方,购行6个月度例操次。
16x110U
1300x850
BUUxSUI
55Ue3Su
YZ/T 0021-2000
中国邮政
国内普邮华
单位:mm
加双床,提于
如双宗、报手
1900X1203
1600X1100
E30HX XSU
1100700bzxz.net
550×350
YZ/T0021-2000
中国邮政
且内航空部装
单位:mm
小提示:此标准内容仅展示完整标准里的部分截取内容,若需要完整标准请到上方自行免费下载完整标准文档。
YZ/T0021-2000
代替YD/T632-93
YT)/T 638.9 - 93
Mailbag
2000-08-01发布
国家邮政局
2000-11-01实施
YZ/T0021-2801
引用你准
产品分类
技术要求
试验方法
检验测测
产品包装
产品称志
YZT0021-2000
标准对YD/T632-93邮我》和YD/T638.9-93《川落型专市名为法》的修订,并游两项标消个并为一个标准,
本标准中保了YD/T632-93和YD/T638.9-93中5然适H的内弃,根携近年来的使用情况作了如修订:
1)版消广邮政使件邮奖
2)邮袭版丽印刷内容有所变论“中国人双邮政”改为“中国邮政”字样,取消国内航空邮袋工“航邮件”学样。
3!了部费自料的效取范国:井做了经效教的装术求。4)增加了邮羧出」检验和式检频要求。5)计整单您采用公称号数,
本标准于19年首次发布,1993年多月第一次整订,18年5月第三次修订,本标准从生效之11起,时代替YD/T63293和YD/T638.9-93。本标滩用国家邮峻局科学研究地划院提出并归口本标准起营单位:天洋普天通信设备厂本标准土要起节人:刘逆背
逆密珠
土洪萨
中华人民共和国邮政行业标准
Mailhag
YZIT6021-Z00U
代替YD32-93
Y1T 635.4-93
本标准规定了小奖拍要、类别,设术要求、试监方法、检验规则,包装,标志和存。本协准适用十对发件时所用期接的生产和检验。2引用标准
下列标准所包含的案义,逆过在本标准:引月市构成为本标演的条文,未标准出版时,所示版本均为有效。所标准都会被像订,使用本标准的各方应深讨使用一列标准最新版本的可能性。GB2828-87
魂批检吉计数抽样瑞序及独样老(适用十连续批的检查)纺织品作牢度试验耐洗色牢度:试验1GB/13921.1-1597
(B3923.1-1997勃织品织物拉回偿能菊-部分:机要强小和断裂仲长率的测宝条伴法GA/T466R-1995
GB4744-84
FZ/T10003-02
YD/T854-1996
3型号
3.1型号成
机织物率的测定
纺织物抗浓水性测定方法
帆市织物试验方法
邮政特快专递业务储标
静水压试验法
型号出专业代号、主称代号,限离符专,序号、医分代专凯成。3.2
型号格式
型号格式如图所小
区分代号
阳离裕号
上代号
专业化号
图1型号格式的示总
3.3型号的代号及总义
型号一各组或部分的代及意文比表1.当家邮致局2000-08-1批准
2000-11-01实施
4产品分类
4.1产品代号
11-·19
41--49
51--59
71--79
YO1~YOo:国内音通邮袋
Y11--Y16:国内前空山楼
Y21--·Y26:国际航牢邮
Y31~Y36:国际水附路袋
Y41-Y16:国际特快专递邮范
Y51~·Y56:国内特快专递邮袋
Y~77:国内要通装
4.2规格
邮蒙外形尺计见太2。
YIH ~1
YU2--Y72
YU3-Y75
YUA~Y74
YU5-- Y75
YO6--Y76
4.2.2邮图见2图8
5按术要求
5.1邮质要求
池表3:
YZ/T 0021-200D
表 型的代及志义
士孕张专的第一
价字示服带
种,第一世数
字衣印袋袋号
表2邮袋外形人寸
关分代导
所用面端名称没谱拼高法第个大耳宇所如字学相同,再上面料名称汉至拼音的第一个大写字
外形尺D)
J9X)X [2D0
1400×110)
1300X850
:100x700
SUOXSX
:40X5x
邮袋上应印有“主国政”的中文产样,网际空,国环水陆路邮整必女印“中华人民共和国邮5.2
收\的总文车样,特快专递邮煲成如Y1/1854-1必6十图1规定的特专业务激标,国内机双倍邮袋应加“红杠”:
5.3邮袋上应印有表小邮较坐产卜则的年号和土你代号,国内酋通邮装主你气号中的“0”不门刷。2
YZT (021-2000
95--15X
EA--[EA
901-101
传会谈
5's--1's
S'E~ TE
SE--r'E
坚快史
(9t Gst
S1-*02+
00%×009
OSR X DE1
GOTIXCOM1
i tel 2-7-
1 0021
Chsa x.cOET
【×]
YZ/T 0021-2000
95.元~11.A
90元10.元
商有限
Sf--t2
1-*+j ascx055
0os nt s2
ST-02+00507
tst + 61
rxsa, ixs
0sx00tT
1+NSt.; Ix s *Ut+ 05Ex(Ss
ExRz 1×1951-:0z+00sx00g
95 EGT
1t9t : Ix29
[Ex纪
61 / x
谨资量
aui/)
YZT0021-2000
5.4国际特快专递袭,彩条宽5.5cml,盗,黄相间,从右F.率左“倾料45”:5.5国内特快专递邮袋,彩条案5.5cm,红、白相恒,从名上至左下顺斜45°。5.6
国际新空费、国必款产邮用汽艳监券经市缆制:5.7
邮袋二的标志,字你均案照鱼两面期间,屌底附老牢固.5.8邮您于的整述图冕,高!下利不在选的距离不零超过图妖规定的3%,提料不得超过!°5.9非袋上的注污不得超运2前,5.10邮您面料应均封,经不得超过7cm,每1cm缺纬不得通过0.76根5.11涤终布与中必应达到3-4级
5.12棉帽布邮换用棉线经制涤给布邮装用涤纶线刷。5.13国内普通、国内机要,因标水陆路3种邮袋的1号,2号袋,在链制,加双底、加提于5.14缝中断或姚线不许超过4针,缝制处不充许露毛边。5.15账口包边用麻筛,绳头应对接,特限不应起过2cm,拼接不应超适3cm5.16涤纶面料邮袋,可以采日侦条包边。粘条尺寸见表3:5.17当邮袋采氏防面样时:断裂强力不低于表3中的要求,能袋静水压虚达到2%内(2MmmH,O),分差-6%:泌海10次后静水业应人-F2kP(200mmH0)5.18当采用其它面料制作邮装时,其断裂强力,密度不得低于表3中的要求、5.19当制片降济塑袋时:1号,2号邮较断级强力经向不低于B10N:能向不低于520N:3写、4、、接断经向不低430N、绒肉不低319。5.20特需邮袋按需生产,其质盘应符合衣3中为要求.6试验方法
6.1邮袋用个断部典力、长率试验:6.1.1邮签用桶布断裂强,力,伸长率试验,按FZ:T[01003规定执行6.1.2邮数用涤轮行断裂强力、伸长率试验,按G摄T3923.1航定执行。6.2=袋周布密度试,按B/T4668规定执行:6.3装这体中度的试验。
日.3.十邮您上的能体图案,单于模应不花不行。6.3.2洗衣机洗,在水温不些60亡,其中水1Skg,碱面0.05kg或洗逸液0.025kg),洗涤10min后,字体应不落:
6.4耐洗色空反试验,按G羽/T3921.1规定热行。6.5必水面料静水玉试验,按G4744规定热16.6月量长按5.1中的规格、针码、巍真径成条究、原度、对5.4、5.5、5.8、5.9、5.10、5.14、5.15、5.16节的规定进行检务:
6.7对5.1中线道数以及5.2、5.3、.6,5.7,5.125.13共中的规定过行已测,7检验规则
邮范检验分为出厂检险和型式检险两种:7.1出验验
了.1.1以发运的同一型号的多费数进为一批。邮找出厂按衣4的观定殖机抛取挖整样本,样本单位为条,抽数量,检查水半发会格压量水平(4Q+见表4。7.1.2判定则
7.1.2.1不格品
每条样品按第6章试验为法,检验表4规定5.25.7、5.13节检验项日,有1项或」项以上技术案求效有达到,该产品为不合咯品。5
批单条)
501-1200
120!-3202
3201-100
1001~350x
35(0115000)
ISHJH--50WYK
YZ/T 0021-2000
表4出检验扯样方案
般控查水平\的:次的择方来
样本人小
格验项E
5节十的济,好数、计证,麻轻
盗条宽厚出项费求
5.2-5. 10 节,
5.12~5 16 5
效条拦品该第6卓访频方法,检验表4现定收5.1节中地格,链线道数,-码,联绳栏或粘条实厚度4项理求,5.8~5.14,5.12,5.14~5.16节检验或日,部有3须成3项以技术要求没有达到,多产遇为不金轻非
7.12.2个格批
详本中的不合格录数等或人一不会格关,起数(Re)样本所代表的该批产山为不合择此:E时对批产品可让行选,别出不合格品5,再进行多检。进打复检对,按G28288?中表4均道一次抽样方案的规定进行:如妄控见不个格,则整搬产品不很止厂,并且不允许实提交。了2型式培验
7.2.1型式检监的质期为一年,但有一划情说之-时,可进行式资验。1)质率监督机构提出进行抢验要求时;2:枣控似料吨:
3)停产半年以1重新牛产时。
7.2.2抽样
型式惊验独轻应从兰年牛产的并丝也检验合培的产的一按表5的激定确乱拥及控样本,样小单位为条。油样数安、检合水下及不台格质量水平(RQL)见衣5。衣5型式抢验拆样方害
别水平「抑热抽杆方率
祥太少
7.2.3划定规则
EQL=ID
5:非密密度、长率,断提力3表,5.J1书,5.17-5.J9节
7.2.3.1每条样品孩蒙6竞试验方法,检验表5定的各项拉验项片,如有项或1项以上技术更求效有达到,该产品为不个格品
7.2.B.2样本中,若不会格比数小于或等于存格划定数(Ac),则型式验合格。花不台格品数大丁成等于个合格判定数(R),测型式检验不合格。B产品包装
邮接山厂均用本型号间施成包包装:明布接内装9条:滤纶布转内装19条日产品标志
YZ/T 0021-2000
的趋出!,应有产品合格证,其内容如下:α)生产厂名称;
h)产是名称:
e)产品型号或标
e)生产“期;
f)质量检查员E1单.
=袋应存生干候避风的地方,购行6个月度例操次。
16x110U
1300x850
BUUxSUI
55Ue3Su
YZ/T 0021-2000
中国邮政
国内普邮华
单位:mm
加双床,提于
如双宗、报手
1900X1203
1600X1100
E30HX XSU
1100700bzxz.net
550×350
YZ/T0021-2000
中国邮政
且内航空部装
单位:mm
小提示:此标准内容仅展示完整标准里的部分截取内容,若需要完整标准请到上方自行免费下载完整标准文档。

标准图片预览:





- 其它标准
- 热门标准
- 邮政行业标准(YZ)
- YZZ0061-2006 邮资票品和集邮品的条码
- YZ/T0123-2005 国际特快专递邮件跟踪报文
- YZ/T0088.6-2004 专用信封 第6部分:邮资信封
- YZ/T0120-2005 邮政推式悬挂输送机
- YZ/Z0028-2001 邮资票品管理系统与信息中心信息交换处理系统交换数据规范
- YZ/Z0013-2001 支局生产作业系统与邮区信息中心信息交换处理系统应用层协议
- YZ/T0064.1-2001 国内邮件寄递业务单据格式 第1部分:封发邮件清单
- YZ/T0105-2004 挂式邮政信箱
- YZ/T0117-2005 信函分拣系统安装工程质量检验评定标准
- YZ/Z0016-2001 邮区中心局生产作业系统与信息中心信息交换处理系统交换数据规范
- YZ/T0027-2001 邮件清单和路单备注信息代码
- YZ/T0031-2001 信函分拣机抗光干扰测试方法
- YZ/T0039-2001 包裹处理系统技术词汇
- YZ/T0041-2001 信封模板
- YZ/T0079-2002 邮政用封装机测试规范
- 行业新闻
请牢记:“bzxz.net”即是“标准下载”四个汉字汉语拼音首字母与国际顶级域名“.net”的组合。 ©2009 标准下载网 www.bzxz.net 本站邮件:bzxznet@163.com
网站备案号:湘ICP备2023016450号-1
网站备案号:湘ICP备2023016450号-1