- 您的位置:
- 标准下载网 >>
- 标准分类 >>
- 国家标准(GB) >>
- GB/T 1303.1-1998 环氧玻璃布层压板
标准号:
GB/T 1303.1-1998
标准名称:
环氧玻璃布层压板
标准类别:
国家标准(GB)
标准状态:
现行-
发布日期:
1998-12-21 -
实施日期:
1999-10-01 出版语种:
简体中文下载格式:
.rar.pdf下载大小:
216.87 KB
标准ICS号:
电气工程>>绝缘材料>>29.035.99其他绝缘材料中标分类号:
电工>>电工材料和通用零件>>K15电工绝缘材料及其制品
替代情况:
替代GB/T 1303-1977;被GB/T 1303.4-2009代替采标情况:
neq IEC 893-3-2:1993
点击下载
标准简介:
标准下载解压密码:www.bzxz.net
本标准规定了由环氧树脂和玻璃布制成的层压板型号、要求、试验方法、检验规则、标志、包装、运输和贮存。本标准适用于机械、电气及电子用的中温下机械性能高、高湿下电气性能稳定性很好的环氧玻璃布层压板。 GB/T 1303.1-1998 环氧玻璃布层压板 GB/T1303.1-1998
部分标准内容:
GB/T 1303-1—1998
本标准非等效采用IEC893-3-2(1993年第版》《电工用热固性树脂工业硬质层压板规范第3部分:单项材料规范第2篇:对环氧树脂硬质层压板要求中的环氧玻璃布层压板(EPGC201型)》对GB/T13(03—1977进行修订。
1.本标推与IEC893-3-2:1993中的EPGC201型在技术内容F的差异:1)本标准规定的浸水后绝缘电阻为≥5.0×102,而IEC规定的浸水后绝缘电阻为5.0×10\n2)本标准产品型号按JB/T2197—1996规定编制,并对应于IEC893-3-2.1993中的EPGC201型。3)根据国情增加了第6章内容。2.本标准与GB/T1303—1977存在如下差异:1)增加介电常数:a)48 Hz~~62Hz以下,b)1MHz以下。2)增加介质摄耗困数:b)1MHz以下。3)增加平行层向冲击强度(悬臂梁法))。4)增加表观弯曲弹性模量、垂直层向乐缩强度、平行层向剪切强度、相比漏电起痕指数和长期耐热性五项性能作为典型值,仅供一般指导用并不考虑作为本标准的要求。5)保留密度、拉伸强度两项性能作为典型值,仅供一般指导用并不考虑作为本标准的要求。6)去掉马丁温度、表面电阻率、体积电阻率和粘合强度四项性能。本标准1977年3月首次发布,1998年12月第一次修订。本标推自实施之口起,同时代替GB/T1303--1977。本标准由中华人民共和国机械工业部提出。本标准由全国绝缘材料标准化技术委员会归口。本标准起草单位:西安绝缘材料厂。本标准主要起草人:李树连、韩晔。本标准委托全国绝缘材料标准化枝术委员会负责解释。1范围
中华人民共和国国家标准
环氧玻璃布层压板
Epoxide wven glass fabric laminated sheetCB/T 1303-1—1998
neg IEC 893-3-2:1993
代替GB/T1303—1977
本标准规定了由环氧树脂和跛璃布制成的层压板型号、要求、试验方法、检验规则、标志、包装、运输和贮存。
本标准适用于机械、电气及电子用的中温下机械性能高、高湿下电气性能稳定性很好的环氧玻璃布层压板。
2引用标准
下列标准所包含的条文,通过在本标准中引用而构成为本标准的条文。本标准出版时,所示版本均为有效。所有标准都会被够订,使用本标推的各方应探讨使用下列标准最新版本的可能性。GB/T1305一1985电气绝缘热固性层压材料检验,标志,包装.运输和必存通用规则GB/T5130—1997电气用热固性树脂工业硬质层压板的试验方法eqvIEC893-2:1992)JB/T2197一1996电气绝缘材料产品分类,命名及型号编制行法3产品型号
本产品按JB/T 2197—1996中第4章规定,型号为3240.对应于IEC893-3-2中的EPGC201型。4要求
4.1外观
板材应无气泡,皱纹、裂纹并适当避免其他缺陷,例如:换伤、压痕、污点,允许有少量斑点。4.2标称厚度及允许偏差
标称厚度及允许偏差见表1。
表1标称厚度及允许偏差
标称厚度
允许储差
国家质量技术监督局1998-12-21批准标称厚度
允许偏差
1999-10-01实施
标称厚度
GB/T 1303. 1—1998
表1(完)
允许偏差
1其他充许偏差可出供需双方协商。标称厚度
允许偏差
2对于标称厚度不在所列的优选厚度之一若,其允许偏差应采用下一个较大的优选厚度的偏差,4.3平直度
平直度见表2
表2层压板表面距直尺的最人允许偏差厚
直尺长度
注,对标称厚度在1. 6 mm43 m的层压板的允许偏差止在考虑之中。4.4切割板条的宽度允许偏差
切割板条的宽度充许偏差见表3
表3切割板条的宽度允许偏差
标称厚度
. 0. 5
>50~100
≥100~16
.-0. 5
>160~300
>300-500
>500~600
注;除非订合间丹有规定,否则测得板条的宽度应不人于规定的标称宽度。表中列出的值是单向的,全是负偏差。其他充许偏差按订购合同规定。4.5性能要求
性能要求见表4。
GB/T1303.1-1998
表 4性能要求
(括号内的值是典型值,仅供一般指导用并不考虑作为本标准的要求)适合试验用的
垂直层向弯曲强度
表观弯曲弹性模量
垂直层向压缩强度
平行层向冲击强度
(简支巢法)
平行层向冲击强度
(悬臂梁法)
平行层向尊切强度
拉伸强度
垂直层向电气强度
90℃±2轴)
平行层向击穿电压
(90℃±2中)
介电常数
(48 Hz~2 Hz 以下)
介电带数
(1 MHz 以下)
介质摄耗因数
(1B Hz~62 Hz以下)
介质损耗因数
(1 MHz 以下)
浸水后绝缘电阻
相比漏电起痕指数
长期耐热性T1
负荷变形温度
吸水性
5试验方法
5.1外观
用眼睛观察评定。
5.2标称厚度及允许偏差
kJ/tm*
板材标称厚度
按GB/T 5130—1997中4.1的规定进行。5.3平直度
按GB/T5130—1997中4.2的规定进行。指标值
≥340
(24 000)
见表5
(130)
考患之中
(1. 7~-1. 9)
见表6
两者之一满足本标准要求即可
两者之一满足本标唯要求即可
两者之--满足本标准要求即可
平均厚度
电气瓶度
GB/T1303.1—1998
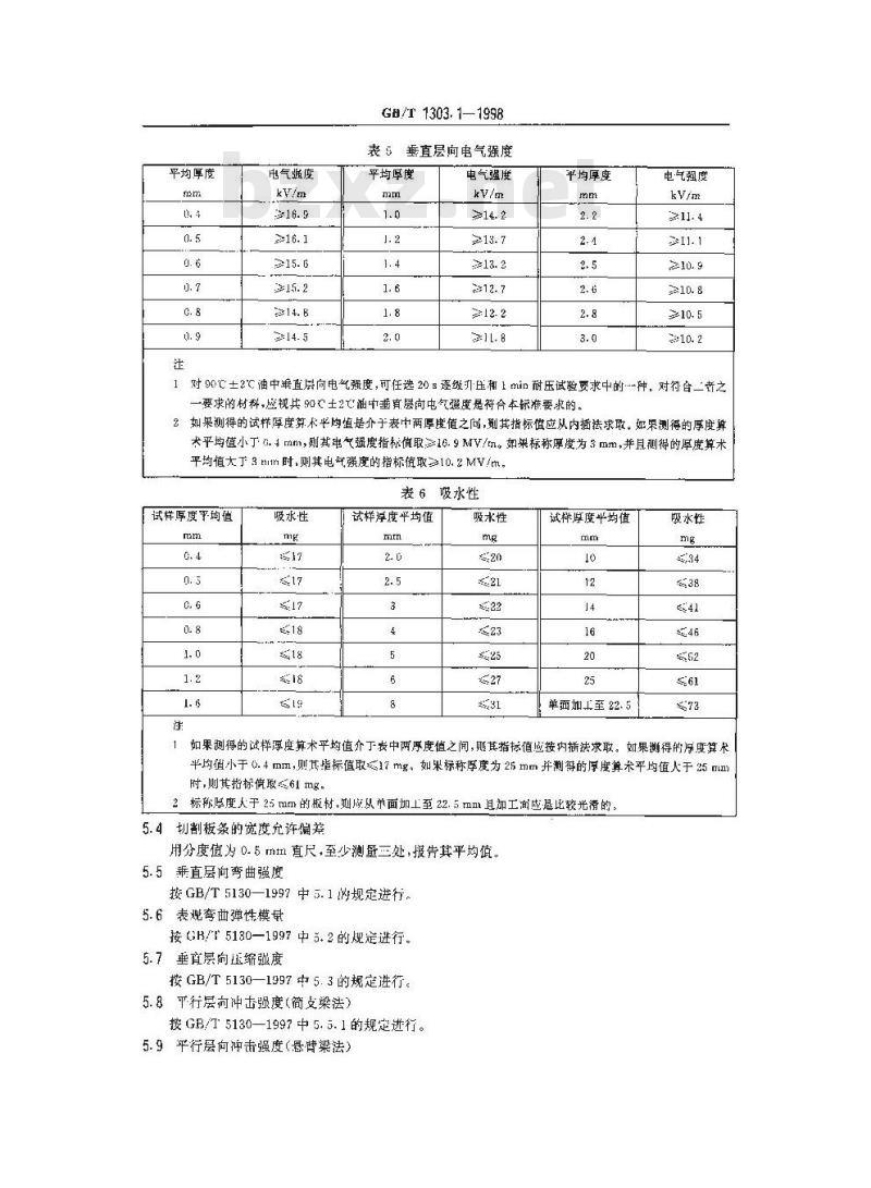
表5垂直层向电气强度
平均厚度
电气强度
平均厚度
电气强度
对90℃±2℃油中垂直层向电气强度,可任选20s逐级压和1min耐压试验要求中的--种。对符合二者之1
一要求的材科,应视其90℃土2么油中垂真层向电气强度是符合本标准要求的。2、如果测得的试样厚度算术长均值是介于表中两厚度值之问,其指标值应从内插法求取。如果测得的厚度算犬平均值小于0.4rnm,则其电气强度指标值取216.9MV/m。如果标称厚度为3mm,并具测得的厚度算术平均值大于3mm时.则其电气强度的指标值取含10.2MV/m。表6吸水性wwW.bzxz.Net
试样厚度平均值
吸水性
试样浮度平均值
吸水性
试样厚度半均值
单面加工至22.5
吸水性
如果测得的试样厚度算术平均值介于表中两厚度值之间,则其指标值应按内插法求取。如果测得的厚度算术平均值小于6.4mm,则其指标值取≤17mg、如果标称厚度为25mm并测等的厚度算术平均值大于25mim时,则其指标债取≤61mg。
2标称厚度大于25mm的板材,则应从单面加工至22.5mm且加工面应是比较光滑的。5.4切割板条的宽度允许偏差
用分度值为0.5mm直尺,至少测量三处,报告其平均值。5.5垂直层向弯曲强度
按GB/T5130—1997中5.1的规定进行。5.6表观弯曲弹性模量
按GB/F5130—1997中5.2的规定进行。5.7垂直层向压缩强度
按GB/T5130—1997中5.3的规定进行。5.8平行层向冲击强度(简支梁法)按GB/T5130—1997中5.3.1的规定进行。5.9平行层向冲击强度(悬臂梁法)CB/T 1303. 1—1998
按GB/T 5130—1997中 5.5.2的规定进行。5.10平行层向剪切强度
接GB/T5130—1997中5.6的规定进行。5.11拉伸强度
按 GB/T5130—1997中5.7的规定进行。5.12垂直层向电气强度
按GB/T5130—1997中6.1的规定进行。5.13平行层向击穿电压
按 GB/T 5130—1997中 6.1的规定进行。5.14介电常数
按GB/T 5130—1997中6.2的规定进行。5.15介质损耗因数
按GB/T5130—1997中 6.2的规定进行。5.16浸水斥绝缘电阻
接GB/T 5130—1997中 6.3的规定进行。5.17相比漏电起痕指数
按(/T6130—1997中6.4的规定进行。5.18长期耐热性
按GB/T5130—1997中7.1的规定进行。5.19负荷变形温度
按GB/T 5130—1997中7.3的规定进行。5.20密度
按 GB/T 5130—1997 中 8.1的规定进行。5.2T吸水性
按 GB/T 5130—1997 中 8. 2 的规定进行。检验规则、标志、包装、运输和贮存6. 1 检验规则
出厂检验为标准的4.1、1.2、4.3、4.4及4.5表4中的第8项,其中4.1、4.2、4.3.4.4为逐张检验项目。其他应符合GB/T1305—1985的第1章的规定。6. 2 标志、包装、运输和贮存
按GB/T1305—1985的第2章、第3章的规定执行。采用说明:
17IEC:无此内赛。
小提示:此标准内容仅展示完整标准里的部分截取内容,若需要完整标准请到上方自行免费下载完整标准文档。
本标准非等效采用IEC893-3-2(1993年第版》《电工用热固性树脂工业硬质层压板规范第3部分:单项材料规范第2篇:对环氧树脂硬质层压板要求中的环氧玻璃布层压板(EPGC201型)》对GB/T13(03—1977进行修订。
1.本标推与IEC893-3-2:1993中的EPGC201型在技术内容F的差异:1)本标准规定的浸水后绝缘电阻为≥5.0×102,而IEC规定的浸水后绝缘电阻为5.0×10\n2)本标准产品型号按JB/T2197—1996规定编制,并对应于IEC893-3-2.1993中的EPGC201型。3)根据国情增加了第6章内容。2.本标准与GB/T1303—1977存在如下差异:1)增加介电常数:a)48 Hz~~62Hz以下,b)1MHz以下。2)增加介质摄耗困数:b)1MHz以下。3)增加平行层向冲击强度(悬臂梁法))。4)增加表观弯曲弹性模量、垂直层向乐缩强度、平行层向剪切强度、相比漏电起痕指数和长期耐热性五项性能作为典型值,仅供一般指导用并不考虑作为本标准的要求。5)保留密度、拉伸强度两项性能作为典型值,仅供一般指导用并不考虑作为本标准的要求。6)去掉马丁温度、表面电阻率、体积电阻率和粘合强度四项性能。本标准1977年3月首次发布,1998年12月第一次修订。本标推自实施之口起,同时代替GB/T1303--1977。本标准由中华人民共和国机械工业部提出。本标准由全国绝缘材料标准化技术委员会归口。本标准起草单位:西安绝缘材料厂。本标准主要起草人:李树连、韩晔。本标准委托全国绝缘材料标准化枝术委员会负责解释。1范围
中华人民共和国国家标准
环氧玻璃布层压板
Epoxide wven glass fabric laminated sheetCB/T 1303-1—1998
neg IEC 893-3-2:1993
代替GB/T1303—1977
本标准规定了由环氧树脂和跛璃布制成的层压板型号、要求、试验方法、检验规则、标志、包装、运输和贮存。
本标准适用于机械、电气及电子用的中温下机械性能高、高湿下电气性能稳定性很好的环氧玻璃布层压板。
2引用标准
下列标准所包含的条文,通过在本标准中引用而构成为本标准的条文。本标准出版时,所示版本均为有效。所有标准都会被够订,使用本标推的各方应探讨使用下列标准最新版本的可能性。GB/T1305一1985电气绝缘热固性层压材料检验,标志,包装.运输和必存通用规则GB/T5130—1997电气用热固性树脂工业硬质层压板的试验方法eqvIEC893-2:1992)JB/T2197一1996电气绝缘材料产品分类,命名及型号编制行法3产品型号
本产品按JB/T 2197—1996中第4章规定,型号为3240.对应于IEC893-3-2中的EPGC201型。4要求
4.1外观
板材应无气泡,皱纹、裂纹并适当避免其他缺陷,例如:换伤、压痕、污点,允许有少量斑点。4.2标称厚度及允许偏差
标称厚度及允许偏差见表1。
表1标称厚度及允许偏差
标称厚度
允许储差
国家质量技术监督局1998-12-21批准标称厚度
允许偏差
1999-10-01实施
标称厚度
GB/T 1303. 1—1998
表1(完)
允许偏差
1其他充许偏差可出供需双方协商。标称厚度
允许偏差
2对于标称厚度不在所列的优选厚度之一若,其允许偏差应采用下一个较大的优选厚度的偏差,4.3平直度
平直度见表2
表2层压板表面距直尺的最人允许偏差厚
直尺长度
注,对标称厚度在1. 6 mm43 m的层压板的允许偏差止在考虑之中。4.4切割板条的宽度允许偏差
切割板条的宽度充许偏差见表3
表3切割板条的宽度允许偏差
标称厚度
. 0. 5
>50~100
≥100~16
.-0. 5
>160~300
>300-500
>500~600
注;除非订合间丹有规定,否则测得板条的宽度应不人于规定的标称宽度。表中列出的值是单向的,全是负偏差。其他充许偏差按订购合同规定。4.5性能要求
性能要求见表4。
GB/T1303.1-1998
表 4性能要求
(括号内的值是典型值,仅供一般指导用并不考虑作为本标准的要求)适合试验用的
垂直层向弯曲强度
表观弯曲弹性模量
垂直层向压缩强度
平行层向冲击强度
(简支巢法)
平行层向冲击强度
(悬臂梁法)
平行层向尊切强度
拉伸强度
垂直层向电气强度
90℃±2轴)
平行层向击穿电压
(90℃±2中)
介电常数
(48 Hz~2 Hz 以下)
介电带数
(1 MHz 以下)
介质摄耗因数
(1B Hz~62 Hz以下)
介质损耗因数
(1 MHz 以下)
浸水后绝缘电阻
相比漏电起痕指数
长期耐热性T1
负荷变形温度
吸水性
5试验方法
5.1外观
用眼睛观察评定。
5.2标称厚度及允许偏差
kJ/tm*
板材标称厚度
按GB/T 5130—1997中4.1的规定进行。5.3平直度
按GB/T5130—1997中4.2的规定进行。指标值
≥340
(24 000)
见表5
(130)
考患之中
(1. 7~-1. 9)
见表6
两者之一满足本标准要求即可
两者之一满足本标唯要求即可
两者之--满足本标准要求即可
平均厚度
电气瓶度
GB/T1303.1—1998
表5垂直层向电气强度
平均厚度
电气强度
平均厚度
电气强度
对90℃±2℃油中垂直层向电气强度,可任选20s逐级压和1min耐压试验要求中的--种。对符合二者之1
一要求的材科,应视其90℃土2么油中垂真层向电气强度是符合本标准要求的。2、如果测得的试样厚度算术长均值是介于表中两厚度值之问,其指标值应从内插法求取。如果测得的厚度算犬平均值小于0.4rnm,则其电气强度指标值取216.9MV/m。如果标称厚度为3mm,并具测得的厚度算术平均值大于3mm时.则其电气强度的指标值取含10.2MV/m。表6吸水性wwW.bzxz.Net
试样厚度平均值
吸水性
试样浮度平均值
吸水性
试样厚度半均值
单面加工至22.5
吸水性
如果测得的试样厚度算术平均值介于表中两厚度值之间,则其指标值应按内插法求取。如果测得的厚度算术平均值小于6.4mm,则其指标值取≤17mg、如果标称厚度为25mm并测等的厚度算术平均值大于25mim时,则其指标债取≤61mg。
2标称厚度大于25mm的板材,则应从单面加工至22.5mm且加工面应是比较光滑的。5.4切割板条的宽度允许偏差
用分度值为0.5mm直尺,至少测量三处,报告其平均值。5.5垂直层向弯曲强度
按GB/T5130—1997中5.1的规定进行。5.6表观弯曲弹性模量
按GB/F5130—1997中5.2的规定进行。5.7垂直层向压缩强度
按GB/T5130—1997中5.3的规定进行。5.8平行层向冲击强度(简支梁法)按GB/T5130—1997中5.3.1的规定进行。5.9平行层向冲击强度(悬臂梁法)CB/T 1303. 1—1998
按GB/T 5130—1997中 5.5.2的规定进行。5.10平行层向剪切强度
接GB/T5130—1997中5.6的规定进行。5.11拉伸强度
按 GB/T5130—1997中5.7的规定进行。5.12垂直层向电气强度
按GB/T5130—1997中6.1的规定进行。5.13平行层向击穿电压
按 GB/T 5130—1997中 6.1的规定进行。5.14介电常数
按GB/T 5130—1997中6.2的规定进行。5.15介质损耗因数
按GB/T5130—1997中 6.2的规定进行。5.16浸水斥绝缘电阻
接GB/T 5130—1997中 6.3的规定进行。5.17相比漏电起痕指数
按(/T6130—1997中6.4的规定进行。5.18长期耐热性
按GB/T5130—1997中7.1的规定进行。5.19负荷变形温度
按GB/T 5130—1997中7.3的规定进行。5.20密度
按 GB/T 5130—1997 中 8.1的规定进行。5.2T吸水性
按 GB/T 5130—1997 中 8. 2 的规定进行。检验规则、标志、包装、运输和贮存6. 1 检验规则
出厂检验为标准的4.1、1.2、4.3、4.4及4.5表4中的第8项,其中4.1、4.2、4.3.4.4为逐张检验项目。其他应符合GB/T1305—1985的第1章的规定。6. 2 标志、包装、运输和贮存
按GB/T1305—1985的第2章、第3章的规定执行。采用说明:
17IEC:无此内赛。
小提示:此标准内容仅展示完整标准里的部分截取内容,若需要完整标准请到上方自行免费下载完整标准文档。
标准图片预览:





- 热门标准
- 国家标准(GB)
- GB/T30917—2014 /ISo 29941:2010 天然胶乳橡胶避孕套中可迁移亚硝胺的测定
- GB/T12777-1999 金属波纹管膨胀节通用技术条件
- GB15193.5-2003 骨髓细胞微核试验
- GB/T29633.4-2020 南极地名 第4部分:罗马字母拼写
- GB/T39964-2021 造纸行业能源管理体系实施指南
- GB/T43929-2024 空间用纤维光学器件测试指南
- GB/T42970-2023 半导体集成电路 视频编解码电路测试方法
- GB/T43225-2023 空间物体登记要求
- GB15985-1995 丝虫病诊断标准及处理原则
- GB19159-2003 车用液化石油气
- GB/T7407-1997 中国及世界主要海运贸易港口代码
- GB1913.2-1990 漂白浸渍绝缘纸
- GB14287.4-2014 电气火灾监控系统 第4部分:故障电弧探测器
- GB5237.3-2008 铝合金建筑型材 第3部分:电泳涂漆型材
- GB/T9771.6-2020 通信用单模光纤 第6部分:宽波长段 光传输用非零色散单模光纤特性
- 行业新闻
请牢记:“bzxz.net”即是“标准下载”四个汉字汉语拼音首字母与国际顶级域名“.net”的组合。 ©2025 标准下载网 www.bzxz.net 本站邮件:bzxznet@163.com
网站备案号:湘ICP备2025141790号-2
网站备案号:湘ICP备2025141790号-2