- 您的位置:
- 标准下载网 >>
- 标准分类 >>
- 国家标准(GB) >>
- GB/T 1301-1994 凿岩钎杆用中空钢
标准号:
GB/T 1301-1994
标准名称:
凿岩钎杆用中空钢
标准类别:
国家标准(GB)
标准状态:
已作废-
发布日期:
1994-06-13 -
实施日期:
1995-01-01 -
作废日期:
2009-04-01 出版语种:
简体中文下载格式:
.rar.pdf下载大小:
154.57 KB
替代情况:
替代GB 1301-1987;被GB/T 1301-2008代替采标情况:
=ISO 722
点击下载
标准简介:
标准下载解压密码:www.bzxz.net
本标准规定了凿岩钎杆用六角形和圆形中空钢的分类及代号、尺寸、外形及允许偏差、技术要求、试验方法、检验规则、包装、标志和质量证明书。本标准适用于制造凿岩钎杆用六角形和圆形中空钢材。 GB/T 1301-1994 凿岩钎杆用中空钢 GB/T1301-1994
部分标准内容:
中华人民共和国国家标准
凿岩钰杆用中空钢
Rock drilling eguipment-Hollow drill steels in bar fornt本标准等效采用IS0722%凿岩-
主题内容与适用范围
钎杆用六角形和圆形中空钢钢材》标雅。GB/T 1301—94
代替·G3130--87
本标准规定了凿岩钎托用入角形和圆形中空钢的分类及代号、尺寸、外形及允许偏差、技术要求、试验方法、检验规则、包装、标志和质量证明书。本标推适用丁制造凿岩钎杆用六角形和圆形中空钢材。2引用标准
GB 222
钢的化学分析用试样取样法皮成品化学成分允许偏差钢铁及合金化学分析方法
钢的脱碳层深度测定法
金属洛氏硬度试验方法
GB2101
型钢验收、包装,标志及质量证明书的一般规定3分类及代号
3.1钢材按外形分为六角形中空钢和圆形中空钢。3.2规格、代号见表1。
燕面形状
国家技术监督局1994-06-13批准表1
公称尺寸
规格代号
1995-01-01实施
鼓而形状
4尺寸、外形及允许偏差
4.1尺寸及允许偏差
GB/T130194
续表1
公称寸
规桥代号
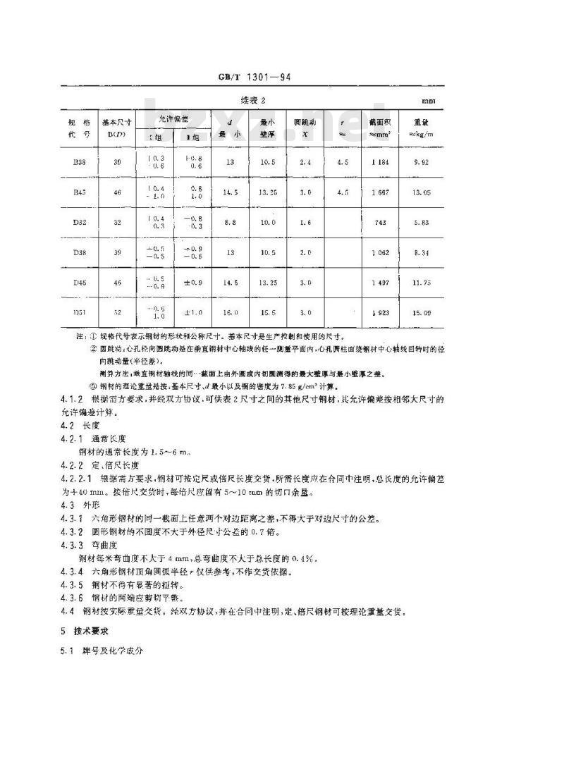
4. 1. 1钢材的尺寸及允许端差、截而面积、理论重基成分别符合图 1、图2及表2的规定。ZxA
R六角形对边距离
:心孔直径
基本尺寸
角形顺角画班半径:
心孔径向圆跳动
充许愉差
一外圆直径;d--心孔直径;X
心孔径而圆跳动
截面积
基本尺寸
允许偏差
... b. 5
.-0. 9
GB/T 1301—94
续表么
注: 规格代号表示钢树的形状和公称尺寸。基本尺寸是生产控制和使用的尺寸。截面
2回跳动:心孔轻向圆跳动是在垂直钢材中心轴线的任一测量平面内,心孔圆柱面绕翎材中心轴线回转时的径向跳动量(半径差)。
测并方法,垂直钢材轴线的同·截面上由外圆或内切圆测得的最大垩厚与最小壁厚之差。@钢材的理论重盘是按基本尺寸、d最小以及钢的密度为7.85/cm\计算,4.1.2,根据方要求,并经孜方协议,可供表2尽寸之间的其他尺寸钢材,其允许偏差接相邻大尺寸的充许偏差计算。
4.2长度
4. 2. 1 通常长度
钢材的通带长度为1.5~6 m.
4.2.2定.倍尺长度
4.2.2.1根据需方要求,钢材可按定尺或倍尺长度交货,所需长度应在合同中注明,总长度的允许偏差为十4hmm。按倍尺交货时,每倍尺应留有5~10rum的切口余。4.3外形
4.3.1六角形钢材的同一裁面上任意两个对边距离之差,不得大于对边尺寸的公差。4.3.2圆形钢材的不圆度不大于外径尺公差的0.7倍。4.3.3 弯曲度
销材每米弯曲度不下4mm,总弯曲度不人于总长度的0.4%,4.3.4六角形钢材顶角圆孤半径+仪供参考,不作交货依据。4.3.5钢材不得有显著的扭转。
4.3. 6钢材的两端应剪切平罄。4.4钢材按实际重量交货。经双方协议,并在合同中注明,定、倍尺钢材可按理论重基交货。5按术要求
5.1牌号及化学成分
GB/T 1301—94
钢的化学成分(熔炼分析)应符合表3的规定。表3
ZK55SiMnMo
ZKSSiMnMov
注;在牌号前冠以2K字母,表示中空润专用。以区别于其他用途的同牌号钢。钢材化学成分的允许编差应符合GB 222标准中表 2的规定。5. 1. 2
不大于
0.30.03u0.035
0. 250.0300. 030
0.250.c300.030
5.1.3根据需方要求,并经供带双方协议,可采用其他牌号,并应符合相应标雅的规定,5.2交货状态
钢材以不热处理或热处理状态交货,要求热处理状态交货的应在合同中注明。5.3钢材试样率火后的硬度应符合表的规定。表4
ZK55SiMnMm
ZK35SiMnMoV
率火温度心
701--800
840860
880900
注:荐供力能保证锅材试样的降火硬度,可不作检验。5.4脱碳层
钢材每边的总脱碳层(铁素体十过渡层)深度应符合表5的规定。表5
总脱磁层,不大于www.bzxz.net
钢材截面公称尺小。
5.5表面质量
0. 30 1 1%B()
率火硬度 HRC.不小于
0. 25 1 1B(D)
钢材表面不得有裂纹、结疤,夹杂,折迭缺陷。表面上的局部缺陷应予清除,清除深度从公称尺小节起应不大于该尺寸的公差;深度小于尺寸公差之半的个别划狼、压痕,麻点可不清除。6试验方法
钢材的试验方法应符合表6的规定。7
检验规则
试验项
化学成分
外形尺寸
GB/T1301—94
试方法
卡、群板
7.1 钢材的检查和验收由供方技术监督部门进行。取样部位
不同支钢材
不同支钢材
7.2钢材应成批验收,每批由同--炉号、同一牌号、同一规格、同--交货状态(或同一热处理炉次)的钢材组成。
8包装、标志和质盘证明书
8.1钢材应成捆交货。按通常长度交货的钢材同捆长度差不大下1n+并一-端平齐。8.2钢材的包装、标志质量证明书除本标准规定外,其余应符合GB2101的规定。附加说明:
本标准由中华人民共和国治金业部揭出。本标准山中华人民共和国冶金工业部信息标准研究院归口。本标准由贵阳钢厂、北京钢铁研究总院负责起草。本标准主要起草人陆康若、韩阳、李永泉。本标准水平等级标记GB/T1301一94T
小提示:此标准内容仅展示完整标准里的部分截取内容,若需要完整标准请到上方自行免费下载完整标准文档。
凿岩钰杆用中空钢
Rock drilling eguipment-Hollow drill steels in bar fornt本标准等效采用IS0722%凿岩-
主题内容与适用范围
钎杆用六角形和圆形中空钢钢材》标雅。GB/T 1301—94
代替·G3130--87
本标准规定了凿岩钎托用入角形和圆形中空钢的分类及代号、尺寸、外形及允许偏差、技术要求、试验方法、检验规则、包装、标志和质量证明书。本标推适用丁制造凿岩钎杆用六角形和圆形中空钢材。2引用标准
GB 222
钢的化学分析用试样取样法皮成品化学成分允许偏差钢铁及合金化学分析方法
钢的脱碳层深度测定法
金属洛氏硬度试验方法
GB2101
型钢验收、包装,标志及质量证明书的一般规定3分类及代号
3.1钢材按外形分为六角形中空钢和圆形中空钢。3.2规格、代号见表1。
燕面形状
国家技术监督局1994-06-13批准表1
公称尺寸
规格代号
1995-01-01实施
鼓而形状
4尺寸、外形及允许偏差
4.1尺寸及允许偏差
GB/T130194
续表1
公称寸
规桥代号
4. 1. 1钢材的尺寸及允许端差、截而面积、理论重基成分别符合图 1、图2及表2的规定。ZxA
R六角形对边距离
:心孔直径
基本尺寸
角形顺角画班半径:
心孔径向圆跳动
充许愉差
一外圆直径;d--心孔直径;X
心孔径而圆跳动
截面积
基本尺寸
允许偏差
... b. 5
.-0. 9
GB/T 1301—94
续表么
注: 规格代号表示钢树的形状和公称尺寸。基本尺寸是生产控制和使用的尺寸。截面
2回跳动:心孔轻向圆跳动是在垂直钢材中心轴线的任一测量平面内,心孔圆柱面绕翎材中心轴线回转时的径向跳动量(半径差)。
测并方法,垂直钢材轴线的同·截面上由外圆或内切圆测得的最大垩厚与最小壁厚之差。@钢材的理论重盘是按基本尺寸、d最小以及钢的密度为7.85/cm\计算,4.1.2,根据方要求,并经孜方协议,可供表2尽寸之间的其他尺寸钢材,其允许偏差接相邻大尺寸的充许偏差计算。
4.2长度
4. 2. 1 通常长度
钢材的通带长度为1.5~6 m.
4.2.2定.倍尺长度
4.2.2.1根据需方要求,钢材可按定尺或倍尺长度交货,所需长度应在合同中注明,总长度的允许偏差为十4hmm。按倍尺交货时,每倍尺应留有5~10rum的切口余。4.3外形
4.3.1六角形钢材的同一裁面上任意两个对边距离之差,不得大于对边尺寸的公差。4.3.2圆形钢材的不圆度不大于外径尺公差的0.7倍。4.3.3 弯曲度
销材每米弯曲度不下4mm,总弯曲度不人于总长度的0.4%,4.3.4六角形钢材顶角圆孤半径+仪供参考,不作交货依据。4.3.5钢材不得有显著的扭转。
4.3. 6钢材的两端应剪切平罄。4.4钢材按实际重量交货。经双方协议,并在合同中注明,定、倍尺钢材可按理论重基交货。5按术要求
5.1牌号及化学成分
GB/T 1301—94
钢的化学成分(熔炼分析)应符合表3的规定。表3
ZK55SiMnMo
ZKSSiMnMov
注;在牌号前冠以2K字母,表示中空润专用。以区别于其他用途的同牌号钢。钢材化学成分的允许编差应符合GB 222标准中表 2的规定。5. 1. 2
不大于
0.30.03u0.035
0. 250.0300. 030
0.250.c300.030
5.1.3根据需方要求,并经供带双方协议,可采用其他牌号,并应符合相应标雅的规定,5.2交货状态
钢材以不热处理或热处理状态交货,要求热处理状态交货的应在合同中注明。5.3钢材试样率火后的硬度应符合表的规定。表4
ZK55SiMnMm
ZK35SiMnMoV
率火温度心
701--800
840860
880900
注:荐供力能保证锅材试样的降火硬度,可不作检验。5.4脱碳层
钢材每边的总脱碳层(铁素体十过渡层)深度应符合表5的规定。表5
总脱磁层,不大于www.bzxz.net
钢材截面公称尺小。
5.5表面质量
0. 30 1 1%B()
率火硬度 HRC.不小于
0. 25 1 1B(D)
钢材表面不得有裂纹、结疤,夹杂,折迭缺陷。表面上的局部缺陷应予清除,清除深度从公称尺小节起应不大于该尺寸的公差;深度小于尺寸公差之半的个别划狼、压痕,麻点可不清除。6试验方法
钢材的试验方法应符合表6的规定。7
检验规则
试验项
化学成分
外形尺寸
GB/T1301—94
试方法
卡、群板
7.1 钢材的检查和验收由供方技术监督部门进行。取样部位
不同支钢材
不同支钢材
7.2钢材应成批验收,每批由同--炉号、同一牌号、同一规格、同--交货状态(或同一热处理炉次)的钢材组成。
8包装、标志和质盘证明书
8.1钢材应成捆交货。按通常长度交货的钢材同捆长度差不大下1n+并一-端平齐。8.2钢材的包装、标志质量证明书除本标准规定外,其余应符合GB2101的规定。附加说明:
本标准由中华人民共和国治金业部揭出。本标准山中华人民共和国冶金工业部信息标准研究院归口。本标准由贵阳钢厂、北京钢铁研究总院负责起草。本标准主要起草人陆康若、韩阳、李永泉。本标准水平等级标记GB/T1301一94T
小提示:此标准内容仅展示完整标准里的部分截取内容,若需要完整标准请到上方自行免费下载完整标准文档。
标准图片预览:





- 其它标准
- 热门标准
- 国家标准(GB)
- GB/T29633.4-2020 南极地名 第4部分:罗马字母拼写
- GB/T43225-2023 空间物体登记要求
- GB29140-2024 纯碱单位产品能源消耗限额
- GB15193.5-2003 骨髓细胞微核试验
- GB28129-2011 乙羧氟草醚原药
- GB/T42970-2023 半导体集成电路 视频编解码电路测试方法
- GB/T18721.4-2024 印刷技术 印前数据交换 第4部分:显示用宽色域标准彩色图像数据 [Adobe RGB (1998)/SCID]
- GB/T9771.6-2020 通信用单模光纤 第6部分:宽波长段 光传输用非零色散单模光纤特性
- GB5237.3-2008 铝合金建筑型材 第3部分:电泳涂漆型材
- GB14287.4-2014 电气火灾监控系统 第4部分:故障电弧探测器
- GB/T5750.13-2006 生活饮用水标准检验方法 放射性指标
- GB1913.2-1990 漂白浸渍绝缘纸
- GB30530-2024 二甲基硅氧烷单位产品能源消耗限额
- GB9744-2024 载重汽车轮胎
- GB/T38920-2020 危险废物储运单元编码要求
- 行业新闻
请牢记:“bzxz.net”即是“标准下载”四个汉字汉语拼音首字母与国际顶级域名“.net”的组合。 ©2025 标准下载网 www.bzxz.net 本站邮件:bzxznet@163.com
网站备案号:湘ICP备2025141790号-2
网站备案号:湘ICP备2025141790号-2