- 您的位置:
- 标准下载网 >>
- 标准分类 >>
- 纺织行业标准(FZ) >>
- FZ 62003-1991 手帕
标准号:
FZ 62003-1991
标准名称:
手帕
标准类别:
纺织行业标准(FZ)
标准状态:
现行出版语种:
简体中文下载格式:
.zip .pdf下载大小:
706.27 KB
点击下载
标准简介:
FZ 62003-1991.
1主题内容与适用范围
FZ 62003规定了手帕产品品种规格、技术要求、试验方法、检验规则及包装和标志。
FZ 62003适用干鳖定纯棉机织手帕类的品质(棉与其他纤维混纺.交织产品可参照执行)。
2引用标准
GB 250评定变色 用灰色样卡
GB25!评定沾色用灰色样卡
GB 3920纺织品耐摩擦 色牢度试验方法
GB 3921纺织品耐洗色 牢度试验方法
G8 3923 机织物断 裂强力和斷裂伸长的测定(条样法)
GB 4668机织物密 度的测定
GB 1856 针棉织品 包装
FZ 62001手 帕检验规则
3产品品种规格
3.1手帕品 种规格根据用户需要,由生产部门制订。
3.2缝边规格
狭边每1!0cm不少于10针迹,月砑边每10cm不少于6牙,手卷边每10cm不少于12针迹。縫边线规格根据用户需要确定。
4技术要求
技术要求分为内在质量和外观质量两个方面,内在质量包括密度、断裂强力、染色牢度。外观质量包括外观疵点、长宽度、正方度、斜方。
4.1分等规定
机织手帕类产品的品质定等,由内在质量和外观质量结合评定,分为优等品、-等品、二等品和三等品,低于三等品的为等外品。
4.1.1内在 质量和外观质量结合评定的办法见表1。
5试验及取样方法
5.1 试验方法
5.1.1密度 的测定按GB 4668执行。
5.1.2断裂 强力的测定按GB 3923执行。
5.1.3耐摩擦色牢度按GB 3920执行。
5.1.4 耐洗色牢度按GB 3921 (方法3 )执行。
5.2 取样方法
5.2.1测试取样应在待入库的成品中随机取样。
5.2.2规格较小的品种,如测试强力有困难时,允许在整理后、开剪前连条取样。
5.2.3每批测试取样6条。
6检验规则
部分标准内容:
1主题内容与适用范围
FZ62003--91
本标准规定了手帕产品品种规格、技术要求、试验方法、检验规则及包装和标志。本标准适用干鉴定纯棉机织手帕类的品质(棉与其他纤维混纺、交织产品可参照执行)。2引用标准
GB25!
GB3920
评定变色用灰色样卡
评定沾色用灰色样卡
GB3921
GB3923
GB4668
GB1856
FZ62001
纺织品耐摩擦色牢度试验方法
纺织品耐洗色牢度试验方法
机织物断裂强力和断裂伸长的测定(条样法)机织物密度的测定
针棉织品包装
手帕检验规则
3产品品种规格
手帕品种规格根据用户需要,由生产部门制订。缝边规格
狭边每10cm不少于10针迹,月牙边每10cm不少于6牙,手卷边每10cm不少于12针迹。缝边线规格根据用户需要确定。
4技术要求
技术要求分为内在质量和外观质量两个方面,内在质量包括密度、断裂强力、染色牢度。外观质量包括外观症点、长宽度、正方度、斜方。4.1分等规定
机织手帕类产品的品质定等,由内在质量和外观质量结合评定,分为优等品、一等品、二等品和三等品,低于三等品的为等外品。4.1.1内在质量和外观质量结合评定的办法见表1。表
定等内在质量
外观质垦
二等品
三等品
等外品
一等品
一等品
二等品
三等品
等外品
二等品
二等品
三等品
等外品
等外品
中华人民共和国纺织工业部1991-05-23批准三等品
兰等品
等外品
等外品
等外品
等外品
等外品
等外品
等外品
等外品
19911001实施
FZ62003-91
4.1.2在达到一等品各项条件的基础上,符合下列条件评为优等品。4.1.2.1斜方在3%及以内的。
4.1.2.2正方度在2%及以内的。
4.1.2.3色牢度按表3提高1级。
4.1.2.4同一条手帕上允许一个外观疵点。4.1.3外观质量逐条检验,以条为单位定等。内在质量按周期试验,以批为单位定等,以一个品种次交货量为一批(纱支、工艺、密度、长宽度不同),需要降等时,根据具体情况,认真分析划批定等。4.1.4在同一条手帕上,外观质量及内在质量均按最低一项定等。4.2内在质量评定
4.2.1内在质量评等规定见表2。表2
允许偏差,%
质量项目
染色串度
12tex及以上
12tex以下
一等品
按工艺设计规定
按工艺设计规定
见表3
充许二项低主级
或一项低|级
符合标准
符合标准
注:计算精确至二位小数、
四舍五入取一位小数。
染色牢度标准见表3。
染料名称
耐洗色牢度(级)
原样变色
纳夫要
白布沾色
二等品
低于一等品
10及以内
-10及以内
三等品
-10.1~-20
-[0.1~-20
耐摩擦色牢度(级)
注:按表2执行后,各项耐摩擦色牢度不得低于2级,其中纳夫安湿摩不得低于1一2级。490
FZ62003-91
4.2.3内在质量测试周期,每个品种每月至少测试一次。如遇降等,下一批必须继续测试至不降等为止。4.3外观质量评定
4.3.1外观疵点评定见表4。
疵点名称
线状疫点
条块状瘫点
破损症点
分散症点
边格差异
花位不准
色花、色差
错条、错格、错
花、错纹、错色
边角不良
月牙边接头不良
转角不良
缝边线头长
整理症点
概点程度
经纬共断或脱离组织
点状、分散
按设计要求
按原样对比
按原样对比明显
接头重叠
2cm以下
0.5cm以下
0.5cm以下
0.2cm以下
不允许
比设计获于及以内
0.1~0.2cm
3级及以上
不充许
不充许
允许一牙
转角不超过0.7cm
允许2处
不允许
二等品
2cm-10cm
0.5cm-5cmbzxz.net
0.5cm~2cm
n.2cm~1cm
7-10个
比设计狭卡及以内
0.3cm及以下
2—3级
2处以上
三等品
1.Icm~全条
5.1cm~1ncm
2.1cm~1cm
1.1cm-2cm
6~8根
11~15个
比设计缺一以上
明显充许
2级及以下
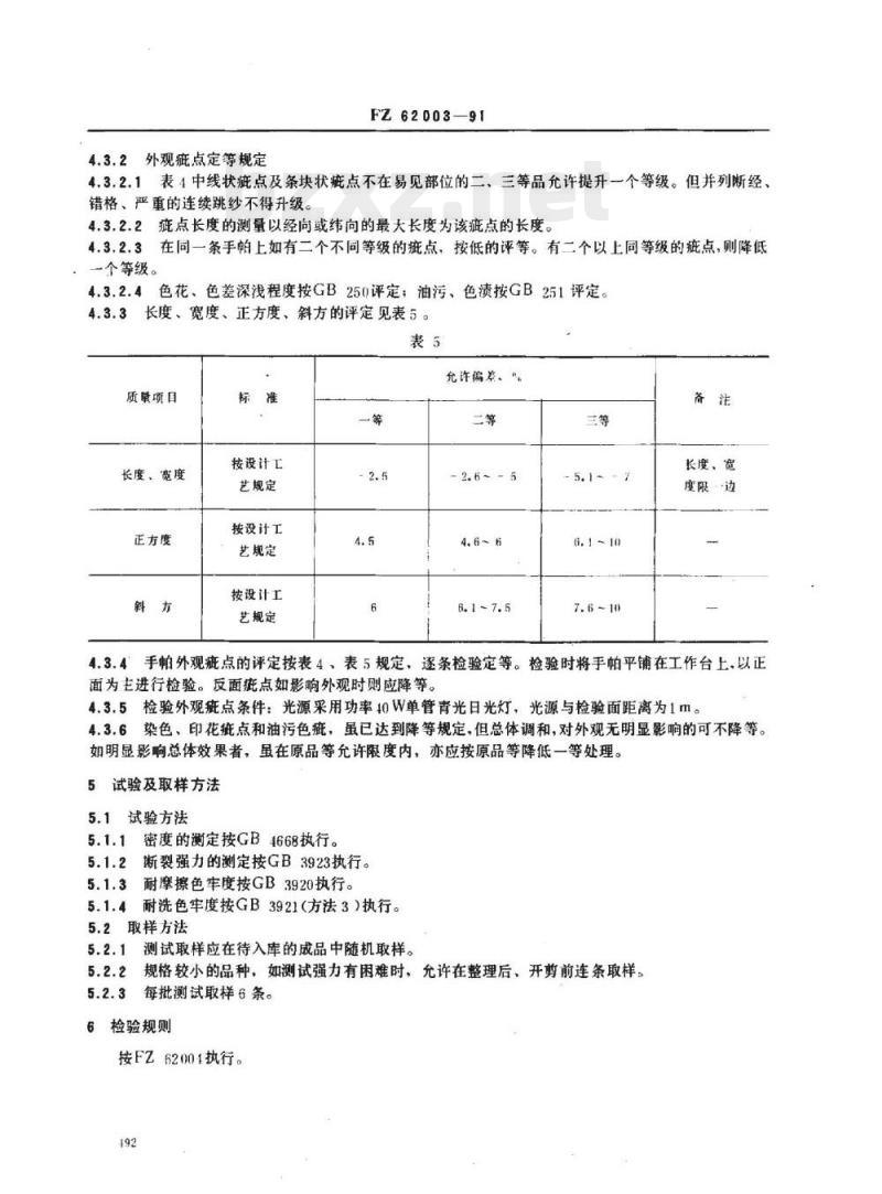
4.3.2外观疵点定等规定
FZ62003-—91
4.3.2.1表4中线状疵点及条块状疵点不在易见部位的二、三等品允许提升一个等级。但并列断经、错格、严重的连续跳纱不得升级。4.3.2.2症点长度的测量以经向或纬向的最大长度为该疵点的长度。4.3.2.3在同一条手帕上如有二个不同等级的疵点,按低的评等。有二个以上同等级的疵点,则降低一个等级。
4.3.2.4色花、色差深浅程度按GB250评定;油污、色渍按GB251评定。4.3.3长度、宽度、正方度、斜方的评定见表5。表5
允许偏券。“
质最项目
长度、宽度
正方度
按设计工
艺规定
按设计工
艺规定
按设计工
艺规定
长度,宽
度限-边
4.3.4手帕外观疵点的评定按表4、表5规定,逐条检验定等。检验时将手帕平铺在工作台上以正面为主进行检验。反面疵点如影响外观时则应降等。4.3.5检验外观疵点条件:光源采用功率10W单管青光日光灯,光源与检验面距离为1m。4.3.6染色、印花点和油污色疵,虽已达到降等规定,但总体调和,对外观无明显影响的可不降等。如明显影响总体效果者,虽在原品等允许限度内,亦应按原品等降低一等处理。5试验及取样方法
5.1试验方法
5.1.1密度的测定按GB4668执行。5.1.2断裂强力的测定按GB3923执行。5.1.3耐摩擦色牢度按GB3920执行。5.1.4耐洗色牢度按GB3921(方法3)执行。5.2取样方法
测试取样应在待入库的成品中随机取样。规格较小的品种,如测试强力有困难时,充许在整理后、开剪前连条取样。每批测试取样6条。
6检验规则
按FZ62001执行。
7包装和标志
7.1包装和标志按GB4856执行。
7.2每条手帕有商标、厂名、等级8其他
FZ62003-91
特殊品种及用户有特定要求的,由供需双方另订协议。493
FZ62003-91
附录A
外观症点说明
(补充件)
A1轻微一一是指疵点比较模糊,能隐约看到,使用者不易发现。明显一
一是指疵点比较明显,使用者能直接看到,对美观有一定影响。A2线状疵点:沿经、纬向延伸的疵点,并列(包括隔开1根好纱)3根及以下的为线状疵点。主要包括下列抵点:
断经、断纬、双经、双纬、粗经、粗纬、松经、紧经、竹节纱、路、错色纱、跳纱、油纱、色纱、污纱、稀路、密路等。
A3条块状疵点:沿经、纬向延伸的疵点,并列(包括隔开1根好纱)3根以上的为条块状疵点。主要包括下列疵点:
路、粗纬、云织、条干不匀、经缩波纹、经缩浪纹、边撑疵、油渍、污渍、露底、搭色等。A4破损疵点:经纬纱共断3根及以上的破洞,经纬纱互相脱离组织3根及以七的跳花、锈渍,一等品不允许。
A5分散疵点主要包括下列疵点:纬缩、结头、星跳、色点、污点、油点、纬纱起圈、边撑疵等。A6边角不良主要包括下列疵点:削角、露毛、露白、夹边、跳针、弯曲边、皱边、荷叶边、白底嵌入色纱、缩角、冲角、色线卷入等。
整理疣点主要包括下列疵点:
漂整折印、烫整不平、不正齐、移纬等。A8下列疵点按明显定等:
粗经、粗纬:指比原纱粗2倍以上的;a.
并列2根的断经(包括隔开1根好纱);b.
稀路、密路:单层看得出为轻微,评为一等品;叠起来看得出为明显,评为二等品;明显的c.
稀路、密路其宽度超过0.3cm的或同一条手帕上有二条明显稀路、密路,评为三等品。A9双经、双纬、单根松经、一根的脱纬(无明显稀纬),一等品允许一根,二等品允许二根。易见部位的轻微断经、断纬,一等品允许1.5cm以下。A10油疵、色症按GB251评定,4级为轻微,3级为明显。A11
易见部位:指织造手帕以条格为界限的中间部位,印花手帕不在花位的部位。A12长、宽度的测量:测量其经、纬向中心线。正方度的测量:以对角对折后测量其多余部位。斜方的测量:以经纱方向为对折线对折、量其偏差为斜方。如手帕边不直,则以边中点对齐为准。494
纱线号数,tex
28×18
J2×12
10 ×10
19×16
14 ×11
附加说明:
38 ~ 42
12~ 48
FZ62003~-91
附录B
手帕基本规格参照表
(参考件)
织条手帕
织条、缎条、提花、剪花、绣花手帕织条、缎条、提花、
剪花、绣花手帕
织条、缎条、提花、
剪花、绣花手帕
毂条、提花手帕
白涂料印花手帕
仿缎条印花手帕
印花手帕
本标准由纺织工业部科技发展司提出。cm
本标准由纺织工业部毛巾床单标准化技术归口单位武汉棉织装饰品工业公司归口。本标准由上海手帕进出口公司、杭州手帕厂、海门手帕厂、武汉手帕总厂、北京手帕厂负责起草。本标准主要起草人张振、谢耀庭、张春芳、于利建、薛荣昌、张惠青。495
小提示:此标准内容仅展示完整标准里的部分截取内容,若需要完整标准请到上方自行免费下载完整标准文档。
标准图片预览:





- 其它标准
- 热门标准
- FZ纺织行业标准
- FZ/T73011-2013 针织腹带
- FZ/T92052-1995 轴承内径φ12mm环锭锭子
- FZ/T90083-1995 纺织机械筒子架主要尺寸
- FZ/T70012-2016 -次成型束身无缝内衣号型
- FZ/T32024-2019 亚麻与棉混纺色纺纱
- FZ/T12023-2011 芳纶1313本色纱线
- FZ/T24010-2013 防缩毛纺织产品
- FZ/T60033-2012 家用纺织品 毛巾不均匀水洗尺寸变化的测定
- FZ/T14007-2011 棉涤混纺印染布
- FZ/T33010-1999 苎麻卷烟带
- FZ/T92054-1996 倍捻锭子
- FZ/T92038-1995 熔融纺丝圆形孔喷丝板
- FZ/T64003-1993 喷胶棉絮片
- FZ/T54102-2018 防割手套用超高分子量聚乙烯长丝
- FZ/T93079-2012 转杯纺纱机减震套
- 行业新闻
网站备案号:湘ICP备2025141790号-2