- 您的位置:
- 标准下载网 >>
- 标准分类 >>
- 纺织行业标准(FZ) >>
- FZ/T 92076-2008 弹性针布用底布
标准号:
FZ/T 92076-2008
标准名称:
弹性针布用底布
标准类别:
纺织行业标准(FZ)
标准状态:
现行出版语种:
简体中文下载格式:
.zip .pdf下载大小:
1.76 MB
点击下载
标准简介:
FZ/T 92076-2008.
1范围
FZ/T 92076规定了弹性针布用底布的术语和定义、分类和标记、要求.试验方法、检验规则和包装、标志、储存。
FZ/T 92076适用于纺织生产中梳理纤维的弹性针布用底布(以下简称“底布”)。
2规范性引用文件
下列文件中的条款通过本标准的引用而成为本标准的条款。凡是注日期的引用文件,其随后所有的修改单(不包括勘误的内容)或修订版均不适用于本标准,然而,鼓励根据本标准达成协议的各方研究是否可使用这些文件的最新版本。凡是不注8期的引用文件,其最新版本适用于本标准。
GB/T 191包装储运图示标志
GB/T 321优先数和优先数系
GB/T532硫化橡胶或热塑性橡胶与织物粘合强度的测定
GB/T2828.1计数抽样检验程序第1部分:按接收质量限(AQL)检索的逐批检验抽样计划(ISO 2859-1 :1999,IDT)
GB/T 2829周期检验计数抽样 程序及表(适用于对过程稳定性的检验)
GB/T2941-2006橡胶物理试验方法试样制备和调节通用程序
FZ/T 90052弹性针布术语和定义
HG/T2580橡胶或塑料涂覆织物拉伸强度和拉断伸长率的测定
HG/T 3053橡胶或塑料涂覆织物柔软性的测定扁 环法
3术语和定义
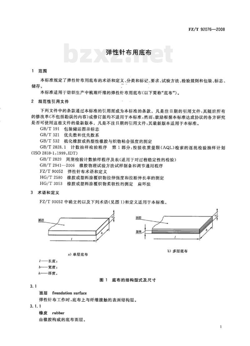
FZ/T 90052中确立的以及下列术语(见图1)和定义适用于本标准。
5.2底布的拉伸强度、拉断伸长率、定力伸长率、粘合强度和柔软性指标由供、需双方商定。
5.3底布的纵向裁切面应平直,无侧弯和毛边。
5.4底布的表面应清洁,无皱纹、气泡和杂质。
5.5底布的面层色泽应均匀一致。
6试验方法
6.1测定底布 基本尺寸应遵照以下规定:
a)厚度按 GB/T 2941- -2006 中7.1;
b)宽度按 GB/T 2941- 2006中7.2;
c) 长度按GB/T 2941- - 2006中7.3.
6.2测定底布物理力学性能应遵照以下规定:
a)拉伸强度和拉断伸 长率试验按HG/T 2580;
b)定应力伸长率试验按HG/T 2580,在规定应力下保持10 min;
c)粘合强度试验 按GB/T 532;
d)柔软性 试验按HG/T 3053.
6.3外观质量目测。
部分标准内容:
中华人民共和国纺织行业标准
FZ/T92076—2008
弹性针布用底布
Foundation for filletclothing2008-03-12发布
数码防伪
中华人民共和国国家发展和改革委员会2008-09-01实施
本标准由中国纺织工业协会提出。前言
本标准由全国纺织机械与附件标推化技术委员会归口。本标准负责起草单位:陕西纺织器材研究所FZ/T92076—2008
本标准参加起草单位:上海远东钢丝针布有限责任公司、无锡市第三纺织器材有限公司、无锡信一底布有限公司、金轮针布(江苏)有限公司。本标准主要起草人:赵玉生、付晓艳、陈翔鸿、安国隆、钮国中、钮伟明、唐新农、周建平。本标准首次发布。
1范围
弹性针布用底布
FZ/T92076—2008
本标准规定了弹性针布用底布的术语和定义、分类和标记、要求、试验方法、检验规则和包装、标志、储存。
本标准适用于纺织生产中梳理纤维的弹性针布用底布(以下简称“底布”)。2规范性引用文件
下列文件中的条款通过本标准的引用而成为本标推的条款。凡是注日期的引用文件,其随后所有的修改单(不包括勘误的内容)或修订版均不适用于本标准,然而,鼓励根据本标准达成协议的各方研究是否可使用这些文件的最新版本。凡是不注日期的引用文件,其最新版本适用于本标准。包装储运图示标志
GB/T191
GB/T321
GB/T532
优先数和优先数系
硫化橡胶或热塑性橡胶与织物粘合强度的测定GB/T2828.1计数抽样检验程序第1部分:按接收质量限(AQL)检索的逐批检验抽样计划(ISO2859-1:1999,IDT)
GB/T2829
周期检验计数抽样程序及表(适用于对过程稳定性的检验)GB/T2941—2006橡胶物理试验方法试样制备和调节通用程序FZ/T90052
HG/T2580
HG/T3053
3术语和定义
弹性针布术语和定义
橡胶或塑料涂覆织物拉伸强度和拉断伸长率的测定橡胶或塑料涂覆织物柔软性的测定扁环法FZ/T90052中确立的以及下列术语(见图1)和定义适用于本标准。面层
长度;
6-宽度;
h-厚度。
a)单层底布
面层foundation surface
b)多层底布
图1底布的结构型式及尺寸
弹性针布工作时,底布上与纤维接触的表面结构层。3.1.1
橡皮rubber
由橡胶构成的底布面层。
FZ/T92076-—2008
发泡橡胶foamed rubber
由发泡橡胶构成的底布面层。
橡塑plasticrubber
由橡胶塑料构成的底布面层。
毛毡hundred-percent felt
由毛毡构成的底布面层。
棉布cotton
由棉布构成的底布面层。
其他材料miscellaneous
由非橡皮、发泡橡胶、橡塑、毛毡、棉布构成的底布面层。3.2
基体base
弹性针布工作时,除面层之外的其他承受梳理力的结构体。3.2.1
棉布层
cotton weave
由棉布构成基体的骨架层。
棉麻布层
cotton hemp weave
由棉麻布构成基体的骨架层。
橡胶层
rubber
由橡胶构成基体的骨架层。
其他材料层
miscellaneous
由非棉布、棉麻布、橡胶构成基体的骨架层。4分类和标记
4.1分类
4.1.1根据面层材料,分为橡皮面底布、发泡橡胶面底布、橡塑面底布、毛毡面底布、棉布面底布和其他材料面底布。
4.1.2根据构成基体的骨架层材料,分为棉布层、棉麻布层、橡胶层和其他材料层。4.1.3底布分类特征及其代号见表1。表1底布分类特征及其代号
底布分类特征
代号:
发泡橡胶
面层材料
基体骨架层材料
棉麻布
其他材料代号,应按照其特征汉字拼音的首字母编制;当与同类材料特征代号相同时,应顺延选择。2
4.2标记
FZ/T92076-2008
底布的标记方法:由产品名称、本标准代号和顺序号、底布分类特征一一面层材料代号和基体骨架层材料代号排列、宽度、长度顺序组成。示例:符合本标准,面层为橡皮,基体骨架层材料顺序为棉布、橡胶、麻棉布、4层棉布、宽度为50.8mm,长度为120m的多层底布,其标记为底布FZ/T92076-VCRLCCCC-50.8X1205要求
5.1底布的基本尺寸及其极限偏差见表2。表2底布的基本尺寸及其极限偏差厚度h/
基本尺寸”
第1系列
第2系列
极限偏差
橡皮、橡塑、棉
发泡橡胶
布、其他材料
宽度6/
基本尺寸”
第1系列
第2系列
≥1000.0
极限偏差
a基本尺寸第1系列选自GB/T321基本系列R20,推荐选用:第2系列不推荐使用b基本尺寸第1系列选自GB/T321基本系列R40,推荐选用;第2系列不推荐使用,长度1/
基本尺寸
(按订货
方要求)
极限偏差免费标准bzxz.net
FZ/T92076-2008
5.2底布的拉伸强度、拉断伸长率、定应力伸长率、粘合强度和柔软性指标由供、需双方商定。5.3底布的纵向裁切面应平直,无侧弯和毛边。5.4底布的表面应清洁,无皱纹、气泡和杂质。5.5底布的面层色泽应均勾一致。6试验方法
测定底布基本尺寸应遵照以下规定:6.1
a)厚度按GB/T2941-2006中7.1
宽度按GB/T2941—2006中7.2;
长度按GB/T2941—2006中7.3。
6.2测定底布物理力学性能应遵照以下规定:拉伸强度和拉断伸长率试验按HG/T2580;a
定应力伸长率试验按HG/T2580,在规定应力下保持10min;粘合强度试验按GB/T532;
柔软性试验按HG/T3053。
6.3外观质量目测。
检验规则
7.1总则
7.1.1底布应通过以下类别的检验:型式检验;
出厂检验。
7.1.2型式检验和出厂检验应由制造厂质量检验部门负责进行,订货方也可按本标准中的出厂检验规定在1个月内对购进的底布进行验收;根据订货方要求,制造厂应提供出厂检验所在周期的型式检验报告。
7.1.3凡在型式检验或出厂检验中,被检验的样本单位若有不符合表3、表4对检验项目的有关规定时,即为不合格;有一个或个以上不合格,即为不合格品。7.2检验
7.2.1型式检验
7.2.1.1连续生产的底布应根据生产过程稳定的持续时间以条为样本单位进行型式检验,在改变设计、改进主要制造工艺、更换材料或中断生产后再恢复生产时,也应进行型式检验。7.2.1.2
型式检验应按GB/T2829中判别水平Ⅱ的一次抽样方案,型式检验方案见表3。表3底布的型式检验方案
检验项目名称
拉伸强度
拉断伸长率
定应力伸长率
粘合强度
柔软性
要求的章条号
试验方法的章条号
不合格质量水平
不合格分类
7.2.2出厂检验
检验项目名称
裁切面
外观质量
要求的章条号
表3(续)
试验方法的章条号
底布经型式检验合格后,方可进行出厂检验。7.2.2.1
FZ/T92076—2008
不合格质量水平
不合格分类
每批底布都应以条为样本单位进行出厂检验。出厂检验应按GB/T2828.1中的一次抽样方案,从正常检验开始,出厂检验方案见表4。表4
检验项目名称
裁切面
外观质量
包装、标志、储存
8.1包装
底布的出厂检验方案
要求的章条号
试验方法的章条号
8.1.1底布应经检验合格并附有合格证,方可进行包装。8.1.2底布应以卷状或盘状交货,并用防潮材料包装。8.1.3底布外包装应采用袋或其他包装容器。8.2标志
8.2.1产品标志
每条底布上均应有产品标志,其上标明:制造厂名或商标;
产品标记:
生产批号或生产日期。
包装标志
运输包装收发货标志
制造厂名和商标;
产品标记;
数量;
毛重:
生产批号或生产日期:
体积(长×宽×高=m2)。
8.2.2.2包装储运图示标志
“怕晒”、“怕雨”标志应符合GB191规定。接收质量限
不合格分类
FZ/T92076—2008
1底布应包装完好地存放在通风干燥并无腐蚀性介质的环境中,并远离热源、避免阳光照射。8.3.1
在正常储存条件下,底布质量在1a内应符合本标准。8.3.2
FZ/T92076-2008
中华人民共和国纺织
行业标
弹性针布用底布
FZ/T92076—2008
中国标准出版社出版发行
北京复兴门外三里河北街16号
邮政编码:100045
网址spc.net.cn
电话:6852394668517548
中国标准出版社秦皇岛印刷厂印刷各地新华书店经销
开本880X1230
2008年4月第一版
印张0.75字数12千字
2008年4月第一次印刷
书号:155066·2-18632
定价14.00元
如有印装差错由本社发行中心调换版权专有侵权必究
举报电话:(010)68533533
小提示:此标准内容仅展示完整标准里的部分截取内容,若需要完整标准请到上方自行免费下载完整标准文档。
标准图片预览:





- 其它标准
- 热门标准
- FZ纺织行业标准
- FZ/T73011-2013 针织腹带
- FZ/T24010-2013 防缩毛纺织产品
- FZ/T60033-2012 家用纺织品 毛巾不均匀水洗尺寸变化的测定
- FZ/T43015-2011 桑蚕丝针织服装
- FZ/T92052-1995 轴承内径φ12mm环锭锭子
- FZ/T90083-1995 纺织机械筒子架主要尺寸
- FZ/T70012-2016 -次成型束身无缝内衣号型
- FZ/T32024-2019 亚麻与棉混纺色纺纱
- FZ/T43004-2013 桑蚕丝纬编针织绸
- FZ/T14023-2012 涤(锦)纶防水透湿雨衣面料
- FZ/T12023-2011 芳纶1313本色纱线
- FZ/T62019-2012 工艺绗缝被
- FZ/T14007-2011 棉涤混纺印染布
- FZ/T33010-1999 苎麻卷烟带
- FZ/T92054-1996 倍捻锭子
- 行业新闻
网站备案号:湘ICP备2025141790号-2