- 您的位置:
- 标准下载网 >>
- 标准分类 >>
- 国家标准(GB) >>
- GB 3176-1982 25.4毫米电视节目磁带的录制和交换
标准号:
GB 3176-1982
标准名称:
25.4毫米电视节目磁带的录制和交换
标准类别:
国家标准(GB)
标准状态:
现行出版语种:
简体中文下载格式:
.zip .pdf下载大小:
125.93 KB
点击下载
标准简介:
GB 3176一1982.The recording and exchange of television programmes on 25. 4 mm video tape.
GB 3176适用于25.4毫米宽的开盘式磁带、用C型格式录像机进行电视广播节目的录制和交换。
1录像机
录制节目所用录像机的性能应符合625/50、PAL/D彩色电视制式, C格式标准。
2录像磁带
录制节目所用磁带应符合以下规格:
a. 带宽:
25. 4士& mm
b.最大厚度:
0. 030 mm
c.最大纵向弯曲 I
1.3 mm/m
d.矫顽磁力:
应不小于45 000 A/m (约550 Oe)
3信号源
录制节目所用信号源应符合《GB 3174- -1982 彩色电视广播》中的有关规定。
4视频记录.
4.1 视频磁迹应终止于场同步的第4个函脉冲前沿后16士5μs标称格式脱落应为11.9行即762 μs,容差为土10 μs.
4.2整个节目磁带上的控制磁迹应是连续的。重放时,图像画面(特别是编辑点)应无跳动、闪动或变色。编辑节目时,必须保证彩色成帧。
4.3记录的 图像信号和同步、色同步脉冲幅度应符合以下规定:
a. 图像信号幅度:
0.7 V士20 mV
b. 同步脉冲幅度:
--0.3V士9mV
e.色同步幅度:
0.3V士9mV
d. 行消隐脉冲宽度:
12士0.3 us
e.行同步前沿至色同步前沿的距离:
5. 6士0.1s
f. 行消隐前肩:
1.5士0.3 μs
5音频记录
5.1节目伴音信号应记录在第1音频磁迹。
5.2音频记录特性应符 合该格式的标准,即按标准电平输入1 00 Hz音频信号,其记录磁平为100nwbm(有效值)。短路磁通量随频率升高而下降的特性相当于15us时间常数的阻容并联阻抗。
5.3时间码应记录在第 3音频磁迹。
部分标准内容:
GB3176—1982
25.4毫米电视节目磁带的录制和交换The recording and exchange of televisionprogrammes on 25.4mm video tape1982-08-25发布
国家标准局
1983-05-01实施
中华人民共和国国家标准
25.4毫米电视节自磁带的录制和交换The recording and exchange of televisionprogrammes on 25. 4 mm video tapeUDC681.841
GB3176—1982
本标准适用于25.4毫米宽的开盘式磁带、用C型格式录像机进行电视广播节目的录制和交换。1录像机
录制节目所用录像机的性能应符合625/50、PAL/D彩色电视制式,C格式标准。2录像磁带
录制节目所用磁带应符合以下规格:带宽:
最大厚度:
25.4±a18mm
c.最大纵向弯曲:
矫顽磁力:
3信号源bZxz.net
应不小于45000A/m(约5500e)
录制节目所用信号源应符合《GB3174一1982彩色电视广播》中的有关规定。4视频记录
视频磁迹应终止于场同步的第4个函脉冲前沿后16士5μs标称格式脱落应为11.9行即762us,容差为士10μs。
4.2整个节目磁带上的控制磁迹应是连续的。重放时,图像画面(特别是编辑点)应无跳动、闪动或变色。编辑节目时,必须保证彩色成顿。记录的图像信号和同步、色同步脉冲幅度应符合以下规定:4.3
图像信号幅度:
同步脉冲幅度:
色同步幅度:
行消隐脉冲宽度:
0.7V±20mV
—0.3V±9mV
0.3V±9mV
12±0.3μs
行同步前沿至色同步前沿的距离:行消隐前肩:
5音频记录
1.5±0.3μs
5.1节目伴音信号应记录在第1音频磁迹。5.6±0.1s
5.2音频记录特性应符合该格式的标准,即按标准电平输入1000Hz音频信号,其记录磁平为100nwbm(有效值)。短路磁通量随频率升高而下降的特性相当于15μs时间常数的阻容并联阻抗。5.3时间码应记录在第3音频磁迹。国家标准局1982-08-25发布
TTKAONIKACa-
1983-05-01实施
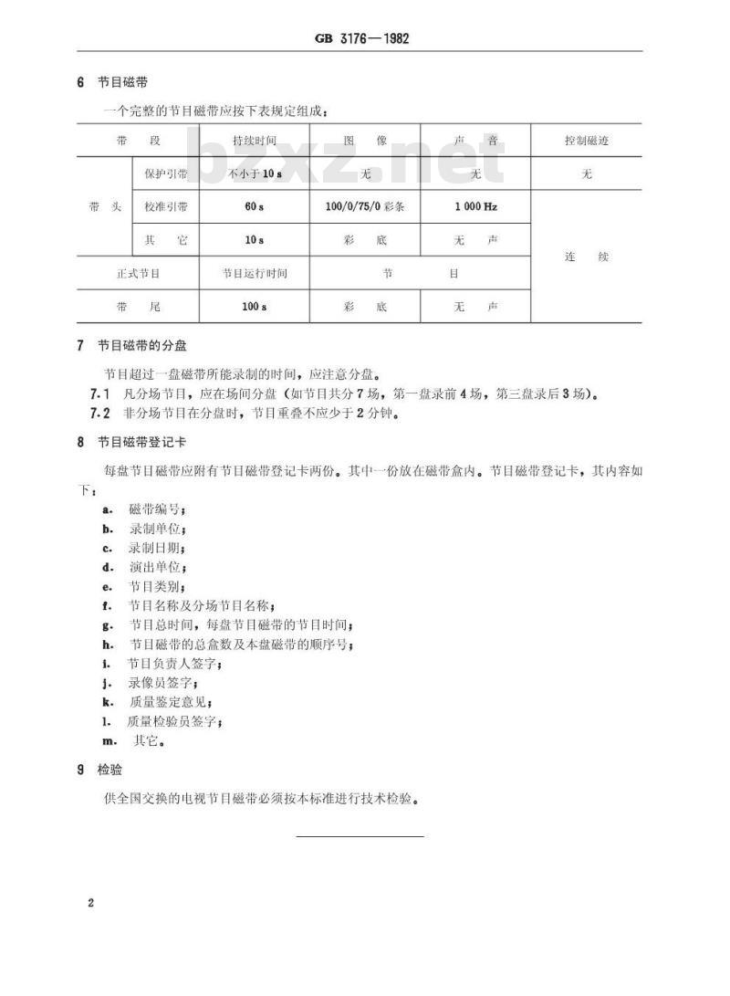
节目磁带
GB3176—1982
个完整的节目磁带应按下表规定组成:带
保护引带
校准引带
正式节目
节目磁带的分盘
持续时间
不小于10s
节目运行时间
100/0/75/0彩条
节目超过一盘磁带所能录制的时间,应注意分盘。声
1000Hz
控制磁迹
7.1凡分场节目,应在场间分盘(如节目共分7场,第一盘录前4场,第三盘录后3场)。7.2非分场节目在分盘时,节目重叠不应少于2分钟。8节目磁带登记卡
每盘节目磁带应附有节目磁带登记卡两份。其中一份放在磁带盒内。节目磁带登记卡,其内容如下:
9检验
磁带编号,
录制单位;
录制日期;
演出单位;
节目类别;
节目名称及分场节目名称;
节目总时间,每盘节目磁带的节目时间;节目磁带的总盒数及本盘磁带的顺序号;节目负责人签字;
录像员签字;
质量鉴定意见;
质量检验员签字;
其它。
供全国交换的电视节目磁带必须按本标准进行技术检验。2
附加说明:
本标准由广播电视部提出。
本标准由中央电视台起草。
本标准主要起草人周纯荣。
GB3176—1982
-TKAONTKAca=
小提示:此标准内容仅展示完整标准里的部分截取内容,若需要完整标准请到上方自行免费下载完整标准文档。
标准图片预览:




- 其它标准
- 热门标准
- GB国家标准
- GB/T30917—2014 /ISo 29941:2010 天然胶乳橡胶避孕套中可迁移亚硝胺的测定
- GB/T12777-1999 金属波纹管膨胀节通用技术条件
- GB15193.5-2003 骨髓细胞微核试验
- GB/T29633.4-2020 南极地名 第4部分:罗马字母拼写
- GB/T43225-2023 空间物体登记要求
- GB4706.3-1986 家用和类似用途电器的安全食物搅碎器及类似用途电器的特殊要求
- GB15985-1995 丝虫病诊断标准及处理原则
- GB19159-2003 车用液化石油气
- GB/T7407-1997 中国及世界主要海运贸易港口代码
- GB1913.2-1990 漂白浸渍绝缘纸
- GB14287.4-2014 电气火灾监控系统 第4部分:故障电弧探测器
- GB5237.3-2008 铝合金建筑型材 第3部分:电泳涂漆型材
- GB/T39964-2021 造纸行业能源管理体系实施指南
- GB/T9771.6-2020 通信用单模光纤 第6部分:宽波长段 光传输用非零色散单模光纤特性
- GB/T43929-2024 空间用纤维光学器件测试指南
- 行业新闻
网站备案号:湘ICP备2025141790号-2