- 您的位置:
- 标准下载网 >>
- 标准分类 >>
- 国家标准(GB) >>
- GB 3174-1995 PAL-D制电视广播技术规范
标准号:
GB 3174-1995
标准名称:
PAL-D制电视广播技术规范
标准类别:
国家标准(GB)
标准状态:
现行出版语种:
简体中文下载格式:
.zip .pdf下载大小:
376.30 KB
点击下载
标准简介:
GB 3174-1995.Characteristics of PAL-D television br oadcasting system.
1主题内容与适用范围!
GB 3174规定了PAL-D制电视广播系统的技术特性。
GB 3174适用于PAL-D制电视广播系统中心设备、发送设备接收设备及传输设备接口和测试仪器等有关设备的设计、生产和运行。
2名词术语
GB 3174中的名词术语遵循GB 7400%广播电视名词术语》冲的有关定义。
3视频信号和同步脉冲基本特性
视频信号和同步脉冲特性见表1。
部分标准内容:
ICS33.160
中华人民共和国国家标准
GB3174—1995
PAL-D制电视广播技术规范
Characteristics of PAL-D television broadcasting system1995-12-20发布
国家技术监督局
1996-12-01实施
中华人民共和国国家标准
PAL-D制电视广播技术规范
Characteristics of PAL-D television broadcasting system主题内容与适用范围
本标准规定了PAL-D制电视广播系统的技术特性。GB3174—1995
代 19
本标准适用于PAL-D制电视广播系统中心设备、发送设备、接收设备及传输设备接口和测试仪器等有关设备的设计、生产和运行。2
名词术语
本标准中的名词术语遵循GB7400《广播电视名词术语》中的有关定义。视频信号和同步脉冲基本特性
视频信号和同步脉冲特性见表1。表1视频信号和同步脉冲基本特性参数表序
每顿行数
扫描方式
扫描顺序
特性项目
每秒场数(标称值)
行频及其容差
图像宽高比
消隐电平(基准电平)
全电视信号标
称值和峰值
峰值白电平
黑电平与消隐电平之差
同步电平
视频带宽(标称值)
注:1)全电视信号波形见图1。参
2:1隔行扫描
水平(行):自左至右,垂直(场):自上至下50(场频f:50Hz)
f·15625Hz±0.0001%
0V;0%2
0.7V;100%
0mV~50mV;0~7%
-0.3V,—43%
2)百分数是以消隐电平(0V)为0%、峰值白电平(0.7V)为100%给出的;另有一种表示法是以同步电平为0%、消隐电平为30%、蜂值白电平为100%。国家技术监督局1995-12-20批准TKAONTKACa=
1996-12-01实施
3174—1995
图1全电视信号波形图
1一消隐电平;2一峰值白电平:3一同步电平:4一黑电平与消隐电平之差;5一色同步信号峰-峰值;6一色度副载波峰-峰值;7一包括色度信号的峰值电平0一行(同步)时间基点4行、场同步脉冲时间参数细节
行、场同步脉冲时间参数细节见表2和图1、图2、图3、图4。表2行、场同步脉冲时间参数细节表序号
特性项目
行周期(标称值)
行消隐脉冲宽度
行同步前沿(Oa)至行消隐后沿时间间隔(标称值)
行消隐脉冲前肩宽度
行同步脉冲宽度
行消隐脉冲边沿建立时间
行同步脉冲边沿建议时间
场周期(标称值)
场消隐脉冲宽度
场消隐脉冲边沿建立时间
前均衡脉冲序列持续时间
场同步齿脉冲序列持续时间
后均衡脉冲序列持续时间
均衡脉冲宽度
参数值
12us±0.3us
1.5us±0.3us
4.7us±0.2us
0.3us±0.lus
0.2us±0.1us
0.3us±0.lus
2.35μs±0.lus
特性项目
场同步齿脉冲宽度(标称值)
场同步齿脉冲之间槽脉冲宽度
GB3174—1995
续表2
场同步齿脉冲和均衡脉冲边沿建立时间注:④脉冲宽度按前沿、后沿50%幅度点之间的时间计算。8
②脉冲边沿建立时间按10%~90%幅度点之间的时间计算。偶数场
奇数场
图2每一奇数场起始前、后的信号参数值
4.7us±0.2us
0.2us±0.1us
注:第一个场同步齿脉冲前沿与行同步点(^\)相重合处为奇数场第1行的起始点;0为奇数场时间基点。奇数场
注:0、为偶数场时间基点。
图3每一偶数场起始前、后的信号消隧电平
何步电平
图4均衡脉冲和场同步脉冲时间参数细节KAONTKAca
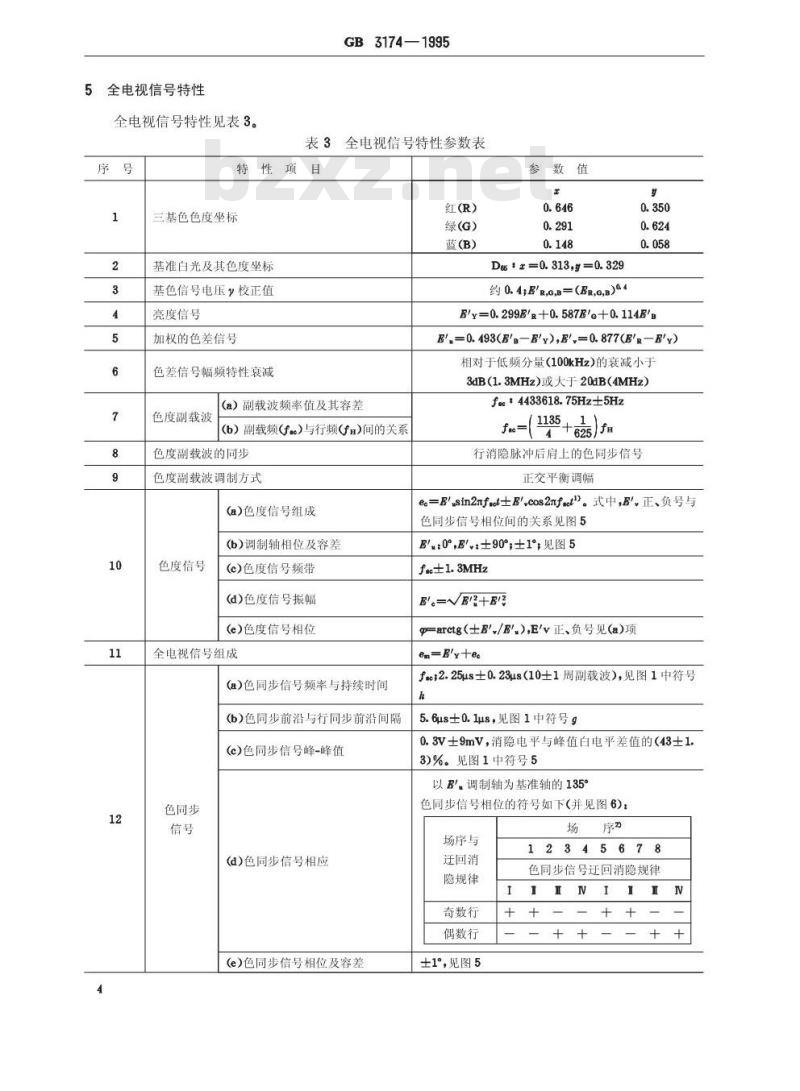
全电视信号特性
全电视信号特性见表3。
3174—1995
3全电视信号特性参数表
特性项目
三基色色度坐标
基准白光及其色度坐标
基色信号电压校正值
亮度信号
加权的色差信号
色差信号幅频特性衰减
色度副载波
(a)副载波频率值及其容差
(b)副载频(fs)与行频(f)间的关系色度副载波的同步
色度副载波调制方式
(a)色度信号组成
(b)调制轴相位及容差
色度信号
(c)色度信号频带
(a)色度信号振幅
(e)色度信号相位
全电视信号组成
(a)色同步信号频率与持续时间
(b)色同步前沿与行同步前沿间隔(c)色同步信号峰-峰值
色同步
(d)色同步信号相应
(e)色同步信号相位及容差
红(R)
绿(G)
蓝(B)
参数值
D#=0.313,y=0.329
约 0. 4;E'R,G,B=(ER,G,B)04
B'y=0.299B'R+0.587B'c+0.114B'BE'-0.493(E'B—E'y),E',=0.877(E'—E'v)相对于低频分量(100kHz)的衰减小于3dB(1.3MHz)或大于20dB(4MHz)foe:4433618.75Hz±5Hz
(1135+1)
+625)
行消隐脉冲后肩上的色同步信号正交平衡调幅
ee=Busin2nf士B'cos2nfst。式中,B',正、负号与色同步信号相位间的关系见图5
E:0°,E:±90°±1°见图5
f±1.3MHz
B'。=NB/?+B3
g-arctg(±E/E,),E'v正、负号见(a)项em=-B'y+ee
fse:2.25us士0.23us(10士1周副载波),见图1中符号h
5.6us±0.1us,见图1中符号g
0.3V土9mV,消隐电平与峰值白电平差值的(43土1.3)%。见图1中符号5
以B调制轴为基准轴的135°
色同步信号相位的符号如下(并见图6):场
场序与
迁回消
隐规律
奇数行
偶数行
±1°,见图5
色同步信号迁回消隐规律
色同步
特性项目
3174—1995
续表3
参数值
迁回消隐规律见(d)项内的表和图6,每个场消隐期间(f)色同步信号迁回消隐
注:1)十Bvcos2nfact行为不倒相行,可称为N行;一B'vcos2nfect行为倒相行,可称为P行。有9行不传送色同步信号。
按图6的顺序这9行依次为:第311~319行,第623~6行,第310~318行,第6225行2)八场循环场序内的第1场这样定义。在该场中第1行行同步脉冲前沿的半幅度点上,从色同步信号里E分量顺推出的连续波相位,为一90≤,<90。+e
135'±1*
90°±1
E相位基准轴
90°±1°
135±1
图5色度调制轴与色同步信号的相位及容差5
TTKAONIKACa-
I、I、I、N-
GB 3174—1995
3.4 1 3.5 1 6 1
312 13:3 1
624 ↓ 625 1
3]5【32
310 31112 31381413152161731831532tes
623 21 1 625
图6色同步信号迁回消隐规律
一场(同步)时间基点。
一第1、5场,第2、6场,第3、7场,第4、8场(参见表3中第12项)。一色同步信号相位+135(箭头向上),一135(箭头向下)。A、B
色同步信号迁回消隐期间。
6射频信号特性
射频信号特性见表4。
表4射频信号特性参数表
特性项目
射频频道带宽(标称值)
伴音载频与图像载频间距
频道下端与图像载频间距
图像已调波上边带宽度(标称值)图像已调波残留下边带宽度(标称值)残留下边带最小衰减值
图像信号调制方式与调制极性
+6.5MHz±0.001MHz
—1.25MHz
20dB(<—1.25MHz)
30dB(—4.43MH2±0.1MHz)
振幅调制,负极性
射频信号辐射
电平(%峰值载
伴音信号调制
特性项目
(a)同步电平
(b)消隐电平
GB3174—1995
续表4
(c)黑电平与消隐电平之差
(d)峰值白电平
(a)调制方式
(b)最大频偏
(c)预加重时间常数
图像已调波包络峰值有效辐射功率与伴音未调制载波有效辐射功率比
电视图像信号群时延频率特性3
注:1)射频频道频带规定参见图7。2)多伴音时的有效辐射功率比由多伴音标准另行规定。参
±50kHz
10:12)
±30ns(0.25MHz~3.0MHz)
±30ns~±20ns(3.0MHz~3.25MHz)±20ns(3.25MHz~4.8MHz)
±20ns~+70/-80ns(4.8MHz5.5MHz)3)群时延值不计快波动(频率<0.8MH2);对电视广播接收机不作群时延预补偿。B
图7电视广播射频频道频带规定
F(MIz)
V一图像信号射频载波频率;S一伴单信号射频载波频率S一下邻频道伴音载波频率,B一频道上端频率界限,B'一频道下端频率界限-TKAONTKACa-
A1100/0/75/0彩条信号定义
GB3174—1995
附录A
100/0/75/0彩条信号
(参考件)
在电视广播系统设备调试和测量中,100/0/75/0彩条信号是一种基本的电测试信号。四个数据依次表示基色信号传送白条、黑条时的相对电平值(100/0)及传送色条时的最大电平和最小电平相对值(75/0)。这里,100对应于峰值白电平700mV。该彩条信号由白条、黑条、三基色(红、绿、蓝)色条和三补色(青、品、黄)色条组成,按它们亮度信号的电平高低自左至右排列,即顺序为白、黄、青、绿、品、红、蓝、黑。
彩条信号参数值
彩条信号参数值见表A1。
彩条内容
色同步
色同步
100/0/75/0彩条信号参数值(1对应700mV)B。
注:①色度信号相位Φ的士(或干)角度值对应于N行/P行。A3
彩条信号行频波形图
彩条信号行频波形图见图A1。
色差信号幅度
色度信号
振幅。
色度信号
相位9
±167.1°
干76.6°
干119.3°
±103.4°
±135°
白电平
消隧电平
网步电平
A4彩条信号失量图
归一值
-3001-0.03
GB3174—1995
色同步
- 0. 133 折
0,422
7—0.2500.250
时间基点On
图A1100/0/75/0彩条信号行频波形图彩条信号失量图见图A2。
色司场信号
0.1522136
0-4439
0.1522225
色司信号
图A2100/0/75/0彩条信号失量图(N行与P行)-TKAONTKACa-bZxz.net
附加说明:
本标准由广播电影电视部提出。3174—1995
本标准由广播电影电视部标准化规划研究所负责技术归口管理。本标准由北京广播学院电视工程系起草。本标准主要起草人张永辉、杨盈昀、柴剑平。
小提示:此标准内容仅展示完整标准里的部分截取内容,若需要完整标准请到上方自行免费下载完整标准文档。
中华人民共和国国家标准
GB3174—1995
PAL-D制电视广播技术规范
Characteristics of PAL-D television broadcasting system1995-12-20发布
国家技术监督局
1996-12-01实施
中华人民共和国国家标准
PAL-D制电视广播技术规范
Characteristics of PAL-D television broadcasting system主题内容与适用范围
本标准规定了PAL-D制电视广播系统的技术特性。GB3174—1995
代 19
本标准适用于PAL-D制电视广播系统中心设备、发送设备、接收设备及传输设备接口和测试仪器等有关设备的设计、生产和运行。2
名词术语
本标准中的名词术语遵循GB7400《广播电视名词术语》中的有关定义。视频信号和同步脉冲基本特性
视频信号和同步脉冲特性见表1。表1视频信号和同步脉冲基本特性参数表序
每顿行数
扫描方式
扫描顺序
特性项目
每秒场数(标称值)
行频及其容差
图像宽高比
消隐电平(基准电平)
全电视信号标
称值和峰值
峰值白电平
黑电平与消隐电平之差
同步电平
视频带宽(标称值)
注:1)全电视信号波形见图1。参
2:1隔行扫描
水平(行):自左至右,垂直(场):自上至下50(场频f:50Hz)
f·15625Hz±0.0001%
0V;0%2
0.7V;100%
0mV~50mV;0~7%
-0.3V,—43%
2)百分数是以消隐电平(0V)为0%、峰值白电平(0.7V)为100%给出的;另有一种表示法是以同步电平为0%、消隐电平为30%、蜂值白电平为100%。国家技术监督局1995-12-20批准TKAONTKACa=
1996-12-01实施
3174—1995
图1全电视信号波形图
1一消隐电平;2一峰值白电平:3一同步电平:4一黑电平与消隐电平之差;5一色同步信号峰-峰值;6一色度副载波峰-峰值;7一包括色度信号的峰值电平0一行(同步)时间基点4行、场同步脉冲时间参数细节
行、场同步脉冲时间参数细节见表2和图1、图2、图3、图4。表2行、场同步脉冲时间参数细节表序号
特性项目
行周期(标称值)
行消隐脉冲宽度
行同步前沿(Oa)至行消隐后沿时间间隔(标称值)
行消隐脉冲前肩宽度
行同步脉冲宽度
行消隐脉冲边沿建立时间
行同步脉冲边沿建议时间
场周期(标称值)
场消隐脉冲宽度
场消隐脉冲边沿建立时间
前均衡脉冲序列持续时间
场同步齿脉冲序列持续时间
后均衡脉冲序列持续时间
均衡脉冲宽度
参数值
12us±0.3us
1.5us±0.3us
4.7us±0.2us
0.3us±0.lus
0.2us±0.1us
0.3us±0.lus
2.35μs±0.lus
特性项目
场同步齿脉冲宽度(标称值)
场同步齿脉冲之间槽脉冲宽度
GB3174—1995
续表2
场同步齿脉冲和均衡脉冲边沿建立时间注:④脉冲宽度按前沿、后沿50%幅度点之间的时间计算。8
②脉冲边沿建立时间按10%~90%幅度点之间的时间计算。偶数场
奇数场
图2每一奇数场起始前、后的信号参数值
4.7us±0.2us
0.2us±0.1us
注:第一个场同步齿脉冲前沿与行同步点(^\)相重合处为奇数场第1行的起始点;0为奇数场时间基点。奇数场
注:0、为偶数场时间基点。
图3每一偶数场起始前、后的信号消隧电平
何步电平
图4均衡脉冲和场同步脉冲时间参数细节KAONTKAca
全电视信号特性
全电视信号特性见表3。
3174—1995
3全电视信号特性参数表
特性项目
三基色色度坐标
基准白光及其色度坐标
基色信号电压校正值
亮度信号
加权的色差信号
色差信号幅频特性衰减
色度副载波
(a)副载波频率值及其容差
(b)副载频(fs)与行频(f)间的关系色度副载波的同步
色度副载波调制方式
(a)色度信号组成
(b)调制轴相位及容差
色度信号
(c)色度信号频带
(a)色度信号振幅
(e)色度信号相位
全电视信号组成
(a)色同步信号频率与持续时间
(b)色同步前沿与行同步前沿间隔(c)色同步信号峰-峰值
色同步
(d)色同步信号相应
(e)色同步信号相位及容差
红(R)
绿(G)
蓝(B)
参数值
D#=0.313,y=0.329
约 0. 4;E'R,G,B=(ER,G,B)04
B'y=0.299B'R+0.587B'c+0.114B'BE'-0.493(E'B—E'y),E',=0.877(E'—E'v)相对于低频分量(100kHz)的衰减小于3dB(1.3MHz)或大于20dB(4MHz)foe:4433618.75Hz±5Hz
(1135+1)
+625)
行消隐脉冲后肩上的色同步信号正交平衡调幅
ee=Busin2nf士B'cos2nfst。式中,B',正、负号与色同步信号相位间的关系见图5
E:0°,E:±90°±1°见图5
f±1.3MHz
B'。=NB/?+B3
g-arctg(±E/E,),E'v正、负号见(a)项em=-B'y+ee
fse:2.25us士0.23us(10士1周副载波),见图1中符号h
5.6us±0.1us,见图1中符号g
0.3V土9mV,消隐电平与峰值白电平差值的(43土1.3)%。见图1中符号5
以B调制轴为基准轴的135°
色同步信号相位的符号如下(并见图6):场
场序与
迁回消
隐规律
奇数行
偶数行
±1°,见图5
色同步信号迁回消隐规律
色同步
特性项目
3174—1995
续表3
参数值
迁回消隐规律见(d)项内的表和图6,每个场消隐期间(f)色同步信号迁回消隐
注:1)十Bvcos2nfact行为不倒相行,可称为N行;一B'vcos2nfect行为倒相行,可称为P行。有9行不传送色同步信号。
按图6的顺序这9行依次为:第311~319行,第623~6行,第310~318行,第6225行2)八场循环场序内的第1场这样定义。在该场中第1行行同步脉冲前沿的半幅度点上,从色同步信号里E分量顺推出的连续波相位,为一90≤,<90。+e
135'±1*
90°±1
E相位基准轴
90°±1°
135±1
图5色度调制轴与色同步信号的相位及容差5
TTKAONIKACa-
I、I、I、N-
GB 3174—1995
3.4 1 3.5 1 6 1
312 13:3 1
624 ↓ 625 1
3]5【32
310 31112 31381413152161731831532tes
623 21 1 625
图6色同步信号迁回消隐规律
一场(同步)时间基点。
一第1、5场,第2、6场,第3、7场,第4、8场(参见表3中第12项)。一色同步信号相位+135(箭头向上),一135(箭头向下)。A、B
色同步信号迁回消隐期间。
6射频信号特性
射频信号特性见表4。
表4射频信号特性参数表
特性项目
射频频道带宽(标称值)
伴音载频与图像载频间距
频道下端与图像载频间距
图像已调波上边带宽度(标称值)图像已调波残留下边带宽度(标称值)残留下边带最小衰减值
图像信号调制方式与调制极性
+6.5MHz±0.001MHz
—1.25MHz
20dB(<—1.25MHz)
30dB(—4.43MH2±0.1MHz)
振幅调制,负极性
射频信号辐射
电平(%峰值载
伴音信号调制
特性项目
(a)同步电平
(b)消隐电平
GB3174—1995
续表4
(c)黑电平与消隐电平之差
(d)峰值白电平
(a)调制方式
(b)最大频偏
(c)预加重时间常数
图像已调波包络峰值有效辐射功率与伴音未调制载波有效辐射功率比
电视图像信号群时延频率特性3
注:1)射频频道频带规定参见图7。2)多伴音时的有效辐射功率比由多伴音标准另行规定。参
±50kHz
10:12)
±30ns(0.25MHz~3.0MHz)
±30ns~±20ns(3.0MHz~3.25MHz)±20ns(3.25MHz~4.8MHz)
±20ns~+70/-80ns(4.8MHz5.5MHz)3)群时延值不计快波动(频率<0.8MH2);对电视广播接收机不作群时延预补偿。B
图7电视广播射频频道频带规定
F(MIz)
V一图像信号射频载波频率;S一伴单信号射频载波频率S一下邻频道伴音载波频率,B一频道上端频率界限,B'一频道下端频率界限-TKAONTKACa-
A1100/0/75/0彩条信号定义
GB3174—1995
附录A
100/0/75/0彩条信号
(参考件)
在电视广播系统设备调试和测量中,100/0/75/0彩条信号是一种基本的电测试信号。四个数据依次表示基色信号传送白条、黑条时的相对电平值(100/0)及传送色条时的最大电平和最小电平相对值(75/0)。这里,100对应于峰值白电平700mV。该彩条信号由白条、黑条、三基色(红、绿、蓝)色条和三补色(青、品、黄)色条组成,按它们亮度信号的电平高低自左至右排列,即顺序为白、黄、青、绿、品、红、蓝、黑。
彩条信号参数值
彩条信号参数值见表A1。
彩条内容
色同步
色同步
100/0/75/0彩条信号参数值(1对应700mV)B。
注:①色度信号相位Φ的士(或干)角度值对应于N行/P行。A3
彩条信号行频波形图
彩条信号行频波形图见图A1。
色差信号幅度
色度信号
振幅。
色度信号
相位9
±167.1°
干76.6°
干119.3°
±103.4°
±135°
白电平
消隧电平
网步电平
A4彩条信号失量图
归一值
-3001-0.03
GB3174—1995
色同步
- 0. 133 折
0,422
7—0.2500.250
时间基点On
图A1100/0/75/0彩条信号行频波形图彩条信号失量图见图A2。
色司场信号
0.1522136
0-4439
0.1522225
色司信号
图A2100/0/75/0彩条信号失量图(N行与P行)-TKAONTKACa-bZxz.net
附加说明:
本标准由广播电影电视部提出。3174—1995
本标准由广播电影电视部标准化规划研究所负责技术归口管理。本标准由北京广播学院电视工程系起草。本标准主要起草人张永辉、杨盈昀、柴剑平。
小提示:此标准内容仅展示完整标准里的部分截取内容,若需要完整标准请到上方自行免费下载完整标准文档。
标准图片预览:





- 其它标准
- 热门标准
- GB国家标准
- GB29140-2024 纯碱单位产品能源消耗限额
- GB/T29633.4-2020 南极地名 第4部分:罗马字母拼写
- GB15193.5-2003 骨髓细胞微核试验
- GB/T43225-2023 空间物体登记要求
- GB/T42970-2023 半导体集成电路 视频编解码电路测试方法
- GB/T18721.4-2024 印刷技术 印前数据交换 第4部分:显示用宽色域标准彩色图像数据 [Adobe RGB (1998)/SCID]
- GB/T9771.6-2020 通信用单模光纤 第6部分:宽波长段 光传输用非零色散单模光纤特性
- GB5237.3-2008 铝合金建筑型材 第3部分:电泳涂漆型材
- GB/T15773-1995 水土保持综合治理 验收规范
- GB/T15412-1994 应用电视摄像机云台通用技术条件
- GB28129-2011 乙羧氟草醚原药
- GB30530-2024 二甲基硅氧烷单位产品能源消耗限额
- GB/T17424-2019 差分全球卫星导航系统(DGNSS)技术要求
- GB/T5750.13-2006 生活饮用水标准检验方法 放射性指标
- GB1913.2-1990 漂白浸渍绝缘纸
- 行业新闻
请牢记:“bzxz.net”即是“标准下载”四个汉字汉语拼音首字母与国际顶级域名“.net”的组合。 ©2025 标准下载网 www.bzxz.net 本站邮件:bzxznet@163.com
网站备案号:湘ICP备2025141790号-2
网站备案号:湘ICP备2025141790号-2