- 您的位置:
- 标准下载网 >>
- 标准分类 >>
- 通信行业标准(YD) >>
- YD/T 943-1998 外导体内径为5.6mm、3.8mm及2.8mm射频同轴连接器技术要求和试验方法
【通信行业标准(YD)】 外导体内径为5.6mm、3.8mm及2.8mm射频同轴连接器技术要求和试验方法
本网站 发布时间:
2024-07-09 00:24:45
- YD/T943-1998
- 现行
- 点击下载此标准
标准号:
YD/T 943-1998
标准名称:
外导体内径为5.6mm、3.8mm及2.8mm射频同轴连接器技术要求和试验方法
标准类别:
通信行业标准(YD)
标准状态:
现行-
发布日期:
1998-01-19 -
实施日期:
1998-05-01 出版语种:
简体中文下载格式:
.rar.pdf下载大小:
281.57 KB
点击下载
标准简介:
标准下载解压密码:www.bzxz.net
主题内容:本标准规定了外导体内径为5.6mm、3.8mm及2.8mm的射频连接器的技术要求和试验方法。本标准所规定的同轴连接器的特性阻抗为75Ω,用于数字通信设备和其他电子设备。本标准仅规定了同轴连接器内外径等主要尺寸。 YD/T 943-1998 外导体内径为5.6mm、3.8mm及2.8mm射频同轴连接器技术要求和试验方法 YD/T943-1998
部分标准内容:
ICS: 33. 120. 30
中华人民共和国通信行业标准
YD/T 943—1998
外导体内径为5.6mm、3.8mm
及2.8mm射频同轴连接器
技术要求和试验方法
The Technical reguirements and test methods of R.F. coaxialconnectors with inner diameter of outer conductor 5.6mm,3.8mm,2.&mm1998-01-19 发布
中华人民共和国邮电部发布
1998-05-01 实施
YD/T 943—1998
引用标准
结树尺寸
技术要求
试验方法
环境试验
YD/T 943-1998
射频同轴连接器种类很多,本标准涉及的同轴连接器起用于连接数字通信设备或其他电子设备的射频回路。其特性阻抗为75,频率最高1CHz。本标准参照了国际标准IEC169-13&外导体内径为5.6mm的射频同轴连接器》及(GB11313-89&射频同轴连接器》,并结合国内目前使用情况,规定了外导体内径为5.6mm.3.8mm和2.8mm的同轴连接器插针、插孔的主要尺寸以及上述同轴连接器的电气性能、机械性能技术要求,为科研、生产、使用提供技术依据。
本标准由邮电部电信科学研规划院提出并归口。本标准起草单位:邮电部邮电工业标准化研究所。本标准主要起卓人:余斌转利群越欣欣中华人民共和国通信行业标准
外导体内径为5.6mm.3.8mm及2.8mm射频同轴连接器技术要求和试验方法Thetechnlcal requirementsand test methods ofR.F. coaxialconnectorswith inner diameter of outer conductor 5. 6mm,3. 8mm,2. 8mm范围
YD/T943—1998
本标准规定了外导体内径为5.6mm.3.8mm及2.8mm的射频连接器的技术要求和试验方法。本标准所规定的间轴连接器的特性阻抗为750,用于数字通信设备和其他电子设备。木标准仅规定了同轴连接器内外径等主要尺寸。2引用标准
下列标准所包含的条文,通过在本标准中引用而构成为本标准的条文。本标准出版时,所示版本均为有效。所有标准都会被修订,使用本标准的各方应探讨使用下列标准最新版本的可能性。GB11313-89
射频同轴连接器
电工电子产品环境试验第二部分:试验方法试验Fc和导则,振动(正弦)GB2423.10—1995
电工电子产品基本环境试验规程试验Uc:盐雾试验方法GB2423.17—1993
YD/T 640-93
3结构尺寸
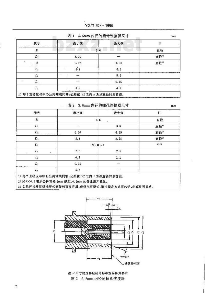
通信设备用射频连接器技术要求及检测方法3.1外导体内径为5.6mm的同轴连接器插针、插孔的结构尺寸见图1、表1及图2、表2。机能
注:尺中的选择应满足标准规保持力要求图1:5.6mm内径的插针连接器
中华人民共和国邮电部1998-01-19批准1998-05-01实施
YD/T 943 --1998
表15.6mm内径的插针连接器尺寸最小值
最大值
1)每个直径应与中心公共轴线同轴,公差在t/2之内;t为该直径的总容差。表25.6mm内径的插孔连接器尺寸代号
最小值
最大值
1)每个直径应与中心公共轴线同轴,公差在:/2之内为该直径的总容差。2)M9×0.5表示公称直径9mm距,0,5mm的普通细牙螺纹。3)如果连接器仅供抽脏式框架和面板应用,或仅作措锁式、推拉锁定方式用的话,此螺纹可省略。e
机械基非面
注尺寸的选择应满足标准规保持力要求图25.6mm内径的插孔连接器
直径\
直径”
直径“
YD/T 943-1998
3.2外导体内径为3.8mm的同轴连接器插针、插孔结构尺寸分别见图3、表3及图4、表4。坐板装定卡筑
机械苯准面
注:D尺寸的选择应满足标准规保持力要求图33.8mm内径的插针连接器
表33.8m内径的插针连接器尺寸
最小值
表43.8mm内径的插孔连接器尺寸最小值
最大值
最大值
3.3外导体内径为2.8mm的同轴连接器插针、插孔结构尺寸分别见图5、表5及图6、表6。mm
YD/T 943- 1998
机械城基准面
注尺寸的选择应满足标准规保持力要求图43.8mm内径的插孔连接器
机基准面
注:1:尺寸的选择应满足标准规保持力要求图52.8mm内径的插针连接器
表52.8mm内径的插针连接器尺寸最小值
最大值
机恢基难面
YD/T 943—1998
续表5
最小值
注:尺于的选挥择应满足标准规保持力要求图62.8mm内径的插孔连接器
表62.8mm内径的插孔连接器尺寸最小值
3.4同轴连接器后接口(与同轴电继连接处)的结构及尺寸见图7及表7表?同轴连接器后接口尺寸
SFYV—75-2—1($3.2)
SFYV: 75 2-1(43.6)
SFYV-75-2-2($4.0)
SYV-75-2 2($4.4)
继口内径
揽口外径
最大值
最大值
压接管内径
SYV-75-4-2($6. )
YD/T 943-1998
续表7
魏口内径
内径取正公差十0.1,外径取负公差一.112压接筛的壁厚为0. 3~0. 5。
缆口外径
(±)统口内、外径尺寸
缓口内径
魏外轻
压接套誉内径
压接套营内径
(b)压接举普内径尺寸
图?铜轴连按器后接口的结构尺寸4技术要求
4.1环境条件
工作温度:A档为—55125℃
B档为—40-85℃
相对湿度:≤95%(温度40℃±2C)大气压力:70~106kPa
4.2外观
产品表面应光洁,不得有锈蚀,裂纹或其他机械损伤,插针头部应钝滑。标志应带固,它的基本内容应齐全。
4.3互换性
同一型号插针连接器和插孔连接器应能互换连接,4.4接触电阻
常态下,内导体接触电阻不大于10m0;外导体接触电阻不大于 2.5mg。环境试验后,内导体接触电阻的增值不大于10mQ,外导体接触电阻的增值不尺于2.5m4.5绝缘电阻
常态及高低温试验后,内外导体之间绝缘电阻应不小十10000M0:热试验后内外导体之间绝缘电阻应不小于1000M2。4.6电压驻波比
连接器的电压驻波比应符合表&的要求。6
4.7耐压
外导体内径(mm)
YD/T 943—1998
电压驻波比(VSWR)
频率(GHa)
0. 233~1. 0
0-~0. 233
0. 233 1. 0
连接器内外导体之间应能承受频率为50Hz,有效值为1000V的交流试验电压,作用时间1min无击穿和飞弧现象。
4.8标准规保持力
当采用规定的标准规对播针或拥孔弹性接触件进行测试时,标准规应能保持不脱落。4.9拨出力
无锁定情况下,拨出力为:2.2~-10N。4.10机械耐久性
配对连接器在无电负荷情况下,经受500次合和分离后,其外观、接触电阻,拔出力应能符合4.2、4.4,4.9条的要求。
4.11夹紧装置抗电继拉伸的能力电继与连接器连接抗电缆拉伸的能力不小于50N。4.12导体蝉性材料
导体弹性材料应为镀青铜、锡磷青铜。4.13镀层厚度下载标准就来标准下载网
连接器内外导体接触区域的镀金厚度应≥2.0u11。5试验方法
试验的标准大气条件为温度15℃~35℃,相对湿度45%~75%,大气压力86~106kPa。5.1结构尺寸检查
用千分尺,游标卡尺进行检查,应符合第3章的规定。5.2外观检查
在适当的照明茶件下,用目测方法观察应符合4.2条的要求。5.3互换性检否
用标准检验样件或能相配连接的同型号产品进行检查,应符合4,3条的要求。5.4接触电阻
按YD/T 640中5.4条规定进行测试,其结果应符合4.4条的要求。5.5绝缘电阻
按YD/T640中5.5条规定进行测试,选择测试电压IDC500V土50V,其结果应符合4.5条的要求。5.6电压驻波比
接YD/T640中5.8条规定进行测试,其结果应符合4.6条的要求。5. 7耐压
YD/T 943—1998
按YD/T640中5.6条规定进行测试,应无击穿和飞弧现象。5.8标准规保持力
5.8.1插针连接器外接触件标准规尺寸a)外导体内径为 5. 6mm 的标准规结构尺小见图 8及表 9,表10。注:了为插人深度
20°±1
图8插针连接外接触件用标准规(外导体内径为5.6mm)表 9图8所示标准规的尺寸
最小值
表10图8所示标准规的尺小
标准规A(用于稳定尺寸》
最小值
最大值
材料:碳素.工具钢T钢,表面粗糙度R=0.4um最大值
标准规B(用于测量外接触件保持力)重量170g
最小值
b)外导体内径为 3. 8mm 的标准规结构尺寸见图 9 及表 11 。最大值
YD/T943..1998
插针连接器外接触件羽标准规(外导体内径为3.8mm)表 11 图 9所示标准规的尺寸
标准规A(用于稳定尺十)
最小值
最大值
材料,碳紊工具钢 T钢,表面粗鞘度 H,=0. 4μm标准规B(用丁测量外接融件保持力)重量170g
最小值
c)外导体内径为2.8mm的标准规结构尺寸见图10及表12,R0.9±0.05
图10插针连接器外接触件用标推规(外导体内径为2.8rom)表12图10所示标规的尺寸
标准规A(用于稳定尺寸)
最小值
材料:滚球钢,表面粗糙度R.=D.4μm最大值
最大值
标准规 F(用于外接触件保持力)重量170g
最小症
最大值
5.8.2将标准规A插人或劣入连接器外接触件一欢,以稳定尺寸。然后,将标准规B插入或套入连接器外接触件并处于向下垂直位置,此时标准规应能保持不脱落。
小提示:此标准内容仅展示完整标准里的部分截取内容,若需要完整标准请到上方自行免费下载完整标准文档。
中华人民共和国通信行业标准
YD/T 943—1998
外导体内径为5.6mm、3.8mm
及2.8mm射频同轴连接器
技术要求和试验方法
The Technical reguirements and test methods of R.F. coaxialconnectors with inner diameter of outer conductor 5.6mm,3.8mm,2.&mm1998-01-19 发布
中华人民共和国邮电部发布
1998-05-01 实施
YD/T 943—1998
引用标准
结树尺寸
技术要求
试验方法
环境试验
YD/T 943-1998
射频同轴连接器种类很多,本标准涉及的同轴连接器起用于连接数字通信设备或其他电子设备的射频回路。其特性阻抗为75,频率最高1CHz。本标准参照了国际标准IEC169-13&外导体内径为5.6mm的射频同轴连接器》及(GB11313-89&射频同轴连接器》,并结合国内目前使用情况,规定了外导体内径为5.6mm.3.8mm和2.8mm的同轴连接器插针、插孔的主要尺寸以及上述同轴连接器的电气性能、机械性能技术要求,为科研、生产、使用提供技术依据。
本标准由邮电部电信科学研规划院提出并归口。本标准起草单位:邮电部邮电工业标准化研究所。本标准主要起卓人:余斌转利群越欣欣中华人民共和国通信行业标准
外导体内径为5.6mm.3.8mm及2.8mm射频同轴连接器技术要求和试验方法Thetechnlcal requirementsand test methods ofR.F. coaxialconnectorswith inner diameter of outer conductor 5. 6mm,3. 8mm,2. 8mm范围
YD/T943—1998
本标准规定了外导体内径为5.6mm.3.8mm及2.8mm的射频连接器的技术要求和试验方法。本标准所规定的间轴连接器的特性阻抗为750,用于数字通信设备和其他电子设备。木标准仅规定了同轴连接器内外径等主要尺寸。2引用标准
下列标准所包含的条文,通过在本标准中引用而构成为本标准的条文。本标准出版时,所示版本均为有效。所有标准都会被修订,使用本标准的各方应探讨使用下列标准最新版本的可能性。GB11313-89
射频同轴连接器
电工电子产品环境试验第二部分:试验方法试验Fc和导则,振动(正弦)GB2423.10—1995
电工电子产品基本环境试验规程试验Uc:盐雾试验方法GB2423.17—1993
YD/T 640-93
3结构尺寸
通信设备用射频连接器技术要求及检测方法3.1外导体内径为5.6mm的同轴连接器插针、插孔的结构尺寸见图1、表1及图2、表2。机能
注:尺中的选择应满足标准规保持力要求图1:5.6mm内径的插针连接器
中华人民共和国邮电部1998-01-19批准1998-05-01实施
YD/T 943 --1998
表15.6mm内径的插针连接器尺寸最小值
最大值
1)每个直径应与中心公共轴线同轴,公差在t/2之内;t为该直径的总容差。表25.6mm内径的插孔连接器尺寸代号
最小值
最大值
1)每个直径应与中心公共轴线同轴,公差在:/2之内为该直径的总容差。2)M9×0.5表示公称直径9mm距,0,5mm的普通细牙螺纹。3)如果连接器仅供抽脏式框架和面板应用,或仅作措锁式、推拉锁定方式用的话,此螺纹可省略。e
机械基非面
注尺寸的选择应满足标准规保持力要求图25.6mm内径的插孔连接器
直径\
直径”
直径“
YD/T 943-1998
3.2外导体内径为3.8mm的同轴连接器插针、插孔结构尺寸分别见图3、表3及图4、表4。坐板装定卡筑
机械苯准面
注:D尺寸的选择应满足标准规保持力要求图33.8mm内径的插针连接器
表33.8m内径的插针连接器尺寸
最小值
表43.8mm内径的插孔连接器尺寸最小值
最大值
最大值
3.3外导体内径为2.8mm的同轴连接器插针、插孔结构尺寸分别见图5、表5及图6、表6。mm
YD/T 943- 1998
机械城基准面
注尺寸的选择应满足标准规保持力要求图43.8mm内径的插孔连接器
机基准面
注:1:尺寸的选择应满足标准规保持力要求图52.8mm内径的插针连接器
表52.8mm内径的插针连接器尺寸最小值
最大值
机恢基难面
YD/T 943—1998
续表5
最小值
注:尺于的选挥择应满足标准规保持力要求图62.8mm内径的插孔连接器
表62.8mm内径的插孔连接器尺寸最小值
3.4同轴连接器后接口(与同轴电继连接处)的结构及尺寸见图7及表7表?同轴连接器后接口尺寸
SFYV—75-2—1($3.2)
SFYV: 75 2-1(43.6)
SFYV-75-2-2($4.0)
SYV-75-2 2($4.4)
继口内径
揽口外径
最大值
最大值
压接管内径
SYV-75-4-2($6. )
YD/T 943-1998
续表7
魏口内径
内径取正公差十0.1,外径取负公差一.112压接筛的壁厚为0. 3~0. 5。
缆口外径
(±)统口内、外径尺寸
缓口内径
魏外轻
压接套誉内径
压接套营内径
(b)压接举普内径尺寸
图?铜轴连按器后接口的结构尺寸4技术要求
4.1环境条件
工作温度:A档为—55125℃
B档为—40-85℃
相对湿度:≤95%(温度40℃±2C)大气压力:70~106kPa
4.2外观
产品表面应光洁,不得有锈蚀,裂纹或其他机械损伤,插针头部应钝滑。标志应带固,它的基本内容应齐全。
4.3互换性
同一型号插针连接器和插孔连接器应能互换连接,4.4接触电阻
常态下,内导体接触电阻不大于10m0;外导体接触电阻不大于 2.5mg。环境试验后,内导体接触电阻的增值不大于10mQ,外导体接触电阻的增值不尺于2.5m4.5绝缘电阻
常态及高低温试验后,内外导体之间绝缘电阻应不小十10000M0:热试验后内外导体之间绝缘电阻应不小于1000M2。4.6电压驻波比
连接器的电压驻波比应符合表&的要求。6
4.7耐压
外导体内径(mm)
YD/T 943—1998
电压驻波比(VSWR)
频率(GHa)
0. 233~1. 0
0-~0. 233
0. 233 1. 0
连接器内外导体之间应能承受频率为50Hz,有效值为1000V的交流试验电压,作用时间1min无击穿和飞弧现象。
4.8标准规保持力
当采用规定的标准规对播针或拥孔弹性接触件进行测试时,标准规应能保持不脱落。4.9拨出力
无锁定情况下,拨出力为:2.2~-10N。4.10机械耐久性
配对连接器在无电负荷情况下,经受500次合和分离后,其外观、接触电阻,拔出力应能符合4.2、4.4,4.9条的要求。
4.11夹紧装置抗电继拉伸的能力电继与连接器连接抗电缆拉伸的能力不小于50N。4.12导体蝉性材料
导体弹性材料应为镀青铜、锡磷青铜。4.13镀层厚度下载标准就来标准下载网
连接器内外导体接触区域的镀金厚度应≥2.0u11。5试验方法
试验的标准大气条件为温度15℃~35℃,相对湿度45%~75%,大气压力86~106kPa。5.1结构尺寸检查
用千分尺,游标卡尺进行检查,应符合第3章的规定。5.2外观检查
在适当的照明茶件下,用目测方法观察应符合4.2条的要求。5.3互换性检否
用标准检验样件或能相配连接的同型号产品进行检查,应符合4,3条的要求。5.4接触电阻
按YD/T 640中5.4条规定进行测试,其结果应符合4.4条的要求。5.5绝缘电阻
按YD/T640中5.5条规定进行测试,选择测试电压IDC500V土50V,其结果应符合4.5条的要求。5.6电压驻波比
接YD/T640中5.8条规定进行测试,其结果应符合4.6条的要求。5. 7耐压
YD/T 943—1998
按YD/T640中5.6条规定进行测试,应无击穿和飞弧现象。5.8标准规保持力
5.8.1插针连接器外接触件标准规尺寸a)外导体内径为 5. 6mm 的标准规结构尺小见图 8及表 9,表10。注:了为插人深度
20°±1
图8插针连接外接触件用标准规(外导体内径为5.6mm)表 9图8所示标准规的尺寸
最小值
表10图8所示标准规的尺小
标准规A(用于稳定尺寸》
最小值
最大值
材料:碳素.工具钢T钢,表面粗糙度R=0.4um最大值
标准规B(用于测量外接触件保持力)重量170g
最小值
b)外导体内径为 3. 8mm 的标准规结构尺寸见图 9 及表 11 。最大值
YD/T943..1998
插针连接器外接触件羽标准规(外导体内径为3.8mm)表 11 图 9所示标准规的尺寸
标准规A(用于稳定尺十)
最小值
最大值
材料,碳紊工具钢 T钢,表面粗鞘度 H,=0. 4μm标准规B(用丁测量外接融件保持力)重量170g
最小值
c)外导体内径为2.8mm的标准规结构尺寸见图10及表12,R0.9±0.05
图10插针连接器外接触件用标推规(外导体内径为2.8rom)表12图10所示标规的尺寸
标准规A(用于稳定尺寸)
最小值
材料:滚球钢,表面粗糙度R.=D.4μm最大值
最大值
标准规 F(用于外接触件保持力)重量170g
最小症
最大值
5.8.2将标准规A插人或劣入连接器外接触件一欢,以稳定尺寸。然后,将标准规B插入或套入连接器外接触件并处于向下垂直位置,此时标准规应能保持不脱落。
小提示:此标准内容仅展示完整标准里的部分截取内容,若需要完整标准请到上方自行免费下载完整标准文档。
标准图片预览:





- 热门标准
- 通信行业标准(YD)
- YD/T2573-2017 代替 YD/T 2573-2013 LTE FDD 数字蜂窝移动通信网基站设备技术要求(第一阶段)
- YD/T2786.1-2014 支持多业务承载的 IP/MPLS 网络管理技术要求 第1部分:基本原则
- YD/T1669-2007 离网型通信用风/光互补供电系统
- YD/T2890-2015 基于 LTE 技术的宽带集群通信(B-TrunC)系统接口测试方法(第一阶段)集群核心网到调度台接口
- YD/T1011-1999 数字同步网独立型节点从钟设备技术要求及测试方法
- YD/T823-1996 骨架式通信用室外光缆
- YD/T837.3-1996 铜芯聚烯烃绝缘铝塑综合护套市内通信电缆试验方法 第3部分:机械物理性能试验方法
- YD/T1272.1-2003 光纤活动连接器 第一部分:LC型
- YD/T1542-2006 信号网络浪涌保护器(SPD)技术要求和测试方法
- YD/T1642-2007 互联网业务服务质量测试方法
- YD/T1656-2007 采用边界网关协议多协议扩展(BGP-MP)的基于IPv6骨干网的IPv4网络互联(4 over 6)技术要求
- YD/T723.1-2007 通信电缆光缆用金属塑料复合带 第1部分:总则
- YD/T1745-2008 传送网安全防护检测要求
- YD/T1419.2-2005 接入网用单纤双向三端口光组件技术条件 第2部分:用于基于以太网方式的无源光网络(EPON)光网络单(ONU)的单纤双向三端口光组件
- YDB026-2008 基于ParLayX应用程序接口的企业应用业务的技术要求
- 行业新闻
请牢记:“bzxz.net”即是“标准下载”四个汉字汉语拼音首字母与国际顶级域名“.net”的组合。 ©2025 标准下载网 www.bzxz.net 本站邮件:bzxznet@163.com
网站备案号:湘ICP备2025141790号-2
网站备案号:湘ICP备2025141790号-2