- 您的位置:
- 标准下载网 >>
- 标准分类 >>
- 国家标准(GB) >>
- GB/T 7252-1987 变压器油中溶解气体分析和判断导则
标准号:
GB/T 7252-1987
标准名称:
变压器油中溶解气体分析和判断导则
标准类别:
国家标准(GB)
标准状态:
已作废-
实施日期:
1987-10-01 -
作废日期:
2002-04-01 出版语种:
简体中文下载格式:
.rar.pdf下载大小:
510.95 KB
替代情况:
被GB/T 7252-2001代替
部分标准内容:
1总则
1.1概述
中华人民共和国国家标准
变压器油中溶解气体
分析和判断导则
Guide for the analysis and the diagnosisof gases dissolved in transformer oilUDC621.315.615
:621.314:543
GB7252
2—87
正常情况下充油电气设备内的绝缘油及有机绝缘材料,在热和电的作用下,会逐渐老化和分解,产生少量的各种低分子烃类及二氧化碳、一一氧化碳等气体,这些气体大部分溶解在油中。当存在潜伏性过热或放电故障时,就会加快这些气体的产生速度。随着故障发展,分解出的气体形成的气泡在油里经对流、扩散,不断地溶解在油中。在变压器里,当产气速率大于溶解速率时,会有一部分气体进人气体继电器。故障气体的组成和含量与故障的类型和故障的严重程度有密切关系。因此,分析溶解于油中的气体,就能尽早发现设备内部存在的潜伏性故障并可随时掌握故障的发展情况。当变压器的气体继电器内出现气体时,分析其中的气体,同样有助于对设备的情况作出判断。1.2适用范围
本导则适用于充油电气设备,其中包括变压器、电抗器、电流互感器、电压互感器、充油套管等。1.3检测周期
出厂前的检测按有关规定执行并提供试验数据。投运时及运行中的设备按SD187--86《变压器油中溶解气体分析和判断导则》执行。2取样
2.1从充油电气设备中取油样
2.1.1概述
取样部位应注意所取的油样能代表油箱本体的油。一般应在设备下部的取样阀门取油样,在特殊情况下,可由不同的取样点取样
取样量,对大油量的变压器、电抗器等可为50~~~250ml,对少油量的设备要尽量少取,以够用为限。2.1.2取油样的容器
应使用密封良好的玻璃注射器取油样,当注射器充有油样时,芯子能自由滑动,可以补偿油的体积随温度的变化,使内外压力平衡。2.1.3取油样的方法
一般对电力变压器及电抗器可在运行中取油样。对需要设备停电取样时,应在停运后尽快取样。对于可能产生负压的密封设备,应防止负压进气。设备的取样阀门应配上带有小嘴的连接器,在小嘴上接软管。取样前应排除取样管路中及取样阀门内的空气和“死油”,同时用设备本体的油冲洗管路(少油量设备可不进行此步骤)。取油样时油流应平缓。
国家标准局1987-02-09发布
1987-10-01实施
GB7252—87
用注射器取样时,最好在注射器和软管之间接一小型金属三通阀,如图1所示,按下述步骤取样:将“死油”经三通阀排掉;转动三通阀使少量油进人注射器;转动三通阀并推压注射器芯子,排除注射器内的空气和油,转动三通阀使油样在静压力作用下自动进人注射器(不应拉注射器芯子,以免吸人空气或对油样脱气)。当取到足够的油样时,关闭三通阀和取样阀,取下注射器,用小胶头封闭注射器(尽量排尽小胶头内的空气)。整个操作过程应特别注意保持注射器芯子的干净,以免卡涩。?
a.冲洗连接管路
h.冲洗注射器
c.排空注射器
e.取下注射器
图 1用注射器取样示意图
①连接胶管,②一三通阀,③—注射器2.2从气体继电器放气嘴取气样
2.2.1概述
当气体继电器内有气体聚集时,应取气样进行色谱分析。这些气体的组分和含量是判断设备是否存在故障及故障性质的重要依据之一。为减少不同组分有不同回溶率的影响,必须在尽可能短的时间内取出气样,并尽快分析。
2.2.2取气样的容器
应使用密封良好的玻璃注射器取气样。取样前应用设备本体油润湿注射器,以保证注射器滑润和密封。
2.2.3取气样的方法
取气样时应在气体继电器的放气嘴上套一小段乳胶管,乳胶管的另一头接一个小型金属三通阀与注射器连接(要注意乳胶管的内径与气体继电器的放气嘴及金属三通阀连接处要密封)。操作步骤和连接方法如图1所示:转动三通阀的方向,用气体继电器内的气体冲洗连接管路及注射器,转动三通阀,排空注射器,再转动三通阀取气样。取样后,关闭放气嘴,转动三通阀的方向使之封住注射器口,把注射器连同三通阀和乳胶管起取下来,然后再取下三通阀,立即改用小胶头封住注射器(尽可能排尽小胶头内的空气)。
GB 7252—87
取气时应注意不要让油进人注射器并注意人身安全。2.3样品的保存和运输
油样和气样应尽快进行分析,油样保存期不得超过4天,气样保存期应更短些。在运输过程及分析前的放置时间内,必须保证注射器的芯子不卡涩。油样和气样都必须避光保存,在运输过程中应尽量避免剧烈振荡。油样和气样空运时要避免气压变化的影响。
2.4样品的标签
取样后的容器应立即贴上标签。推荐的标签格式见附录B(参考件)。3从油中脱出溶解气体
3.1脱气方法
目前常用的脱气方法分类如图2所示。水锻法
真空泵法
脱气方法
薄膜法
饱和食盐水法
水银托里拆利真空法bzxz.net
游解平衡法 (机械摄据法)
图2常用脱气装置分类
不带搅择次脱气
一次脱气
多改脱气
图2中除水银法外的三类真空法均属于不完全的脱气方法,在油中溶解度越大的气体脱出率越低。不同的脱气装置或同一装置采用不同的真空度,将造成分析结果的差异。因此使用真空释放法脱气,必须对脱气装置的脱气率进行校核。溶解平衡法目前使用的是机振荡法,其特点是操作简便,重复性和再现性一般能满足要求,但测试结果的准确性主要取决于所采用的奥斯特瓦尔德(Ostwald)系数K值的准确性。奥斯特瓦尔德系数定义为:
液相中气体浓度(C.)
气相中气体浓度(C)
即:当气,液两相达到平衡时,对某特定气体来说:Cai=K,C
式中·Coi--在平衡条件下,溶解在油中组分i的浓度,Ppm;Cei—一在平衡条件下,气相中组分i的浓度,Ppm;K.
组分i的奥斯特瓦尔德系数。
各种气体在矿物绝缘油中的奥斯特瓦尔德系数见表1。227
氢(H2)
氮(N2)
一氧化碳(CO)
氧(O2)
甲烷(CH.)
GB 7252—87
表1各种气体在矿物绝缘油中的奥斯特瓦尔德系数KK
二氧化碳(CO,)
乙炔(C2H2)
乙烯(C,H)
乙烷(C2H。)
丙烷(C.Hg)
脱气这一环节是油中溶解气体分析结果差异的主要来源。故要达到本导则第4.3.5款所要求的平行试验的一致性,必须首先保证脱气结果的重复性。3.2脱气装置的密封性
脱气装置应保证良好的密封性,真空泵抽气装置应接人真空计以监视脱气前真空系统的真空度(般残压不应高于40Pa),要求真空系统在泵停止抽气的情况下,在两倍脱气所需的时间内残压无显著上升。用于溶解平衡法的玻璃注射器应对其密封性进行检查。3.3脱气率
为了尽量减少因脱气这一操作环节所造成的分析结果的差异,使用不完全脱气方法时,应测出所使用的脱气装置对每种被测气体的脱气率,并用脱气率将分析结果换算到油中溶解的各种气体的真实含量。各组分脱气率的定义是:
式中:Ui—-脱出气体中某组分的含量,ppm;U。i油样中实有某组分的含量,ppm。(3))
可用已知各组分浓度的油样来校核脱气装置的脱气率。脱气率一般不容易测准,因受油的粘度,温度,大气压力等因素的影响,即使是同一台脱气装置,其脱气率也不会是一个常数,因此,一般采取多次校核的平均值。
3.4其他注意事项
因脱气装置的结构不同,容量不同,故用油量不作统一规定,但同~装置的每次试验应尽可能使用同样的油量。必须测出使用油样的体积和脱出气体的体积,至少精确到两位有效数字。为了提高脱气效率和降低测试的最小检知浓度,对真空脱气法般要求脱气室体积和进油样体积相差越大越好。对溶解平衡法在满足分析进样量要求的前提下,应注意选择最佳的气、液两相体积比。脱气装置应与取样容器连接可靠,防止进油时带人空气。气体自油中脱出后应尽快转移到储气瓶或玻璃注射器中去,以免气体与脱过气的油接触时,因各组分有选择性回溶而改变其组成。脱出的气样应尽快进行分析,避免长时间的储存而造成气体逸散。要注意排净前一个油样在脱气装置中的残油或残气,以免可燃气含量较高的油样污染下一个油样,用真空泵饱和食盐水法脱气时,要注意先对食盐水进行脱气,必要时更换食盐水。228
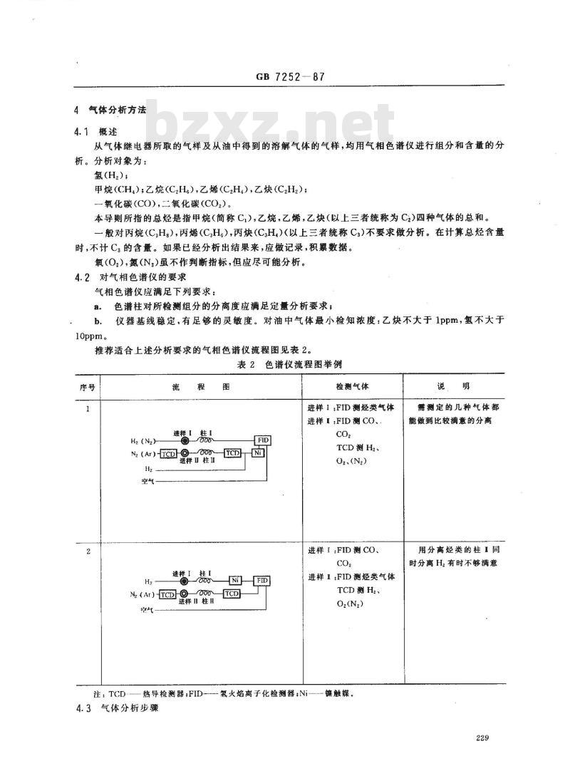
气体分析方法
4.1概述
GB7252—87
从气体继电器所取的气样及从油中得到的溶解气体的气样,均用气相色谱仪进行组分和含量的分析。分析对象为:
氢(H2);
甲烷(CH);乙烷(C,H。),乙烯(C,H),乙炔(C2H22);一氧化碳(CO),二氧化碳(CO,)。本导则所指的总烃是指甲烷(简称C),乙烷,乙烯,乙炔(以上三者统称为C,)四种气体的总和。一般对丙烷(C,H.),丙烯(C,H。),丙炔(C,H)(以上三者统称C)不要求做分析。在计算总烃含量时,不计C的含量。如果已经分析出结果来,应做记录,积累数据。氧(O,),氮(N。)虽不作判断指标,但应尽可能分析。4.2对气相色谱仪的要求
气相色谱仪应满足下列要求:
强。色谱柱对所检测组分的分离度应满足定量分析要求;b.仪器基线稳定,有足够的灵敏度。对油中气体最小检知浓度:乙炔不大于1ppm,氢不大于10ppm。
推荐适合上述分析要求的气相色谱仪流程图见表2。表2色谱仪流程图举例
Hz(N2)
选!慧!
N2 (Ar)Tcd @-000-
进样柱
选样!
N (Ar)TCDo
进样 Ⅱ柱 11
检测气体
进样1:FID测经类气体
进样I:FID测CO、
TCD 测 H2 ~
O2、(N2)
进样 I :FID 测 CO、
进样I:FID测经类气体
TCD 测 H2
注:TCD..——-热导检测器,FID氢火焰离子化检器Ni4.3气体分析步骤
镶触媒。
需测定的几种气体都
能做到比较满意的分离
用分离烃类的柱1同
时分离 H,有时不够满意
4.3.1进样
GB 7252-—87
通常使用注射器进样。应选择气密性好并经校谁的注射器,以保证良好的进样重复性。4.3.2仪器的标定
用外标法对各组分进行定性和定量分析。用测量每个组分的保留时间对各组分定性,用测量其色谱峰面积或峰高进行定量。
影响色谱仪灵敏度的因素很多,为保证测试结果的准确性,至少应在分析的当天用外标气样标定一次。
外标气样有如下两种:
混合标气:由有关部门专门配制的适当浓度并准确标定的包括各测定组分的混合气样。a.
自配标气:用己知浓度的“纯”气样自行配制的标准气样。b.
配标准气样可以用特制的大容量配气瓶或100ml玻璃注射器。以载气为底气,注人定量的“纯”气,混合均匀后即可使用。配气用的所有容器及注射器的真实容积都必须用蒸馏水称重法精确校准。配好的气样一般不宜在配气容器中长时间储存,以免因气体逸散而影响标定的准确性。为了提高分析的准确度,应尽可能采用混合标气标定。用注射器进样时,仪器的标定和组分测定必须用同一注射器,并且进样体积应相同,以减少误差。色谱峰面积的测量
各组分峰面积最好用积分仪测量,也可以用测量峰高和半高峰宽来计算。为保证半高蜂宽测量的准确性,应采用较快的记录纸速,并最好采用读数放大镜。如果同一组分的半高峰宽在标定和所分析的样品浓度范围内变化不大,则可以只测量若干个该组分的半高峰宽,以其平均值作为计算的依据。4.3.3分析结果的表示方法
分析结果用每升油中所含各气体组分的微升数以ppm表示。由于油的体积随温度和压力变化不大,一般可以不进行修正。对于脱出的气体则应换算到压力为101325Pa,温度为20℃时的体积。换算公式为:p
V,=V'101325°273+
式中:Vg—1
脱出气体换算到压力为101325Pa,温度为20℃时的体积,ml;V一脱出气体在压力为P温度为t时的实测体积,ml;P一—脱出气体压力(脱气时的大气压),Pa;t—---环境温度,℃。
分析结果的记录符号:
“0\表示未测出数据”
b.“”表示对该组分未作分析;c.当小于0.5ppm时,以“痕”表示;d.当大于或等于0.5ppm时,记录实测数据。4.3.4计算
若使用积分仪测量峰面积,可采用下式计算各组分浓度:f.Vs.A.
式中:C——组分i的浓度,ppm;C,——\外标物的浓度,ppm;
f—组分i的克分子相对校正因子;230
(4)
(5)
脱气装置对组分i的脱气率;
GB 7252-87
V脱出气体在压力为101325Pa,温度为20℃时的体积,ml,V。--被脱气的油样体积,ml;
A--—组分i在积分仪上给出的峰面积,mV·s;A,-外标物在积分仪上给出的峰面积,mV·s。当不使用积分仪时,若外标物与被测组分一致,则采用下式计算各组分的浓度:l.V..k.c.
式中:7i,C,C,VV。的意义和单位与(5)式同;h;—组分i的峰高,mm;
h.外标物的峰高.mm,
k-测定组分i时仪器的讯号衰减倍数;k,—标定时仪器的讯号衰减倍数。中中
若外标物与被测组分不致时,则需要测量峰高和半高峰宽,用下式来计算各组分的浓度:f.V.Ww.h.k.\.C.
式中:fi,ni,Ci,C.,V,Vo,hi,hg,ki,k.的意义和单位与(6)式同;Wh/2i-
组分i的半高峰宽,mm;
Wh/2-—-—外标物的半高峰宽,mm;M测定组分i时仪器所用的纸速,mm/min;Ma—标定时仪器所用的纸速,mm/min。(6)
当使用氢火焰离子化鉴定器,以乙烯或乙炔为外标物时,各种气体的克分子相对校正因子可采用表3所列的数值。
表3各种气体在氢火焰离子化检测器上的克分子相对校正因子f气体组分
以 C,H4为外标物
以 C,Hz 为外标物
用转化法在氢火焰离子化检测器上测定一氧化碳、二氧化碳时,应对镍触媒将一氧化碳、二氧化碳转化为甲烷的转化率作考察。若转化率视为100%时,则可采用甲烷的克分子相对校正因子进行计算。4.3.5试验结果的重复性和再现性本试验方法从取样到取得分析结果之间操作环节较多,应力求减少每个操作环节可能带来的误差。对同-气样的多次进样的分析结果,应在其平均值的士1.5%以内。应检验配气装置及操作方法的重复性,要求配气结果的重复性在平均值的士2.5%以内。对分析结果的重复性和再现性的要求是:同一试验室的两个平行试验结果,当含量在10ppm以下时,相差不应大于1ppm;当含量在10ppm以上时,不应大于平均值的10%。不同试验室间的平行试验结果相差不应大于平均值的30%。5试验结果的判断
5.1油和固体绝缘材料产生的气体231
GB 7252-87
油和固体绝缘材料在电或热的作用下分解产生的各种气体中,对判断故障有价值的气体有甲烷、乙烷、乙烯、乙炔、氢、一氧化碳、二氧化碳。正带运行的老化过程产生的气体主要是一氧化碳和二氧化碳。在油纸绝缘中存在局部放电时,油裂解产生的气体主要是氢和甲烷。在故障温度高于正常运行温度不多时。产生的气体主要是甲烷。随着故障温度的升高,乙烯和乙烷逐渐成为主要特征。在温度高于1000℃时,例如在电弧弧道温度(3000℃以上)的作用下,油裂解产生的气体中含有较多的乙炔。如果故障涉及到固体绝缘材料时,会产生较多的一氧化碳和二氧化碳。表4为不同故障类型产生的气体组分。
表4不同故障类型产生的气体组分故障类型
油过热
油和纸过热
油纸绝缘中局部放电
油中火花放电
油中电弧
油和纸中电弧
进水受潮或油中气泡
主要气体组分
CH,C,H,.CO,CO2
H2.CH .C2H2,CO
C,H2,Hz
H2,C,H2
H2.C,H2 ,CO,CO2
H,C,H。
次要气体组分
CH,C,H..C,H
CH,,C2H,C,H.
有时设备内并不存在故障,而由于其他原因,在油中也会出现上述气体,要注意这些可能引起误判断的气体来源。例如:有载调压变压器中切换开关油室的油向变压器本体渗漏或某种范围开关动作时悬浮电位放电的影响;设备曾经有过故障,而故障排除后绝缘油未经彻底脱气,部分残余气体仍留在油中;设备油箱曾带油补焊,原注人的油就含有某几种气体等。还应注意油冷却系统附属设备(如潜油泵,油流继电器等)的故障产生的气体也会进人到变压器本体的油中。5.2油中溶解气体的注意值
5.2.1运行中的设备
运行中设备内部油中气体含量超过表5所列数值时,应引起注意。表5油中溶解气体含量的注意值①设
变压器
电抗器
互感器
气体组分
含量,ppm
注:①气体浓度达到注意值时,应进行追踪分析、查明原因。注意值不是刻分设备有无故障的唯一标准。该表数值不适用于从气体继电器放气嘴取出的气样。②影响电流互感器和电容式套管油中氢气含量的因紊较多,有的氢气含量低于表中数值,若增加较快,也应引起注意;有的只有氢气含量超过表中数值,若无明显增加趋势,也可判断为正常。232
GB 7252—87
仅仅根据分析结果的绝对值是很难对故障的严重性作出正确判断的,必须考察故障的发展趋势,也就是故障点(如果存在的话)的产气速率。产气速率是与故障消耗能量大小、故障部位、故障点的温度等情况直接有关的。
推荐下列两种方式来表示产气速率(未考虑气体损失):绝对产气速率即每运行小时产生某种气体的平均值,按下式计算:a.
Ciz—Cin。
式:---绝对产气速率,ml/h
Ciz-—第二次取样测得油中某气体浓度,ppm;Ci-第一次取样测得油中某气体浓度,ppm;△次取样时间间隔中的实际运行时间,h;G-设备总油量,t;
0---一油的密度,t/m\。
变压器和电抗器总烃产气速率的注意值如表6所示。10
表6总烃产气速率的注意值
设备型式
产气速率,ml/h
注:当产气速率达到注意值时,应进行追踪分析,开放式
隔膜式
b.相对产气速率即每运行月(或折算到月)某种气体含量增加原有值的百分数的平均值,按下式计算:
式中:,—→-相对产气速率,%/月,Cia-Ci.
Ciz—第二次取样测得油中某气体浓度,ppm;Ci..第次取样测得油中某气体浓度,ppmA
二次取样时间间隔中的实际运行时间,月。1
相对产气速率也可以用来判断充油电气设备内部状况,总烃的相对产气速率大于10%时应引起注意。对总烃起始含量很低的设备不宜采用此判据。5.2.2出广和新投运的设备
出厂和新投运的设备,油中不应含有乙炔,其他各组分也应该很低。出广试验前后两次分析结果不应有明显差别。
5.3对一氧化碳和二氧化碳的判断当故障涉及到固体绝缘时会引起一氧化碳和二氧化碳含量的明显增长。但根据现有统计资料,固体绝缘的正常老化过程与故障情况下劣化分解,表现在油中一氧化碳的含量上,-般情况下没有严格的界限,二氧化碳含量的规律更不明显。因此,在考察这两种气体含量时更应注意结合具体变压器的结构特点(如油保护方式),运行温度,负荷情况,运行历史等情况加以综合分析。对开放式变压器氧化碳含量一般在300ppm以下。如总烃含量超出正常范围,而一氧化碳含量超过300ppm,应考虑有涉及到固体绝缘过热的可能性,若-氧化碳含量虽然超过300ppm,但总烃含量233
GB7252—87
在正常范围,一般可认为是正常的;对某些有双饼式线圈带附加外包绝缘的变压器,当一氧化碳含量超过300ppm时,即使总烃含量正常,也可能有固体绝缘过热故障。对贮油柜中带有胶囊或隔膜的变压器,油中一氧化碳含量一般均高于开放式变压器。突发性绝缘击穿事故时,油中溶解气体中的-·氧化碳、二氧化碳含量不一定高,应结合气体继电器中的气体分析作判断。
5.4判断故障性质的三比值法
本导则推荐采用三比值法(五种特征气体的三对比值作为判断变压器或电抗器等充油电气设备故障性质的主要方法。三对比值以不同的编码表示。三比值法的编码规则和判断方法分别见表7和表8。表7三比值法的编码规则
比值范围编码
特征气体的比值
故障性质
无故障
低能量密度的局
高能意密度的局
部放电
低能量的放电
高能量放电
1-→2
例如:
判断故障性质的三比值法
比值范围编码
正常老化
=1~3时、编码为1;
1~3时,编码为 2;
=1~3时,编码为 1
含气空腔中的放电,这种空腔是由于不完全漫溃、气体过饱和、空吸作用或商湿度等原因造成的
同上,但已导致固体绝缘的放电痕迹或穿孔
不同电位的不良连接点间或者悬浮电位体的连续火花放电。固体材料之间油的击穿
有工频续流的放电。线圈、线饼、线匝之间或线翻对地之间的油的电弧击穿。有载分接开关的选择开关切断电流序号
故障性质
低于150的热故
150 ~ 300℃低温
范围的过热故障?
300~700℃中等
温度范围的热故
高于700高温范
围的热故障
GB 7252 ---87
续表8
比值范围编码
通常是包有绝缘层的导线过热
由于磁通集中引起的铁芯局部过热,热点温度依下述情况为序而增加:铁芯中的小热点,铁芯短路,由于祸流引起的铜过热。接头或接触不良(形成焦炭)、铁芯和外壳的环流
注:①随着火花放电强度的增长,特征气体的比值有如下增长的趋势:乙炔/乙烯比值从0.1~3增加到3以上;乙烯/乙烷比值从0.1~3增加到3以上,②在这一情况中,气体主要来自固体绝缘的分解,这说明了乙烯/乙烷比值的变化。③这种故障情况通常由气体浓度的不断增加来反映。甲烷/氢的值通常大约为1。实际值大于或小于1与很多因素有关,如油保护系统的方式,实际的温度水平和油的质量等。(4)乙炔含量的增加表明热点温度可能高于1000C。@③乙炔和乙烯的含量均未达到应引起注意的数值。在应用三比值法时应该注意到:只有根据各组分含量的注意值或产气速率的注意值有理由判断可能存在故障时才能进一步用a.
三比值法判断其故障的性质。对气体含量正常的变压器等设备,比值没有意义。b.表中每-种故障对应于一组比值,对多种故障的联合作用,可能找不到相对应的比值组合。c。在实际中可能出现没有包括在上表中的比值组合,对于某些组合的判断正在研究中。例如,121或122对应于某些过热与放电同时存在的情况;202或201对于有载调压变压器,应考虑切换开关油室的油可能向变压器的本体油箱渗漏的情况。5.5判断故障的步骤
5.5.1运行中的设备
将试验结果的几项主要指标(总烃、甲烷、乙炔、氢)与表5列出的注意值作比较,同时注意产气a.
速率与表6列出的注意值作比较,短期内各种气体含量迅速增加,但尚未超过表5中的数值,也可判为内部有异常状况;有的设备因某种原因使气体含量基值较高,超过表5的注意值,但增长速率低于表6产气速率的注意值,仍可认为是正常设备。b。对一氧化碳和二氧化碳的指标按第5.3条所述原则进行判断。当认为设备内部存在故障时,可用三比值法对故障的类型作出判断。c.
GB 7252---87
d.在气体继电器内出现气体的情况下,应将继电器内气样的分析结果按附录A(补充件)的方法与油中取出气体的分析结果作比较。e根据上述结果以及其他检查性试验(如测量绕组直流电阻空载特性试验、绝缘试验、局部放电试验和测量微量水分等)的结果,并结合该设备的结构、运行、检修等情况,综合分析判断故障的性质及部位,根据具体情况对设备采取不同的处理措施(如缩短试验周期,加强监视,限制负荷;近期安排内部检查,立即停止运行等)。
5.5.2出厂前的设备
按5.2.2款的规定进行比较,并注意积累数据。当根据试验结果怀疑有故障时,应结合其他检查性试验进行综合判断。
5.6设备档案卡片
为了对设备进行长期监视,应建立设备油中溶解气体分析情况的档案卡片。推荐卡片格式见附录C(参考件)。
小提示:此标准内容仅展示完整标准里的部分截取内容,若需要完整标准请到上方自行免费下载完整标准文档。
1.1概述
中华人民共和国国家标准
变压器油中溶解气体
分析和判断导则
Guide for the analysis and the diagnosisof gases dissolved in transformer oilUDC621.315.615
:621.314:543
GB7252
2—87
正常情况下充油电气设备内的绝缘油及有机绝缘材料,在热和电的作用下,会逐渐老化和分解,产生少量的各种低分子烃类及二氧化碳、一一氧化碳等气体,这些气体大部分溶解在油中。当存在潜伏性过热或放电故障时,就会加快这些气体的产生速度。随着故障发展,分解出的气体形成的气泡在油里经对流、扩散,不断地溶解在油中。在变压器里,当产气速率大于溶解速率时,会有一部分气体进人气体继电器。故障气体的组成和含量与故障的类型和故障的严重程度有密切关系。因此,分析溶解于油中的气体,就能尽早发现设备内部存在的潜伏性故障并可随时掌握故障的发展情况。当变压器的气体继电器内出现气体时,分析其中的气体,同样有助于对设备的情况作出判断。1.2适用范围
本导则适用于充油电气设备,其中包括变压器、电抗器、电流互感器、电压互感器、充油套管等。1.3检测周期
出厂前的检测按有关规定执行并提供试验数据。投运时及运行中的设备按SD187--86《变压器油中溶解气体分析和判断导则》执行。2取样
2.1从充油电气设备中取油样
2.1.1概述
取样部位应注意所取的油样能代表油箱本体的油。一般应在设备下部的取样阀门取油样,在特殊情况下,可由不同的取样点取样
取样量,对大油量的变压器、电抗器等可为50~~~250ml,对少油量的设备要尽量少取,以够用为限。2.1.2取油样的容器
应使用密封良好的玻璃注射器取油样,当注射器充有油样时,芯子能自由滑动,可以补偿油的体积随温度的变化,使内外压力平衡。2.1.3取油样的方法
一般对电力变压器及电抗器可在运行中取油样。对需要设备停电取样时,应在停运后尽快取样。对于可能产生负压的密封设备,应防止负压进气。设备的取样阀门应配上带有小嘴的连接器,在小嘴上接软管。取样前应排除取样管路中及取样阀门内的空气和“死油”,同时用设备本体的油冲洗管路(少油量设备可不进行此步骤)。取油样时油流应平缓。
国家标准局1987-02-09发布
1987-10-01实施
GB7252—87
用注射器取样时,最好在注射器和软管之间接一小型金属三通阀,如图1所示,按下述步骤取样:将“死油”经三通阀排掉;转动三通阀使少量油进人注射器;转动三通阀并推压注射器芯子,排除注射器内的空气和油,转动三通阀使油样在静压力作用下自动进人注射器(不应拉注射器芯子,以免吸人空气或对油样脱气)。当取到足够的油样时,关闭三通阀和取样阀,取下注射器,用小胶头封闭注射器(尽量排尽小胶头内的空气)。整个操作过程应特别注意保持注射器芯子的干净,以免卡涩。?
a.冲洗连接管路
h.冲洗注射器
c.排空注射器
e.取下注射器
图 1用注射器取样示意图
①连接胶管,②一三通阀,③—注射器2.2从气体继电器放气嘴取气样
2.2.1概述
当气体继电器内有气体聚集时,应取气样进行色谱分析。这些气体的组分和含量是判断设备是否存在故障及故障性质的重要依据之一。为减少不同组分有不同回溶率的影响,必须在尽可能短的时间内取出气样,并尽快分析。
2.2.2取气样的容器
应使用密封良好的玻璃注射器取气样。取样前应用设备本体油润湿注射器,以保证注射器滑润和密封。
2.2.3取气样的方法
取气样时应在气体继电器的放气嘴上套一小段乳胶管,乳胶管的另一头接一个小型金属三通阀与注射器连接(要注意乳胶管的内径与气体继电器的放气嘴及金属三通阀连接处要密封)。操作步骤和连接方法如图1所示:转动三通阀的方向,用气体继电器内的气体冲洗连接管路及注射器,转动三通阀,排空注射器,再转动三通阀取气样。取样后,关闭放气嘴,转动三通阀的方向使之封住注射器口,把注射器连同三通阀和乳胶管起取下来,然后再取下三通阀,立即改用小胶头封住注射器(尽可能排尽小胶头内的空气)。
GB 7252—87
取气时应注意不要让油进人注射器并注意人身安全。2.3样品的保存和运输
油样和气样应尽快进行分析,油样保存期不得超过4天,气样保存期应更短些。在运输过程及分析前的放置时间内,必须保证注射器的芯子不卡涩。油样和气样都必须避光保存,在运输过程中应尽量避免剧烈振荡。油样和气样空运时要避免气压变化的影响。
2.4样品的标签
取样后的容器应立即贴上标签。推荐的标签格式见附录B(参考件)。3从油中脱出溶解气体
3.1脱气方法
目前常用的脱气方法分类如图2所示。水锻法
真空泵法
脱气方法
薄膜法
饱和食盐水法
水银托里拆利真空法bzxz.net
游解平衡法 (机械摄据法)
图2常用脱气装置分类
不带搅择次脱气
一次脱气
多改脱气
图2中除水银法外的三类真空法均属于不完全的脱气方法,在油中溶解度越大的气体脱出率越低。不同的脱气装置或同一装置采用不同的真空度,将造成分析结果的差异。因此使用真空释放法脱气,必须对脱气装置的脱气率进行校核。溶解平衡法目前使用的是机振荡法,其特点是操作简便,重复性和再现性一般能满足要求,但测试结果的准确性主要取决于所采用的奥斯特瓦尔德(Ostwald)系数K值的准确性。奥斯特瓦尔德系数定义为:
液相中气体浓度(C.)
气相中气体浓度(C)
即:当气,液两相达到平衡时,对某特定气体来说:Cai=K,C
式中·Coi--在平衡条件下,溶解在油中组分i的浓度,Ppm;Cei—一在平衡条件下,气相中组分i的浓度,Ppm;K.
组分i的奥斯特瓦尔德系数。
各种气体在矿物绝缘油中的奥斯特瓦尔德系数见表1。227
氢(H2)
氮(N2)
一氧化碳(CO)
氧(O2)
甲烷(CH.)
GB 7252—87
表1各种气体在矿物绝缘油中的奥斯特瓦尔德系数KK
二氧化碳(CO,)
乙炔(C2H2)
乙烯(C,H)
乙烷(C2H。)
丙烷(C.Hg)
脱气这一环节是油中溶解气体分析结果差异的主要来源。故要达到本导则第4.3.5款所要求的平行试验的一致性,必须首先保证脱气结果的重复性。3.2脱气装置的密封性
脱气装置应保证良好的密封性,真空泵抽气装置应接人真空计以监视脱气前真空系统的真空度(般残压不应高于40Pa),要求真空系统在泵停止抽气的情况下,在两倍脱气所需的时间内残压无显著上升。用于溶解平衡法的玻璃注射器应对其密封性进行检查。3.3脱气率
为了尽量减少因脱气这一操作环节所造成的分析结果的差异,使用不完全脱气方法时,应测出所使用的脱气装置对每种被测气体的脱气率,并用脱气率将分析结果换算到油中溶解的各种气体的真实含量。各组分脱气率的定义是:
式中:Ui—-脱出气体中某组分的含量,ppm;U。i油样中实有某组分的含量,ppm。(3))
可用已知各组分浓度的油样来校核脱气装置的脱气率。脱气率一般不容易测准,因受油的粘度,温度,大气压力等因素的影响,即使是同一台脱气装置,其脱气率也不会是一个常数,因此,一般采取多次校核的平均值。
3.4其他注意事项
因脱气装置的结构不同,容量不同,故用油量不作统一规定,但同~装置的每次试验应尽可能使用同样的油量。必须测出使用油样的体积和脱出气体的体积,至少精确到两位有效数字。为了提高脱气效率和降低测试的最小检知浓度,对真空脱气法般要求脱气室体积和进油样体积相差越大越好。对溶解平衡法在满足分析进样量要求的前提下,应注意选择最佳的气、液两相体积比。脱气装置应与取样容器连接可靠,防止进油时带人空气。气体自油中脱出后应尽快转移到储气瓶或玻璃注射器中去,以免气体与脱过气的油接触时,因各组分有选择性回溶而改变其组成。脱出的气样应尽快进行分析,避免长时间的储存而造成气体逸散。要注意排净前一个油样在脱气装置中的残油或残气,以免可燃气含量较高的油样污染下一个油样,用真空泵饱和食盐水法脱气时,要注意先对食盐水进行脱气,必要时更换食盐水。228
气体分析方法
4.1概述
GB7252—87
从气体继电器所取的气样及从油中得到的溶解气体的气样,均用气相色谱仪进行组分和含量的分析。分析对象为:
氢(H2);
甲烷(CH);乙烷(C,H。),乙烯(C,H),乙炔(C2H22);一氧化碳(CO),二氧化碳(CO,)。本导则所指的总烃是指甲烷(简称C),乙烷,乙烯,乙炔(以上三者统称为C,)四种气体的总和。一般对丙烷(C,H.),丙烯(C,H。),丙炔(C,H)(以上三者统称C)不要求做分析。在计算总烃含量时,不计C的含量。如果已经分析出结果来,应做记录,积累数据。氧(O,),氮(N。)虽不作判断指标,但应尽可能分析。4.2对气相色谱仪的要求
气相色谱仪应满足下列要求:
强。色谱柱对所检测组分的分离度应满足定量分析要求;b.仪器基线稳定,有足够的灵敏度。对油中气体最小检知浓度:乙炔不大于1ppm,氢不大于10ppm。
推荐适合上述分析要求的气相色谱仪流程图见表2。表2色谱仪流程图举例
Hz(N2)
选!慧!
N2 (Ar)Tcd @-000-
进样柱
选样!
N (Ar)TCDo
进样 Ⅱ柱 11
检测气体
进样1:FID测经类气体
进样I:FID测CO、
TCD 测 H2 ~
O2、(N2)
进样 I :FID 测 CO、
进样I:FID测经类气体
TCD 测 H2
注:TCD..——-热导检测器,FID氢火焰离子化检器Ni4.3气体分析步骤
镶触媒。
需测定的几种气体都
能做到比较满意的分离
用分离烃类的柱1同
时分离 H,有时不够满意
4.3.1进样
GB 7252-—87
通常使用注射器进样。应选择气密性好并经校谁的注射器,以保证良好的进样重复性。4.3.2仪器的标定
用外标法对各组分进行定性和定量分析。用测量每个组分的保留时间对各组分定性,用测量其色谱峰面积或峰高进行定量。
影响色谱仪灵敏度的因素很多,为保证测试结果的准确性,至少应在分析的当天用外标气样标定一次。
外标气样有如下两种:
混合标气:由有关部门专门配制的适当浓度并准确标定的包括各测定组分的混合气样。a.
自配标气:用己知浓度的“纯”气样自行配制的标准气样。b.
配标准气样可以用特制的大容量配气瓶或100ml玻璃注射器。以载气为底气,注人定量的“纯”气,混合均匀后即可使用。配气用的所有容器及注射器的真实容积都必须用蒸馏水称重法精确校准。配好的气样一般不宜在配气容器中长时间储存,以免因气体逸散而影响标定的准确性。为了提高分析的准确度,应尽可能采用混合标气标定。用注射器进样时,仪器的标定和组分测定必须用同一注射器,并且进样体积应相同,以减少误差。色谱峰面积的测量
各组分峰面积最好用积分仪测量,也可以用测量峰高和半高峰宽来计算。为保证半高蜂宽测量的准确性,应采用较快的记录纸速,并最好采用读数放大镜。如果同一组分的半高峰宽在标定和所分析的样品浓度范围内变化不大,则可以只测量若干个该组分的半高峰宽,以其平均值作为计算的依据。4.3.3分析结果的表示方法
分析结果用每升油中所含各气体组分的微升数以ppm表示。由于油的体积随温度和压力变化不大,一般可以不进行修正。对于脱出的气体则应换算到压力为101325Pa,温度为20℃时的体积。换算公式为:p
V,=V'101325°273+
式中:Vg—1
脱出气体换算到压力为101325Pa,温度为20℃时的体积,ml;V一脱出气体在压力为P温度为t时的实测体积,ml;P一—脱出气体压力(脱气时的大气压),Pa;t—---环境温度,℃。
分析结果的记录符号:
“0\表示未测出数据”
b.“”表示对该组分未作分析;c.当小于0.5ppm时,以“痕”表示;d.当大于或等于0.5ppm时,记录实测数据。4.3.4计算
若使用积分仪测量峰面积,可采用下式计算各组分浓度:f.Vs.A.
式中:C——组分i的浓度,ppm;C,——\外标物的浓度,ppm;
f—组分i的克分子相对校正因子;230
(4)
(5)
脱气装置对组分i的脱气率;
GB 7252-87
V脱出气体在压力为101325Pa,温度为20℃时的体积,ml,V。--被脱气的油样体积,ml;
A--—组分i在积分仪上给出的峰面积,mV·s;A,-外标物在积分仪上给出的峰面积,mV·s。当不使用积分仪时,若外标物与被测组分一致,则采用下式计算各组分的浓度:l.V..k.c.
式中:7i,C,C,VV。的意义和单位与(5)式同;h;—组分i的峰高,mm;
h.外标物的峰高.mm,
k-测定组分i时仪器的讯号衰减倍数;k,—标定时仪器的讯号衰减倍数。中中
若外标物与被测组分不致时,则需要测量峰高和半高峰宽,用下式来计算各组分的浓度:f.V.Ww.h.k.\.C.
式中:fi,ni,Ci,C.,V,Vo,hi,hg,ki,k.的意义和单位与(6)式同;Wh/2i-
组分i的半高峰宽,mm;
Wh/2-—-—外标物的半高峰宽,mm;M测定组分i时仪器所用的纸速,mm/min;Ma—标定时仪器所用的纸速,mm/min。(6)
当使用氢火焰离子化鉴定器,以乙烯或乙炔为外标物时,各种气体的克分子相对校正因子可采用表3所列的数值。
表3各种气体在氢火焰离子化检测器上的克分子相对校正因子f气体组分
以 C,H4为外标物
以 C,Hz 为外标物
用转化法在氢火焰离子化检测器上测定一氧化碳、二氧化碳时,应对镍触媒将一氧化碳、二氧化碳转化为甲烷的转化率作考察。若转化率视为100%时,则可采用甲烷的克分子相对校正因子进行计算。4.3.5试验结果的重复性和再现性本试验方法从取样到取得分析结果之间操作环节较多,应力求减少每个操作环节可能带来的误差。对同-气样的多次进样的分析结果,应在其平均值的士1.5%以内。应检验配气装置及操作方法的重复性,要求配气结果的重复性在平均值的士2.5%以内。对分析结果的重复性和再现性的要求是:同一试验室的两个平行试验结果,当含量在10ppm以下时,相差不应大于1ppm;当含量在10ppm以上时,不应大于平均值的10%。不同试验室间的平行试验结果相差不应大于平均值的30%。5试验结果的判断
5.1油和固体绝缘材料产生的气体231
GB 7252-87
油和固体绝缘材料在电或热的作用下分解产生的各种气体中,对判断故障有价值的气体有甲烷、乙烷、乙烯、乙炔、氢、一氧化碳、二氧化碳。正带运行的老化过程产生的气体主要是一氧化碳和二氧化碳。在油纸绝缘中存在局部放电时,油裂解产生的气体主要是氢和甲烷。在故障温度高于正常运行温度不多时。产生的气体主要是甲烷。随着故障温度的升高,乙烯和乙烷逐渐成为主要特征。在温度高于1000℃时,例如在电弧弧道温度(3000℃以上)的作用下,油裂解产生的气体中含有较多的乙炔。如果故障涉及到固体绝缘材料时,会产生较多的一氧化碳和二氧化碳。表4为不同故障类型产生的气体组分。
表4不同故障类型产生的气体组分故障类型
油过热
油和纸过热
油纸绝缘中局部放电
油中火花放电
油中电弧
油和纸中电弧
进水受潮或油中气泡
主要气体组分
CH,C,H,.CO,CO2
H2.CH .C2H2,CO
C,H2,Hz
H2,C,H2
H2.C,H2 ,CO,CO2
H,C,H。
次要气体组分
CH,C,H..C,H
CH,,C2H,C,H.
有时设备内并不存在故障,而由于其他原因,在油中也会出现上述气体,要注意这些可能引起误判断的气体来源。例如:有载调压变压器中切换开关油室的油向变压器本体渗漏或某种范围开关动作时悬浮电位放电的影响;设备曾经有过故障,而故障排除后绝缘油未经彻底脱气,部分残余气体仍留在油中;设备油箱曾带油补焊,原注人的油就含有某几种气体等。还应注意油冷却系统附属设备(如潜油泵,油流继电器等)的故障产生的气体也会进人到变压器本体的油中。5.2油中溶解气体的注意值
5.2.1运行中的设备
运行中设备内部油中气体含量超过表5所列数值时,应引起注意。表5油中溶解气体含量的注意值①设
变压器
电抗器
互感器
气体组分
含量,ppm
注:①气体浓度达到注意值时,应进行追踪分析、查明原因。注意值不是刻分设备有无故障的唯一标准。该表数值不适用于从气体继电器放气嘴取出的气样。②影响电流互感器和电容式套管油中氢气含量的因紊较多,有的氢气含量低于表中数值,若增加较快,也应引起注意;有的只有氢气含量超过表中数值,若无明显增加趋势,也可判断为正常。232
GB 7252—87
仅仅根据分析结果的绝对值是很难对故障的严重性作出正确判断的,必须考察故障的发展趋势,也就是故障点(如果存在的话)的产气速率。产气速率是与故障消耗能量大小、故障部位、故障点的温度等情况直接有关的。
推荐下列两种方式来表示产气速率(未考虑气体损失):绝对产气速率即每运行小时产生某种气体的平均值,按下式计算:a.
Ciz—Cin。
式:---绝对产气速率,ml/h
Ciz-—第二次取样测得油中某气体浓度,ppm;Ci-第一次取样测得油中某气体浓度,ppm;△次取样时间间隔中的实际运行时间,h;G-设备总油量,t;
0---一油的密度,t/m\。
变压器和电抗器总烃产气速率的注意值如表6所示。10
表6总烃产气速率的注意值
设备型式
产气速率,ml/h
注:当产气速率达到注意值时,应进行追踪分析,开放式
隔膜式
b.相对产气速率即每运行月(或折算到月)某种气体含量增加原有值的百分数的平均值,按下式计算:
式中:,—→-相对产气速率,%/月,Cia-Ci.
Ciz—第二次取样测得油中某气体浓度,ppm;Ci..第次取样测得油中某气体浓度,ppmA
二次取样时间间隔中的实际运行时间,月。1
相对产气速率也可以用来判断充油电气设备内部状况,总烃的相对产气速率大于10%时应引起注意。对总烃起始含量很低的设备不宜采用此判据。5.2.2出广和新投运的设备
出厂和新投运的设备,油中不应含有乙炔,其他各组分也应该很低。出广试验前后两次分析结果不应有明显差别。
5.3对一氧化碳和二氧化碳的判断当故障涉及到固体绝缘时会引起一氧化碳和二氧化碳含量的明显增长。但根据现有统计资料,固体绝缘的正常老化过程与故障情况下劣化分解,表现在油中一氧化碳的含量上,-般情况下没有严格的界限,二氧化碳含量的规律更不明显。因此,在考察这两种气体含量时更应注意结合具体变压器的结构特点(如油保护方式),运行温度,负荷情况,运行历史等情况加以综合分析。对开放式变压器氧化碳含量一般在300ppm以下。如总烃含量超出正常范围,而一氧化碳含量超过300ppm,应考虑有涉及到固体绝缘过热的可能性,若-氧化碳含量虽然超过300ppm,但总烃含量233
GB7252—87
在正常范围,一般可认为是正常的;对某些有双饼式线圈带附加外包绝缘的变压器,当一氧化碳含量超过300ppm时,即使总烃含量正常,也可能有固体绝缘过热故障。对贮油柜中带有胶囊或隔膜的变压器,油中一氧化碳含量一般均高于开放式变压器。突发性绝缘击穿事故时,油中溶解气体中的-·氧化碳、二氧化碳含量不一定高,应结合气体继电器中的气体分析作判断。
5.4判断故障性质的三比值法
本导则推荐采用三比值法(五种特征气体的三对比值作为判断变压器或电抗器等充油电气设备故障性质的主要方法。三对比值以不同的编码表示。三比值法的编码规则和判断方法分别见表7和表8。表7三比值法的编码规则
比值范围编码
特征气体的比值
故障性质
无故障
低能量密度的局
高能意密度的局
部放电
低能量的放电
高能量放电
1-→2
例如:
判断故障性质的三比值法
比值范围编码
正常老化
=1~3时、编码为1;
1~3时,编码为 2;
=1~3时,编码为 1
含气空腔中的放电,这种空腔是由于不完全漫溃、气体过饱和、空吸作用或商湿度等原因造成的
同上,但已导致固体绝缘的放电痕迹或穿孔
不同电位的不良连接点间或者悬浮电位体的连续火花放电。固体材料之间油的击穿
有工频续流的放电。线圈、线饼、线匝之间或线翻对地之间的油的电弧击穿。有载分接开关的选择开关切断电流序号
故障性质
低于150的热故
150 ~ 300℃低温
范围的过热故障?
300~700℃中等
温度范围的热故
高于700高温范
围的热故障
GB 7252 ---87
续表8
比值范围编码
通常是包有绝缘层的导线过热
由于磁通集中引起的铁芯局部过热,热点温度依下述情况为序而增加:铁芯中的小热点,铁芯短路,由于祸流引起的铜过热。接头或接触不良(形成焦炭)、铁芯和外壳的环流
注:①随着火花放电强度的增长,特征气体的比值有如下增长的趋势:乙炔/乙烯比值从0.1~3增加到3以上;乙烯/乙烷比值从0.1~3增加到3以上,②在这一情况中,气体主要来自固体绝缘的分解,这说明了乙烯/乙烷比值的变化。③这种故障情况通常由气体浓度的不断增加来反映。甲烷/氢的值通常大约为1。实际值大于或小于1与很多因素有关,如油保护系统的方式,实际的温度水平和油的质量等。(4)乙炔含量的增加表明热点温度可能高于1000C。@③乙炔和乙烯的含量均未达到应引起注意的数值。在应用三比值法时应该注意到:只有根据各组分含量的注意值或产气速率的注意值有理由判断可能存在故障时才能进一步用a.
三比值法判断其故障的性质。对气体含量正常的变压器等设备,比值没有意义。b.表中每-种故障对应于一组比值,对多种故障的联合作用,可能找不到相对应的比值组合。c。在实际中可能出现没有包括在上表中的比值组合,对于某些组合的判断正在研究中。例如,121或122对应于某些过热与放电同时存在的情况;202或201对于有载调压变压器,应考虑切换开关油室的油可能向变压器的本体油箱渗漏的情况。5.5判断故障的步骤
5.5.1运行中的设备
将试验结果的几项主要指标(总烃、甲烷、乙炔、氢)与表5列出的注意值作比较,同时注意产气a.
速率与表6列出的注意值作比较,短期内各种气体含量迅速增加,但尚未超过表5中的数值,也可判为内部有异常状况;有的设备因某种原因使气体含量基值较高,超过表5的注意值,但增长速率低于表6产气速率的注意值,仍可认为是正常设备。b。对一氧化碳和二氧化碳的指标按第5.3条所述原则进行判断。当认为设备内部存在故障时,可用三比值法对故障的类型作出判断。c.
GB 7252---87
d.在气体继电器内出现气体的情况下,应将继电器内气样的分析结果按附录A(补充件)的方法与油中取出气体的分析结果作比较。e根据上述结果以及其他检查性试验(如测量绕组直流电阻空载特性试验、绝缘试验、局部放电试验和测量微量水分等)的结果,并结合该设备的结构、运行、检修等情况,综合分析判断故障的性质及部位,根据具体情况对设备采取不同的处理措施(如缩短试验周期,加强监视,限制负荷;近期安排内部检查,立即停止运行等)。
5.5.2出厂前的设备
按5.2.2款的规定进行比较,并注意积累数据。当根据试验结果怀疑有故障时,应结合其他检查性试验进行综合判断。
5.6设备档案卡片
为了对设备进行长期监视,应建立设备油中溶解气体分析情况的档案卡片。推荐卡片格式见附录C(参考件)。
小提示:此标准内容仅展示完整标准里的部分截取内容,若需要完整标准请到上方自行免费下载完整标准文档。
标准图片预览:





- 其它标准
- 热门标准
- 国家标准(GB)
- GB/T2828.1-2012 计数抽样检验程序 第1部分:按接收质量限(AQL)检索的逐批检验抽样计划
- GB/T8566-2022 系统与软件工程 软件生存周期过程
- GB175-2023 通用硅酸盐水泥
- GB/T30917—2014 /ISo 29941:2010 天然胶乳橡胶避孕套中可迁移亚硝胺的测定
- GB/T9124.1-2019 钢制管法兰 第1部分:PN 系列
- GB/T1182-2018 产品几何技术规范(GPS) 几何公差 形状、方向、位置和跳动公差标注
- GB/T12777-1999 金属波纹管膨胀节通用技术条件
- GB/T29633.4-2020 南极地名 第4部分:罗马字母拼写
- GB/T30544.5-2014 纳米科技 术语 第5部分纳米/生物界面
- GB4706.3-1986 家用和类似用途电器的安全食物搅碎器及类似用途电器的特殊要求
- GB15193.5-2003 骨髓细胞微核试验
- GB15985-1995 丝虫病诊断标准及处理原则
- GB16844-1997 普通照明用自镇流灯的安全要求
- GB/T7407-1997 中国及世界主要海运贸易港口代码
- GB/T6113.104-2008 无线电骚扰和抗扰度测量设备和测量方法规范 第1-4部分: 无线电骚扰和抗扰度测量设备 辅助设备 辐射骚扰
- 行业新闻
请牢记:“bzxz.net”即是“标准下载”四个汉字汉语拼音首字母与国际顶级域名“.net”的组合。 ©2025 标准下载网 www.bzxz.net 本站邮件:bzxznet@163.com
网站备案号:湘ICP备2025141790号-2
网站备案号:湘ICP备2025141790号-2