- 您的位置:
- 标准下载网 >>
- 标准分类 >>
- 国家标准(GB) >>
- GB/T 7996-1987 搪玻璃容器公称容积与公称直径
标准号:
GB/T 7996-1987
标准名称:
搪玻璃容器公称容积与公称直径
标准类别:
国家标准(GB)
标准状态:
已作废-
发布日期:
1987-06-24 -
实施日期:
1987-10-01 -
作废日期:
2007-06-01 出版语种:
简体中文下载格式:
.rar.pdf下载大小:
45.18 KB
标准ICS号:
机械制造>>表面处理和涂覆>>25.220.50搪瓷中标分类号:
化工>>化工机械与设备>>G90化工机械与设备综合
替代情况:
被GB/T 7996-2006代替采标情况:
≈JIS R 4201-83
点击下载
标准简介:
标准下载解压密码:www.bzxz.net
本标准适用于钢制搪玻璃容器的公称容积与公称直径。 GB/T 7996-1987 搪玻璃容器公称容积与公称直径 GB/T7996-1987
部分标准内容:
中华人民共和国国家标准
塘玻璃容器公称容积与公称直径Nominal volume nd nominal diameterfor glass -lined yessel
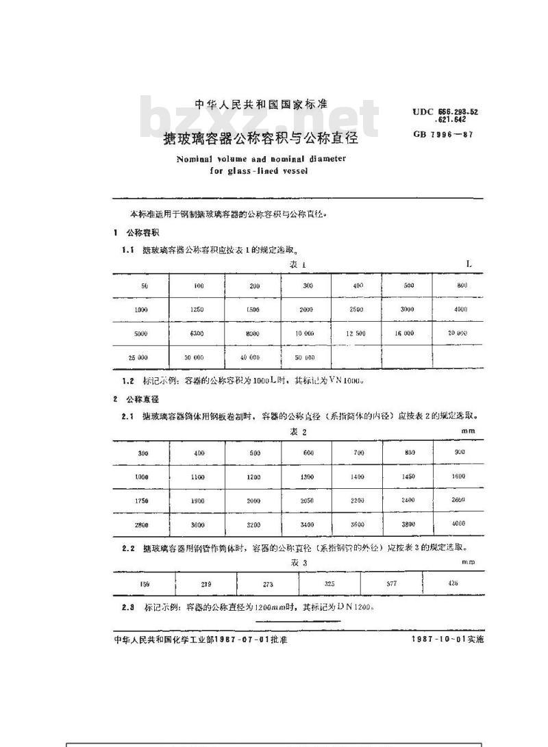
本标准适用于钢制撼玻璃容器的公称容积与公称直径1公称容积
1.1糖玻璃穿器公称容积应按表1的规定选取。表1
25 000
30 000bZxz.net
40 000
10 000
50 60)
12 500
1.2标记示例:容器的公称容积为1000L时,其标让为VN10M2公称直径
UDC 666.293.52
GB 799687
20 600
越玻璃容器简体用钢板卷制时,容器的公称点径(系指简体的内径)应按表2的规定选取。2.1
捷玻璃容器用钢管作筒体时,容器的公称直径(系指钢等的外径)应按表3的规定选取。2.2
2.9标记示例:容器的公称直径为1200mm时,其标记为DN1200中华人民共和国化学工业部19B7-07-11批准$77
1987-10-01实施
附加说明:
GB7996—B
本标准出全国遗玻璃设备标准化技术委员会归。本标准由国家医药管理局上海医药设让院负责起草。本标雅手要起草人厉益骏、张荣,孙德尘。
小提示:此标准内容仅展示完整标准里的部分截取内容,若需要完整标准请到上方自行免费下载完整标准文档。
塘玻璃容器公称容积与公称直径Nominal volume nd nominal diameterfor glass -lined yessel
本标准适用于钢制撼玻璃容器的公称容积与公称直径1公称容积
1.1糖玻璃穿器公称容积应按表1的规定选取。表1
25 000
30 000bZxz.net
40 000
10 000
50 60)
12 500
1.2标记示例:容器的公称容积为1000L时,其标让为VN10M2公称直径
UDC 666.293.52
GB 799687
20 600
越玻璃容器简体用钢板卷制时,容器的公称点径(系指简体的内径)应按表2的规定选取。2.1
捷玻璃容器用钢管作筒体时,容器的公称直径(系指钢等的外径)应按表3的规定选取。2.2
2.9标记示例:容器的公称直径为1200mm时,其标记为DN1200中华人民共和国化学工业部19B7-07-11批准$77
1987-10-01实施
附加说明:
GB7996—B
本标准出全国遗玻璃设备标准化技术委员会归。本标准由国家医药管理局上海医药设让院负责起草。本标雅手要起草人厉益骏、张荣,孙德尘。
小提示:此标准内容仅展示完整标准里的部分截取内容,若需要完整标准请到上方自行免费下载完整标准文档。
标准图片预览:


- 其它标准
- 热门标准
- 国家标准(GB)
- GB/T30917—2014 /ISo 29941:2010 天然胶乳橡胶避孕套中可迁移亚硝胺的测定
- GB/T12777-1999 金属波纹管膨胀节通用技术条件
- GB/T29633.4-2020 南极地名 第4部分:罗马字母拼写
- GB15193.5-2003 骨髓细胞微核试验
- GB30530-2024 二甲基硅氧烷单位产品能源消耗限额
- GB/T43225-2023 空间物体登记要求
- GB4706.3-1986 家用和类似用途电器的安全食物搅碎器及类似用途电器的特殊要求
- GB15985-1995 丝虫病诊断标准及处理原则
- GB19159-2003 车用液化石油气
- GB/T7407-1997 中国及世界主要海运贸易港口代码
- GB1913.2-1990 漂白浸渍绝缘纸
- GB/T15425-1994 贸易单128条码
- GB14287.4-2014 电气火灾监控系统 第4部分:故障电弧探测器
- GB5237.3-2008 铝合金建筑型材 第3部分:电泳涂漆型材
- GB/T39964-2021 造纸行业能源管理体系实施指南
- 行业新闻
请牢记:“bzxz.net”即是“标准下载”四个汉字汉语拼音首字母与国际顶级域名“.net”的组合。 ©2025 标准下载网 www.bzxz.net 本站邮件:bzxznet@163.com
网站备案号:湘ICP备2025141790号-2
网站备案号:湘ICP备2025141790号-2