- 您的位置:
- 标准下载网 >>
- 标准分类 >>
- 国家标准(GB) >>
- GB 15058-1994 含铅普通标准汽油
标准号:
GB 15058-1994
标准名称:
含铅普通标准汽油
标准类别:
国家标准(GB)
标准状态:
已作废-
发布日期:
1994-05-05 -
实施日期:
1994-12-01 -
作废日期:
2005-10-14 出版语种:
简体中文下载格式:
.rar.pdf下载大小:
49.65 KB
复审日期:
2004-10-14起草单位:
石化科研院发布部门:
国家技术监督局主管部门:
中国石油化工集团公司相关标签:
汽油
点击下载
标准简介:
标准下载解压密码:www.bzxz.net
本标准规定了含铅普通标准汽油的技术条件。本标准适用于液体烃类(不包括合成汽油、热裂化汽油、焦化汽油和粗苯)调配而成,并加有适量铅抗爆剂和50ppm抗氧防胶剂的汽油。符合本标准的产品适用于点燃式汽油发动机功率、油耗、废气排放等性能的鉴定、验收、检测、评定、认证以及仲裁试验。 GB 15058-1994 含铅普通标准汽油 GB15058-1994
部分标准内容:
中华人民共和国国家标准
含铅普通标准汽油
Reference gasoline (leaded regular)1主题内容与适用范围
本标准规定了含铅普通标准汽油的技术条件。GB15058
本标准适用于液体烃类(不包括合成汽油、热裂化汽油、焦化汽油和粗苯)调配而成,并加有适量铅抗爆剂和50ppm抗氧防胶剂的汽油。符合本标准的产品适用于点燃式汽油发动机功率、油耗、废气排放等性能的鉴定、验收、检测、评定、认证以及仲裁试验。
2引用标准
GB/T 380
GB/T 509
GB/T 1884
GB/T 1885
GB/T 2432
GB/T 4756
GB/T5487
GB/T 6535
GB/T 6536
GB/T 8017
GB/T 8018
GB/T 8019
石油产品硫含量测定法(燃灯法)发动机燃料实际胶质测定法
石油和液体石油产品密度测定法(密度计法)石油计量换算表
汽油中四乙基铅含量测定法(络合滴定法)石油和液体石油产品取样法(手工法)汽油辛烷值测定法(研究法)
汽油铅含量测定法(铬酸盐容量法)石油产品蒸馏测定法
石油产品蒸气压测定法(雷德法)汽油氧化安定性测定法(诱导期法)车用汽油和航空燃料实际胶质测定法(喷射蒸发法)GB/T 11132
SH 0164
3技术要求
辛烷值(RON)
液体石油产品烃类测定法(荧光指示剂吸附法)石油产品包装、贮运及交货验收规则项
密度(20℃).kg/m
蒸气压,kP#
不小于
国家技术监督局1994-05-05批准质量指标
试验方法
GB/T 5487
GB/T1884或GB/T1885
GB/T8017
GB/T6536
1994-12-01实施
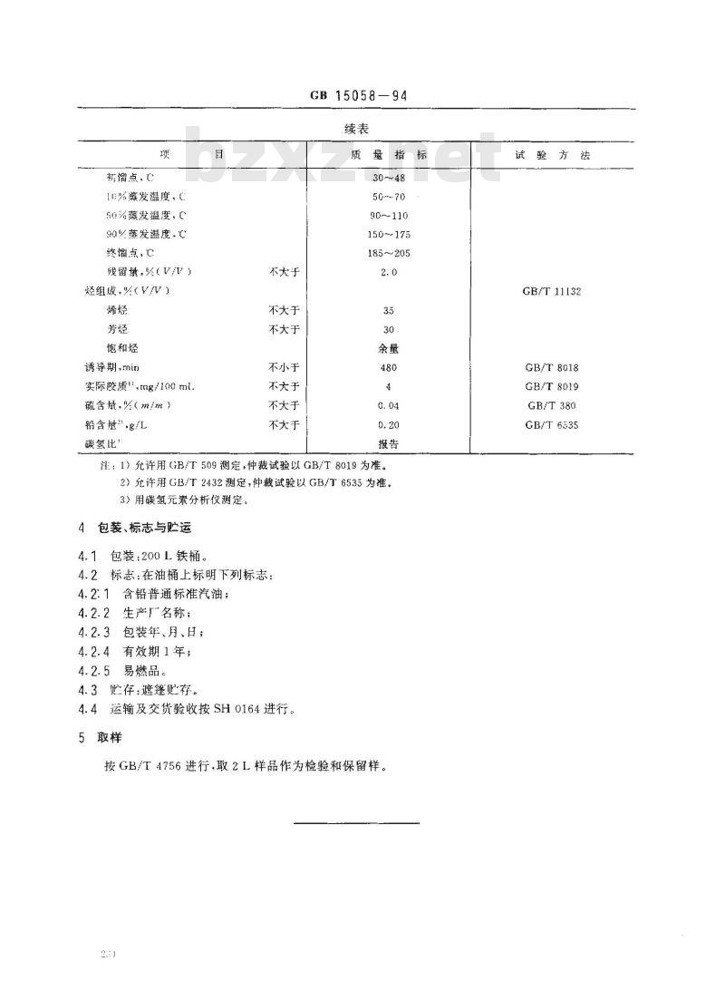
初馏点,
1%藜发温度,C
50%蒸发温度,
90%蒸发温度.℃
终馏点,C
残留量,%(V/)
烃组成.%(V/V)
饱和烃
诱导期,min
实际胶质,tag/100mt.
硫含量,%(m/m)
铅含量\.g/L
碳氢比
不大于
不大于
不大于
不小于
不大于
不大于
不大于
GB 15058—94
质量指标
90~110
150~175
185205
注:1)允许用GB/T509测定,仲裁试验以GB/T8019为准。2)允许用GB/T2432测定,仲裁试验以GB/T6535为准。3)用碳氢元素分析仪测定。Www.bzxZ.net
4包装、标志与贮运
4.1包装:200L铁桶。
4.2标志:在油桶上标明下列标志:4.2:1含铅普通标准汽油;
4.2.2生产厂名称;
4.2.3包装年、月、日:
4.2.4有效期1年;
4.2.5易燃品。
4.3贮存:遮篷贮存。
4.4运输及交货验收按SH0164进行。5取样
按GB/T4756进行,取2L样品作为检验和保留样。2.
试验方法
GB/T 11132
GB/T 8018
GB/T 8019
GB/T 380
GB/T 6535
附加说明:
本标准由中国石油化工总公司提出。GB15058-94
本标准由石油化工科学研究院技术归口。本标准由石油化工科学研究院负责起草。本标准主要起草人王幼慧、徐燕声。237
小提示:此标准内容仅展示完整标准里的部分截取内容,若需要完整标准请到上方自行免费下载完整标准文档。
含铅普通标准汽油
Reference gasoline (leaded regular)1主题内容与适用范围
本标准规定了含铅普通标准汽油的技术条件。GB15058
本标准适用于液体烃类(不包括合成汽油、热裂化汽油、焦化汽油和粗苯)调配而成,并加有适量铅抗爆剂和50ppm抗氧防胶剂的汽油。符合本标准的产品适用于点燃式汽油发动机功率、油耗、废气排放等性能的鉴定、验收、检测、评定、认证以及仲裁试验。
2引用标准
GB/T 380
GB/T 509
GB/T 1884
GB/T 1885
GB/T 2432
GB/T 4756
GB/T5487
GB/T 6535
GB/T 6536
GB/T 8017
GB/T 8018
GB/T 8019
石油产品硫含量测定法(燃灯法)发动机燃料实际胶质测定法
石油和液体石油产品密度测定法(密度计法)石油计量换算表
汽油中四乙基铅含量测定法(络合滴定法)石油和液体石油产品取样法(手工法)汽油辛烷值测定法(研究法)
汽油铅含量测定法(铬酸盐容量法)石油产品蒸馏测定法
石油产品蒸气压测定法(雷德法)汽油氧化安定性测定法(诱导期法)车用汽油和航空燃料实际胶质测定法(喷射蒸发法)GB/T 11132
SH 0164
3技术要求
辛烷值(RON)
液体石油产品烃类测定法(荧光指示剂吸附法)石油产品包装、贮运及交货验收规则项
密度(20℃).kg/m
蒸气压,kP#
不小于
国家技术监督局1994-05-05批准质量指标
试验方法
GB/T 5487
GB/T1884或GB/T1885
GB/T8017
GB/T6536
1994-12-01实施
初馏点,
1%藜发温度,C
50%蒸发温度,
90%蒸发温度.℃
终馏点,C
残留量,%(V/)
烃组成.%(V/V)
饱和烃
诱导期,min
实际胶质,tag/100mt.
硫含量,%(m/m)
铅含量\.g/L
碳氢比
不大于
不大于
不大于
不小于
不大于
不大于
不大于
GB 15058—94
质量指标
90~110
150~175
185205
注:1)允许用GB/T509测定,仲裁试验以GB/T8019为准。2)允许用GB/T2432测定,仲裁试验以GB/T6535为准。3)用碳氢元素分析仪测定。Www.bzxZ.net
4包装、标志与贮运
4.1包装:200L铁桶。
4.2标志:在油桶上标明下列标志:4.2:1含铅普通标准汽油;
4.2.2生产厂名称;
4.2.3包装年、月、日:
4.2.4有效期1年;
4.2.5易燃品。
4.3贮存:遮篷贮存。
4.4运输及交货验收按SH0164进行。5取样
按GB/T4756进行,取2L样品作为检验和保留样。2.
试验方法
GB/T 11132
GB/T 8018
GB/T 8019
GB/T 380
GB/T 6535
附加说明:
本标准由中国石油化工总公司提出。GB15058-94
本标准由石油化工科学研究院技术归口。本标准由石油化工科学研究院负责起草。本标准主要起草人王幼慧、徐燕声。237
小提示:此标准内容仅展示完整标准里的部分截取内容,若需要完整标准请到上方自行免费下载完整标准文档。
标准图片预览:



- 其它标准
- 热门标准
- 国家标准(GB)
- GB/T29633.4-2020 南极地名 第4部分:罗马字母拼写
- GB/T43225-2023 空间物体登记要求
- GB29140-2024 纯碱单位产品能源消耗限额
- GB15193.5-2003 骨髓细胞微核试验
- GB28129-2011 乙羧氟草醚原药
- GB/T42970-2023 半导体集成电路 视频编解码电路测试方法
- GB/T18721.4-2024 印刷技术 印前数据交换 第4部分:显示用宽色域标准彩色图像数据 [Adobe RGB (1998)/SCID]
- GB/T9771.6-2020 通信用单模光纤 第6部分:宽波长段 光传输用非零色散单模光纤特性
- GB5237.3-2008 铝合金建筑型材 第3部分:电泳涂漆型材
- GB14287.4-2014 电气火灾监控系统 第4部分:故障电弧探测器
- GB/T5750.13-2006 生活饮用水标准检验方法 放射性指标
- GB1913.2-1990 漂白浸渍绝缘纸
- GB30530-2024 二甲基硅氧烷单位产品能源消耗限额
- GB9744-2024 载重汽车轮胎
- GB/T38920-2020 危险废物储运单元编码要求
- 行业新闻
请牢记:“bzxz.net”即是“标准下载”四个汉字汉语拼音首字母与国际顶级域名“.net”的组合。 ©2025 标准下载网 www.bzxz.net 本站邮件:bzxznet@163.com
网站备案号:湘ICP备2025141790号-2
网站备案号:湘ICP备2025141790号-2