- 您的位置:
- 标准下载网 >>
- 标准分类 >>
- 国家标准(GB) >>
- GB 13296-1991 锅炉、热交换器用不锈钢无缝钢管
标准号:
GB 13296-1991
标准名称:
锅炉、热交换器用不锈钢无缝钢管
标准类别:
国家标准(GB)
标准状态:
已作废-
发布日期:
1991-12-13 -
实施日期:
1992-10-01 -
作废日期:
2007-10-01 出版语种:
简体中文下载格式:
.rar.pdf下载大小:
283.82 KB
替代情况:
被GB 13296-2007替代
点击下载
标准简介:
标准下载解压密码:www.bzxz.net
本标准规定了锅炉、热交换器用不锈钢无缝钢管的尺寸外形、技术要求、试验方法、检验规则、包装、标志及质量证明书等。本标准适用于锅炉过热器、热交换器、冷凝器、催化管等用的不锈钢无缝钢管。 GB 13296-1991 锅炉、热交换器用不锈钢无缝钢管 GB13296-1991
部分标准内容:
中华人民共和国国家标准
锅炉,热交换器用不锈钢无缝钢管Seamless stalnless steel tubesfor boiler and heat exchanger1主题内容与适用范围
GB 13296—91
本标准规定了锅炉、热交换器用不锈钢无缝钢管的尺寸外形、技术要求,试验方法,检验规则、包装标志及质量证明书等。
本标准适用于锅炉过热器、热交换器、冷凝器.催化管等用的不锈钢无缝钢管。2引用标准
GB222钢的化学分析用试取样法及成品化学成分充许偏差GB223钢铁及合金化学分析法
GB228金属拉伸试验方法
GB 230
金属洛氏硬度试验方法
金属布氏硬度试验方法
GB 241
金属液压试验方法
GB242金属管扩Ⅱ试验方法
GB246金属管压扇试验方法
不锈耐酸钢晶间腐蚀倾向试验方法GB1223
GB2102
GB3652
GB 4163
钢管的验收、包装,标志和质最证明书金属管材高温拉伸试验方法
不锈管超声波探伤方法
GB 4334. 1
GB 4334. 2
不锈钢10%草酸浸蚀试验方法
不锈钢、硫酸-硫酸铁腐蚀试验方法GB 4334. 3
不锈钢65%硝酸腐蚀试验方法
GB 4334. 4
GR 4334. 5
不锈钢硝酸-氢氟酸腐蚀试验方法不锈钢硫酸-硫酸铜腐蚀试验方法GB 5777
无缝钢管超声波探伤方法
CB 6391金属平均晶粒度测定方法GB 6397
金属拉伸试验试样
GB7735钢管涡流探伤方法
3尺寸、外形及重量
3. 1外径和壁厚
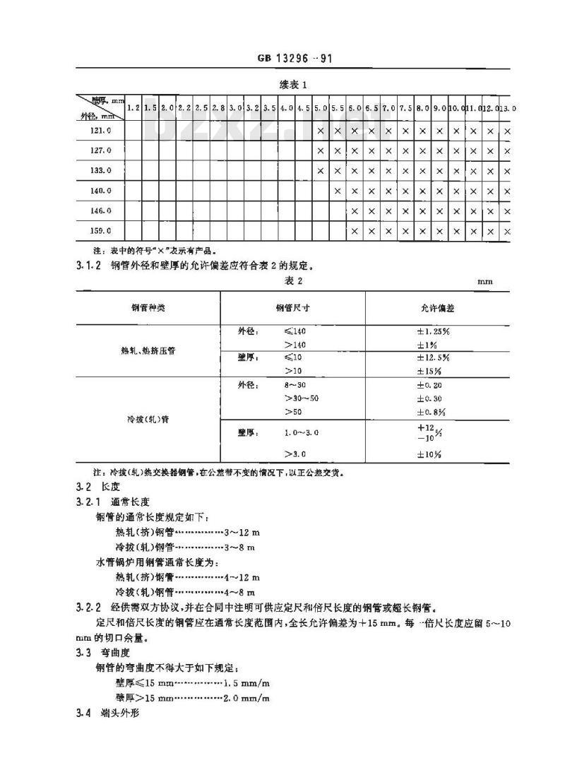
3.1.1钢管的外径、壁厚应符合表1的规定。国家技术监督局 1991-12-13批准1992-10-01实施
GB13296—91
根据需方要求,经供需双方协设,可供应表1规定以外尺寸的钢管,尺寸偏差执行相邻较大规格规定。
5.05.56.06.57.07.58.09.00.c11.012.013.04.5
1.21.52.0|2.22.52.83.03.23.54.0厚mm
外径,m
GB 13296 --91
续表1
1.21.52.02.22.52.83.03.23.54.04.55.05.56.06.57.07.58.09.00.c1.012.013.0x
注:表中的符号\×\示有产品,钢管外径和壁厚的允许偏差应符合表2的规定。3.1.2
钢管种类
热轧、热挤压管
冷拔(轧)臂
外径:
壁厚,
外径:
壁厚:
钢管尺寸
>30~50
注:冷拔(轧)热交换器钢管,在公莹带不变的情况下,以正公差交货。3.2长度
3.2.1通常长度
钢管的通常长度规定如下:
热轧(挤)钢管.......312m
冷拔(轧)钢管
--3--8 m
水管锅炉用钢管通常长度为:
热轧(挤)钢昏·
-...-4~12 m
冷拔(轧)钢管..48
充许偏差
3.2.2经供需双方协议,并在合同中注明可供应定尺和倍尺长度的钢管或超长钢管,x
定尺和倍尺长度的钢管应在通常长度范围内,全长允许偏差为+15mm。每倍尺长度应留5~10mtn 的切口余量。
3.3弯曲度
钢管的弯曲度不得大于如下规定:壁厚≤15mm-.·.
..1. 5 mm/m
壁厚>15mm.......2.0mm/m
3.4端头外形
钢管两端应切成直角,并清除毛刺。3.5交货重量www.bzxz.net
GB 13296—91
钢管按实际重量交货,亦可按理论重量交贷。钢管每米的理论重量按式(1)计算:W
式中:W—钢管理论重量,kg/m;
D——钢管公称外径,mml
s—钢管公称壁厚,mm;
p—钢的密度(见表4),kg/dm。
(D-S)S*P
交货时钢管的重,热轧无缝管按公式计算值加15%,冷拨无缝管按公式计算值加10%为标准数量。
3.6标记示例
用0Cr18Ni10Ti钢制造的外径为57mm,壁厚为3.5mm,定尺长度为5000mm的冷拨(轧)管,其标记为:
钢管冷拔(轧)0Cr18Ni10Ti-57X3.5×5G00-GB13296—91用 0Cr18Ni10Ti制造的外径为76mm壁厚为 5mm,定尺长度为5000 mm的热轧(挤)管,其标记为:
钢管热轧(挤)0Cr18Ni10Ti-76×5×5000-GB13296—914技术要求
4.1钢的牌号和化学成分
4.1.1钢的牌号和化学成分(熔炼分析)应符合表3的规定。GB 13296-91
080~%5×9
080~(2000)9
0B '0~(20'0%2) ×9
02*0~%9Xs
%2×0[
09*0~%
08 0~(20 '0-%0)X
00 '~00 :1
056~052
00*~00*
00 *-00 *z
00-00*2
00*22-0077
0-22 ~00 '98
00 *81~00*9
0020062
00'61~-00*91
00°9~00
000011
00*61~00 *91
00 '51~00'[1
00'61~00 *91
'61--00 '21
*61~00*21
00'61--00 -21
0002-00*81
0002--00*01
00*8100~9T
00'81~00 '91
05'81-~00\91
009200
*+2002
000000
[00'1~00'11
0E0'0S5'0
00 's1~05'11
0200500
00*1-00*6
0051--00 *6
00 *T~00 '6
021006
00*11~-00'8
00*51~00*11
00 'gt--00 'tt
00 's1-~00 21
00 '1 -~00 \11
00 'f1~-00 '01
122-0061
00 22-00'61
00-002
0021--00*8
00 '11~-00\8
00.610021
00-I-~00'8
DEO'0O2O'0
0*9-00 2
01~-0\0
01*~0*0
FISENBIIO0
NII6Ot
EoWetin61i00
氏体型
GB 1329691
经供需双方协商,可以供应表3以外牌号的钢管。4.1.2成品钢管的化学成分充许偏差应符合CB222中表3的规定。4.2制造方法
4.2.1钢的治炼方法
钢应采用电弧炉冶炼加炉外精炼或电渣重熔法制造。经供需双方协商,也可采用其他治炼方法制造。4.2.2钢管的制道方法
钢管应采用热轧<拼)或冷拨(轧)无缝方法制遗:需方要求基一种方法制造时,应在合同中注明。4. 3
3交货状态
钢管经热处理并酸洗交货。成品钢管的推荐热处理制度见表4。热处理制度应在质量证明书中注明。
凡经整体磨,镗的或经光亮处理的钢管可不酸洗交货。表4
类型号
OCr18N19
1Cr19Ni9
00Cr19Ni10
2C23N113
oCr23Ni13
2Ct25N120
(K25N120
0Ct17Ni12M02
1C17Ni12Mo2
00C-17Nt14Mo2
0Cr19N113M03
00Cr19Ni13Mo3
1Cr1BNi9T
OCr18Ni10Ti
1CriRNl1Ti
OCr1BN11Nb
iCr19Ni1iNb
DCr18Ni13S14
(C-1BNi12Mu2T:
1Cr18N112Mo2Ti
1Cr18Ni12Mo3Ti
推荐热处理制康
1 010-1 150℃
1010~1150℃
10101150℃
1 030~1 150 C
1 030~1 150C
1 0301 180C
1 030-~1 180 C
10101150C
>1 040'℃
1 010~-1 150℃
1 010~1 150C
1 0101 150C
1 000~1 100℃
920~1150c
玲轧10950
热轧210500
980~1 150 C
冷轧095
热轧21050
1 010~1 150℃
1 000~1 100 C
100011000
1 000--1 100 C
力学性鼠
p.或2MPe
密度p
kg/dmd
奥氏体
-铁求22
0C-26N.5Mα2
00Cr27Mo
(1Cr25Ti)
注: ① 表中dp
GB13296—91
续表4
推荐热处理制
950~1 100℃
780~850℃
900~1050℃
700~800℃
抗拉强度10
用眼点10.2
②热挤压管的抗拉强度可降低20 MPa。4.4力学性能
,MPa
力学性能
.或ap.MPa
规定残余伸长0.2%的伸长应力。8.%
密度p
4.4.1热处理状态钢管的纵向力学性能应符合表4的规定。根据需方要求在合同中注明可测定屈服强度。
经供需双方协商,在合同中注明可做以下硬度试验。对壁厚≥2 mm的钢管可以做洛氏硬度试验,每一试样测定三处。硬度要求如表 5。表5
钢管的牌号
CCr18Ni9,1Cr19Ni9,@oCr19Ni102Cr23Ni13,0Cr23Ni13,2Cr25Ni200Ct25Ni20,0Ct17Ni12Mo200Ct17Ni11Mo2,0Cr18Ni10Ti
ICr17Ni12Mo2,1Cr1BNi11Ti
DCrIRNi11Nb.ICtI9NiUNb
0Cr26Ni5M02
CCr18Ni13Si4
4.4.3高温屈服点或屈服强度
经需方要求,在合同中注明,供方可测定高温屈服强度。4.5工艺性能
4.5. 1水乐试验
洛氏硬度
钢管需逐根进行水压试验,试验压力按式(2)计算。最大试验压力为20MPa,稳压时间不少于10s.在试验压力下,钢管不得出现漏水或渗漏。式中:P一一试验压力,MPa;
S——钢管的公称壁厚,mm;
P-2XS×R
(2)
钢管的公称外径mm:
GB 13296—91
R—允许应力,铁素体型钢管,按表4所规定的值的1/3(MPa)。奥氏体型及奥氏体-铁素体型钢管,按表 4所规定的 b的 1/4(MPa)。凡经涡流检验的钢管可不进行水压试验。4.5.2压扇试验
对壁厚≤10mm的钢管应做压扇试验,压扁后的试样不得出现裂缝和裂口。钢管压扇后的外壁距H(mm)按式(3)计算:
式中:H-
钢管压扇后的外壁距,mm;
s-钢管公称壁厚,mm;
钢管公称外径,mm!
(1 +a)s
单位长度变形系数,对奥氏体钢管 α为 0. 09,对奥氏体-铁素体型及铁素体钢管 α 为0.07。
4.5.3扩口试验
对壁厚小于和等于10mm的钢管应做扩口试验。扩口试验顶心维度为60°。扩口后外径的扩口值对奥氏体-铁素体型钢管为14%,对奥氏体型钢管为18%,扩口后试样不得出现裂缝和裂口。4.6腐蚀试验
奥氏体,奥氏体-铁素体型钢管应做晶间腐蚀试验。晶间腐蚀试验方法按GB4334标准。具体腐蚀方法由双方在GB4334.1~5中的规定选择,并在合同中注明。4.7晶粒度
1Cr18Ni11Ti管的平均晶粒度应为4~7级。4.8无检验
钢管应逐支进行超声波检验:检验级别按GB5777标准中C10级或GB4163中3级的规定。需方需其他级别由供需方协议,在合同中注明。4.9表面质量
钢管的内外表面不允许有裂纹、折叠、轧折、结疤、离层和发纹。如有这些缺陷应完全清除掉。清除深度不得超过壁厚的负偏差,其清理处实际壁厚不得小于壁厚所允许的最小值.在钢管内外表面上,直道充许深度如下:冷拔(轧)管:不大于壁厚的4%,最大深度不大于0.2mml热轧<挤)管:不大于壁厚的5%,最大深度不大于0.4切m。不超过壁厚负偏差的其他缺陷允许存在。5试验方法
钢管各项检验的试验方法按表6的规定。表6
检验项目
化学成分
拉伸试验
试验方法
GB6397
取样数盘
每炉罐一十试样
每批在两根钢管上各取1个试样
6检验规则
检验项目
高温力学试验
洛氏硬度试验
乐扇试验
扩口试验
水压试验
超声波探伤
涡流检验
晶间腐蚀
晶粒度
表面质量
检查和验收
GB 1329691
续表6
试验方祛
GB3652
GB1163
GB5777
GB7735
GB 4334.15
GB1223
CB 6394
精度 0. 01 mm量具
钢管的检查和验收由供方的技术监督部门进行。2组批规则
联样数量
每批在两根射皆上各取 1个试样每批在两根钢管上各取1个试样
每批在两根钢管上各取1个试样,试样长>50mm每批在两根翻管上各取1个试样,试样长≥50 mm遵支
每批在两根钢管上各取一个试样每批在两根钢管上各取一个试样逐支
钢管按批进行检查和验收。每批应由同一牌号、同一炉号、同一规格和同一热处理制度(炉次)的钢管组成。
6.3取样数
每批钢管的各项试验的取样数量应按表6的规定进行。6.4复验与判定规则
钢管的复验与判定规则按GB2102的有关规定进行,包装、标志和质量证明书
钢管的包装,标惠及质证明书应符合GB2102中的规定。附加说明:
本标准由中华人民共和国冶金工业部提出。本标准由长城特殊钢公司负责起草。本标准主要起草人钱绍琴,培昭,于世忠、葛钦明。
小提示:此标准内容仅展示完整标准里的部分截取内容,若需要完整标准请到上方自行免费下载完整标准文档。
锅炉,热交换器用不锈钢无缝钢管Seamless stalnless steel tubesfor boiler and heat exchanger1主题内容与适用范围
GB 13296—91
本标准规定了锅炉、热交换器用不锈钢无缝钢管的尺寸外形、技术要求,试验方法,检验规则、包装标志及质量证明书等。
本标准适用于锅炉过热器、热交换器、冷凝器.催化管等用的不锈钢无缝钢管。2引用标准
GB222钢的化学分析用试取样法及成品化学成分充许偏差GB223钢铁及合金化学分析法
GB228金属拉伸试验方法
GB 230
金属洛氏硬度试验方法
金属布氏硬度试验方法
GB 241
金属液压试验方法
GB242金属管扩Ⅱ试验方法
GB246金属管压扇试验方法
不锈耐酸钢晶间腐蚀倾向试验方法GB1223
GB2102
GB3652
GB 4163
钢管的验收、包装,标志和质最证明书金属管材高温拉伸试验方法
不锈管超声波探伤方法
GB 4334. 1
GB 4334. 2
不锈钢10%草酸浸蚀试验方法
不锈钢、硫酸-硫酸铁腐蚀试验方法GB 4334. 3
不锈钢65%硝酸腐蚀试验方法
GB 4334. 4
GR 4334. 5
不锈钢硝酸-氢氟酸腐蚀试验方法不锈钢硫酸-硫酸铜腐蚀试验方法GB 5777
无缝钢管超声波探伤方法
CB 6391金属平均晶粒度测定方法GB 6397
金属拉伸试验试样
GB7735钢管涡流探伤方法
3尺寸、外形及重量
3. 1外径和壁厚
3.1.1钢管的外径、壁厚应符合表1的规定。国家技术监督局 1991-12-13批准1992-10-01实施
GB13296—91
根据需方要求,经供需双方协设,可供应表1规定以外尺寸的钢管,尺寸偏差执行相邻较大规格规定。
5.05.56.06.57.07.58.09.00.c11.012.013.04.5
1.21.52.0|2.22.52.83.03.23.54.0厚mm
外径,m
GB 13296 --91
续表1
1.21.52.02.22.52.83.03.23.54.04.55.05.56.06.57.07.58.09.00.c1.012.013.0x
注:表中的符号\×\示有产品,钢管外径和壁厚的允许偏差应符合表2的规定。3.1.2
钢管种类
热轧、热挤压管
冷拔(轧)臂
外径:
壁厚,
外径:
壁厚:
钢管尺寸
>30~50
注:冷拔(轧)热交换器钢管,在公莹带不变的情况下,以正公差交货。3.2长度
3.2.1通常长度
钢管的通常长度规定如下:
热轧(挤)钢管.......312m
冷拔(轧)钢管
--3--8 m
水管锅炉用钢管通常长度为:
热轧(挤)钢昏·
-...-4~12 m
冷拔(轧)钢管..48
充许偏差
3.2.2经供需双方协议,并在合同中注明可供应定尺和倍尺长度的钢管或超长钢管,x
定尺和倍尺长度的钢管应在通常长度范围内,全长允许偏差为+15mm。每倍尺长度应留5~10mtn 的切口余量。
3.3弯曲度
钢管的弯曲度不得大于如下规定:壁厚≤15mm-.·.
..1. 5 mm/m
壁厚>15mm.......2.0mm/m
3.4端头外形
钢管两端应切成直角,并清除毛刺。3.5交货重量www.bzxz.net
GB 13296—91
钢管按实际重量交货,亦可按理论重量交贷。钢管每米的理论重量按式(1)计算:W
式中:W—钢管理论重量,kg/m;
D——钢管公称外径,mml
s—钢管公称壁厚,mm;
p—钢的密度(见表4),kg/dm。
(D-S)S*P
交货时钢管的重,热轧无缝管按公式计算值加15%,冷拨无缝管按公式计算值加10%为标准数量。
3.6标记示例
用0Cr18Ni10Ti钢制造的外径为57mm,壁厚为3.5mm,定尺长度为5000mm的冷拨(轧)管,其标记为:
钢管冷拔(轧)0Cr18Ni10Ti-57X3.5×5G00-GB13296—91用 0Cr18Ni10Ti制造的外径为76mm壁厚为 5mm,定尺长度为5000 mm的热轧(挤)管,其标记为:
钢管热轧(挤)0Cr18Ni10Ti-76×5×5000-GB13296—914技术要求
4.1钢的牌号和化学成分
4.1.1钢的牌号和化学成分(熔炼分析)应符合表3的规定。GB 13296-91
080~%5×9
080~(2000)9
0B '0~(20'0%2) ×9
02*0~%9Xs
%2×0[
09*0~%
08 0~(20 '0-%0)X
00 '~00 :1
056~052
00*~00*
00 *-00 *z
00-00*2
00*22-0077
0-22 ~00 '98
00 *81~00*9
0020062
00'61~-00*91
00°9~00
000011
00*61~00 *91
00 '51~00'[1
00'61~00 *91
'61--00 '21
*61~00*21
00'61--00 -21
0002-00*81
0002--00*01
00*8100~9T
00'81~00 '91
05'81-~00\91
009200
*+2002
000000
[00'1~00'11
0E0'0S5'0
00 's1~05'11
0200500
00*1-00*6
0051--00 *6
00 *T~00 '6
021006
00*11~-00'8
00*51~00*11
00 'gt--00 'tt
00 's1-~00 21
00 '1 -~00 \11
00 'f1~-00 '01
122-0061
00 22-00'61
00-002
0021--00*8
00 '11~-00\8
00.610021
00-I-~00'8
DEO'0O2O'0
0*9-00 2
01~-0\0
01*~0*0
FISENBIIO0
NII6Ot
EoWetin61i00
氏体型
GB 1329691
经供需双方协商,可以供应表3以外牌号的钢管。4.1.2成品钢管的化学成分充许偏差应符合CB222中表3的规定。4.2制造方法
4.2.1钢的治炼方法
钢应采用电弧炉冶炼加炉外精炼或电渣重熔法制造。经供需双方协商,也可采用其他治炼方法制造。4.2.2钢管的制道方法
钢管应采用热轧<拼)或冷拨(轧)无缝方法制遗:需方要求基一种方法制造时,应在合同中注明。4. 3
3交货状态
钢管经热处理并酸洗交货。成品钢管的推荐热处理制度见表4。热处理制度应在质量证明书中注明。
凡经整体磨,镗的或经光亮处理的钢管可不酸洗交货。表4
类型号
OCr18N19
1Cr19Ni9
00Cr19Ni10
2C23N113
oCr23Ni13
2Ct25N120
(K25N120
0Ct17Ni12M02
1C17Ni12Mo2
00C-17Nt14Mo2
0Cr19N113M03
00Cr19Ni13Mo3
1Cr1BNi9T
OCr18Ni10Ti
1CriRNl1Ti
OCr1BN11Nb
iCr19Ni1iNb
DCr18Ni13S14
(C-1BNi12Mu2T:
1Cr18N112Mo2Ti
1Cr18Ni12Mo3Ti
推荐热处理制康
1 010-1 150℃
1010~1150℃
10101150℃
1 030~1 150 C
1 030~1 150C
1 0301 180C
1 030-~1 180 C
10101150C
>1 040'℃
1 010~-1 150℃
1 010~1 150C
1 0101 150C
1 000~1 100℃
920~1150c
玲轧10950
热轧210500
980~1 150 C
冷轧095
热轧21050
1 010~1 150℃
1 000~1 100 C
100011000
1 000--1 100 C
力学性鼠
p.或2MPe
密度p
kg/dmd
奥氏体
-铁求22
0C-26N.5Mα2
00Cr27Mo
(1Cr25Ti)
注: ① 表中dp
GB13296—91
续表4
推荐热处理制
950~1 100℃
780~850℃
900~1050℃
700~800℃
抗拉强度10
用眼点10.2
②热挤压管的抗拉强度可降低20 MPa。4.4力学性能
,MPa
力学性能
.或ap.MPa
规定残余伸长0.2%的伸长应力。8.%
密度p
4.4.1热处理状态钢管的纵向力学性能应符合表4的规定。根据需方要求在合同中注明可测定屈服强度。
经供需双方协商,在合同中注明可做以下硬度试验。对壁厚≥2 mm的钢管可以做洛氏硬度试验,每一试样测定三处。硬度要求如表 5。表5
钢管的牌号
CCr18Ni9,1Cr19Ni9,@oCr19Ni102Cr23Ni13,0Cr23Ni13,2Cr25Ni200Ct25Ni20,0Ct17Ni12Mo200Ct17Ni11Mo2,0Cr18Ni10Ti
ICr17Ni12Mo2,1Cr1BNi11Ti
DCrIRNi11Nb.ICtI9NiUNb
0Cr26Ni5M02
CCr18Ni13Si4
4.4.3高温屈服点或屈服强度
经需方要求,在合同中注明,供方可测定高温屈服强度。4.5工艺性能
4.5. 1水乐试验
洛氏硬度
钢管需逐根进行水压试验,试验压力按式(2)计算。最大试验压力为20MPa,稳压时间不少于10s.在试验压力下,钢管不得出现漏水或渗漏。式中:P一一试验压力,MPa;
S——钢管的公称壁厚,mm;
P-2XS×R
(2)
钢管的公称外径mm:
GB 13296—91
R—允许应力,铁素体型钢管,按表4所规定的值的1/3(MPa)。奥氏体型及奥氏体-铁素体型钢管,按表 4所规定的 b的 1/4(MPa)。凡经涡流检验的钢管可不进行水压试验。4.5.2压扇试验
对壁厚≤10mm的钢管应做压扇试验,压扁后的试样不得出现裂缝和裂口。钢管压扇后的外壁距H(mm)按式(3)计算:
式中:H-
钢管压扇后的外壁距,mm;
s-钢管公称壁厚,mm;
钢管公称外径,mm!
(1 +a)s
单位长度变形系数,对奥氏体钢管 α为 0. 09,对奥氏体-铁素体型及铁素体钢管 α 为0.07。
4.5.3扩口试验
对壁厚小于和等于10mm的钢管应做扩口试验。扩口试验顶心维度为60°。扩口后外径的扩口值对奥氏体-铁素体型钢管为14%,对奥氏体型钢管为18%,扩口后试样不得出现裂缝和裂口。4.6腐蚀试验
奥氏体,奥氏体-铁素体型钢管应做晶间腐蚀试验。晶间腐蚀试验方法按GB4334标准。具体腐蚀方法由双方在GB4334.1~5中的规定选择,并在合同中注明。4.7晶粒度
1Cr18Ni11Ti管的平均晶粒度应为4~7级。4.8无检验
钢管应逐支进行超声波检验:检验级别按GB5777标准中C10级或GB4163中3级的规定。需方需其他级别由供需方协议,在合同中注明。4.9表面质量
钢管的内外表面不允许有裂纹、折叠、轧折、结疤、离层和发纹。如有这些缺陷应完全清除掉。清除深度不得超过壁厚的负偏差,其清理处实际壁厚不得小于壁厚所允许的最小值.在钢管内外表面上,直道充许深度如下:冷拔(轧)管:不大于壁厚的4%,最大深度不大于0.2mml热轧<挤)管:不大于壁厚的5%,最大深度不大于0.4切m。不超过壁厚负偏差的其他缺陷允许存在。5试验方法
钢管各项检验的试验方法按表6的规定。表6
检验项目
化学成分
拉伸试验
试验方法
GB6397
取样数盘
每炉罐一十试样
每批在两根钢管上各取1个试样
6检验规则
检验项目
高温力学试验
洛氏硬度试验
乐扇试验
扩口试验
水压试验
超声波探伤
涡流检验
晶间腐蚀
晶粒度
表面质量
检查和验收
GB 1329691
续表6
试验方祛
GB3652
GB1163
GB5777
GB7735
GB 4334.15
GB1223
CB 6394
精度 0. 01 mm量具
钢管的检查和验收由供方的技术监督部门进行。2组批规则
联样数量
每批在两根射皆上各取 1个试样每批在两根钢管上各取1个试样
每批在两根钢管上各取1个试样,试样长>50mm每批在两根翻管上各取1个试样,试样长≥50 mm遵支
每批在两根钢管上各取一个试样每批在两根钢管上各取一个试样逐支
钢管按批进行检查和验收。每批应由同一牌号、同一炉号、同一规格和同一热处理制度(炉次)的钢管组成。
6.3取样数
每批钢管的各项试验的取样数量应按表6的规定进行。6.4复验与判定规则
钢管的复验与判定规则按GB2102的有关规定进行,包装、标志和质量证明书
钢管的包装,标惠及质证明书应符合GB2102中的规定。附加说明:
本标准由中华人民共和国冶金工业部提出。本标准由长城特殊钢公司负责起草。本标准主要起草人钱绍琴,培昭,于世忠、葛钦明。
小提示:此标准内容仅展示完整标准里的部分截取内容,若需要完整标准请到上方自行免费下载完整标准文档。
标准图片预览:





- 其它标准
- 热门标准
- 国家标准(GB)
- GB/T30917—2014 /ISo 29941:2010 天然胶乳橡胶避孕套中可迁移亚硝胺的测定
- GB/T12777-1999 金属波纹管膨胀节通用技术条件
- GB15193.5-2003 骨髓细胞微核试验
- GB/T29633.4-2020 南极地名 第4部分:罗马字母拼写
- GB/T39964-2021 造纸行业能源管理体系实施指南
- GB/T43929-2024 空间用纤维光学器件测试指南
- GB/T43225-2023 空间物体登记要求
- GB15985-1995 丝虫病诊断标准及处理原则
- GB19159-2003 车用液化石油气
- GB/T7407-1997 中国及世界主要海运贸易港口代码
- GB1913.2-1990 漂白浸渍绝缘纸
- GB14287.4-2014 电气火灾监控系统 第4部分:故障电弧探测器
- GB5237.3-2008 铝合金建筑型材 第3部分:电泳涂漆型材
- GB/T9771.6-2020 通信用单模光纤 第6部分:宽波长段 光传输用非零色散单模光纤特性
- GB29140-2024 纯碱单位产品能源消耗限额
- 行业新闻
请牢记:“bzxz.net”即是“标准下载”四个汉字汉语拼音首字母与国际顶级域名“.net”的组合。 ©2025 标准下载网 www.bzxz.net 本站邮件:bzxznet@163.com
网站备案号:湘ICP备2025141790号-2
网站备案号:湘ICP备2025141790号-2