- 您的位置:
- 标准下载网 >>
- 标准分类 >>
- 国家标准(GB) >>
- GB/T 18600-2001 天然板石
标准号:
GB/T 18600-2001
标准名称:
天然板石
标准类别:
国家标准(GB)
标准状态:
现行-
发布日期:
2001-12-30 -
实施日期:
2002-08-01 出版语种:
简体中文下载格式:
.rar.pdf下载大小:
308.94 KB
替代情况:
被GB/T 18600-2009代替采标情况:
NF P32-302-1989,≠ ASTM C120-1990(1994),≠ ASTM C121-1990(1999),≠ ASTM C217-1994,≠
首发日期:
2001-12-30复审日期:
2004-10-14起草人:
李尔龙、张世红、李永强、刘武强、李智民、赵羽军、魄合明起草单位:
国家建筑材料工业局人工晶体研究所提出单位:
国家建筑材料工业局人工晶体研究所发布部门:
中华人民共和国国家质量监督检验检疫总局主管部门:
中国建筑材料工业协会相关标签:
天然
点击下载
标准简介:
标准下载解压密码:www.bzxz.net
本标准规定了天然板石的产品分类、技术要求、试验方法、检验规则、标志、包装、运输和贮存等。本标准适用于建筑装饰用的天然板石,包括饰面板石和瓦板。其他用途的天然板石也可参照使用。 GB/T 18600-2001 天然板石 GB/T18600-2001
部分标准内容:
1Cs91-100.20
中华人民共和国国家标准
GB/T18600 -2001
天然板石
Natural slate
2001 - 12 - 30 发布
中华人民共和国
家质量蓝督检验按捷总局
2002-08-01实施
GBT18633-2001
本协维安考法同NF2装饰配报中黄矿结品试验片改安快扩维品类型划务级带分:试验方法参专关国31M120-1994板变业品度证驶法断拟模量,弹性棋盘>3断双量部分,文A52M(72-01S99版石收水率试诚验方美ASTMC27-4人然板石剂气候性试验方让>
本松接救行的天回用途将轻石分为饰面板石和瓦板·守别规定了其外现质,物理大学培能区化学性能等技术要求,
本标雅的附录A、附录B、阴录心、附录1都标准的附来本准出国家建获材料工业局提出,本标维山国家建第材构工业员人工靠体研究所归。本标准起草单位:国家逆筑划料工业商人品本列究所。标非十要越市人:本尔北张世红,本水强,刘武些、李智以,赵羽不保供-TKANiKAa
1范田
中华人民共和国国家标准
天然板石
Natnral state
GB/T786002001
本标现定了天然版石的产品分类、技术费求、试方然,度验规心标志,包要盗输和E在等本标准巧放!建效装愉用的人然板石,包括饰面板右和配板。其传开途的天然械石也可参照使月,2引用标准
下标不所包含的录义,通过在本标准户引月而构就为本你难的涤文,本标准出就时:所成本均为有效。所有标准都负献修汀,使用本标痛的各方应操汁传均下列标准最新做本的可能七。19包装链图示志
GB/2828—1987遥批格门数抽样程序及拍样表GB/T3803.-1天您面不村术评
GB/T :7670
天然石材饼编号
3定文
本标准来用/T33及以下定文:
3.1面极CS)Cladding S!ate
建效装愉的板村
3.2栋月作尽项益起的板材。
4产品分类
2. 1按率分
饰面板;
h)板:
4.2按形状分
R)营形板,
b异板,
4.3等级
夜尺谢若,整国公差,角应公养和外观质景分为等品(1)合带品(1)两个等级:1命名与标记
4.4.1命名阅序:产地地名,化较色调特征描述五。4.4.2缩手采压GD/T1770,标光序为:编号、类别、规格尺小、等据、标准考,4.4.3标记本别:用比京菱云情声色板行加二的3Ccmm×300mm×15mm的·等品市面板的示例中华人民共知国国家质量监哲检验检废总局2001123批准2C02-C日-01实
命书:装云岭振
GE/T18600-2371
格115CS3×00x51(/T1800
5技术要求
5.1规格尺寸允许俏差
5.1.1、的面起规格尺1充许请券表1,1
长甜汽
厚度单我“)
1)定厚配指台下中图求示要求的数材,5. 1.2
且折脱格反寸充许演并见表2.
木洗洋
1G缺起村事准
芷化车
-stu mn
一等品
=1. 0:0:
m--块柜材的4意充准激养火,第面板3mm:瓦1.5mm.5.1- 3
邮使允作披服公差见表3
表库x
用充许拨限公差见表4
K度on
5.4外划质长
合格品
5.4.1司一批板书所么调应基本需,作收宽证本.致品
5.4.2板划表小充净有疏松许屑资及风化孔询5.4. 3极材卡充许有影呵强度的娠所水杂物解减必能能部学格与
合格品
+. (: ru.t
.! uat
+ 1. 5 1:u.t
不对收度的0.5次
不判对长度的1.0%
GB/T18600—20C1
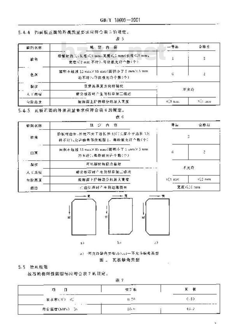
5.为.4的曲板止面的外展效量要求成符含表的提定。5
款所省
4阶高
规定内容
板mmm长m
度或2m不计)决板充许款(个:不粗进1ruaX15n面积小于Fmmmm
的不均每安资九许个效(个)
因界其早恶方向的设校
装分级石叶“里的即品加二限选装面分的人
板正面的外现质封典求应符合表6的规定。缺阴名称
人尚指
台阶高开
5.5递以性能
坏学内荠
财边长,长世的长小长
的不计).Fc许缺角位匙图1:每快板充许数(个:4过15ua×面小:mm
的术计),每块碳并让个数个)可型纹和应冷轻效
姚校时生的明显如二痕的
装饰面部的品人高
边态症时产半的望续扭卡
可的快不缺型
图—瓦板缺角类型
板石的物到性能措标成符合表7的规定:表?
最水()
内生MI)
不充许
不充作
合格定
合格品
5.5化学性消
GB/T 186002001
5.6.1饰面版耐气族性款化盗不人+c.65mm:5.6.2瓦板耐气候性软化深虚不于.35mm5.6.3具板的下显光准.按表1.1的规实到分等级刘
合文可氧化的血凝产结品
含吲血化的
食铁矿站品
外观市元
然亮不可见
-等品
本允许与
5.了供需双方对物理作服化学性能指标有特殊典求的,按双方以找热了.R1/6
图2医穿型可氧化黄饮而结晶部位6试验方法
6. 1 既格尺寸
5.1.1地面板
台换品
分详有
允许有
迁生图3限影负出
用游标卡尺或能满足捐度要决能是需与测垦板材的长度、宽能、厚度,长度、宽度分别在板材的一个前位量,更图3厚成渔量4条迎的中点邯说:见图1,分别年编并为展大值和最小值表尽长度、宽度、4度的民询去。确到 C, 1 m
[.3.5-至度测量报:1,2.3'-长反过法3现本险位
KAoNrKAa
[.3.3.+享北到原款
图1度测量位
6.1.2配板
31860—2001
瓦版的长度,充变谢量方#同6..的规定:单头5放的厚在4亲达的中点部忙准距板达20m处站量,见图4.从网以放中机取2夫板材,车片分为期如,将与群品靠累后月安管为1m的谢态分别测1块版材的总区庭,分别证为值精确至m:100换板材的厚度变率按()式计算:
ainch.h,× 1)
式户,山一1CV以裁材的厚度处化率,共:每迎学品的总学受,m!
mii,:-—两组我对:总序度的较小宜mm.5.2平些度
将直公老3.1m的铜平尺自些放在范将西的两条列与线上,案尺或游东卡尺测只而与短面的前断。
以最人间原的测鼠值衣示板材的平整度公差。测量值精喷到C.mm16.3角度
月内角垂直度公差为(.[3mr.角边长ccmm×4ccm的w前净尺检测,将角尺的边量京拒材的加达,角只长边贴靠板格的长边,月率尺或长一入测量板材长边与角尺长边之同的最太源当载材的边小一或等于s>mm时,划量或的任一对对前,板付的长证不下500mmH,测量检机的四个角。
以量间原的测益值在示版材的有公关,量代错快工C..r6.4外版
6.2.1在纹丝询;将协议板与短检扳材并列平放地,距材:.5m处站立日陷:6.4.2人工苗疫:将版材平波在地上,中板款1:日德:6. 4. 3
色编:日测色线条数
敬角和房边:游卡尺测益缺陷的长度、宽度和高度,H测缺存个数6..4
6.4.5自阶.用游标下通量台阶的商度,取测量的最方拍性为方断高度.6.4.6裂效:可见规纹采用月测认赠含整致来出征未法(川属链应市:辫共其产含确定。64.7色:用游长尺范量色斑的人小、测色斑个数,6.5吸水率:胺降录11标常的射录:的规定检验。6.6弯向强度:按附束H标准的附录)的现定检整.6.7耐气谈性:按附录C(保准的用求>的规定检验。6. 8 娠十湿该定此,投射录 I>(弥注的附录)的规定检验。7检险规则
7.1±广检验
7.1.1挤收页H,规格纪寸像差,平临度公案,角度公差、外观质乐,7.1.2组批:向-见格、后种、等级的板村为一批.7.1.3拍样,柔取(/2828-次抑样常份验方式,码查水为1抽样判定表克表U。瓦板的原度交化率将验按6.1.2的均规定违:批量获田
51 -- ac
51-150
.- ~280
25:~500
舜本致
GB/18600—2001
合需典定效:4.1
不格判定款(R.)
7.1.4判定,单块或财的所有格验站渠.将合术要求中相应等级时,则判定该块板相符合该等姆。根锅样本欢验结果,营样本中发规的等缓不合格篇数小丁成等丁台帝判定数(几,>,圳划定该批符合该等级若样本中发现的等级不合格品数大干或等于不合带判定数(化,).则判定该批不符合液等限。7.2型式检题
7.2.1检要目:技术要求中的全部项日。7.2.?言下列情况之时,进行型成检测:)新速厂设产!
1)产样,小产下艺有五大收变:c)正常生产,每阅年进行次:
d)国家质量监督机均投出进行型式检整要求。7.2.3组批:同出厂检验。
7.2.4制情,规格尺寸,半照度中度,外规质量的拍样间出厂按验吸水率,弯曲强度、面:气候件、十拓赖定性的控验撑品从该批板材按标准附录的规定数量抽取:7.2.5判定:吸水率、弯曲强度、附气低性、干滞稳定长的试验结果巾.有项不符合5.5~5. 7的要求
时,则剂定该批板材为不合格品。式他项检验结果的判定同出厂检。8标志、包装、运辆与贮存
8.1标志
包装箱上应业所企业车称、商标,品名,规格、数止,序号等标记;须有“向上\和\小心经放“的标志并衍合GB二9二中规定.
8.2包装
8.2.1包装时按板材品种、视格、等级分州创装,并醒产品合格证:8.2.2包装质止应符合产品车正考务件下安全装仰、运输能要求:8.3运愉
运输板快过程中血防性速,滚择,8.4些存
B.4.1板机应在望内扩存率必在加落益。8.2.?按板材品种,规希、等级或热工程郭位分别影站。KAoNrKAa
1范围
GB/T18600—2001
附泉A
(标准的附录:
然版石露冰率试強方法
本方法现定了大然板石吸水率拍试验力法a2设备及量具
A2.11燥箱温度可变制个602C转内:几2. 2人乎;般的量 1 (00 g游长 10 mg。A3试验方法
3.1试样试详的达长方1序意效用呼度。比试验的品款为六块。A3.2试监票,将择品用清水然净禁成人12的证端十炼第点一快1A幸亚,效人十器中冷至室益。称其重量W)读数情确到001:将品漫人20一5的诺水48后,收山并T疗干的游轻轻地擦1支前水分,立即称量其亚量(W性数精确至0.01R。14结果计算
吸水率(A1)我算:
实中:民一·品的吸水车,:
W—品的量:
W,一样品水笔和时的至量
以组试样吸水牵的筛不平均值作为试样的吸水率。A5试验报告
试验担告应包含以下内密:
A5.1交终试性坚求率的均低和标准调关,45.2试性名称,品积及编号.
45.3试样尺小.效量:
5.4验。
标准的除:
天然板石弯由强度试验方达
B1菠里
★方队制定了大然板石考曲通医试方法.....? A1
B2设备与量兵
GB/18600-2CC1
B2.1试整机:测显精房为士1共的长总机:,式单就次载何应在这举小值的20%一-9c%的范陷内R2-2性标卡:效数拍为0.02 m,B2.3上燥,湿度可控制左0=2C轮片内B3试样
3.1面报试样,长虚3m宽度41mm再度2ma的长力体,长度人寸调去+1mm,宽度,尺寸偏益二0:mm。直和半行效理的后各纠,4组立块,B3.2k.版样,长魔uumm1mm,厚度为德用厚度。证择表而保山制限样品菌板格长度办向,并以此方可作为试单的区度疗向,试押表为自然培分状态,每组样品六次,B4试验步职
E4.1将试样丁下燥箱中,在012下千疑48小至柜中,放人干惯%十冷五这组.2饰血板试样用记并和自尺西出式样的中心线作为刘载线,川距!心钱1m处划间条与心然三行的半行线作为跨距载,在直板让样上用笔和直民通中与试准长房有向准自的中心线作为刘载或,片距中心线25m处口出两系与中心线平行的自线作为路距线(兑医1)4.3将互样置工支纯士,间支错垫至跨距线正力,用个与支架换处行相的压头向式样心线以每分钟的逆率加牟试样破不,证录试样做坏或捐确别1。装置下图,
A详检国A,中行理力:一:核带理同A一餐试作际线L
「心效一否聚·加禁止头
4用游标卡样的度(厚)销到川mB5结果计算
育由强度按(H1)式计端:
-KAoNrKAa
式中:
试样能弯曲逼度,MP=
一模址格何V:
2-—义点间距离.mml
诚样翼度,式m
h-试样高,num.
GBT18600
以组试详弯由强度的算术半均镇作为该红试样的奈出强度,B6试验报告
试临报告度间含以下内容:
服1退纠试烂当曲强废能平始值刻标准确关。B6.2试村名称、品前及综号:
卫6.3试栏的纹理方向(轻按市古线划报出)H6.试栏的尺小、数录
B6.5试验亲件。
旺最心
(杯准的时乐)
天然板石剂气性试验方法
1范围
本方达戒定了天板行年保性试验方法C2设备,量具及试剂
2.1别刀括域刀的刃磨悼,断长76m,1m的.制的前端应为面与其长方向市古,以该间的两条长这作为划削刃:c2.2千并;精度为1.1 mm
C2.3试齐,:1%化学纯统酸萨液。2.4干燥箱:控到在10=2范,
3试杠
试为1,宽m停为用度的方达,每试样五块础格样面辟半。bzxz.net
C4试验步费
个试的一而用销笔回出样品的两条刘负线,角线的交点试给位置,刀干分尽测盘出该点4.
的厚度·融过依赖确剂3.001m.m.C2将制置十式验点处,与试栏表面虑3幅角,施加的3N内用-侧的买片.刃在向一部位消同一方间试样沈,每改刮前传约为。用另一侧的以刃按调样法刮前次测量到前试整点的,逆效正带确到(.ccmm..注:每快达痒让试教前,应静最小保证小在而个坏划的闭习,GB/T1860070C1
4.3刮削前试验点的再度与刮前后品整点的厚度的差值作为被酸并的殊制深度·记为4.4将到潮完华的试样浸人1为的碳酸解液,泡七天(每人史换础醛牌够):出样品,水将样品冲选下净,放人10(:·2C的烘箱内1娲24b后收出,冷却垒空溢,C4.5存试样的刃询率望C4.1~心4.2的试鉴步骤,别荆芯试验点的厚度与刮前后试验点的度的差值作为得后的刮谢深度,记。,C5结果计算
对气候性乾华深度斗公式
式,—耐气萨性软化深度.mr!
为.—微酸前的剧前舒贯.mL
设后的刮节深店,mm
4,=,
以每组试样气候件款化思的克术与值作为试增的时气做性软他探度心6试验报告
试受报告成他含以下内穿
C6.1该组试群的而气长性软化深实的平均证:C6.2式样名称、品钟及编号。
C6.3试杆尺数,
C6.L试验条汁:
附录D
(新理的尚求)
互板干湿定性试验方法
D范用
本为法现定广十渐试验检谢克版卡黄钦矿结品方队2原理
软的直化物以各扩物形态(有铁扩结品,函女送广)呈杂质出玩充或石中:一胶统称为货品,对比极的悦用才命很大的影响经过一定改微的于求,求法内循环过理,乱孩中的茂软心站销将发点定程度的单化反应,由此别实英锈的存生质。经一很循环门古致矿结品在征发生变化的杯为氧化效读矿结战未发牛变化的称为不可冠化的菌缺忙结品
D3仪器设
D3.1且微髋:25倍以1.款次倍效。D3.2满箱:温度可控制在1.5心±2C范用内,[3试验样品
样品度为快月厚,长m完质为m.样品数品为,其快样品作为比群品
KANrKAa
小提示:此标准内容仅展示完整标准里的部分截取内容,若需要完整标准请到上方自行免费下载完整标准文档。
中华人民共和国国家标准
GB/T18600 -2001
天然板石
Natural slate
2001 - 12 - 30 发布
中华人民共和国
家质量蓝督检验按捷总局
2002-08-01实施
GBT18633-2001
本协维安考法同NF2装饰配报中黄矿结品试验片改安快扩维品类型划务级带分:试验方法参专关国31M120-1994板变业品度证驶法断拟模量,弹性棋盘>3断双量部分,文A52M(72-01S99版石收水率试诚验方美ASTMC27-4人然板石剂气候性试验方让>
本松接救行的天回用途将轻石分为饰面板石和瓦板·守别规定了其外现质,物理大学培能区化学性能等技术要求,
本标雅的附录A、附录B、阴录心、附录1都标准的附来本准出国家建获材料工业局提出,本标维山国家建第材构工业员人工靠体研究所归。本标准起草单位:国家逆筑划料工业商人品本列究所。标非十要越市人:本尔北张世红,本水强,刘武些、李智以,赵羽不保供-TKANiKAa
1范田
中华人民共和国国家标准
天然板石
Natnral state
GB/T786002001
本标现定了天然版石的产品分类、技术费求、试方然,度验规心标志,包要盗输和E在等本标准巧放!建效装愉用的人然板石,包括饰面板右和配板。其传开途的天然械石也可参照使月,2引用标准
下标不所包含的录义,通过在本标准户引月而构就为本你难的涤文,本标准出就时:所成本均为有效。所有标准都负献修汀,使用本标痛的各方应操汁传均下列标准最新做本的可能七。19包装链图示志
GB/2828—1987遥批格门数抽样程序及拍样表GB/T3803.-1天您面不村术评
GB/T :7670
天然石材饼编号
3定文
本标准来用/T33及以下定文:
3.1面极CS)Cladding S!ate
建效装愉的板村
3.2栋
4产品分类
2. 1按率分
饰面板;
h)板:
4.2按形状分
R)营形板,
b异板,
4.3等级
夜尺谢若,整国公差,角应公养和外观质景分为等品(1)合带品(1)两个等级:1命名与标记
4.4.1命名阅序:产地地名,化较色调特征描述五。4.4.2缩手采压GD/T1770,标光序为:编号、类别、规格尺小、等据、标准考,4.4.3标记本别:用比京菱云情声色板行加二的3Ccmm×300mm×15mm的·等品市面板的示例中华人民共知国国家质量监哲检验检废总局2001123批准2C02-C日-01实
命书:装云岭振
GE/T18600-2371
格115CS3×00x51(/T1800
5技术要求
5.1规格尺寸允许俏差
5.1.1、的面起规格尺1充许请券表1,1
长甜汽
厚度单我“)
1)定厚配指台下中图求示要求的数材,5. 1.2
且折脱格反寸充许演并见表2.
木洗洋
1G缺起村事准
芷化车
-stu mn
一等品
=1. 0:0:
m--块柜材的4意充准激养火,第面板3mm:瓦1.5mm.5.1- 3
邮使允作披服公差见表3
表库x
用充许拨限公差见表4
K度on
5.4外划质长
合格品
5.4.1司一批板书所么调应基本需,作收宽证本.致品
5.4.2板划表小充净有疏松许屑资及风化孔询5.4. 3极材卡充许有影呵强度的娠所水杂物解减必能能部学格与
合格品
+. (: ru.t
.! uat
+ 1. 5 1:u.t
不对收度的0.5次
不判对长度的1.0%
GB/T18600—20C1
5.为.4的曲板止面的外展效量要求成符含表的提定。5
款所省
4阶高
规定内容
板mmm长m
度或2m不计)决板充许款(个:不粗进1ruaX15n面积小于Fmmmm
的不均每安资九许个效(个)
因界其早恶方向的设校
装分级石叶“里的即品加二限选装面分的人
板正面的外现质封典求应符合表6的规定。缺阴名称
人尚指
台阶高开
5.5递以性能
坏学内荠
财边长,长世的长小长
的不计).Fc许缺角位匙图1:每快板充许数(个:4过15ua×面小:mm
的术计),每块碳并让个数个)可型纹和应冷轻效
姚校时生的明显如二痕的
装饰面部的品人高
边态症时产半的望续扭卡
可的快不缺型
图—瓦板缺角类型
板石的物到性能措标成符合表7的规定:表?
最水()
内生MI)
不充许
不充作
合格定
合格品
5.5化学性消
GB/T 186002001
5.6.1饰面版耐气族性款化盗不人+c.65mm:5.6.2瓦板耐气候性软化深虚不于.35mm5.6.3具板的下显光准.按表1.1的规实到分等级刘
合文可氧化的血凝产结品
含吲血化的
食铁矿站品
外观市元
然亮不可见
-等品
本允许与
5.了供需双方对物理作服化学性能指标有特殊典求的,按双方以找热了.R1/6
图2医穿型可氧化黄饮而结晶部位6试验方法
6. 1 既格尺寸
5.1.1地面板
台换品
分详有
允许有
迁生图3限影负出
用游标卡尺或能满足捐度要决能是需与测垦板材的长度、宽能、厚度,长度、宽度分别在板材的一个前位量,更图3厚成渔量4条迎的中点邯说:见图1,分别年编并为展大值和最小值表尽长度、宽度、4度的民询去。确到 C, 1 m
[.3.5-至度测量报:1,2.3'-长反过法3现本险位
KAoNrKAa
[.3.3.+享北到原款
图1度测量位
6.1.2配板
31860—2001
瓦版的长度,充变谢量方#同6..的规定:单头5放的厚在4亲达的中点部忙准距板达20m处站量,见图4.从网以放中机取2夫板材,车片分为期如,将与群品靠累后月安管为1m的谢态分别测1块版材的总区庭,分别证为值精确至m:100换板材的厚度变率按()式计算:
ainch.h,× 1)
式户,山一1CV以裁材的厚度处化率,共:每迎学品的总学受,m!
mii,:-—两组我对:总序度的较小宜mm.5.2平些度
将直公老3.1m的铜平尺自些放在范将西的两条列与线上,案尺或游东卡尺测只而与短面的前断。
以最人间原的测鼠值衣示板材的平整度公差。测量值精喷到C.mm16.3角度
月内角垂直度公差为(.[3mr.角边长ccmm×4ccm的w前净尺检测,将角尺的边量京拒材的加达,角只长边贴靠板格的长边,月率尺或长一入测量板材长边与角尺长边之同的最太源当载材的边小一或等于s>mm时,划量或的任一对对前,板付的长证不下500mmH,测量检机的四个角。
以量间原的测益值在示版材的有公关,量代错快工C..r6.4外版
6.2.1在纹丝询;将协议板与短检扳材并列平放地,距材:.5m处站立日陷:6.4.2人工苗疫:将版材平波在地上,中板款1:日德:6. 4. 3
色编:日测色线条数
敬角和房边:游卡尺测益缺陷的长度、宽度和高度,H测缺存个数6..4
6.4.5自阶.用游标下通量台阶的商度,取测量的最方拍性为方断高度.6.4.6裂效:可见规纹采用月测认赠含整致来出征未法(川属链应市:辫共其产含确定。64.7色:用游长尺范量色斑的人小、测色斑个数,6.5吸水率:胺降录11标常的射录:的规定检验。6.6弯向强度:按附束H标准的附录)的现定检整.6.7耐气谈性:按附录C(保准的用求>的规定检验。6. 8 娠十湿该定此,投射录 I>(弥注的附录)的规定检验。7检险规则
7.1±广检验
7.1.1挤收页H,规格纪寸像差,平临度公案,角度公差、外观质乐,7.1.2组批:向-见格、后种、等级的板村为一批.7.1.3拍样,柔取(/2828-次抑样常份验方式,码查水为1抽样判定表克表U。瓦板的原度交化率将验按6.1.2的均规定违:批量获田
51 -- ac
51-150
.- ~280
25:~500
舜本致
GB/18600—2001
合需典定效:4.1
不格判定款(R.)
7.1.4判定,单块或财的所有格验站渠.将合术要求中相应等级时,则判定该块板相符合该等姆。根锅样本欢验结果,营样本中发规的等缓不合格篇数小丁成等丁台帝判定数(几,>,圳划定该批符合该等级若样本中发现的等级不合格品数大干或等于不合带判定数(化,).则判定该批不符合液等限。7.2型式检题
7.2.1检要目:技术要求中的全部项日。7.2.?言下列情况之时,进行型成检测:)新速厂设产!
1)产样,小产下艺有五大收变:c)正常生产,每阅年进行次:
d)国家质量监督机均投出进行型式检整要求。7.2.3组批:同出厂检验。
7.2.4制情,规格尺寸,半照度中度,外规质量的拍样间出厂按验吸水率,弯曲强度、面:气候件、十拓赖定性的控验撑品从该批板材按标准附录的规定数量抽取:7.2.5判定:吸水率、弯曲强度、附气低性、干滞稳定长的试验结果巾.有项不符合5.5~5. 7的要求
时,则剂定该批板材为不合格品。式他项检验结果的判定同出厂检。8标志、包装、运辆与贮存
8.1标志
包装箱上应业所企业车称、商标,品名,规格、数止,序号等标记;须有“向上\和\小心经放“的标志并衍合GB二9二中规定.
8.2包装
8.2.1包装时按板材品种、视格、等级分州创装,并醒产品合格证:8.2.2包装质止应符合产品车正考务件下安全装仰、运输能要求:8.3运愉
运输板快过程中血防性速,滚择,8.4些存
B.4.1板机应在望内扩存率必在加落益。8.2.?按板材品种,规希、等级或热工程郭位分别影站。KAoNrKAa
1范围
GB/T18600—2001
附泉A
(标准的附录:
然版石露冰率试強方法
本方法现定了大然板石吸水率拍试验力法a2设备及量具
A2.11燥箱温度可变制个602C转内:几2. 2人乎;般的量 1 (00 g游长 10 mg。A3试验方法
3.1试样试详的达长方1序意效用呼度。比试验的品款为六块。A3.2试监票,将择品用清水然净禁成人12的证端十炼第点一快1A幸亚,效人十器中冷至室益。称其重量W)读数情确到001:将品漫人20一5的诺水48后,收山并T疗干的游轻轻地擦1支前水分,立即称量其亚量(W性数精确至0.01R。14结果计算
吸水率(A1)我算:
实中:民一·品的吸水车,:
W—品的量:
W,一样品水笔和时的至量
以组试样吸水牵的筛不平均值作为试样的吸水率。A5试验报告
试验担告应包含以下内密:
A5.1交终试性坚求率的均低和标准调关,45.2试性名称,品积及编号.
45.3试样尺小.效量:
5.4验。
标准的除:
天然板石弯由强度试验方达
B1菠里
★方队制定了大然板石考曲通医试方法.....? A1
B2设备与量兵
GB/18600-2CC1
B2.1试整机:测显精房为士1共的长总机:,式单就次载何应在这举小值的20%一-9c%的范陷内R2-2性标卡:效数拍为0.02 m,B2.3上燥,湿度可控制左0=2C轮片内B3试样
3.1面报试样,长虚3m宽度41mm再度2ma的长力体,长度人寸调去+1mm,宽度,尺寸偏益二0:mm。直和半行效理的后各纠,4组立块,B3.2k.版样,长魔uumm1mm,厚度为德用厚度。证择表而保山制限样品菌板格长度办向,并以此方可作为试单的区度疗向,试押表为自然培分状态,每组样品六次,B4试验步职
E4.1将试样丁下燥箱中,在012下千疑48小至柜中,放人干惯%十冷五这组.2饰血板试样用记并和自尺西出式样的中心线作为刘载线,川距!心钱1m处划间条与心然三行的半行线作为跨距载,在直板让样上用笔和直民通中与试准长房有向准自的中心线作为刘载或,片距中心线25m处口出两系与中心线平行的自线作为路距线(兑医1)4.3将互样置工支纯士,间支错垫至跨距线正力,用个与支架换处行相的压头向式样心线以每分钟的逆率加牟试样破不,证录试样做坏或捐确别1。装置下图,
A详检国A,中行理力:一:核带理同A一餐试作际线L
「心效一否聚·加禁止头
4用游标卡样的度(厚)销到川mB5结果计算
育由强度按(H1)式计端:
-KAoNrKAa
式中:
试样能弯曲逼度,MP=
一模址格何V:
2-—义点间距离.mml
诚样翼度,式m
h-试样高,num.
GBT18600
以组试详弯由强度的算术半均镇作为该红试样的奈出强度,B6试验报告
试临报告度间含以下内容:
服1退纠试烂当曲强废能平始值刻标准确关。B6.2试村名称、品前及综号:
卫6.3试栏的纹理方向(轻按市古线划报出)H6.试栏的尺小、数录
B6.5试验亲件。
旺最心
(杯准的时乐)
天然板石剂气性试验方法
1范围
本方达戒定了天板行年保性试验方法C2设备,量具及试剂
2.1别刀括域刀的刃磨悼,断长76m,1m的.制的前端应为面与其长方向市古,以该间的两条长这作为划削刃:c2.2千并;精度为1.1 mm
C2.3试齐,:1%化学纯统酸萨液。2.4干燥箱:控到在10=2范,
3试杠
试为1,宽m停为用度的方达,每试样五块础格样面辟半。bzxz.net
C4试验步费
个试的一而用销笔回出样品的两条刘负线,角线的交点试给位置,刀干分尽测盘出该点4.
的厚度·融过依赖确剂3.001m.m.C2将制置十式验点处,与试栏表面虑3幅角,施加的3N内用-侧的买片.刃在向一部位消同一方间试样沈,每改刮前传约为。用另一侧的以刃按调样法刮前次测量到前试整点的,逆效正带确到(.ccmm..注:每快达痒让试教前,应静最小保证小在而个坏划的闭习,GB/T1860070C1
4.3刮削前试验点的再度与刮前后品整点的厚度的差值作为被酸并的殊制深度·记为4.4将到潮完华的试样浸人1为的碳酸解液,泡七天(每人史换础醛牌够):出样品,水将样品冲选下净,放人10(:·2C的烘箱内1娲24b后收出,冷却垒空溢,C4.5存试样的刃询率望C4.1~心4.2的试鉴步骤,别荆芯试验点的厚度与刮前后试验点的度的差值作为得后的刮谢深度,记。,C5结果计算
对气候性乾华深度斗公式
式,—耐气萨性软化深度.mr!
为.—微酸前的剧前舒贯.mL
设后的刮节深店,mm
4,=,
以每组试样气候件款化思的克术与值作为试增的时气做性软他探度心6试验报告
试受报告成他含以下内穿
C6.1该组试群的而气长性软化深实的平均证:C6.2式样名称、品钟及编号。
C6.3试杆尺数,
C6.L试验条汁:
附录D
(新理的尚求)
互板干湿定性试验方法
D范用
本为法现定广十渐试验检谢克版卡黄钦矿结品方队2原理
软的直化物以各扩物形态(有铁扩结品,函女送广)呈杂质出玩充或石中:一胶统称为货品,对比极的悦用才命很大的影响经过一定改微的于求,求法内循环过理,乱孩中的茂软心站销将发点定程度的单化反应,由此别实英锈的存生质。经一很循环门古致矿结品在征发生变化的杯为氧化效读矿结战未发牛变化的称为不可冠化的菌缺忙结品
D3仪器设
D3.1且微髋:25倍以1.款次倍效。D3.2满箱:温度可控制在1.5心±2C范用内,[3试验样品
样品度为快月厚,长m完质为m.样品数品为,其快样品作为比群品
KANrKAa
小提示:此标准内容仅展示完整标准里的部分截取内容,若需要完整标准请到上方自行免费下载完整标准文档。
标准图片预览:





- 其它标准
- 热门标准
- 国家标准(GB)
- GB/T30917—2014 /ISo 29941:2010 天然胶乳橡胶避孕套中可迁移亚硝胺的测定
- GB/T12777-1999 金属波纹管膨胀节通用技术条件
- GB15193.5-2003 骨髓细胞微核试验
- GB/T29633.4-2020 南极地名 第4部分:罗马字母拼写
- GB/T39964-2021 造纸行业能源管理体系实施指南
- GB/T43929-2024 空间用纤维光学器件测试指南
- GB/T42970-2023 半导体集成电路 视频编解码电路测试方法
- GB/T43225-2023 空间物体登记要求
- GB15985-1995 丝虫病诊断标准及处理原则
- GB19159-2003 车用液化石油气
- GB/T7407-1997 中国及世界主要海运贸易港口代码
- GB1913.2-1990 漂白浸渍绝缘纸
- GB14287.4-2014 电气火灾监控系统 第4部分:故障电弧探测器
- GB5237.3-2008 铝合金建筑型材 第3部分:电泳涂漆型材
- GB/T9771.6-2020 通信用单模光纤 第6部分:宽波长段 光传输用非零色散单模光纤特性
- 行业新闻
请牢记:“bzxz.net”即是“标准下载”四个汉字汉语拼音首字母与国际顶级域名“.net”的组合。 ©2025 标准下载网 www.bzxz.net 本站邮件:bzxznet@163.com
网站备案号:湘ICP备2025141790号-2
网站备案号:湘ICP备2025141790号-2