- 您的位置:
- 标准下载网 >>
- 标准分类 >>
- 国家标准(GB) >>
- GB/T 18594-2001 技术产品文件 字体 拉丁字母、数字和符号的CAD字体
标准号:
GB/T 18594-2001
标准名称:
技术产品文件 字体 拉丁字母、数字和符号的CAD字体
标准类别:
国家标准(GB)
标准状态:
现行-
发布日期:
2001-01-02 -
实施日期:
2002-06-01 出版语种:
简体中文下载格式:
.rar.pdf下载大小:
7.67 MB
点击下载
标准简介:
标准下载解压密码:www.bzxz.net
本标准规定了使用计算机辅助设计和制图(CADD)编制的技术产品文件中字体的基本要求,包括CAD字体的基本约定和规则。本标准适用于数字化书写技术和绘图系统。 GB/T 18594-2001 技术产品文件 字体 拉丁字母、数字和符号的CAD字体 GB/T18594-2001
部分标准内容:
GB/T18594—2001
本标准根据ISO3098-5:1997《技术产品文件字体第5部分拉丁字母、数字和符号的CAD字体》编制而成,在技术内容和编写格式上等同采用该国际标准。本标准提出了在计算机辅助设计的技术产品文件中所要用到的拉丁字母、数字和符号的书写形式及要求,使CAD的开发与应用单位有章可循。技术产品文件中的汉字标准要求应参见GB/T13362.4一1992、GB/T13362.5—1992,GB/T13844~13848—1992。本标准由中国机械工业联合会提出。本标准由全国技术产品文件标准化技术委员会归口。本标准起草单位:机械科学研究院、北京清华京渝天河软件公司。本标准主要起草人:杨东拜、丁红宇、温秋生、刘爱珍、强毅、周京淮。GB/T18594—2001
ISO前言
ISO(国际标准化组织)是由各国标准化团体(ISO成员团体)组成的世界性的联合组织,制定国际标准的工作通常由ISO的技术委员会完成。各成员团体若对某技术委员会确立的项目感兴趣,均有权参加该委员会的工作。与ISO保持联系的各国际组织(官方的或非官方的)也可参加有关工作,在电工技术标准化方面ISO与国际电工委员会(IEC)保持密切合作关系。由技术委员会通过的国际标准草案提供各成员团体表决,需取得至少75%参加的成员团体同意,才能作为国际标准正式发布。
国际标准ISO3098-5是由国际标准化组织ISO/TC10\技术产品文件”的SC1分技术委员会“基本原则”负责起草。
ISO3098在技术产品文件一字体”题目下包含以下内容一第0部分:基本要求
一第1部分:常用字符
一第2部分:希腊字母
一第3部分:拉丁字母的发音符号和特殊符号一第4部分:斯拉夫字母
一第5部分:拉丁字母、数字和符号的CAD字体I
1范围
中华人民共和国国家标准
技术产品文件字体
拉丁工字母、数字和符号的CAD字体Technical product documentationLetteringCAD lettering of the Latin alphabet numerals and marksGB/T18594—2001
idtISO3098-5:1997
本标准规定了使用计算机辅助设计和制图(CADD)编制的技术产品文件中字体的基本要求,包括CAD字体的基本约定和规则。
本标准适用于数字化书写技术和绘图系统。2引用标准
下列标准所包含的条文,通过在本标准中引用而构成为本标准的条文。本标准出版时,所示版本均为有效。所有标准都会被修订,使用本标准的各方应探讨使用下列标准最新版本的可能性。GB/T13361-—1992技术制图通用术语GB/T14691—1993技术制图字体(eqVISO3098/1—1974)GB/T15751—1995技术产品文件计算机辅助设计与制图词汇(eqvISO/TR10623—92)3定义
本标准采用GB/T13361和GB/T15751中所给出的定义。3.1比例间隔proportionalspacingarrangement矢量字符按书写方向,字宽间隔和原字宽成比例。3.2等宽间隔tabularspacingarrangement矢量字符按书写方向,采用等宽间隔,和原字宽无关。4一般要求
CAD字体的基本要求见GB/T14691。5CAD字体的要求
5.1CAD字体的类型有:
-CB型,直体(V)见图1(优先采用);-CB型,斜体(S);
-CA型,直体(V)见图2
-CA型,斜体(S)。
这些类型的CAD字体的尺寸见表1。注:与CB型相比,CA型的字宽减小到CB型字宽的1/~2。(相当于GB/T14691中的A型字)。中华人民共和国国家质量监督检验检疫总局2001-12-17批准2002-06-01实施
5.2字符间隔类型有:
等宽间隔(T)见图3。
-比例间隔(P)见图4。
GB/T18594—2001
疗体书写方间
学体方向
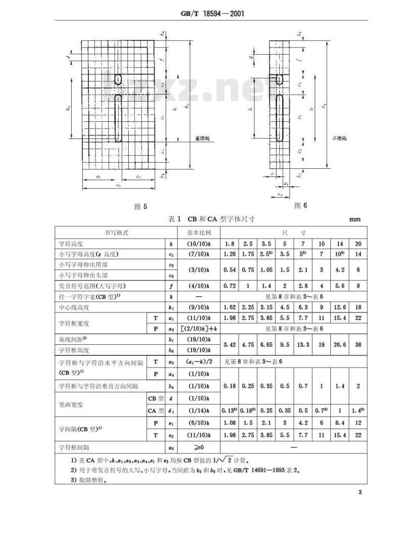
5.3矢量字符集的每一字符创建要在字符框内,字符的各元素放置在一栅格系统下,遵守下列规定:a)尺寸大小、形状和位置见图5和图6;b)字符间隔的类型见图3和图4;c)在字符框内对正点见图7。
字符高度
书写格式
小写字母高度(高度)
小写字母伸出尾部
小写字母伸出头部
发音符号范围(大写字母)
任一字符字宽(CB型))
中心线高度
字符框宽度
基线间距2)
字符框高度
字符框与字符沿水平方向间隔
(CB型)1)
字符框与字符沿垂直方向间隔
笔画宽度
字间隔(CB型)\)
字符框间隔
GB/T18594—2001
紫准线
CB和CA型字体尺寸
基本比例
(10/10)h
(7/10)h
(3/10)h
(4/10)h
(9/10)h
(11/10)h
[(2/10)+
(19/10)h
(19/10)h
(a1)/2
(1/10)n
(1/10)
(1/10)h
(1/14)h
(6/10)h
(11/10)h
见第8章和表3~表6
见第8章和表3~表6
见第8章和表3~表6
1)在CA型中,、aivasva2vavei和e2均按CB型值的1/~2计算。0.35
2)用于带发音符号的大写、小写字母,当间距为62和bs时,见GB/T14691一1993表23)取圆整值。
非推裁
6对正
GB/T18594—2001
每一个字符、每一行和每一段落都应有一个对正点。对正点的位置和标识码见表2和图7、图8。如数字用十进制格式书写,要以小数点对正,见图9。表2对正点的标识
/2或/2
GB/T18594—2001
段落文字可采用左对正,中对正或右对正,见图10。整个段落区域的对正点见图11。1/2
7标记
CAD字型应采用GB/T14691规定的标记。1/2
例:CB字型,比例间隔,直体,拉丁字母,3.5mm字高标记为:字体GB/T14691-CBPVL-—3.55
8字符形状
GB/T18594—2001
在表3~表6中所列CB字母用一假想栅格定位,以表明其位置和比例关系。例:画在假想栅格中的一个字母见图12。5
对表3~表6中所表示的字母说明如下:a)在斜杠前的数值表示字母类型00.
到100
到300
到400…
大写字母(表3)
小写字母(表4)
数字(表5)
符号(表6)
b)在斜杠后的数值表示字母的发音符号/00:无发音符号
/01.浊音符
/02.清音符
/03.高低音符
/04.鼻音符
05:分音符
/06:小圈
/07:双清音符
08:撞击音
/09:短音符
基胜线
/10:长音符
12.发嘶音
··/13.斜杠
·/14连字符
15:短杆
/17.双元音
/18:特殊字符
001/00
001/01
GB/T18594—2001
表3大写字母及发音符号
001/02
001/05
001/09
001/17
001/06
国##拍的m
001/10
001/03
001/04
001/12
严甲严卵
002/00
GB/T18594—2001
表3(续)
003/00
GB/T18594—2001
表3(续)
003/02
003/03
目年 排非能R细用细围
003/11
003/08www.bzxz.net
母中国细酶用
003/12
004/00
GB/T18594—2001
表3(续)
004/15
用月月
田图摄王
004/08
小提示:此标准内容仅展示完整标准里的部分截取内容,若需要完整标准请到上方自行免费下载完整标准文档。
本标准根据ISO3098-5:1997《技术产品文件字体第5部分拉丁字母、数字和符号的CAD字体》编制而成,在技术内容和编写格式上等同采用该国际标准。本标准提出了在计算机辅助设计的技术产品文件中所要用到的拉丁字母、数字和符号的书写形式及要求,使CAD的开发与应用单位有章可循。技术产品文件中的汉字标准要求应参见GB/T13362.4一1992、GB/T13362.5—1992,GB/T13844~13848—1992。本标准由中国机械工业联合会提出。本标准由全国技术产品文件标准化技术委员会归口。本标准起草单位:机械科学研究院、北京清华京渝天河软件公司。本标准主要起草人:杨东拜、丁红宇、温秋生、刘爱珍、强毅、周京淮。GB/T18594—2001
ISO前言
ISO(国际标准化组织)是由各国标准化团体(ISO成员团体)组成的世界性的联合组织,制定国际标准的工作通常由ISO的技术委员会完成。各成员团体若对某技术委员会确立的项目感兴趣,均有权参加该委员会的工作。与ISO保持联系的各国际组织(官方的或非官方的)也可参加有关工作,在电工技术标准化方面ISO与国际电工委员会(IEC)保持密切合作关系。由技术委员会通过的国际标准草案提供各成员团体表决,需取得至少75%参加的成员团体同意,才能作为国际标准正式发布。
国际标准ISO3098-5是由国际标准化组织ISO/TC10\技术产品文件”的SC1分技术委员会“基本原则”负责起草。
ISO3098在技术产品文件一字体”题目下包含以下内容一第0部分:基本要求
一第1部分:常用字符
一第2部分:希腊字母
一第3部分:拉丁字母的发音符号和特殊符号一第4部分:斯拉夫字母
一第5部分:拉丁字母、数字和符号的CAD字体I
1范围
中华人民共和国国家标准
技术产品文件字体
拉丁工字母、数字和符号的CAD字体Technical product documentationLetteringCAD lettering of the Latin alphabet numerals and marksGB/T18594—2001
idtISO3098-5:1997
本标准规定了使用计算机辅助设计和制图(CADD)编制的技术产品文件中字体的基本要求,包括CAD字体的基本约定和规则。
本标准适用于数字化书写技术和绘图系统。2引用标准
下列标准所包含的条文,通过在本标准中引用而构成为本标准的条文。本标准出版时,所示版本均为有效。所有标准都会被修订,使用本标准的各方应探讨使用下列标准最新版本的可能性。GB/T13361-—1992技术制图通用术语GB/T14691—1993技术制图字体(eqVISO3098/1—1974)GB/T15751—1995技术产品文件计算机辅助设计与制图词汇(eqvISO/TR10623—92)3定义
本标准采用GB/T13361和GB/T15751中所给出的定义。3.1比例间隔proportionalspacingarrangement矢量字符按书写方向,字宽间隔和原字宽成比例。3.2等宽间隔tabularspacingarrangement矢量字符按书写方向,采用等宽间隔,和原字宽无关。4一般要求
CAD字体的基本要求见GB/T14691。5CAD字体的要求
5.1CAD字体的类型有:
-CB型,直体(V)见图1(优先采用);-CB型,斜体(S);
-CA型,直体(V)见图2
-CA型,斜体(S)。
这些类型的CAD字体的尺寸见表1。注:与CB型相比,CA型的字宽减小到CB型字宽的1/~2。(相当于GB/T14691中的A型字)。中华人民共和国国家质量监督检验检疫总局2001-12-17批准2002-06-01实施
5.2字符间隔类型有:
等宽间隔(T)见图3。
-比例间隔(P)见图4。
GB/T18594—2001
疗体书写方间
学体方向
5.3矢量字符集的每一字符创建要在字符框内,字符的各元素放置在一栅格系统下,遵守下列规定:a)尺寸大小、形状和位置见图5和图6;b)字符间隔的类型见图3和图4;c)在字符框内对正点见图7。
字符高度
书写格式
小写字母高度(高度)
小写字母伸出尾部
小写字母伸出头部
发音符号范围(大写字母)
任一字符字宽(CB型))
中心线高度
字符框宽度
基线间距2)
字符框高度
字符框与字符沿水平方向间隔
(CB型)1)
字符框与字符沿垂直方向间隔
笔画宽度
字间隔(CB型)\)
字符框间隔
GB/T18594—2001
紫准线
CB和CA型字体尺寸
基本比例
(10/10)h
(7/10)h
(3/10)h
(4/10)h
(9/10)h
(11/10)h
[(2/10)+
(19/10)h
(19/10)h
(a1)/2
(1/10)n
(1/10)
(1/10)h
(1/14)h
(6/10)h
(11/10)h
见第8章和表3~表6
见第8章和表3~表6
见第8章和表3~表6
1)在CA型中,、aivasva2vavei和e2均按CB型值的1/~2计算。0.35
2)用于带发音符号的大写、小写字母,当间距为62和bs时,见GB/T14691一1993表23)取圆整值。
非推裁
6对正
GB/T18594—2001
每一个字符、每一行和每一段落都应有一个对正点。对正点的位置和标识码见表2和图7、图8。如数字用十进制格式书写,要以小数点对正,见图9。表2对正点的标识
/2或/2
GB/T18594—2001
段落文字可采用左对正,中对正或右对正,见图10。整个段落区域的对正点见图11。1/2
7标记
CAD字型应采用GB/T14691规定的标记。1/2
例:CB字型,比例间隔,直体,拉丁字母,3.5mm字高标记为:字体GB/T14691-CBPVL-—3.55
8字符形状
GB/T18594—2001
在表3~表6中所列CB字母用一假想栅格定位,以表明其位置和比例关系。例:画在假想栅格中的一个字母见图12。5
对表3~表6中所表示的字母说明如下:a)在斜杠前的数值表示字母类型00.
到100
到300
到400…
大写字母(表3)
小写字母(表4)
数字(表5)
符号(表6)
b)在斜杠后的数值表示字母的发音符号/00:无发音符号
/01.浊音符
/02.清音符
/03.高低音符
/04.鼻音符
05:分音符
/06:小圈
/07:双清音符
08:撞击音
/09:短音符
基胜线
/10:长音符
12.发嘶音
··/13.斜杠
·/14连字符
15:短杆
/17.双元音
/18:特殊字符
001/00
001/01
GB/T18594—2001
表3大写字母及发音符号
001/02
001/05
001/09
001/17
001/06
国##拍的m
001/10
001/03
001/04
001/12
严甲严卵
002/00
GB/T18594—2001
表3(续)
003/00
GB/T18594—2001
表3(续)
003/02
003/03
目年 排非能R细用细围
003/11
003/08www.bzxz.net
母中国细酶用
003/12
004/00
GB/T18594—2001
表3(续)
004/15
用月月
田图摄王
004/08
小提示:此标准内容仅展示完整标准里的部分截取内容,若需要完整标准请到上方自行免费下载完整标准文档。
标准图片预览:





- 其它标准
- 热门标准
- 国家标准(GB)
- GB29140-2024 纯碱单位产品能源消耗限额
- GB/T29633.4-2020 南极地名 第4部分:罗马字母拼写
- GB15193.5-2003 骨髓细胞微核试验
- GB/T15773-1995 水土保持综合治理 验收规范
- GB/T15412-1994 应用电视摄像机云台通用技术条件
- GB28129-2011 乙羧氟草醚原药
- GB/T42970-2023 半导体集成电路 视频编解码电路测试方法
- GB/T18721.4-2024 印刷技术 印前数据交换 第4部分:显示用宽色域标准彩色图像数据 [Adobe RGB (1998)/SCID]
- GB/T9771.6-2020 通信用单模光纤 第6部分:宽波长段 光传输用非零色散单模光纤特性
- GB5237.3-2008 铝合金建筑型材 第3部分:电泳涂漆型材
- GB/T10599-1998 多绳摩擦式提升机
- GB3302-1982 日用陶瓷器验收、包装、标志、运输、储存规则
- GB/T30007-2022 船舶和海上技术 通过分析测速试航数据以确定速度和功率性能的评估导则
- GB30530-2024 二甲基硅氧烷单位产品能源消耗限额
- GB/T39249-2020 橡胶和塑料软管及非增强软管织物增强型 低温压扁试验
- 行业新闻
请牢记:“bzxz.net”即是“标准下载”四个汉字汉语拼音首字母与国际顶级域名“.net”的组合。 ©2025 标准下载网 www.bzxz.net 本站邮件:bzxznet@163.com
网站备案号:湘ICP备2025141790号-2
网站备案号:湘ICP备2025141790号-2