- 您的位置:
- 标准下载网 >>
- 标准分类 >>
- 轻工行业标准(QB) >>
- QB 1374-1991 清汤蛏罐头
标准号:
QB 1374-1991
标准名称:
清汤蛏罐头
标准类别:
轻工行业标准(QB)
标准状态:
现行-
发布日期:
1991-12-31 -
实施日期:
1992-08-01 出版语种:
简体中文下载格式:
.rar.pdf下载大小:
77.25 KB
替代情况:
QB 454-64
起草人:
高宗裕、俞荣华、张时康、于昌良、周捷、洪树鹏起草单位:
浙江省轻工业研究所、质量监督杭州站、乐清罐头厂提出单位:
轻工业部食品工业司发布部门:
中华人民共和国轻工业娜相关标签:
罐头
点击下载
标准简介:
标准下载解压密码:www.bzxz.net
本标准规定了清汤蛏罐头的产品分类、技术要求、试验方法、检验规则和标志、包装、运输、贮存的基本要求。本标适 用于以蛏为原料,经加工处理、去壳、预煮、加盐水、装罐、密封、杀菌制成的清汤蛏罐头。 QB 1374-1991 清汤蛏罐头 QB1374-1991
部分标准内容:
中华人民共和国行业标准
清汤蜂罐头
Canned rozor clams in brine
主题内容与适用范围
QB 1374--91
本标准规定了清汤蛭头的产品分类、技术要求、试验方法、检验规则和标志、包装、运输、贮存的基本要求。
本标准适用于以蛭为原料,经加工处理、去壳、预煮、加盐水、装髓、密封、杀菌制成的清汤蛏髓头。2 引用标准
GB 5461
食用盐
GB 4789. 26
GB 5009. 11
GB 5009. 12
GB 5009.13
GB5009.16
GB5009.17
GB/T12457
QB 1006
QB 1007
食品卫生微生物学检验”“罐头食品商业无菌的检验食品中总砷的测定方法
食品中铅的测定方法
食品中铜的测定方法
食品中锡的测定方法
食品中总汞的测定方法
食品中氯化钠的测定方法
罐头食品检验规则
头食品净重和固形物含量的测定ZB X70 004
头食品的感官检验
罐头食品包装、标志、运输和贮存ZB X70 005
3术语
3.1破裂蛏
在加工过程中处理不妥,出现蜂体破裂状态者。3.2、断裂蛏
头内容物倒在盘内检查时,出现自然断裂的蛭体。4产品分类
清汤蛭头的产品代号为506。
5技术要求
5.1原辅材料
5.1.1蛏:采用新鲜、无异味、长45mm以上、形态丰满的活蛏。5.1.2食用盐:应符合GB5461的要求。5.2感官要求
中华人民共和国轻工业部1991-12-31批准1992-08-01实施
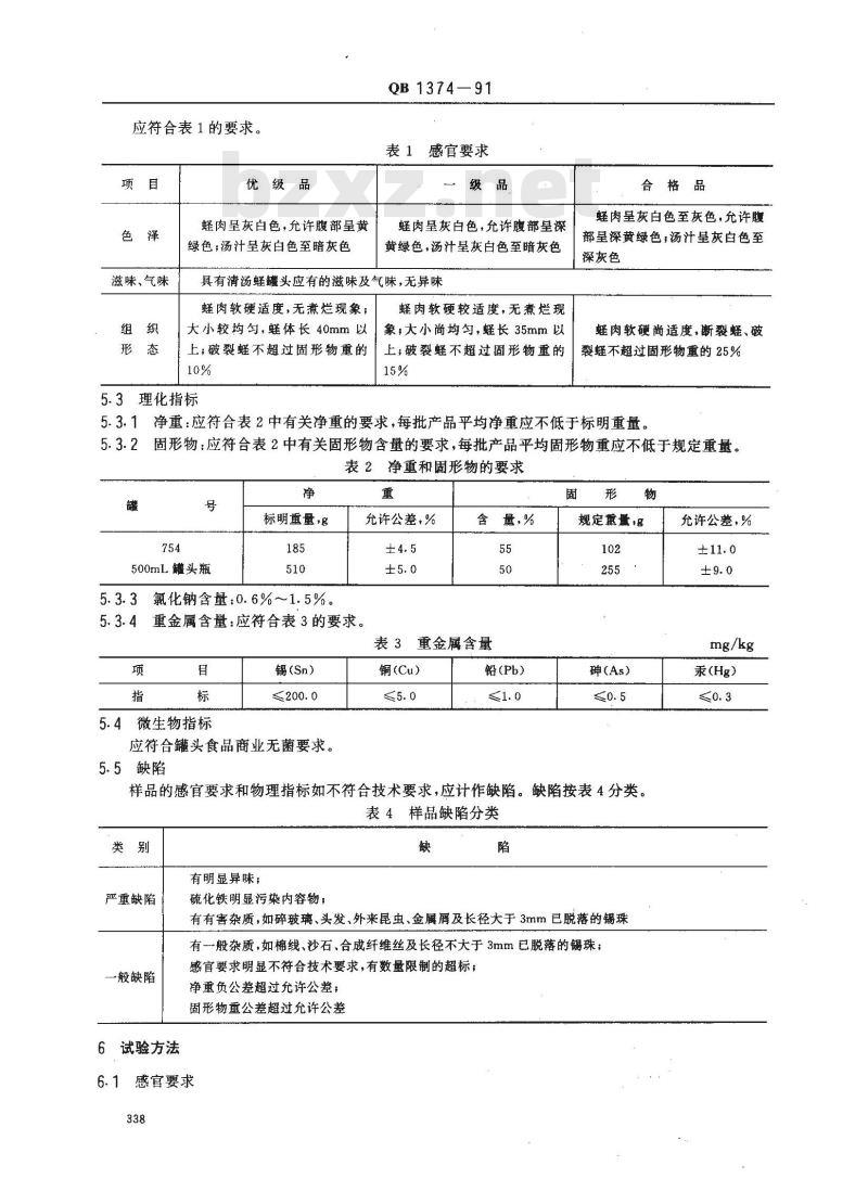
应符合表1的要求。
滋味、气味
优级品
蜂肉呈灰白色,允许腹部呈黄
绿色;汤汁呈灰白色至暗灰色
QB 1374—91
感官要求
蜂肉吴灰白色,允许腹部呈深
黄绿色,汤汁呈灰白色至暗灰色具有清汤蜂罐头应有的滋味及气味,无异味蛭肉软硬适度,无煮烂现象;
大小较均匀,蛏体长40mm以
上;破裂蛏不超过固形物重的
5.3理化指标
蛏肉软硬较适度,无煮烂现
象,大小尚均匀,蛭长35mm以此内容来自标准下载网
上;破裂蛏不超过固形物重的
合格品
蛭肉呈灰白色至灰色,允许腹
部呈深黄绿色,汤汁皇灰白色至深灰色
蛏肉软硬尚适度,断裂蛭、破
裂蜂不超过固形物重的 25%
5.3.1净重:应符合表2中有关净重的要求,每批产品平均净重应不低于标明重量固形物:应符合表2中有关固形物含量的要求,每批产品平均固形物重应不低于规定重量,5.3.2
表2净重和固形物的要求
500mL罐头瓶
标明重量,g
5.3.3氯化钠含量:0.6%~1.5%。5.3.4
重金属含量:应符合表3的要求。自
5.4微生物指标
锡(Sn)
应符合罐头食品商业无菌要求。5.5缺陷
允许公差,%
含量,%
表3重金属含量
铜(Cu)
铅(Pb)
规定重量,
砷(As)
样品的感官要求和物理指标如不符合技术要求,应计作缺陷。缺陷按表4分类。表4样品缺陷分类
严重缺陷
般缺陷
6试验方法
有明显异味;
硫化铁明显污染内容物;
有有害杂质,如碎玻璃、头发、外来昆虫、金属屑及长径大于3mm已脱落的锡珠有一般杂质,如棉线、沙石、合成纤维丝及长径不大于3mm已脱落的锡珠,感官要求明显不符合技术要求,有数量限制的超标;净重负公差超过允许公差
固形物重公差超过允许公差
6.1感官要求
允许公差,%
汞(Hg)
按ZBX70004规定的方法检验。
6.2净重
按QB1007规定的方法检验。
6.3固形物
按QB1007规定的方法检验。
6.4氯化钠含量
按GB/T12457规定的方法检验。
6.5重金属含量
QB 1374—91
按GB5009.16、GB5009.13、GB5009.12、GB5009.11、GB5009.17规定的方法分别测定锡、铜、铅、砷和汞。
6.6微生物指标
按GB4789.26规定的方法检验。
检验规则
按QB1006执行。
8标志、包装、运输、贮存
按ZBX70005的规定进行。
附加说明:
本标由轻工业部食品工业司提出。本标准由全国食品发酵标准化中心归口。本标准由浙江省轻工业研究所、质量监督杭州站、乐清罐头厂负责起草。本标准主要起草人高宗裕、俞荣华、张时康、于昌良、周捷、洪树鹏。自本标准实施之日起,原中华人民共和国轻工业部发布的部标准QB454一64《清汤蛏罐头》作废。339
小提示:此标准内容仅展示完整标准里的部分截取内容,若需要完整标准请到上方自行免费下载完整标准文档。
清汤蜂罐头
Canned rozor clams in brine
主题内容与适用范围
QB 1374--91
本标准规定了清汤蛭头的产品分类、技术要求、试验方法、检验规则和标志、包装、运输、贮存的基本要求。
本标准适用于以蛭为原料,经加工处理、去壳、预煮、加盐水、装髓、密封、杀菌制成的清汤蛏髓头。2 引用标准
GB 5461
食用盐
GB 4789. 26
GB 5009. 11
GB 5009. 12
GB 5009.13
GB5009.16
GB5009.17
GB/T12457
QB 1006
QB 1007
食品卫生微生物学检验”“罐头食品商业无菌的检验食品中总砷的测定方法
食品中铅的测定方法
食品中铜的测定方法
食品中锡的测定方法
食品中总汞的测定方法
食品中氯化钠的测定方法
罐头食品检验规则
头食品净重和固形物含量的测定ZB X70 004
头食品的感官检验
罐头食品包装、标志、运输和贮存ZB X70 005
3术语
3.1破裂蛏
在加工过程中处理不妥,出现蜂体破裂状态者。3.2、断裂蛏
头内容物倒在盘内检查时,出现自然断裂的蛭体。4产品分类
清汤蛭头的产品代号为506。
5技术要求
5.1原辅材料
5.1.1蛏:采用新鲜、无异味、长45mm以上、形态丰满的活蛏。5.1.2食用盐:应符合GB5461的要求。5.2感官要求
中华人民共和国轻工业部1991-12-31批准1992-08-01实施
应符合表1的要求。
滋味、气味
优级品
蜂肉呈灰白色,允许腹部呈黄
绿色;汤汁呈灰白色至暗灰色
QB 1374—91
感官要求
蜂肉吴灰白色,允许腹部呈深
黄绿色,汤汁呈灰白色至暗灰色具有清汤蜂罐头应有的滋味及气味,无异味蛭肉软硬适度,无煮烂现象;
大小较均匀,蛏体长40mm以
上;破裂蛏不超过固形物重的
5.3理化指标
蛏肉软硬较适度,无煮烂现
象,大小尚均匀,蛭长35mm以此内容来自标准下载网
上;破裂蛏不超过固形物重的
合格品
蛭肉呈灰白色至灰色,允许腹
部呈深黄绿色,汤汁皇灰白色至深灰色
蛏肉软硬尚适度,断裂蛭、破
裂蜂不超过固形物重的 25%
5.3.1净重:应符合表2中有关净重的要求,每批产品平均净重应不低于标明重量固形物:应符合表2中有关固形物含量的要求,每批产品平均固形物重应不低于规定重量,5.3.2
表2净重和固形物的要求
500mL罐头瓶
标明重量,g
5.3.3氯化钠含量:0.6%~1.5%。5.3.4
重金属含量:应符合表3的要求。自
5.4微生物指标
锡(Sn)
应符合罐头食品商业无菌要求。5.5缺陷
允许公差,%
含量,%
表3重金属含量
铜(Cu)
铅(Pb)
规定重量,
砷(As)
样品的感官要求和物理指标如不符合技术要求,应计作缺陷。缺陷按表4分类。表4样品缺陷分类
严重缺陷
般缺陷
6试验方法
有明显异味;
硫化铁明显污染内容物;
有有害杂质,如碎玻璃、头发、外来昆虫、金属屑及长径大于3mm已脱落的锡珠有一般杂质,如棉线、沙石、合成纤维丝及长径不大于3mm已脱落的锡珠,感官要求明显不符合技术要求,有数量限制的超标;净重负公差超过允许公差
固形物重公差超过允许公差
6.1感官要求
允许公差,%
汞(Hg)
按ZBX70004规定的方法检验。
6.2净重
按QB1007规定的方法检验。
6.3固形物
按QB1007规定的方法检验。
6.4氯化钠含量
按GB/T12457规定的方法检验。
6.5重金属含量
QB 1374—91
按GB5009.16、GB5009.13、GB5009.12、GB5009.11、GB5009.17规定的方法分别测定锡、铜、铅、砷和汞。
6.6微生物指标
按GB4789.26规定的方法检验。
检验规则
按QB1006执行。
8标志、包装、运输、贮存
按ZBX70005的规定进行。
附加说明:
本标由轻工业部食品工业司提出。本标准由全国食品发酵标准化中心归口。本标准由浙江省轻工业研究所、质量监督杭州站、乐清罐头厂负责起草。本标准主要起草人高宗裕、俞荣华、张时康、于昌良、周捷、洪树鹏。自本标准实施之日起,原中华人民共和国轻工业部发布的部标准QB454一64《清汤蛏罐头》作废。339
小提示:此标准内容仅展示完整标准里的部分截取内容,若需要完整标准请到上方自行免费下载完整标准文档。
标准图片预览:



- 其它标准
- 上一篇: QB 1379-1991 糖水梨罐头
- 下一篇: QB 1381-1991 糖水山楂罐头
- 热门标准
- 轻工行业标准(QB)
- QB/T5247-2018 箱包配件塑料插扣耐 用性能试验方法
- QB/T2856-2007 毛革服装
- QB2584-2003 蒸汽淋浴房
- QB/T1584-2005 日用皮手套
- QB/T2711-2005 皮革 物理和机械试验 撕裂力的测定:双边撕裂
- QB/T1664-1998 纸板戳穿强度测定仪
- QB/T2161-1995 儿童推车整车通用技术条件
- QB/T2425-1998 封箱用再湿性牛皮纸胶粘带
- QB/T3520-1999 500kV油纸套管绝缘纸
- QB/T2518—2001 地毯用毛纱
- QB/T2569.6-2002 钢锉 木锉
- QB/T1433.10-2005 饼干 装饰饼干
- QB/T1439-2005 帐册
- QB/T2333-1997 防晒化妆品中紫外线吸收剂定量测定高效液相色谱法
- QB/T1756-1993 造纸机械湍流式中浓度浆泵
- 行业新闻
请牢记:“bzxz.net”即是“标准下载”四个汉字汉语拼音首字母与国际顶级域名“.net”的组合。 ©2025 标准下载网 www.bzxz.net 本站邮件:bzxznet@163.com
网站备案号:湘ICP备2025141790号-2
网站备案号:湘ICP备2025141790号-2