- 您的位置:
- 标准下载网 >>
- 标准分类 >>
- 轻工行业标准(QB) >>
- QB/T 2310-1997 钟发条
标准号:
QB/T 2310-1997
标准名称:
钟发条
标准类别:
轻工行业标准(QB)
标准状态:
已作废-
发布日期:
1997-09-01 -
实施日期:
1998-05-01 -
作废日期:
2008-03-01 出版语种:
简体中文下载格式:
.rar.pdf下载大小:
243.99 KB
中标分类号:
轻工、文化与生活用品>>钟表、自行车、缝纫机>>Y11钟表
起草人:
童岳明、吴文亮、陈建礼起草单位:
上海钟表材料厂提出单位:
中国轻工总会质量标准部发布部门:
中国轻工总会相关标签:
发条
点击下载
标准简介:
标准下载解压密码:www.bzxz.net
本标准规定了钟发条的技术要求、试验方法、检验规则及标志、标签、包装、运输和贮存。本标准适用于机械钟用发条,也适用于以力矩作为动力源的其他机械器材用发条或平面涡卷弹簧. QB/T 2310-1997 钟发条 QB/T2310-1997
部分标准内容:
QB/T2310-1997
本标准是根据原专业标准ZBY11008—1986《钟发条》修订而成的。在修订过程中,对主要技术内容作了调整及增补,其次对编写的格式等进行了整理与规范。本标推与原专业标准的主要差异为:删除原标准第1章发条结构形式与尺寸符号和2.1条厚度尺寸系列:3.2规定以长度的末位尾数来替代长度尺寸系列;4.2发条宽度公差以等级公差标注来替代分尺寸段标注一4.7增加发条带直线度要求:
增加附录B(N1型长三针闹钟用发条性能要求);增加附录C(厚度、硬度作为评定依据的发条的技术条件)增加提示附录D(发条工作圈数与输出力矩曲线图)。本标准的附录 A、附录B、附录 C都是标准的附录;本标准的附录D是提示的附录。
本标准由中国轻工总会质量标准部提出。本标准由全国钟表标准化中心归口。本标准起草单位:上海钟表材料厂。本标准主要起草人:童岳明、吴文亮、陈建礼。本标准自实施之日起,原轻工业部发布的专业标准ZBY11008--1986钟发条》作废。434
1范围
中华人民共和国轻工行业标准
中发条
QB/T 2310~ 1997
本标准规定了钟发条的技术要求、试验方法、检验规则及标志、标签、包装、运输和贮存。本标准适用于机械钟用发条,也适用于以力矩作为动力源的其他机械器材用发条或平面祸卷弹簧(以下简称\弹簧”)。
2引用标准
下列标准所包含的条文,通过在本标准中引用而构成为本标准的条文。本标准出版时,所示版本均为有效。所有标准都会被修订,使用本标准的各方应探讨使用下列标准最新版本的可能性。GB/T1031--1995表面粗糙度参数及其数值GB/T2828--1987逐批检查计数抽样程序及抽样表(适用于连续批的检查)GB/T 2829--1987月
周期检查计数抽样程序及抽样表(适用于生产过程稳定性的检查)GB/T4340--1984生
金维氏硬度试验方法
3尺寸规格
3.1宽度尺寸规格
发条宽度尺寸规格见表1。
10.03 12.0
3.2展开长度的末位尾数
发条展开长度小于800mm其末位尾数应取5或0展开长度不小于800mm的,其末位尾数应取0。
4技术要求
4.1机械性能
发条机械性能与符号见表2。
表2中的力矩变动率和小力矩衰减率,分别按式(1)和式(2)计算。M.o.g _ M × 100
Bm(%) =
Mm= Mmm × 100
Sm(%) =
式中:Mann\
发条经若干次疲劳后,输出的小力矩。中国轻工总会1997-09-01批准
Hi KAoNi KAca
1998-05-01实施
QB/T 2310 -- 1997
项目名称
大力矩,cN·m
小力矩,cN·m
力矩变动率,%
小力矩衰减率,%
疲劳寿命,次
B1 型摆钟用发条机械性能要求见附录 A(标准的附录)。1
符國号
2N1型长三针闹钟用发条的机械性能要求见附录B(标准的附录)。要
按供需双方协议或产品图纸
3对目前暂无性能测试仪器的发条或其他弹簧,其性能可用硬度与厚度为评定依据,技术条件见附录 C(标准的附录)。
发条工作图数与输出力矩曲线国见附录D(提示的附录)。4.2尺寸精度
发条尺寸精度见表3。
尺寸名称
厚度≤0.50
厚度0.50
内钩固定圆
环形外钩固定圆
发条紧固尺寸
谢孔中心线对称度
注:长度大于3150mm时,公差为长度的1%4.3表面粗糙度
公差要求
h18(取整数)
小于宽度公差
发条两平面粗糙度R。不大于0.8μm;平面厚度大于0.5mm时R.不大于1.6μm。4.4V形外钩牢度
发条V形外钩牢度应大于发条输出大力矩值的2倍。4.5表面处理
弹簧钢制的发条,表面需经色调处理,同一根发条色泽应均匀。4.6外观
4.6.1发条平面不允许有锈蚀、折痕、分层、纵向划痕和明显的夹灰、麻点等缺陷。4.6.2发条边应光滑,锐角应倒棱并呈圆弧形。不允许有锈蚀、裂纹、毛刺和较明显的切割不齐等缺陷。
4.6.3成形发条端面不允许有明显的凹凸不平和塔形。4.7直线度(适用于直条交货)
4.7.1发条带材质以弹费钢制造的,其直线度每米不大于2mm4.7.2发条带材质以不锈钢类制造的,其直线度每米不大于8mm。4.8特殊要求
QB/T 2310 -~ 1997
对产品有特殊要求,可由供需双方协商解快。5试验方法
5. 1机械性能测试
5.1.1测试条件和仪器精度
a)测试用的条轴直径和条盒内径尺寸,应与实际使用的相一致。对于无使用条盒的或其他异形内径条盒时,可由供需双方协商决定适合的条盒内径尺寸,作为交收测试条盒:b)机械性能各项目测试前,应将被测发条上紧,放松5饮后进行;c)测试时发条应在润滑状态下进行;d)发条力矩仪精度为士2%,测试力矩时读数显示应稳定,重复性好。5. 1.2 力矩测试
力矩测试时将发条完全上紧后,退回0.5圈时测得的力矩值为大力矩M.0.5,继续退回到有效工作圈数n。时,测得力矩值为小力矩Mg,结果应符合4.1规定。5.1.3力矩变动率Bm
按5.1.2方法测得的大力矩M0.5值和小力矩M值,然后代人式(1)计算,结果应符合4.1规定。5.1.4小力矩衰减率SM
按5.1.2方法测得小力矩M值后,将发条作疲劳试验到1000次时,把发条拆卸,清洗干净涂润滑油后,再测疲劳后的小力矩Maag值,代入式(2)计算,结果应符合4.1规定。5.1.5疲劳寿命Np
发条疲劳寿命试验在疲劳仪上进行,其试验速度应每秒钟不大于上紧放松2圈。试验时将被测发条完全上紧后,退回到大力矩的测定点(圈)作为起点和终点,其疲劳上紧放松圈数应等于有效工作圈数,往复一个周期为疲劳一次,结果应符合4,1规定。5.2尺寸精度
5.2.1宽度
发条宽度用刻度值为0.01mm的一级精度通用量具测量,结果应符合4.2规定。5.2.2长度
发条长度用钢质尺测量,结果应符合4.2规定。5.2.3内钩固定圆、环形外钩固定圆用光滑极限量规检查,结果应符合4.2规定。5.2.4发条紧固尺寸
发条紧固尺寸用刻度值为0.02mm的游标卡尺,在最小直径处测量,结果应符合4.2规定。5.2.5端孔中心线对称度
中心线对称度用专用卧式百分表或投影仪放大10倍测量,结果应符合4.2规定。5.3表面粗糙度免费标准下载网bzxz
发条两平面表面粗糙度,用光切显微镜按GB/T1031规定测量,结果应符合4.3规定。5.4V形外钩牢度
V形外钩牢度用发条力矩仪,按5.1.2规定方法测量,结果应符合4.4规定。5.5表面处理及外观
发条表面及外观质量的检查,在自然光线或一般日光灯照明下,以正常视力目测检查,结果应分别符合4.5和4.6规定。
5.6直线度
发条带直线度测量时,将受检部分放于平面上,用1m长的直尺贴靠条带的凹面,測量条带与直尺之间的最大距离,结果应符合4.7规定。437
HiiKAoNniKAca-
5.7特殊要求
QB/T 2310—1997
对特殊要求产品,其试验方法可由供需双方协商解决。6检验规则
6.1出厂捡验
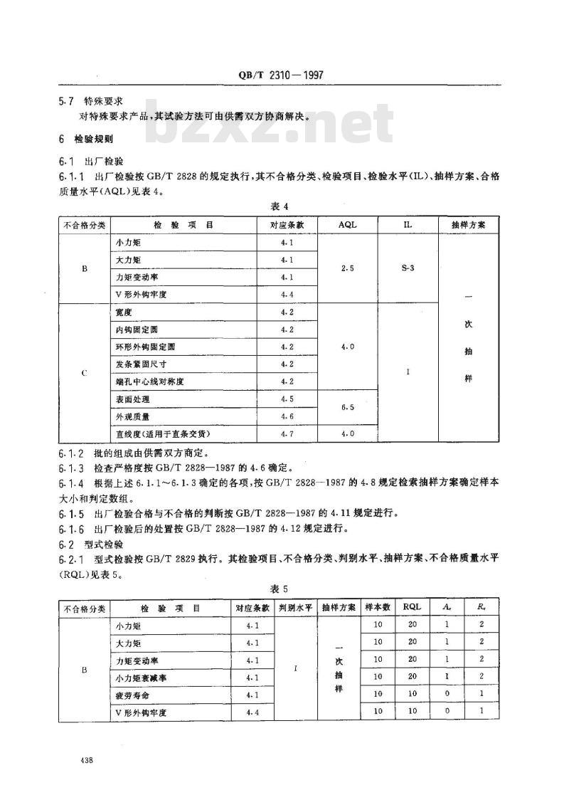
6.1.1出厂检验按GB/T2828的规定执行,其不合格分类、检验项目、检验水平(IL)、抽样方案、合格质量水平(AQL)见表4。
不合格分类
小力矩
大力矩
检验项目
力矩变动率
V形外钩牢度
内钩固定圆
环形外钩固定圆
发条紧固尺寸
端孔中心线对称度
表面处理
外观质量
直线度(适用于直条交货)
6.1.2批的组成由供需双方商定。对应条款
6.1.3检查严格度按GB/T2828—1987的4.6确定。AQL
抽样方案
6.1.4根据上述6.1.1~6.1.3确定的各项,按GB/T2828—1987的4.8规定检索抽样方案确定样本大小和判定数组。
6.1.5出厂检验合格与不合格的判断按GB/T2828一1987的4.11规定进行。6.1.6出厂检验后的处置按GB/T2828—1987的4.12规定进行。6.2型式检验
6.2.1型式检验按GB/T2829执行。其检验项目、不合格分类、判别水平,抽样方案、不合格质量水平(RQL)见表 5。
不合格分类
检验项目
小力矩
大力矩
力矩变动率
小力矩衰减率
疲劳寿命
V形外钩牢度
对应条款判别水平抽样方案
样本数
不合格分类
检验项目
内钩固定圆
环形外钩固定圆
发条案固尺寸
端孔中心线对称度
表面粗糙度
表面处理
外观质量
直线度(适用于直条交货)
QB/T2310-1997
表5(完)
对应条数
判别水平
抽样方案
样本数
型式检验的样本,应从出厂检验合格的某个批或若干批中随机抽取,备用样本由检验单位确定。6.2.3型式检验合格与不合格的判断按GB/T2829--1987的4.11规定执行。6.2.4型
型式检验后的处置按GB/T2829~-1987的4.11规定执行。5型式检验的周期由各生产单位自定,或由供需双方协商决定。但发生下列情况之时应进行型式6.2.5
检验。
a)新产品或老产品转厂生产的试制定型鉴定;b)正式生产后,如结构、材料、工艺有较大改变,可能影响产品性能时;c)正常生产时,定期或积累一定产量后应周期性进行一次检验,d)产品长期停产后,恢复生产时:e)出厂检验结果与上次型式检验有较大差异时,f)国家质量监督机构提出进行型式检验要求时。6.2.6型式检验的抽样方案也可由检验部门与生产方商定。7标志、标签、包装、运输及贮存7.1标志
出厂发条产品的外包装箱上应标志有:a)产品名称;
b)产品规格:
c)产品数量;
d)生产厂名;
e)防潮标志。
7.2标签
每箱发条产品内,必须有产品检验合格证,合格证上应有下列内容:a)制造厂名,厂址,商标,
b)生产日期;
c)标准号;
d)产品名称、规格:
e)检验员签章;
f)产品数量;
HHi KAoNni KAca
g)注意事项。
7.3包装
QB/T 2310—1997
发条表面应涂有防锈油,用防潮纸或塑料袋包装,然后装人包装箱,包装箱应防潮,并能保证长途运输过程中不因包装破损或碎裂使产品受损。7.4运输、贮存
产品在运输过程中应避免雨淋、受潮;贮存地点必须干燥,不允许与腐蚀性物品存放在一起。7.5其他
对标志、标签、包装有特殊要求的用户,可由供需双方另行商定。440
A1尺寸规格
发条尺寸规格见表A1。
2机械性能
发条机械性能见表A2。
输出力矩.cN·m
QB/T2310—1997
附录A
(标准的附录)
B1型摆钟用发条性能要求
力矩变动率,%
注:测试用的条轴直径 6 mm,条盒内径± 50 mm。附录B
(标准的附录)
2 200 -28.
小力矩囊减率,%
N1型长三针面钟用发条性能要求B1尺寸规格
闹钟走发条和闹发条尺寸规格见表B1。名
0. 29-8.02
0. 28 -8.02
HTiKAoNi KAca
疲劳寿命,次
机械性能
QB/T2310—1997
闹钟走发条和闹发条机械性能见表B2。表B2
走发条
闹发条
厚度.mm
输出力矩
力矩变动率,%
走发条测试用条轴直径4.5mm+条盒内径±28mm。2闹发条测试用条轴直径±4mm,条盒内径$22 mm。附录C
(标准的附录)
小力矩衰减率,%
厚度、硬度作为评定依据的发条的技术条件c1
厚度和硬度
厚度尺寸精度与硬度见表C1。
厚度,mm
0. 08~0. 15
>0. 15~0. 25
>0. 25~0. 45
>0. 45~0. 70
>0. 70~ 0. 95
>0. 95~1. 35
>1. 35 ~1. 75
>1. 75~2. 30
>2. 30~2. 80
普通精度(P))
充许偏差
较高精度(H)
高精度(G)
疲劳寿命,次
>2 000
525~625
500~600
480~570
460~550
440~530
420~500
400480
QB/T2310-1997
C2根据需方要求,经双方协议可供应衰C1以外的尺寸精度、硬度,也可以选择强度为性能指标的发条或弹簧
C3试验方法
C3.1硬度
发条硬度试验用维氏硬度计,按GB/T4340的规定进行,结果应符合表C1规定。C3.2厚度
发条厚度用刻度值为 0.01 mm的一级精度通用量具测量,结果应符合表 C1规定。C3.3其他项目试验
发条或弹簧其余项目试验方法,按本标准规定执行。C4出厂检验
C4.1出厂检验按GB/T2828规定进行。检验项目、检查水平(IL)、合格质量水平(AQL)及抽样方案见表C2。
检验项目
注:出厂硬度检验,可用同批短尺料代替。IL
C4.2其余尺寸精度,表面质量按本标推有关规定执行。HnikAoNikAca
抽样方案
一次抽样
图中:M-
发条力矩;
QB/T 2310--1997
附录D
(提示的附录)
发条工作圈数与输出力矩曲线图M
M,发条上紧时所需力矩;
一发条放松时输出力矩;
发条完全上紧状态时输出的力矩,称最大力矩;0
发条完全上紧后,退回0.5圈时输出的力矩。一般规定为大力矩的测定点,其输出力矩称大力矩,
发条完全上紧后,退回至有效工作圈数n。时输出的力矩。规定为小力矩的测定点,其输出Mang
力矩为小力矩;
发条圈数;
发条有效工作圈数。即按计时器设定的有效持续时间所需要的使用数;发条总圈数。即发条由放松状态至完全上紧时的圈数。
小提示:此标准内容仅展示完整标准里的部分截取内容,若需要完整标准请到上方自行免费下载完整标准文档。
本标准是根据原专业标准ZBY11008—1986《钟发条》修订而成的。在修订过程中,对主要技术内容作了调整及增补,其次对编写的格式等进行了整理与规范。本标推与原专业标准的主要差异为:删除原标准第1章发条结构形式与尺寸符号和2.1条厚度尺寸系列:3.2规定以长度的末位尾数来替代长度尺寸系列;4.2发条宽度公差以等级公差标注来替代分尺寸段标注一4.7增加发条带直线度要求:
增加附录B(N1型长三针闹钟用发条性能要求);增加附录C(厚度、硬度作为评定依据的发条的技术条件)增加提示附录D(发条工作圈数与输出力矩曲线图)。本标准的附录 A、附录B、附录 C都是标准的附录;本标准的附录D是提示的附录。
本标准由中国轻工总会质量标准部提出。本标准由全国钟表标准化中心归口。本标准起草单位:上海钟表材料厂。本标准主要起草人:童岳明、吴文亮、陈建礼。本标准自实施之日起,原轻工业部发布的专业标准ZBY11008--1986钟发条》作废。434
1范围
中华人民共和国轻工行业标准
中发条
QB/T 2310~ 1997
本标准规定了钟发条的技术要求、试验方法、检验规则及标志、标签、包装、运输和贮存。本标准适用于机械钟用发条,也适用于以力矩作为动力源的其他机械器材用发条或平面祸卷弹簧(以下简称\弹簧”)。
2引用标准
下列标准所包含的条文,通过在本标准中引用而构成为本标准的条文。本标准出版时,所示版本均为有效。所有标准都会被修订,使用本标准的各方应探讨使用下列标准最新版本的可能性。GB/T1031--1995表面粗糙度参数及其数值GB/T2828--1987逐批检查计数抽样程序及抽样表(适用于连续批的检查)GB/T 2829--1987月
周期检查计数抽样程序及抽样表(适用于生产过程稳定性的检查)GB/T4340--1984生
金维氏硬度试验方法
3尺寸规格
3.1宽度尺寸规格
发条宽度尺寸规格见表1。
10.03 12.0
3.2展开长度的末位尾数
发条展开长度小于800mm其末位尾数应取5或0展开长度不小于800mm的,其末位尾数应取0。
4技术要求
4.1机械性能
发条机械性能与符号见表2。
表2中的力矩变动率和小力矩衰减率,分别按式(1)和式(2)计算。M.o.g _ M × 100
Bm(%) =
Mm= Mmm × 100
Sm(%) =
式中:Mann\
发条经若干次疲劳后,输出的小力矩。中国轻工总会1997-09-01批准
Hi KAoNi KAca
1998-05-01实施
QB/T 2310 -- 1997
项目名称
大力矩,cN·m
小力矩,cN·m
力矩变动率,%
小力矩衰减率,%
疲劳寿命,次
B1 型摆钟用发条机械性能要求见附录 A(标准的附录)。1
符國号
2N1型长三针闹钟用发条的机械性能要求见附录B(标准的附录)。要
按供需双方协议或产品图纸
3对目前暂无性能测试仪器的发条或其他弹簧,其性能可用硬度与厚度为评定依据,技术条件见附录 C(标准的附录)。
发条工作图数与输出力矩曲线国见附录D(提示的附录)。4.2尺寸精度
发条尺寸精度见表3。
尺寸名称
厚度≤0.50
厚度0.50
内钩固定圆
环形外钩固定圆
发条紧固尺寸
谢孔中心线对称度
注:长度大于3150mm时,公差为长度的1%4.3表面粗糙度
公差要求
h18(取整数)
小于宽度公差
发条两平面粗糙度R。不大于0.8μm;平面厚度大于0.5mm时R.不大于1.6μm。4.4V形外钩牢度
发条V形外钩牢度应大于发条输出大力矩值的2倍。4.5表面处理
弹簧钢制的发条,表面需经色调处理,同一根发条色泽应均匀。4.6外观
4.6.1发条平面不允许有锈蚀、折痕、分层、纵向划痕和明显的夹灰、麻点等缺陷。4.6.2发条边应光滑,锐角应倒棱并呈圆弧形。不允许有锈蚀、裂纹、毛刺和较明显的切割不齐等缺陷。
4.6.3成形发条端面不允许有明显的凹凸不平和塔形。4.7直线度(适用于直条交货)
4.7.1发条带材质以弹费钢制造的,其直线度每米不大于2mm4.7.2发条带材质以不锈钢类制造的,其直线度每米不大于8mm。4.8特殊要求
QB/T 2310 -~ 1997
对产品有特殊要求,可由供需双方协商解快。5试验方法
5. 1机械性能测试
5.1.1测试条件和仪器精度
a)测试用的条轴直径和条盒内径尺寸,应与实际使用的相一致。对于无使用条盒的或其他异形内径条盒时,可由供需双方协商决定适合的条盒内径尺寸,作为交收测试条盒:b)机械性能各项目测试前,应将被测发条上紧,放松5饮后进行;c)测试时发条应在润滑状态下进行;d)发条力矩仪精度为士2%,测试力矩时读数显示应稳定,重复性好。5. 1.2 力矩测试
力矩测试时将发条完全上紧后,退回0.5圈时测得的力矩值为大力矩M.0.5,继续退回到有效工作圈数n。时,测得力矩值为小力矩Mg,结果应符合4.1规定。5.1.3力矩变动率Bm
按5.1.2方法测得的大力矩M0.5值和小力矩M值,然后代人式(1)计算,结果应符合4.1规定。5.1.4小力矩衰减率SM
按5.1.2方法测得小力矩M值后,将发条作疲劳试验到1000次时,把发条拆卸,清洗干净涂润滑油后,再测疲劳后的小力矩Maag值,代入式(2)计算,结果应符合4.1规定。5.1.5疲劳寿命Np
发条疲劳寿命试验在疲劳仪上进行,其试验速度应每秒钟不大于上紧放松2圈。试验时将被测发条完全上紧后,退回到大力矩的测定点(圈)作为起点和终点,其疲劳上紧放松圈数应等于有效工作圈数,往复一个周期为疲劳一次,结果应符合4,1规定。5.2尺寸精度
5.2.1宽度
发条宽度用刻度值为0.01mm的一级精度通用量具测量,结果应符合4.2规定。5.2.2长度
发条长度用钢质尺测量,结果应符合4.2规定。5.2.3内钩固定圆、环形外钩固定圆用光滑极限量规检查,结果应符合4.2规定。5.2.4发条紧固尺寸
发条紧固尺寸用刻度值为0.02mm的游标卡尺,在最小直径处测量,结果应符合4.2规定。5.2.5端孔中心线对称度
中心线对称度用专用卧式百分表或投影仪放大10倍测量,结果应符合4.2规定。5.3表面粗糙度免费标准下载网bzxz
发条两平面表面粗糙度,用光切显微镜按GB/T1031规定测量,结果应符合4.3规定。5.4V形外钩牢度
V形外钩牢度用发条力矩仪,按5.1.2规定方法测量,结果应符合4.4规定。5.5表面处理及外观
发条表面及外观质量的检查,在自然光线或一般日光灯照明下,以正常视力目测检查,结果应分别符合4.5和4.6规定。
5.6直线度
发条带直线度测量时,将受检部分放于平面上,用1m长的直尺贴靠条带的凹面,測量条带与直尺之间的最大距离,结果应符合4.7规定。437
HiiKAoNniKAca-
5.7特殊要求
QB/T 2310—1997
对特殊要求产品,其试验方法可由供需双方协商解决。6检验规则
6.1出厂捡验
6.1.1出厂检验按GB/T2828的规定执行,其不合格分类、检验项目、检验水平(IL)、抽样方案、合格质量水平(AQL)见表4。
不合格分类
小力矩
大力矩
检验项目
力矩变动率
V形外钩牢度
内钩固定圆
环形外钩固定圆
发条紧固尺寸
端孔中心线对称度
表面处理
外观质量
直线度(适用于直条交货)
6.1.2批的组成由供需双方商定。对应条款
6.1.3检查严格度按GB/T2828—1987的4.6确定。AQL
抽样方案
6.1.4根据上述6.1.1~6.1.3确定的各项,按GB/T2828—1987的4.8规定检索抽样方案确定样本大小和判定数组。
6.1.5出厂检验合格与不合格的判断按GB/T2828一1987的4.11规定进行。6.1.6出厂检验后的处置按GB/T2828—1987的4.12规定进行。6.2型式检验
6.2.1型式检验按GB/T2829执行。其检验项目、不合格分类、判别水平,抽样方案、不合格质量水平(RQL)见表 5。
不合格分类
检验项目
小力矩
大力矩
力矩变动率
小力矩衰减率
疲劳寿命
V形外钩牢度
对应条款判别水平抽样方案
样本数
不合格分类
检验项目
内钩固定圆
环形外钩固定圆
发条案固尺寸
端孔中心线对称度
表面粗糙度
表面处理
外观质量
直线度(适用于直条交货)
QB/T2310-1997
表5(完)
对应条数
判别水平
抽样方案
样本数
型式检验的样本,应从出厂检验合格的某个批或若干批中随机抽取,备用样本由检验单位确定。6.2.3型式检验合格与不合格的判断按GB/T2829--1987的4.11规定执行。6.2.4型
型式检验后的处置按GB/T2829~-1987的4.11规定执行。5型式检验的周期由各生产单位自定,或由供需双方协商决定。但发生下列情况之时应进行型式6.2.5
检验。
a)新产品或老产品转厂生产的试制定型鉴定;b)正式生产后,如结构、材料、工艺有较大改变,可能影响产品性能时;c)正常生产时,定期或积累一定产量后应周期性进行一次检验,d)产品长期停产后,恢复生产时:e)出厂检验结果与上次型式检验有较大差异时,f)国家质量监督机构提出进行型式检验要求时。6.2.6型式检验的抽样方案也可由检验部门与生产方商定。7标志、标签、包装、运输及贮存7.1标志
出厂发条产品的外包装箱上应标志有:a)产品名称;
b)产品规格:
c)产品数量;
d)生产厂名;
e)防潮标志。
7.2标签
每箱发条产品内,必须有产品检验合格证,合格证上应有下列内容:a)制造厂名,厂址,商标,
b)生产日期;
c)标准号;
d)产品名称、规格:
e)检验员签章;
f)产品数量;
HHi KAoNni KAca
g)注意事项。
7.3包装
QB/T 2310—1997
发条表面应涂有防锈油,用防潮纸或塑料袋包装,然后装人包装箱,包装箱应防潮,并能保证长途运输过程中不因包装破损或碎裂使产品受损。7.4运输、贮存
产品在运输过程中应避免雨淋、受潮;贮存地点必须干燥,不允许与腐蚀性物品存放在一起。7.5其他
对标志、标签、包装有特殊要求的用户,可由供需双方另行商定。440
A1尺寸规格
发条尺寸规格见表A1。
2机械性能
发条机械性能见表A2。
输出力矩.cN·m
QB/T2310—1997
附录A
(标准的附录)
B1型摆钟用发条性能要求
力矩变动率,%
注:测试用的条轴直径 6 mm,条盒内径± 50 mm。附录B
(标准的附录)
2 200 -28.
小力矩囊减率,%
N1型长三针面钟用发条性能要求B1尺寸规格
闹钟走发条和闹发条尺寸规格见表B1。名
0. 29-8.02
0. 28 -8.02
HTiKAoNi KAca
疲劳寿命,次
机械性能
QB/T2310—1997
闹钟走发条和闹发条机械性能见表B2。表B2
走发条
闹发条
厚度.mm
输出力矩
力矩变动率,%
走发条测试用条轴直径4.5mm+条盒内径±28mm。2闹发条测试用条轴直径±4mm,条盒内径$22 mm。附录C
(标准的附录)
小力矩衰减率,%
厚度、硬度作为评定依据的发条的技术条件c1
厚度和硬度
厚度尺寸精度与硬度见表C1。
厚度,mm
0. 08~0. 15
>0. 15~0. 25
>0. 25~0. 45
>0. 45~0. 70
>0. 70~ 0. 95
>0. 95~1. 35
>1. 35 ~1. 75
>1. 75~2. 30
>2. 30~2. 80
普通精度(P))
充许偏差
较高精度(H)
高精度(G)
疲劳寿命,次
>2 000
525~625
500~600
480~570
460~550
440~530
420~500
400480
QB/T2310-1997
C2根据需方要求,经双方协议可供应衰C1以外的尺寸精度、硬度,也可以选择强度为性能指标的发条或弹簧
C3试验方法
C3.1硬度
发条硬度试验用维氏硬度计,按GB/T4340的规定进行,结果应符合表C1规定。C3.2厚度
发条厚度用刻度值为 0.01 mm的一级精度通用量具测量,结果应符合表 C1规定。C3.3其他项目试验
发条或弹簧其余项目试验方法,按本标准规定执行。C4出厂检验
C4.1出厂检验按GB/T2828规定进行。检验项目、检查水平(IL)、合格质量水平(AQL)及抽样方案见表C2。
检验项目
注:出厂硬度检验,可用同批短尺料代替。IL
C4.2其余尺寸精度,表面质量按本标推有关规定执行。HnikAoNikAca
抽样方案
一次抽样
图中:M-
发条力矩;
QB/T 2310--1997
附录D
(提示的附录)
发条工作圈数与输出力矩曲线图M
M,发条上紧时所需力矩;
一发条放松时输出力矩;
发条完全上紧状态时输出的力矩,称最大力矩;0
发条完全上紧后,退回0.5圈时输出的力矩。一般规定为大力矩的测定点,其输出力矩称大力矩,
发条完全上紧后,退回至有效工作圈数n。时输出的力矩。规定为小力矩的测定点,其输出Mang
力矩为小力矩;
发条圈数;
发条有效工作圈数。即按计时器设定的有效持续时间所需要的使用数;发条总圈数。即发条由放松状态至完全上紧时的圈数。
小提示:此标准内容仅展示完整标准里的部分截取内容,若需要完整标准请到上方自行免费下载完整标准文档。
标准图片预览:





- 其它标准
- 上一篇: QB/T 2390-1998 桃酱罐头
- 下一篇: QB/T 2448-1999 手表通用螺钉尺寸系列
- 热门标准
- 轻工行业标准(QB)
- QB/T5247-2018 箱包配件塑料插扣耐 用性能试验方法
- QB/T2856-2007 毛革服装
- QB2584-2003 蒸汽淋浴房
- QB/T2711-2005 皮革 物理和机械试验 撕裂力的测定:双边撕裂
- QB/T1664-1998 纸板戳穿强度测定仪
- QB/T2161-1995 儿童推车整车通用技术条件
- QB/T2425-1998 封箱用再湿性牛皮纸胶粘带
- QB/T3520-1999 500kV油纸套管绝缘纸
- QB/T2569.6-2002 钢锉 木锉
- QB/T1433.10-2005 饼干 装饰饼干
- QB/T1439-2005 帐册
- QB/T1584-2005 日用皮手套
- QB/T2333-1997 防晒化妆品中紫外线吸收剂定量测定高效液相色谱法
- QB/T1756-1993 造纸机械湍流式中浓度浆泵
- QB/T1782-1993 苯乙醇
- 行业新闻
请牢记:“bzxz.net”即是“标准下载”四个汉字汉语拼音首字母与国际顶级域名“.net”的组合。 ©2025 标准下载网 www.bzxz.net 本站邮件:bzxznet@163.com
网站备案号:湘ICP备2025141790号-2
网站备案号:湘ICP备2025141790号-2