- 您的位置:
- 标准下载网 >>
- 标准分类 >>
- 轻工行业标准(QB) >>
- QB/T 2390-1998 桃酱罐头
标准号:
QB/T 2390-1998
标准名称:
桃酱罐头
标准类别:
轻工行业标准(QB)
标准状态:
现行-
发布日期:
1998-08-17 -
实施日期:
1999-05-01 出版语种:
简体中文下载格式:
.rar.pdf下载大小:
103.71 KB
起草人:
方桂华、曲秀舫、王柏琴起草单位:
营口食品饮料总厂、中国食品发酵工业研究所提出单位:
国家轻工业局行业管理司发布部门:
国家轻工业局相关标签:
罐头
点击下载
标准简介:
标准下载解压密码:www.bzxz.net
本标准规定了桃酱罐头的产品分类、技术要求、试验方法、检验规则和标志、包装、运输、贮存的要求。本标准适用于以桃(黄桃或白桃)为原料,经预处理、打浆(切块)、调配、浓缩、装罐、密封、杀菌制成的产品。 QB/T 2390-1998 桃酱罐头 QB/T2390-1998
部分标准内容:
QB/T2390—1998
本标准由国家轻工业局行业管理司提出。本标准由全国食品发酵标准化中心归口。言
本标推起草单位:营口食品饮料总厂、中国食品发酵工业研究所。本标准主要起草人:方桂华、曲秀舫、王柏琴。本标委托全国食品发酵标推化中心负责解释。507
1范围
中华人民共和国轻工行业标准
桃酱罐头
QB/T 2390—1998
本标准规定了桃酱罐头的产品分类、技术要求、试验方法、检验规则和标志、包装、运输、贮存的要求。
本标准适用于以桃(黄桃或白桃)为原料,经预处理、打浆(切块)、调配、浓缩、装罐、密封、杀菌制成的产品。
2引用标准
下列标准所包含的条文,通过在本标准中引用而构成为本标准的条文。本标准出版时,所示版本均为有效。所有标推都会被修订,使用本标准的各方应探讨使用下列标准最新版本的可能性。GB317.1-1991白砂糖
GB19871986食品添加剂柠檬酸
GB2760-—1996食品添加剂使用卫生标准食品卫生微生物学检验罐头食品商业无菌的检验GB 4789. 26—1994
GB/T5009.8—1996食品中蔗糖的测定方法GB/T10788-1989罐头食品中可溶性固形物含量的测定折光计法
GB 11671--- 1989
果蔬类罐头食品卫生标准
GBn 246.--1985
QB 1006 ---1990
罐头食品检验规则
罐头食品净重和固形物含量的测定QB 1007-1990
ZB X70 004—1989
罐头食品的感官检验下载标准就来标准下载网
ZBX70005-1989,罐头食品包装、标志、运输和贮存3定义
本标准采用下列定义。
3.1徐徐流散
在室温20℃的条件下,取10g~20g果酱置于白瓷盘中,在1min内酱体向四周扩散的现象。3.2汁液析出
在室温20C的条件下,取10g~~20g果酱置于白瓷盘中,在1min内酱体表面析出糖液的现象。3.3含果块桃酱罐头
含有果块和果酱的桃酱罐头。
3.4桃酱罐头
只含果酱而无果块的桃酱罐头。3.5低糖桃酱罐头
可溶性固形物含量为45%~~50%的桃酱罐头。国家轻工业局1998-08-17批准
1999-05-01实施
3.6高糖桃酱罐头
QB/T 2390-1998
可溶性固形物含量为65%以上的桃酱罐头。产品分类
桃酱罐头按酱体的形态和可溶性固形物含量的高低分为含(或不含)果块、高(或低)糖四类桃酱罐头。
4.1高糖含果块桃酱罐头,产品代号为705。4.2高糖桃酱罐头,产品代号为7051。4.3低糖含果块桃酱罐头,产品代号为7052。4.4
低糖桃酱罐头,产品代号为7053。5技术要求
5.1原辅材料
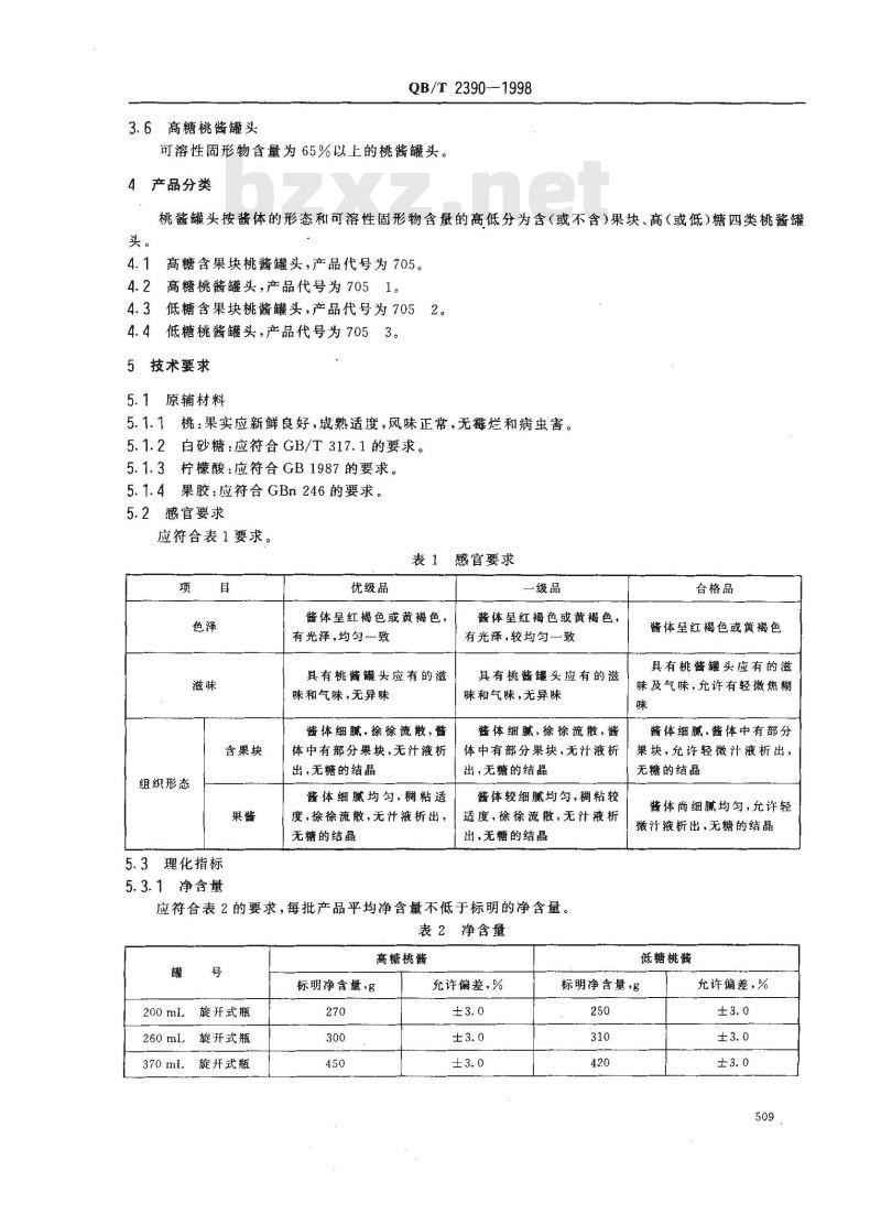
5.1.1桃:果实应新鲜良好,成熟适度,风味正常,无篝烂和病虫害。5.1.2白砂糖:应符合GB/T317.1的要求。5.1.3柠檬酸:应符合GB1987的要求。5.1.4果胶:应符合GBn246的要求。5.2感官要求
应符合表1要求。
表1感官要求
含果块
组织形态
5.3理化指标
5.3.1净含量
优级品
酱体呈红褐色或黄褐色,
有光泽,均匀一致
具有桃酱髓头应有的滋
味和气味,无异味
酱体细腻,徐徐流散,酱
体中有部分果块,无汁液析
出,无糖的结晶
酱体细腻均匀,稠粘适
度,徐徐流散,无汁液析出,
无糖的结晶
一级品
酱体呈红褐色或黄褐色,
有光泽,较均匀一致
具有桃酱罐头应有的滋
味和气味,无异味
合格品
酱体呈红褐色或黄褐色
具有桃齿罐头应有的滋
味及气味,允许有轻微焦糊
酱体细腻,徐徐流散,酱
体中有部分果块,无汁液析
出,无糖的结晶
酱体较细腻均匀,稠粘较
适度,徐徐流散,无汁液析
出,无糖的结晶
应符合表2的要求,每批产品平均净含量不低于标明的净含量。表2净含量
旋开式瓶
260mL旋开式瓶
370 ml
旋开式瓶
高糖桃酱
标明净含量,g
允许偏差,%
酱体细腻,酱体中有部分
果块,允许轻微汁液析出,
无糖的结晶
酱体尚细腻均匀,允许轻
微汁液析出,无糖的结晶
低糖桃酱
标明净含量·g
允许偏差,%
玻璃瓶
旋开式瓶
QB/T 2390—1998
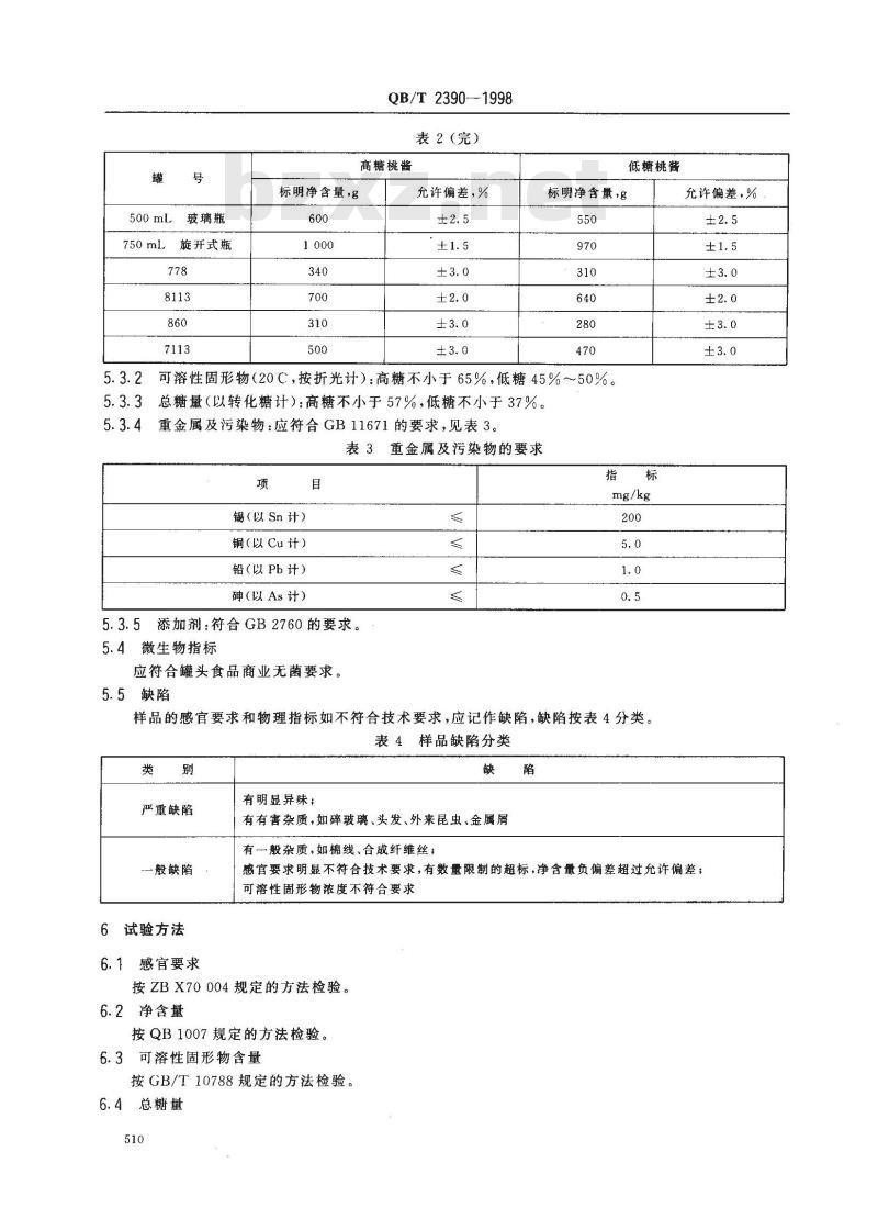
表2(完)
高糖桃酱
标明净含量,8
允许偏差,%
低糖桃酱
标明净含量,g
可溶性固形物(20℃,按折光计):高糖不小于65%,低糖45%~50%。总糖量(以转化糖计):高糖不小于57%,低糖不小于37%。重金属及污染物:应符合GB11671的要求,见表3。表3重金属及污染物的要求
锡(以Sn计)
铜(以Cu计)
铅(以Pb计)
砷(以As计)
5.3.5添加剂:符合GB2760的要求。5.4微生物指标
应符合罐头食品商业无菌要求。5.5缺陷
样品的感官要求和物理指标如不符合技术要求,应记作缺陷,缺陷按表4分类表4样品缺陷分类
严重缺陷
-般缺陷
6试验方法
6.1感官要求
有明显异味;
有有害杂质,如碎玻璃、头发、外来昆虫、金属屑有一般杂质,如棉线、合成纤维丝,陷
充许偏差,%
感官要求明显不符合技术要求,有数量限制的超标,净含量负偏差超过允许偏差;可溶性固形物浓度不符合要求
按ZBX70004规定的方法检验。
6.2净含量
按QB1007规定的方法检验。
6.3可溶性固形物含量
按GB/T10788规定的方法检验。
6.4总糖量
按GB/T5009.8规定的方法检验。6.5重金属含量及污染物
按GB11671规定的方法检验。
6.6微生物指标
按GB4789.26规定的方法检验。
7检验规则
QB/T 2390--1998
按QB1006规定执行。感官、净含量、可溶性固形物、总糖量、微生物为每批必检项目,其他项目作不定期抽检。
标志、包装、运输、购存
按ZBX70005规定进行。
小提示:此标准内容仅展示完整标准里的部分截取内容,若需要完整标准请到上方自行免费下载完整标准文档。
本标准由国家轻工业局行业管理司提出。本标准由全国食品发酵标准化中心归口。言
本标推起草单位:营口食品饮料总厂、中国食品发酵工业研究所。本标准主要起草人:方桂华、曲秀舫、王柏琴。本标委托全国食品发酵标推化中心负责解释。507
1范围
中华人民共和国轻工行业标准
桃酱罐头
QB/T 2390—1998
本标准规定了桃酱罐头的产品分类、技术要求、试验方法、检验规则和标志、包装、运输、贮存的要求。
本标准适用于以桃(黄桃或白桃)为原料,经预处理、打浆(切块)、调配、浓缩、装罐、密封、杀菌制成的产品。
2引用标准
下列标准所包含的条文,通过在本标准中引用而构成为本标准的条文。本标准出版时,所示版本均为有效。所有标推都会被修订,使用本标准的各方应探讨使用下列标准最新版本的可能性。GB317.1-1991白砂糖
GB19871986食品添加剂柠檬酸
GB2760-—1996食品添加剂使用卫生标准食品卫生微生物学检验罐头食品商业无菌的检验GB 4789. 26—1994
GB/T5009.8—1996食品中蔗糖的测定方法GB/T10788-1989罐头食品中可溶性固形物含量的测定折光计法
GB 11671--- 1989
果蔬类罐头食品卫生标准
GBn 246.--1985
QB 1006 ---1990
罐头食品检验规则
罐头食品净重和固形物含量的测定QB 1007-1990
ZB X70 004—1989
罐头食品的感官检验下载标准就来标准下载网
ZBX70005-1989,罐头食品包装、标志、运输和贮存3定义
本标准采用下列定义。
3.1徐徐流散
在室温20℃的条件下,取10g~20g果酱置于白瓷盘中,在1min内酱体向四周扩散的现象。3.2汁液析出
在室温20C的条件下,取10g~~20g果酱置于白瓷盘中,在1min内酱体表面析出糖液的现象。3.3含果块桃酱罐头
含有果块和果酱的桃酱罐头。
3.4桃酱罐头
只含果酱而无果块的桃酱罐头。3.5低糖桃酱罐头
可溶性固形物含量为45%~~50%的桃酱罐头。国家轻工业局1998-08-17批准
1999-05-01实施
3.6高糖桃酱罐头
QB/T 2390-1998
可溶性固形物含量为65%以上的桃酱罐头。产品分类
桃酱罐头按酱体的形态和可溶性固形物含量的高低分为含(或不含)果块、高(或低)糖四类桃酱罐头。
4.1高糖含果块桃酱罐头,产品代号为705。4.2高糖桃酱罐头,产品代号为7051。4.3低糖含果块桃酱罐头,产品代号为7052。4.4
低糖桃酱罐头,产品代号为7053。5技术要求
5.1原辅材料
5.1.1桃:果实应新鲜良好,成熟适度,风味正常,无篝烂和病虫害。5.1.2白砂糖:应符合GB/T317.1的要求。5.1.3柠檬酸:应符合GB1987的要求。5.1.4果胶:应符合GBn246的要求。5.2感官要求
应符合表1要求。
表1感官要求
含果块
组织形态
5.3理化指标
5.3.1净含量
优级品
酱体呈红褐色或黄褐色,
有光泽,均匀一致
具有桃酱髓头应有的滋
味和气味,无异味
酱体细腻,徐徐流散,酱
体中有部分果块,无汁液析
出,无糖的结晶
酱体细腻均匀,稠粘适
度,徐徐流散,无汁液析出,
无糖的结晶
一级品
酱体呈红褐色或黄褐色,
有光泽,较均匀一致
具有桃酱罐头应有的滋
味和气味,无异味
合格品
酱体呈红褐色或黄褐色
具有桃齿罐头应有的滋
味及气味,允许有轻微焦糊
酱体细腻,徐徐流散,酱
体中有部分果块,无汁液析
出,无糖的结晶
酱体较细腻均匀,稠粘较
适度,徐徐流散,无汁液析
出,无糖的结晶
应符合表2的要求,每批产品平均净含量不低于标明的净含量。表2净含量
旋开式瓶
260mL旋开式瓶
370 ml
旋开式瓶
高糖桃酱
标明净含量,g
允许偏差,%
酱体细腻,酱体中有部分
果块,允许轻微汁液析出,
无糖的结晶
酱体尚细腻均匀,允许轻
微汁液析出,无糖的结晶
低糖桃酱
标明净含量·g
允许偏差,%
玻璃瓶
旋开式瓶
QB/T 2390—1998
表2(完)
高糖桃酱
标明净含量,8
允许偏差,%
低糖桃酱
标明净含量,g
可溶性固形物(20℃,按折光计):高糖不小于65%,低糖45%~50%。总糖量(以转化糖计):高糖不小于57%,低糖不小于37%。重金属及污染物:应符合GB11671的要求,见表3。表3重金属及污染物的要求
锡(以Sn计)
铜(以Cu计)
铅(以Pb计)
砷(以As计)
5.3.5添加剂:符合GB2760的要求。5.4微生物指标
应符合罐头食品商业无菌要求。5.5缺陷
样品的感官要求和物理指标如不符合技术要求,应记作缺陷,缺陷按表4分类表4样品缺陷分类
严重缺陷
-般缺陷
6试验方法
6.1感官要求
有明显异味;
有有害杂质,如碎玻璃、头发、外来昆虫、金属屑有一般杂质,如棉线、合成纤维丝,陷
充许偏差,%
感官要求明显不符合技术要求,有数量限制的超标,净含量负偏差超过允许偏差;可溶性固形物浓度不符合要求
按ZBX70004规定的方法检验。
6.2净含量
按QB1007规定的方法检验。
6.3可溶性固形物含量
按GB/T10788规定的方法检验。
6.4总糖量
按GB/T5009.8规定的方法检验。6.5重金属含量及污染物
按GB11671规定的方法检验。
6.6微生物指标
按GB4789.26规定的方法检验。
7检验规则
QB/T 2390--1998
按QB1006规定执行。感官、净含量、可溶性固形物、总糖量、微生物为每批必检项目,其他项目作不定期抽检。
标志、包装、运输、购存
按ZBX70005规定进行。
小提示:此标准内容仅展示完整标准里的部分截取内容,若需要完整标准请到上方自行免费下载完整标准文档。
标准图片预览:





- 其它标准
- 上一篇: QB/T 2378-1998 工业用缝纫机机架
- 下一篇: QB/T 2310-1997 钟发条
- 热门标准
- 轻工行业标准(QB)
- QB/T5247-2018 箱包配件塑料插扣耐 用性能试验方法
- QB/T2856-2007 毛革服装
- QB2584-2003 蒸汽淋浴房
- QB/T2711-2005 皮革 物理和机械试验 撕裂力的测定:双边撕裂
- QB/T1664-1998 纸板戳穿强度测定仪
- QB/T2161-1995 儿童推车整车通用技术条件
- QB/T2425-1998 封箱用再湿性牛皮纸胶粘带
- QB/T3520-1999 500kV油纸套管绝缘纸
- QB/T2569.6-2002 钢锉 木锉
- QB/T1433.10-2005 饼干 装饰饼干
- QB/T1439-2005 帐册
- QB/T1584-2005 日用皮手套
- QB/T2333-1997 防晒化妆品中紫外线吸收剂定量测定高效液相色谱法
- QB/T1756-1993 造纸机械湍流式中浓度浆泵
- QB/T1782-1993 苯乙醇
- 行业新闻
请牢记:“bzxz.net”即是“标准下载”四个汉字汉语拼音首字母与国际顶级域名“.net”的组合。 ©2025 标准下载网 www.bzxz.net 本站邮件:bzxznet@163.com
网站备案号:湘ICP备2025141790号-2
网站备案号:湘ICP备2025141790号-2