- 您的位置:
- 标准下载网 >>
- 标准分类 >>
- 其他行业标准 >>
- JB/T 12136-2015瓦楞辊筒体锻件
标准号:
JB/T 12136-2015
标准名称:
瓦楞辊筒体锻件
标准类别:
其他行业标准
英文名称:
Corrugating roll body forging标准状态:
现行-
发布日期:
2015-04-30 -
实施日期:
2015-10-01 出版语种:
简体中文下载格式:
.pdf .zip
起草人:
范志霞、田建宁、孔财智、刘岩起草单位:
中原特钢股份有限公司提出单位:
中国机械工业联合会发布部门:
中华人民共和国工业和信息化部主管部门:
全国大型铸锻件标准化技术委员会(SAC/TC 506)相关标签:
锻件
点击下载
标准简介:
本标准规定了瓦楞辊筒体锻件的订货要求、制造工艺、技术要求、检验规则和试验方法、验收和质量证明书及标志和包装等。本标准适用于外径小于或等于600 mm的最终表面处理前的瓦楞辊筒体锻件的订货、制造和检验。
本标准按照GB/T 1.1-2009给出的规则起草。
本标准由中国机械工业联合会提出。
本标准由全国大型铸锻件标准化技术委员会(SAC/TC 506)归口。
本标准起草单位:中原特钢股份有限公司。
本标准主要起草人:范志霞、田建宁、孔财智、刘岩。
本标准为首次发布。
部分标准内容:
ICS77.140.85
备案号:49746—2015
中华人民共和国机械行业标准
JB/T12136—2015
瓦楞辊简体锻件
Corrugatingrollbodyforging
2015-04-30发布
2015-10-01实施
中华人民共和国工业和信息化部发布前言.
规范性引用文件
订货要求,
4制造工艺
4.2锻造.
粗加工.
热处理。
5技术要求
材料牌号和化学成分
交货状态。
低倍组织.
力学性能.
无损检测.
几何公差及尺寸公差
检验规则和试验方法
组批规则,
化学成分分析,
低倍组织检验,
硬度检验
力学性能试验
无损检测.
几何公差及尺寸公差
复试和重新热处理
7验收和质量证明书
质量证明书
标志和包装
化学成分
力学性能(纵向)
JB/T12136—2015
JB/T12136—2015
本标准按照GB/T1.1一2009给出的规则起草。本标准由中国机械工业联合会提出本标准由全国大型铸锻件标准化技术委员会(SAC/TC506)归口。本标准起草单位:中原特钢股份有限公司。本标准主要起草人:范志霞、田建宁、孔财智、刘岩。本标准为首次发布。
1范围
瓦楞辊简体锻件
JB/T12136—2015
本标准规定了瓦楞辊简体锻件的订货要求、制造工艺、技术要求、检验规则和试验方法、验收和质量证明书及标志和包装等。
本标准适用于外径小于或等于600mm的最终表面处理前的瓦楞辊筒体锻件的订货、制造和检验。2规范性引用文件
下列文件对于本文件的应用是必不可少的。凡是注日期的引用文件,仅注日期的版本适用于本文件。凡是不注日期的引用文件,其最新版本(包括所有的修改单)适用于本文件。GB/T222
2钢的成品化学成分允许偏差
GB/T223(所有部分)4
钢铁及合金化学分析方法
钢的低倍组织及缺陷酸蚀检验法GB226
GB/T228.1
金属材料拉伸试验第1部分:室温试验方法GB/T229金属材料夏比摆锤冲击试验方法GB/T231.1
GB/T4336Www.bzxZ.net
金属材料布氏硬度试验第1部分:试验方法碳素钢和中低合金钢火花源原子发射光谱分析方法(常规法)GB/T6402—2008
GB/T20123
JB/T4730.4
3订货要求
钢锻件超声检测方法
钢铁总碳硫含量的测定
高频感应炉燃烧后红外吸收法(常规方法)第4部分:磁粉检测
承压设备无损检测
供需双方应在订货合同或技术协议中规定产品名称、规格型号、执行的标准、材料牌号、订货数3.1
量、交货重量和交货状态等。
3.2当需方提出本标准规定以外的特殊要求和补充要求时,应经供需双方商定。4制造工艺
4.1治炼
锻件用钢应采用电炉冶炼加钢包精炼,并经真空处理。经供需双方协商,也可采用能保证质量的其他冶炼方法。
4.2锻造
钢锭的上部和下部应有足够的切除量,以确保成品锻件无缩孔、严重的偏析及其他有害缺陷4.3粗加工
锻件应在性能热处理前进行粗加工。粗加工后内孔不应有台阶,外表面缺陷允许打磨,其打磨深度1
JB/T12136—2015
不应超过精加工余量的三分之二。热处理
锻后热处理为退火。锻件粗加工后进行性能热处理。技术要求
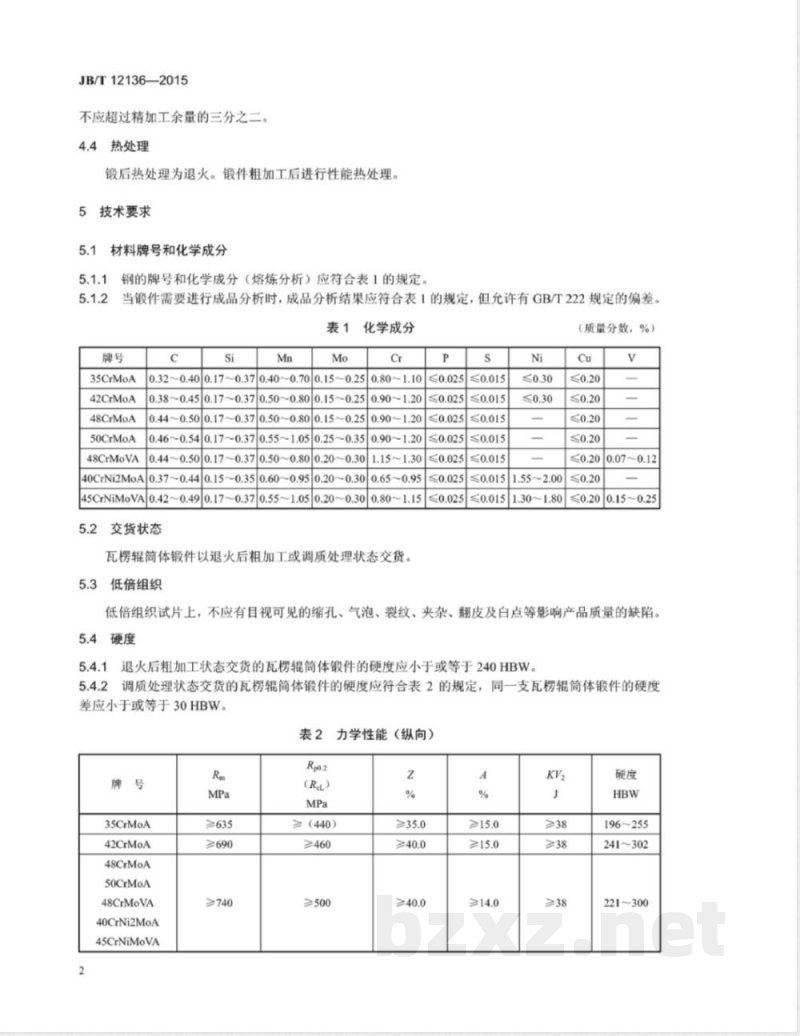
材料牌号和化学成分
钢的牌号和化学成分(熔炼分析)应符合表1的规定。当锻件需要进行成品分析时,成品分析结果应符合表1的规定,但允许有GB/T222规定的偏差。表1
35CrMoA
42CrMoA
48CrMoA
50CrMoA
48CrMoVA
化学成分
0.32~0.40|0.17~0.370.40~0.700.15~0.250.80~1.100.38~0.45
0.17~0.37
70.50~0.80
0.15~0.25
0.44~0.50
0.17~0.37
0.50~0.80
0.15~0.25
0.90~1.20
0.90~1.20
0.46~0.540.17~0.370.55~1.05
50.25~0.35
0.90~1.20
70.50~0.80
0.44~0.50
0.20~0.30
1.15~1.30
0.37~0.44
50.60~0.95
0.20~0.30
0.65~0.95
40CrNi2MoA
0.15~0.35
45CrNiMoVA0.42~0.490.17~0.370.55~1.050.20~0.30|0.80~1.155.2
交货状态
瓦楞辊筒体锻件以退火后粗加工或调质处理状态交货低倍组织
1.55~2.00
51.30~1.80
(质量分数,%)
0.07~0.12
≤0.200.15~0.25
低倍组织试片上,不应有目视可见的缩孔、气泡、裂纹、夹杂、翻皮及白点等影响产品质量的缺陷。硬度
退火后粗加工状态交货的瓦楞辊筒体锻件的硬度应小于或等于240HBW。调质处理状态交货的瓦楞辊筒体锻件的硬度应符合表2的规定,同一支瓦楞辊筒体锻件的硬度差应小于或等于30HBW。
35CrMoA
42CrMoA
48CrMoA
50CrMoA
48CrMoVA
40CrNi2MoA
45CrNiMoVA
≥635
≥690
≥740
力学性能(纵向)
≥(440)
≥460
≥500
196~255
241~302
221~300
5.5力学性能
JB/T12136—2015
调质处理状态交货的瓦楞辊筒体锻件,当合同对力学性能有要求时,其常温力学性能应符合表2的规定。表中冲击吸收能量为三个试样试验结果的算术平均值,允许其中一个试样的试验结果低于规定值,但不得低于规定值的70%。
5.6无损检测
5.6.1超声检测
超声检测应符合GB/T6402一2008中2级的要求。5.6.2磁粉检测
瓦楞辊筒体锻件表面不应有裂纹、折叠、结疤和离层等缺陷。5.7几何公差及尺寸公差
5.7.1外径、内径极限偏差
外径极限偏差为*mm,内径极限偏差为土1.5mm。5.7.2直线度公差
退火后粗加工状态交货的锻件全长为0.5mm。调质处理状态交货的锻件全长为3mm。5.7.3表面质量
机械加工后内、外表面的表面粗糙度Ra应小于或等于12.5μm。5.7.4表面缺陷清除
表面如有局部缺陷允许打磨消除,打磨深度应小于或等于2mm,清除宽度应不小于深度的5倍,6检验规则和试验方法
6.1组批规则
瓦楞辊筒体锻件应按批检验和验收。每批由同一牌号、同一熔炼炉号、同一热处理炉号的瓦楞辊筒体锻件组成。同一批次不同外径的瓦楞辊筒体锻件,取样时允许以大代小。6.2化学成分分析
6.2.1化学成分分析应按GB/T223、GB/T20123、GB/T4336规定的方法或能保证分析质量的其他方法进行。当分析结果出现争议时,按GB/T223规定的方法进行分析。6.2.2成品分析试样取自筒体锻件的冒口端二分之一壁厚处6.2.3同一熔炼炉号的瓦楞辊简体锻件取一个试样进行化学成分分析。6.3低倍组织检验
低倍组织检验按GB226规定的方法进行。供方若保证低倍组织符合技术要求,允许采用超声检测方法或其他无损检测方法代替低倍组织检验。3
JB/T12136—2015
6.4硬度检验
瓦楞辑筒体锻件逐根检验硬度,在瓦楞辑筒体锻件两端各测三点,试验按GB/T231.1规定的方法进行。
6.5力学性能试验
6.5.1试样数量和取样位置
每批瓦楞辊筒体锻件取一组试样(一个拉伸试样、三个冲击试样)进行力学性能试验。试样取自锻件的冒口端二分之一壁厚处。
拉伸试验
拉伸试验按GB/T228.1规定的方法进行。6.5.3
冲击试验
冲击试验按GB/T229规定的方法进行6.6无损检测
6.6.1瓦楞辊筒体锻件在粗加工后和性能热处理后逐根进行超声检测,按GB/T6402一2008规定的方法进行。
瓦榜辊筒体锻件在粗租加工后逐根进行磁粉检测,按JB/T4730.4规定的方法进行。6.7几何公差及尺寸公差
6.7.1尺寸
外径、内径用钢直尺、游标卡尺、千分尺等合适的工具测量。2直线度
直线度检测的方法通常为目测,若有异议或争议,可用以下方法检测:将瓦楞辑筒体锻件架在两个台架或转轮上沿轴向转动,用百分表测量直线度误差。6.7.3表面质量
表面粗糙度用表面粗糙度仪或表面粗糙度比较样块进行检测。6.7.4表面缺陷清除
缺陷清理深度用深度尺进行检测6.8复试和重新热处理
6.8.1拉伸试验不合格时,可从被检验工件原取样部位附近再取两个拉伸试样进行复试,复试结果的所有数据均符合表2的规定,则为合格。6.8.2冲击试验不合格时,可从被检验工件原取样部位附近取三个冲击试样进行复试,前后两组共六个试样的试验结果的算术平均值应符合表2的规定,低于规定值的试验结果不应超过两个,其中低于规定值70%的试验结果不应超过一个。6.8.3当力学性能试验复试不合格时,允许对该批(件)瓦楞辊筒体锻件重新热处理后进行检验,但重新热处理的次数不得超过两次(回火次数不计)。4
7验收和质量证明书
7.1验收
JB/T12136—2015
需方需要复验时,供方应提供需方复验的试料,需方在收到瓦楞辑简体锻件之日起三个月内为复验有效期。如果复验中发现锻件不符合本标准和订货合同中规定的补充技术要求,需方应及时通知供方,双方协商解决。
7.2质量证明书
瓦楞辊筒体锻件交货时,供方应向需方提供质量证明书。质量证明书应包括以下内容:a)制造厂名称;
b)订货合同号;
c)产品名称、规格型号:
d)产品执行标准编号:
e)材料牌号;
f)熔炼炉号、件号:
g)交货状态、重量(数量):
h)本标准规定的各项试验和检验结果:i)质量检验部门印章。
8标志和包装
标志应打在每根瓦楞辑筒体锻件相当于钢尾部端面或需方指定的部位,打印标志位置和方式应无损锻件的最终使用。
8.2标志内容至少应包含产品的规格型号、材料牌号、熔炼炉号、件号。8.3瓦楞辊筒体锻件允许裸装交货,但内外表面应进行防锈保护,同时在运输和保管过程中应避免损坏。
JB/T12136-2015
中华人民共
机械行业标准
瓦楞辊筒体锻件
JB/T12136—2015
机械工业出版社出版发行
北京市百万庄大街22号
邮政编码:100037
210mm×297mm?0.75印张·15千字2016年1月第1版第1次印刷
定价:15.00元
书号:15111·12625
网址:http://www.cmpbook.com编辑部电话:(010)88379399
直销中心电话:
(010)88379693
封面无防伪标均为盗版
版权专有
侵权必究
小提示:此标准内容仅展示完整标准里的部分截取内容,若需要完整标准请到上方自行免费下载完整标准文档。
备案号:49746—2015
中华人民共和国机械行业标准
JB/T12136—2015
瓦楞辊简体锻件
Corrugatingrollbodyforging
2015-04-30发布
2015-10-01实施
中华人民共和国工业和信息化部发布前言.
规范性引用文件
订货要求,
4制造工艺
4.2锻造.
粗加工.
热处理。
5技术要求
材料牌号和化学成分
交货状态。
低倍组织.
力学性能.
无损检测.
几何公差及尺寸公差
检验规则和试验方法
组批规则,
化学成分分析,
低倍组织检验,
硬度检验
力学性能试验
无损检测.
几何公差及尺寸公差
复试和重新热处理
7验收和质量证明书
质量证明书
标志和包装
化学成分
力学性能(纵向)
JB/T12136—2015
JB/T12136—2015
本标准按照GB/T1.1一2009给出的规则起草。本标准由中国机械工业联合会提出本标准由全国大型铸锻件标准化技术委员会(SAC/TC506)归口。本标准起草单位:中原特钢股份有限公司。本标准主要起草人:范志霞、田建宁、孔财智、刘岩。本标准为首次发布。
1范围
瓦楞辊简体锻件
JB/T12136—2015
本标准规定了瓦楞辊简体锻件的订货要求、制造工艺、技术要求、检验规则和试验方法、验收和质量证明书及标志和包装等。
本标准适用于外径小于或等于600mm的最终表面处理前的瓦楞辊筒体锻件的订货、制造和检验。2规范性引用文件
下列文件对于本文件的应用是必不可少的。凡是注日期的引用文件,仅注日期的版本适用于本文件。凡是不注日期的引用文件,其最新版本(包括所有的修改单)适用于本文件。GB/T222
2钢的成品化学成分允许偏差
GB/T223(所有部分)4
钢铁及合金化学分析方法
钢的低倍组织及缺陷酸蚀检验法GB226
GB/T228.1
金属材料拉伸试验第1部分:室温试验方法GB/T229金属材料夏比摆锤冲击试验方法GB/T231.1
GB/T4336Www.bzxZ.net
金属材料布氏硬度试验第1部分:试验方法碳素钢和中低合金钢火花源原子发射光谱分析方法(常规法)GB/T6402—2008
GB/T20123
JB/T4730.4
3订货要求
钢锻件超声检测方法
钢铁总碳硫含量的测定
高频感应炉燃烧后红外吸收法(常规方法)第4部分:磁粉检测
承压设备无损检测
供需双方应在订货合同或技术协议中规定产品名称、规格型号、执行的标准、材料牌号、订货数3.1
量、交货重量和交货状态等。
3.2当需方提出本标准规定以外的特殊要求和补充要求时,应经供需双方商定。4制造工艺
4.1治炼
锻件用钢应采用电炉冶炼加钢包精炼,并经真空处理。经供需双方协商,也可采用能保证质量的其他冶炼方法。
4.2锻造
钢锭的上部和下部应有足够的切除量,以确保成品锻件无缩孔、严重的偏析及其他有害缺陷4.3粗加工
锻件应在性能热处理前进行粗加工。粗加工后内孔不应有台阶,外表面缺陷允许打磨,其打磨深度1
JB/T12136—2015
不应超过精加工余量的三分之二。热处理
锻后热处理为退火。锻件粗加工后进行性能热处理。技术要求
材料牌号和化学成分
钢的牌号和化学成分(熔炼分析)应符合表1的规定。当锻件需要进行成品分析时,成品分析结果应符合表1的规定,但允许有GB/T222规定的偏差。表1
35CrMoA
42CrMoA
48CrMoA
50CrMoA
48CrMoVA
化学成分
0.32~0.40|0.17~0.370.40~0.700.15~0.250.80~1.100.38~0.45
0.17~0.37
70.50~0.80
0.15~0.25
0.44~0.50
0.17~0.37
0.50~0.80
0.15~0.25
0.90~1.20
0.90~1.20
0.46~0.540.17~0.370.55~1.05
50.25~0.35
0.90~1.20
70.50~0.80
0.44~0.50
0.20~0.30
1.15~1.30
0.37~0.44
50.60~0.95
0.20~0.30
0.65~0.95
40CrNi2MoA
0.15~0.35
45CrNiMoVA0.42~0.490.17~0.370.55~1.050.20~0.30|0.80~1.155.2
交货状态
瓦楞辊筒体锻件以退火后粗加工或调质处理状态交货低倍组织
1.55~2.00
51.30~1.80
(质量分数,%)
0.07~0.12
≤0.200.15~0.25
低倍组织试片上,不应有目视可见的缩孔、气泡、裂纹、夹杂、翻皮及白点等影响产品质量的缺陷。硬度
退火后粗加工状态交货的瓦楞辊筒体锻件的硬度应小于或等于240HBW。调质处理状态交货的瓦楞辊筒体锻件的硬度应符合表2的规定,同一支瓦楞辊筒体锻件的硬度差应小于或等于30HBW。
35CrMoA
42CrMoA
48CrMoA
50CrMoA
48CrMoVA
40CrNi2MoA
45CrNiMoVA
≥635
≥690
≥740
力学性能(纵向)
≥(440)
≥460
≥500
196~255
241~302
221~300
5.5力学性能
JB/T12136—2015
调质处理状态交货的瓦楞辊筒体锻件,当合同对力学性能有要求时,其常温力学性能应符合表2的规定。表中冲击吸收能量为三个试样试验结果的算术平均值,允许其中一个试样的试验结果低于规定值,但不得低于规定值的70%。
5.6无损检测
5.6.1超声检测
超声检测应符合GB/T6402一2008中2级的要求。5.6.2磁粉检测
瓦楞辊筒体锻件表面不应有裂纹、折叠、结疤和离层等缺陷。5.7几何公差及尺寸公差
5.7.1外径、内径极限偏差
外径极限偏差为*mm,内径极限偏差为土1.5mm。5.7.2直线度公差
退火后粗加工状态交货的锻件全长为0.5mm。调质处理状态交货的锻件全长为3mm。5.7.3表面质量
机械加工后内、外表面的表面粗糙度Ra应小于或等于12.5μm。5.7.4表面缺陷清除
表面如有局部缺陷允许打磨消除,打磨深度应小于或等于2mm,清除宽度应不小于深度的5倍,6检验规则和试验方法
6.1组批规则
瓦楞辊筒体锻件应按批检验和验收。每批由同一牌号、同一熔炼炉号、同一热处理炉号的瓦楞辊筒体锻件组成。同一批次不同外径的瓦楞辊筒体锻件,取样时允许以大代小。6.2化学成分分析
6.2.1化学成分分析应按GB/T223、GB/T20123、GB/T4336规定的方法或能保证分析质量的其他方法进行。当分析结果出现争议时,按GB/T223规定的方法进行分析。6.2.2成品分析试样取自筒体锻件的冒口端二分之一壁厚处6.2.3同一熔炼炉号的瓦楞辊简体锻件取一个试样进行化学成分分析。6.3低倍组织检验
低倍组织检验按GB226规定的方法进行。供方若保证低倍组织符合技术要求,允许采用超声检测方法或其他无损检测方法代替低倍组织检验。3
JB/T12136—2015
6.4硬度检验
瓦楞辑筒体锻件逐根检验硬度,在瓦楞辑筒体锻件两端各测三点,试验按GB/T231.1规定的方法进行。
6.5力学性能试验
6.5.1试样数量和取样位置
每批瓦楞辊筒体锻件取一组试样(一个拉伸试样、三个冲击试样)进行力学性能试验。试样取自锻件的冒口端二分之一壁厚处。
拉伸试验
拉伸试验按GB/T228.1规定的方法进行。6.5.3
冲击试验
冲击试验按GB/T229规定的方法进行6.6无损检测
6.6.1瓦楞辊筒体锻件在粗加工后和性能热处理后逐根进行超声检测,按GB/T6402一2008规定的方法进行。
瓦榜辊筒体锻件在粗租加工后逐根进行磁粉检测,按JB/T4730.4规定的方法进行。6.7几何公差及尺寸公差
6.7.1尺寸
外径、内径用钢直尺、游标卡尺、千分尺等合适的工具测量。2直线度
直线度检测的方法通常为目测,若有异议或争议,可用以下方法检测:将瓦楞辑筒体锻件架在两个台架或转轮上沿轴向转动,用百分表测量直线度误差。6.7.3表面质量
表面粗糙度用表面粗糙度仪或表面粗糙度比较样块进行检测。6.7.4表面缺陷清除
缺陷清理深度用深度尺进行检测6.8复试和重新热处理
6.8.1拉伸试验不合格时,可从被检验工件原取样部位附近再取两个拉伸试样进行复试,复试结果的所有数据均符合表2的规定,则为合格。6.8.2冲击试验不合格时,可从被检验工件原取样部位附近取三个冲击试样进行复试,前后两组共六个试样的试验结果的算术平均值应符合表2的规定,低于规定值的试验结果不应超过两个,其中低于规定值70%的试验结果不应超过一个。6.8.3当力学性能试验复试不合格时,允许对该批(件)瓦楞辊筒体锻件重新热处理后进行检验,但重新热处理的次数不得超过两次(回火次数不计)。4
7验收和质量证明书
7.1验收
JB/T12136—2015
需方需要复验时,供方应提供需方复验的试料,需方在收到瓦楞辑简体锻件之日起三个月内为复验有效期。如果复验中发现锻件不符合本标准和订货合同中规定的补充技术要求,需方应及时通知供方,双方协商解决。
7.2质量证明书
瓦楞辊筒体锻件交货时,供方应向需方提供质量证明书。质量证明书应包括以下内容:a)制造厂名称;
b)订货合同号;
c)产品名称、规格型号:
d)产品执行标准编号:
e)材料牌号;
f)熔炼炉号、件号:
g)交货状态、重量(数量):
h)本标准规定的各项试验和检验结果:i)质量检验部门印章。
8标志和包装
标志应打在每根瓦楞辑筒体锻件相当于钢尾部端面或需方指定的部位,打印标志位置和方式应无损锻件的最终使用。
8.2标志内容至少应包含产品的规格型号、材料牌号、熔炼炉号、件号。8.3瓦楞辊筒体锻件允许裸装交货,但内外表面应进行防锈保护,同时在运输和保管过程中应避免损坏。
JB/T12136-2015
中华人民共
机械行业标准
瓦楞辊筒体锻件
JB/T12136—2015
机械工业出版社出版发行
北京市百万庄大街22号
邮政编码:100037
210mm×297mm?0.75印张·15千字2016年1月第1版第1次印刷
定价:15.00元
书号:15111·12625
网址:http://www.cmpbook.com编辑部电话:(010)88379399
直销中心电话:
(010)88379693
封面无防伪标均为盗版
版权专有
侵权必究
小提示:此标准内容仅展示完整标准里的部分截取内容,若需要完整标准请到上方自行免费下载完整标准文档。
标准图片预览:





- 其它标准
- 热门标准
- 其他行业标准
- FZ/T54089-2016 有色锦纶6弹力丝
- FZ/T54087-2016 粘合活化型涤纶工业长丝
- FZ/T54088-2016 锦纶6全牵伸单丝
- YS/T433-2016 银精矿
- FZ/T54082-2015 锦纶6膨体长丝(BCF)
- FZ/T62036-2017 乳胶枕、垫
- QB/T4698-2014 家用和类似用途软水机
- QB/T4207-2011 一字槽螺钉旋具头
- FZ/T61002-2019 化纤仿毛毛毯
- JB/T4212.6-2014 内六角圆柱头螺钉冷镦模 第6部分:凹模
- NB/T31048.1-2014 风力发电机用绕组线 第1部分 一般规定
- T/CMAJY047-2021 加油机在线监督管理规范
- FZ/T73022-2019 针织保暖内衣
- QB/T1999-1994 密胺塑料餐具
- FZ/T52039-2014 再生聚苯硫醚短纤维
- 行业新闻
请牢记:“bzxz.net”即是“标准下载”四个汉字汉语拼音首字母与国际顶级域名“.net”的组合。 ©2025 标准下载网 www.bzxz.net 本站邮件:bzxznet@163.com
网站备案号:湘ICP备2025141790号-2
网站备案号:湘ICP备2025141790号-2