- 您的位置:
- 标准下载网 >>
- 标准分类 >>
- 其他行业标准 >>
- QB/T 2658-2004卫生设备用台盆
标准号:
QB/T 2658-2004
标准名称:
卫生设备用台盆
标准类别:
其他行业标准
英文名称:
Lavatory for sanitary fittings标准状态:
已作废-
发布日期:
2004-12-14 -
实施日期:
2005-06-01 -
作废日期:
2017-07-01 出版语种:
简体中文下载格式:
.pdf .zip下载大小:
2.68 MB
点击下载
标准简介:
本标准规定了卫生设备用台盆的产品分类、要求、试验方法、检验规则和标志、包装、运输、贮存。
本标准适用于安装在盟洗室、卫生间、公共设施等场合,作为洗手、洗脸卫生设备用台盆。
部分标准内容:
ICS91.140.70
分类号:Q31
备索号:15105-2005
中华人民共和国轻工行业标准
QB2658-2004
卫生设备用台盆
Lavatoryforsanitaryfittings
2004-12-14发布
中华人民共和国国家发展和改革委员会2005-06-01实施
本标准5.1.2、5.4.1、5.4.4、5.4.7为强制性的,其余为推荐性的。QB2658-2004
本标准主要结合我国卫浴行业生产现状及产品质量须与国际接轨、并适应国内外市场需求而制定。本标准由中国轻工业联合会提出。本标准由全国建筑五金标准化中心归口。本标准起草单位:广州市阿波罗建材科技有限公司、泉州申鹭达集团、美洁水暖器材有限公司、国家轻工业建筑五金质量监督检测中心。本标准主要起草人:曾家乐、洪建成、苏丽华、刘勇、忻耀德、张建峰。本标准首次发布。
1范围
卫生设备用台盆
QB2658-2004
本标准规定了卫生设备用台盆的产品分类、要求、试验方法、检验规则和标志、包装、运输、贮存。本标准适用于安装在盟洗室、卫生间、公共设施等场合,作为洗手、洗脸卫生设备用台盆。2规范性引用文件
下列文件中的条款通过本标准的引用而成为本标准的条款。凡是注日期的引用文件,其随后所有的修改单(不包括勘误的内容)或修订版均不适用于本标准,然而,鼓励根据本标准达成协议的各方研究是否可使用这些文件的最新版本。凡是不注日期的引用文件,其最新版本适用于本标准。GB/T2828.1一2003计数抽样检验程序第1部分:按接收质量限(AQL)检索的逐批检验抽样计划GB/T3854一1983纤维增强塑料巴氏(巴柯尔)硬度试验方法GB6566-2001建筑材料放射性核素限量GB/T6952卫生陶瓷
GB9962-1999夹层玻璃
GB/T9963-1998钢化玻璃
GB/T11942—1989
彩色建筑材料色度测量方法
QB1334水嘴通用技术条件
JC/T644—1996
JC/T779—2000
JC/T8582000
JC/T932-2003
3分类和标记
人造玛瑙及人造大理石卫生洁具玻璃纤维增强塑料浴缸
住宅浴缸和淋浴底盘用浇铸丙烯酸板材卫生洁具排水配件
GB/T7410中确立的以及下列定义适用于本标准,参见图1。3.1产品分类
3.1.1按产品结构分见表1。
产品结构
分体式
连体式
QB2658-2004
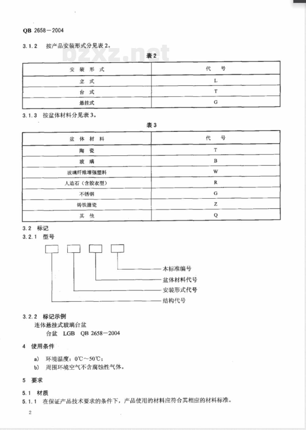
按产品安装形式分见表2。
安装形式
悬挂式
3.1.3按盆体材料分见表3。
盆体材料
玻璃纤维增强塑料
人造石(含胶衣型)
不锈钢
铸铁据瓷
3.2标记
3.2.1型号
3.2.2标记示例
连体悬挂式玻璃台盆
台盆LGBQB2658-2004
4使用条件
环境温度:0℃~50℃;
b)周围环境空气不含腐蚀性气体。5要求
本标准编号
盆体材料代号
安装形式代号
结构代号
5.1材质
5.1.1在保证产品技术要求的条件下,产品使用的材料应符合其相应的材料标准。2
5.1.2所用材质的放射性核素限量应符合GB6566一2001中3.2.1的规定。5.2外观
5.2.1产品使用表面应光滑顺畅,不应有划伤、裂纹、气泡、爆边等明显缺陷。5.2.2玻璃台盆使用表面粗糙度Ra不大于0.2um。5.2.3不锈钢台盆抛光后表面纹理应均勾一致,无焊缝缺陷,5.2.4产品表面涂层应色泽均匀,结合牢固,不应有流挂、波纹、露底等缺陷。5.3尺寸和偏差
尺寸和偏差应符合表4的规定。
外形尺寸
不锈钢
人造石(含胶衣型)
玻璃纤维增强塑料
铸铁糖瓷
进水孔孔间距
排水孔孔径
5.4使用性能
5.4.1抗冲击性
5.4.1.1玻璃台盆抗冲击性
规格尺寸
≤2000
≤1000
≤1000
≤1000
≤1000
≤1000
QB2658-2004
单位为毫米
允许偏差
台面平板玻璃:用直径Φ63.5mm表面光滑的钢球,使其自由落下,玻璃不应破碎;a)
台盆玻璃:用直径Φ50mm表面光滑的钢球,使其自由落下,玻璃不应破碎。b)
5.4.1.2玻璃纤维增强塑料台盆抗冲击性应符合JC/T779一2000中6.8的规定。5.4.1.3人造石台盆的抗冲击性
应符合JC/T644-1996中6.4.4的规定。5.4.2溢流性能
5.4.2.1对无溢流孔的台盆,经6.5.1试验后,台盆内的水不应漫出盆外。5.4.2.2对带有溢流孔的台盆,经6.5.2试验后,台盆内的水不应漫出盆外。5.4.3密封性能
关闭排水器,在台盆最满水的条件下,不应有外渗漏。5.4.4安全性
钢化玻璃台盆的碎片状态应符合GB/T9963一1998中4.5的规定。夹层玻璃台盆的落球冲击剥离性能应符合GB9962一1999中5.10的规定。3
QB2658-2004
5.4.5冷、热稳定性
5.4.5.1玻璃台盆经6.8.1试验后,不应破碎。5.4.5.2玻璃纤维增强塑料台盆耐热水性应符合JC/T779-2000中6.9规定。5.4.5.3人造石经6.8.3试验后,其表面应无裂纹、不起泡。5.4.6装配
产品的固定连接部件应结合可靠,无松动现象。5.4.7承载能力
产品经6.10试验后,不应断裂和倒塌。5.4.8涂层结合强度
产品经6.11试验后,涂层不应剥落。5.4.9耐化学性
玻璃纤维增强塑料台盆经6.12试验后,应无永久腐蚀或变形。5.4.10耐污染性
5.4.10.1玻璃纤维增强塑料台盆耐污染性应符合JC/T779-2000中6.4规定。5.4.10.2人造石台盆耐污染性应符合JC/T644一1996中5.3相应规定。5.4.11巴氏硬度
玻璃纤维台盆的巴氏硬度不应低于40;胶衣型台盆的巴氏硬度不应低于35。5.4.12稳定性
产品经6.15试验后,不应倾斜和倒塌。5.4.13不锈钢台盆应有防结露、降噪音措施。5.4.14配件
5.4.14.1水嘴表面质量及使用性能应符合QB1334中的相应规定。5.4.14.2排水配件表面质量及使用性能应符合JC/T932一2003中的相应规定。5.4.15陶瓷台盆要求应符合GB/T6952的规定。6试验方法
6.1材质
由供应商提供质量保证书,有争议时按相应的标准检测。6.2外观
6.2.1对5.2.1、5.2.4检查时应在3001x光照度条件下,距离被测物600mm,目测无明显缺陷。6.2.2表面粗糙度用“表面粗糙度标准块”对比目测。6.3尺寸和偏差
用相应精度的量具检测。
6.4抗冲击性
6.4.1玻璃台盆抗冲击性
6.4.1.1对台面平板玻璃试验,产品按使用状态安装,用直径为@63.5mm(质量约1040g)表面光滑的钢球,放在距离台面平板玻璃表面1000mm的高度,使其自由落下,冲击点应在距台面平板玻璃边缘100mm~150mm的范围内,冲击仅限一次,其结果应符合5.4.1.1a)的规定。6.4.1.2对台盆玻璃试验,产品按使用状态安装,用直径为Φ50mm(质量约为510g)表面光滑的钢球,放在距离台盆内腔冲击点表面1000mm的高度,使其自由落下,冲击点距排水口边缘20mm~30mm的范围内,冲击仅限一次,其结果应符合5.4.1.1b)的规定。6.4.2玻璃纤维增强塑料台盆抗冲击性应按JC/T779一2000中8.2.8规定执行。4
6.4.3人造石台盆抗冲击性
应按JC/T644--1996中6.4.5规定执行。6.5溢流性能
QB2658-2004
6.5.1对无溢流孔的台盆进行试验时,产品按使用状态安装,打开排水器,向台盆内放水,进水流量为0.07L/s,目测结果应符合5.4.2.1的规定。6.5.2对带有溢流孔的台盆进行检测时,产品按使用状态安装,关闭排水器,向台盆内放水,进水流量为0.07L/s,目测结果应符合5.4.2.2的规定。6.6密封性能
产品按使用状态安装,关闭排水器,向台盆内放水至最满,目测台盆与排水器结合处应无外渗漏。6.7安全性
钢化玻璃台盆的碎片状态按GB/T9963一1998中5.6方法试验后,其结果应符合5.4.4的规定。夹层玻璃台盆的落球冲击剥离性能按GB9962一1999中6.10方法试验后,其结果应符合5.4.4的规定。6.8冷、热稳定性
6.8.1将玻璃台盆冷却至(0士2)℃,然后即用1L温度大于90℃的水淋其表面,玻璃盆体不应破碎。再将试样玻璃加热至(70土2)℃,然后即用1L温度小于(12土2)℃的水淋其表面,试样玻璃不应破碎。6.8.2玻璃纤维增强塑料台盆耐热水性检测,其试验方法按JC/T779一2000中附录B的规定执行。6.8.3人造石台盆耐热水性检测,其试验方法按JC/T644一1996中6.4.9的规定执行(浇铸型胶衣台盆的试验温度为(65土2)℃。
6.9装配质量
用手感检测。
6.10承载能力
产品按使用状态安装,在台盆中心部位加载50kg的质量(包括砂袋和10mm厚木垫板,见图1),保持5min,其结果应符合5.4.7规定。砂袋
悬挂式
QB2658-2004
6.11涂层结合强度
涂层结合强度采用栅格试验法检测执行,其方法是:用刀片在产品涂层面画横竖6条×6条直线,线距为2mm,切痕深度必须将涂层切断至基体面,再用粘胶带贴紧方格子表面,然后迅速将胶带拉开,其结果应符合5.4.8规定。
6.12耐化学性
玻璃纤维增强塑料台盆耐化学性检测按JC/T858一2000中5.8规定执行。6.13耐污染性
6.13.1玻璃纤维增强塑料台盆耐污染性试验按JC/T7792000中8.2.4规定执行。6.13.2人造石台盆耐污染性试验按JC/T644-1996中6.4.10规定执行。6.14巴氏硬度
按GB/T3854执行。
6.15稳定性
产品按使用状态安装,台盆和所悬挂之砂袋位置如图2所示。砂袋质量30kg,用绳子吊在试验架上。砂袋摆起垂直高度500mm后,自由回摆,冲击台盆边缘,产品整体不应出现倒塌和倾斜。单位为毫米
6.16防结露、降噪音措施
不锈钢台盆用目测检测。
6.17配件
应按QB1334和JC/T932-2003中的相应规定执行。6.18陶瓷台盆的检测按GB/T6952中的相应规定执行。7检验规则
7.1每件产品应经出厂检验合格后方可出厂。7.2产品检验分出厂检验和型式检验。6
7.3出厂检验
7.3.1对5.2的外观项目,每件产品均应进行检验。QB2658-2004
7.3.2其他项目按GB/T2828.1的规定进行,采用特殊检验水平S-2,一次抽样方案。其出厂检验项目、不合格类别、接收质量限(AQL)按表5的规定。表5
不合格类别
7.4型式检验
检验项目
尺寸和偏差
防结露、降噪音措施
试验方法
7.4.1型式检验的样本在提交的出厂检验合格批中抽取,每批抽查一件,其项目包括本标准要求的全部项目,若全部项目合格,则整批合格。若有一项不合格,再抽第二件,若再有一项不合格,则整批不合格。此内容来自标准下载网
有下列情况之一,应进行型式检验。7.4.2
新产品或老产品转厂生产的试制定型鉴定;当生产的产品在设计、工艺、生产设备、管理等方面有较大改变而可能影响产品性能时;正常生产时,定期或积累一定产量后,每二年至少进行一次;不生产的产品恢复生产时;
出厂检验结果与上次型式检验有较大差异时;国家质量监督检验机构提出进行型式检验的要求时。包装、运输、贮存
8标志、1
8.1标志
产品应有明显清晰、不易涂改及可见的标志。标志内容如下:产品名称、型号、规格:
制造厂名:
制造日期。
包装标志内容:
产品名称、型号、规格、等级;制造厂名和厂址;
制造日期;
商标:
重量(毛重、净重):
外形尺寸(长×宽×高)。
8.2包装
8.2.1每件产品应附有合格证和安装使用说明书,合格证上应有检验员代号和检验日期。有附件的产品应附有清单。
8.2.2产品包装应牢固,不破损,其单件重量应符合有关运输规定。7
QB26582004
8.3运输
产品在运输中应轻装、轻卸、防重压,避免冲击,防止日晒雨淋,不得与腐蚀性物品混运8.4购存
产品应保存在通风良好于燥的室内,不得与腐蚀性物品混放。8
小提示:此标准内容仅展示完整标准里的部分截取内容,若需要完整标准请到上方自行免费下载完整标准文档。
分类号:Q31
备索号:15105-2005
中华人民共和国轻工行业标准
QB2658-2004
卫生设备用台盆
Lavatoryforsanitaryfittings
2004-12-14发布
中华人民共和国国家发展和改革委员会2005-06-01实施
本标准5.1.2、5.4.1、5.4.4、5.4.7为强制性的,其余为推荐性的。QB2658-2004
本标准主要结合我国卫浴行业生产现状及产品质量须与国际接轨、并适应国内外市场需求而制定。本标准由中国轻工业联合会提出。本标准由全国建筑五金标准化中心归口。本标准起草单位:广州市阿波罗建材科技有限公司、泉州申鹭达集团、美洁水暖器材有限公司、国家轻工业建筑五金质量监督检测中心。本标准主要起草人:曾家乐、洪建成、苏丽华、刘勇、忻耀德、张建峰。本标准首次发布。
1范围
卫生设备用台盆
QB2658-2004
本标准规定了卫生设备用台盆的产品分类、要求、试验方法、检验规则和标志、包装、运输、贮存。本标准适用于安装在盟洗室、卫生间、公共设施等场合,作为洗手、洗脸卫生设备用台盆。2规范性引用文件
下列文件中的条款通过本标准的引用而成为本标准的条款。凡是注日期的引用文件,其随后所有的修改单(不包括勘误的内容)或修订版均不适用于本标准,然而,鼓励根据本标准达成协议的各方研究是否可使用这些文件的最新版本。凡是不注日期的引用文件,其最新版本适用于本标准。GB/T2828.1一2003计数抽样检验程序第1部分:按接收质量限(AQL)检索的逐批检验抽样计划GB/T3854一1983纤维增强塑料巴氏(巴柯尔)硬度试验方法GB6566-2001建筑材料放射性核素限量GB/T6952卫生陶瓷
GB9962-1999夹层玻璃
GB/T9963-1998钢化玻璃
GB/T11942—1989
彩色建筑材料色度测量方法
QB1334水嘴通用技术条件
JC/T644—1996
JC/T779—2000
JC/T8582000
JC/T932-2003
3分类和标记
人造玛瑙及人造大理石卫生洁具玻璃纤维增强塑料浴缸
住宅浴缸和淋浴底盘用浇铸丙烯酸板材卫生洁具排水配件
GB/T7410中确立的以及下列定义适用于本标准,参见图1。3.1产品分类
3.1.1按产品结构分见表1。
产品结构
分体式
连体式
QB2658-2004
按产品安装形式分见表2。
安装形式
悬挂式
3.1.3按盆体材料分见表3。
盆体材料
玻璃纤维增强塑料
人造石(含胶衣型)
不锈钢
铸铁据瓷
3.2标记
3.2.1型号
3.2.2标记示例
连体悬挂式玻璃台盆
台盆LGBQB2658-2004
4使用条件
环境温度:0℃~50℃;
b)周围环境空气不含腐蚀性气体。5要求
本标准编号
盆体材料代号
安装形式代号
结构代号
5.1材质
5.1.1在保证产品技术要求的条件下,产品使用的材料应符合其相应的材料标准。2
5.1.2所用材质的放射性核素限量应符合GB6566一2001中3.2.1的规定。5.2外观
5.2.1产品使用表面应光滑顺畅,不应有划伤、裂纹、气泡、爆边等明显缺陷。5.2.2玻璃台盆使用表面粗糙度Ra不大于0.2um。5.2.3不锈钢台盆抛光后表面纹理应均勾一致,无焊缝缺陷,5.2.4产品表面涂层应色泽均匀,结合牢固,不应有流挂、波纹、露底等缺陷。5.3尺寸和偏差
尺寸和偏差应符合表4的规定。
外形尺寸
不锈钢
人造石(含胶衣型)
玻璃纤维增强塑料
铸铁糖瓷
进水孔孔间距
排水孔孔径
5.4使用性能
5.4.1抗冲击性
5.4.1.1玻璃台盆抗冲击性
规格尺寸
≤2000
≤1000
≤1000
≤1000
≤1000
≤1000
QB2658-2004
单位为毫米
允许偏差
台面平板玻璃:用直径Φ63.5mm表面光滑的钢球,使其自由落下,玻璃不应破碎;a)
台盆玻璃:用直径Φ50mm表面光滑的钢球,使其自由落下,玻璃不应破碎。b)
5.4.1.2玻璃纤维增强塑料台盆抗冲击性应符合JC/T779一2000中6.8的规定。5.4.1.3人造石台盆的抗冲击性
应符合JC/T644-1996中6.4.4的规定。5.4.2溢流性能
5.4.2.1对无溢流孔的台盆,经6.5.1试验后,台盆内的水不应漫出盆外。5.4.2.2对带有溢流孔的台盆,经6.5.2试验后,台盆内的水不应漫出盆外。5.4.3密封性能
关闭排水器,在台盆最满水的条件下,不应有外渗漏。5.4.4安全性
钢化玻璃台盆的碎片状态应符合GB/T9963一1998中4.5的规定。夹层玻璃台盆的落球冲击剥离性能应符合GB9962一1999中5.10的规定。3
QB2658-2004
5.4.5冷、热稳定性
5.4.5.1玻璃台盆经6.8.1试验后,不应破碎。5.4.5.2玻璃纤维增强塑料台盆耐热水性应符合JC/T779-2000中6.9规定。5.4.5.3人造石经6.8.3试验后,其表面应无裂纹、不起泡。5.4.6装配
产品的固定连接部件应结合可靠,无松动现象。5.4.7承载能力
产品经6.10试验后,不应断裂和倒塌。5.4.8涂层结合强度
产品经6.11试验后,涂层不应剥落。5.4.9耐化学性
玻璃纤维增强塑料台盆经6.12试验后,应无永久腐蚀或变形。5.4.10耐污染性
5.4.10.1玻璃纤维增强塑料台盆耐污染性应符合JC/T779-2000中6.4规定。5.4.10.2人造石台盆耐污染性应符合JC/T644一1996中5.3相应规定。5.4.11巴氏硬度
玻璃纤维台盆的巴氏硬度不应低于40;胶衣型台盆的巴氏硬度不应低于35。5.4.12稳定性
产品经6.15试验后,不应倾斜和倒塌。5.4.13不锈钢台盆应有防结露、降噪音措施。5.4.14配件
5.4.14.1水嘴表面质量及使用性能应符合QB1334中的相应规定。5.4.14.2排水配件表面质量及使用性能应符合JC/T932一2003中的相应规定。5.4.15陶瓷台盆要求应符合GB/T6952的规定。6试验方法
6.1材质
由供应商提供质量保证书,有争议时按相应的标准检测。6.2外观
6.2.1对5.2.1、5.2.4检查时应在3001x光照度条件下,距离被测物600mm,目测无明显缺陷。6.2.2表面粗糙度用“表面粗糙度标准块”对比目测。6.3尺寸和偏差
用相应精度的量具检测。
6.4抗冲击性
6.4.1玻璃台盆抗冲击性
6.4.1.1对台面平板玻璃试验,产品按使用状态安装,用直径为@63.5mm(质量约1040g)表面光滑的钢球,放在距离台面平板玻璃表面1000mm的高度,使其自由落下,冲击点应在距台面平板玻璃边缘100mm~150mm的范围内,冲击仅限一次,其结果应符合5.4.1.1a)的规定。6.4.1.2对台盆玻璃试验,产品按使用状态安装,用直径为Φ50mm(质量约为510g)表面光滑的钢球,放在距离台盆内腔冲击点表面1000mm的高度,使其自由落下,冲击点距排水口边缘20mm~30mm的范围内,冲击仅限一次,其结果应符合5.4.1.1b)的规定。6.4.2玻璃纤维增强塑料台盆抗冲击性应按JC/T779一2000中8.2.8规定执行。4
6.4.3人造石台盆抗冲击性
应按JC/T644--1996中6.4.5规定执行。6.5溢流性能
QB2658-2004
6.5.1对无溢流孔的台盆进行试验时,产品按使用状态安装,打开排水器,向台盆内放水,进水流量为0.07L/s,目测结果应符合5.4.2.1的规定。6.5.2对带有溢流孔的台盆进行检测时,产品按使用状态安装,关闭排水器,向台盆内放水,进水流量为0.07L/s,目测结果应符合5.4.2.2的规定。6.6密封性能
产品按使用状态安装,关闭排水器,向台盆内放水至最满,目测台盆与排水器结合处应无外渗漏。6.7安全性
钢化玻璃台盆的碎片状态按GB/T9963一1998中5.6方法试验后,其结果应符合5.4.4的规定。夹层玻璃台盆的落球冲击剥离性能按GB9962一1999中6.10方法试验后,其结果应符合5.4.4的规定。6.8冷、热稳定性
6.8.1将玻璃台盆冷却至(0士2)℃,然后即用1L温度大于90℃的水淋其表面,玻璃盆体不应破碎。再将试样玻璃加热至(70土2)℃,然后即用1L温度小于(12土2)℃的水淋其表面,试样玻璃不应破碎。6.8.2玻璃纤维增强塑料台盆耐热水性检测,其试验方法按JC/T779一2000中附录B的规定执行。6.8.3人造石台盆耐热水性检测,其试验方法按JC/T644一1996中6.4.9的规定执行(浇铸型胶衣台盆的试验温度为(65土2)℃。
6.9装配质量
用手感检测。
6.10承载能力
产品按使用状态安装,在台盆中心部位加载50kg的质量(包括砂袋和10mm厚木垫板,见图1),保持5min,其结果应符合5.4.7规定。砂袋
悬挂式
QB2658-2004
6.11涂层结合强度
涂层结合强度采用栅格试验法检测执行,其方法是:用刀片在产品涂层面画横竖6条×6条直线,线距为2mm,切痕深度必须将涂层切断至基体面,再用粘胶带贴紧方格子表面,然后迅速将胶带拉开,其结果应符合5.4.8规定。
6.12耐化学性
玻璃纤维增强塑料台盆耐化学性检测按JC/T858一2000中5.8规定执行。6.13耐污染性
6.13.1玻璃纤维增强塑料台盆耐污染性试验按JC/T7792000中8.2.4规定执行。6.13.2人造石台盆耐污染性试验按JC/T644-1996中6.4.10规定执行。6.14巴氏硬度
按GB/T3854执行。
6.15稳定性
产品按使用状态安装,台盆和所悬挂之砂袋位置如图2所示。砂袋质量30kg,用绳子吊在试验架上。砂袋摆起垂直高度500mm后,自由回摆,冲击台盆边缘,产品整体不应出现倒塌和倾斜。单位为毫米
6.16防结露、降噪音措施
不锈钢台盆用目测检测。
6.17配件
应按QB1334和JC/T932-2003中的相应规定执行。6.18陶瓷台盆的检测按GB/T6952中的相应规定执行。7检验规则
7.1每件产品应经出厂检验合格后方可出厂。7.2产品检验分出厂检验和型式检验。6
7.3出厂检验
7.3.1对5.2的外观项目,每件产品均应进行检验。QB2658-2004
7.3.2其他项目按GB/T2828.1的规定进行,采用特殊检验水平S-2,一次抽样方案。其出厂检验项目、不合格类别、接收质量限(AQL)按表5的规定。表5
不合格类别
7.4型式检验
检验项目
尺寸和偏差
防结露、降噪音措施
试验方法
7.4.1型式检验的样本在提交的出厂检验合格批中抽取,每批抽查一件,其项目包括本标准要求的全部项目,若全部项目合格,则整批合格。若有一项不合格,再抽第二件,若再有一项不合格,则整批不合格。此内容来自标准下载网
有下列情况之一,应进行型式检验。7.4.2
新产品或老产品转厂生产的试制定型鉴定;当生产的产品在设计、工艺、生产设备、管理等方面有较大改变而可能影响产品性能时;正常生产时,定期或积累一定产量后,每二年至少进行一次;不生产的产品恢复生产时;
出厂检验结果与上次型式检验有较大差异时;国家质量监督检验机构提出进行型式检验的要求时。包装、运输、贮存
8标志、1
8.1标志
产品应有明显清晰、不易涂改及可见的标志。标志内容如下:产品名称、型号、规格:
制造厂名:
制造日期。
包装标志内容:
产品名称、型号、规格、等级;制造厂名和厂址;
制造日期;
商标:
重量(毛重、净重):
外形尺寸(长×宽×高)。
8.2包装
8.2.1每件产品应附有合格证和安装使用说明书,合格证上应有检验员代号和检验日期。有附件的产品应附有清单。
8.2.2产品包装应牢固,不破损,其单件重量应符合有关运输规定。7
QB26582004
8.3运输
产品在运输中应轻装、轻卸、防重压,避免冲击,防止日晒雨淋,不得与腐蚀性物品混运8.4购存
产品应保存在通风良好于燥的室内,不得与腐蚀性物品混放。8
小提示:此标准内容仅展示完整标准里的部分截取内容,若需要完整标准请到上方自行免费下载完整标准文档。
标准图片预览:





- 其它标准
- 热门标准
- 其他行业标准
- FZ/T54089-2016 有色锦纶6弹力丝
- FZ/T54087-2016 粘合活化型涤纶工业长丝
- FZ/T54088-2016 锦纶6全牵伸单丝
- FZ/T92036-2017 弹簧加压摇架
- YS/T433-2016 银精矿
- FZ/T54082-2015 锦纶6膨体长丝(BCF)
- FZ/T62036-2017 乳胶枕、垫
- QB/T4698-2014 家用和类似用途软水机
- QB/T4207-2011 一字槽螺钉旋具头
- FZ/T61002-2019 化纤仿毛毛毯
- JB/T4212.6-2014 内六角圆柱头螺钉冷镦模 第6部分:凹模
- NB/T31048.1-2014 风力发电机用绕组线 第1部分 一般规定
- T/CMAJY047-2021 加油机在线监督管理规范
- FZ/T73022-2019 针织保暖内衣
- QB/T1999-1994 密胺塑料餐具
- 行业新闻
请牢记:“bzxz.net”即是“标准下载”四个汉字汉语拼音首字母与国际顶级域名“.net”的组合。 ©2025 标准下载网 www.bzxz.net 本站邮件:bzxznet@163.com
网站备案号:湘ICP备2025141790号-2
网站备案号:湘ICP备2025141790号-2